Comparative Performance of Multi-Period ACOPF and Multi-Period DCOPF under High Integration of Wind Power
Abstract
:1. Introduction
2. AC Optimal Power Flow and the DC Optimal Power Flow Comparison
3. Mathematical Formulation
3.1. Formulation DC System
3.2. Formulation AC System
4. Results and Discussion
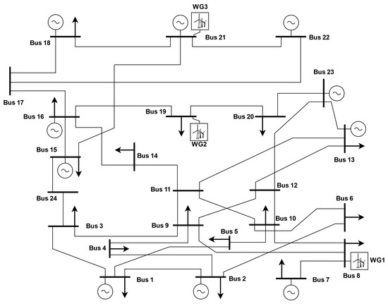
4.1. Case Description: IEEE 24-Bus
4.2. Results
5. Conclusions
Author Contributions
Funding
Institutional Review Board Statement
Informed Consent Statement
Data Availability Statement
Acknowledgments
Conflicts of Interest
Abbreviations
| Indices | |
| g | Index of thermal units of generation |
| Index of network buses connected by transmission branches | |
| t | Index of time periods (hour) |
| Parameters | |
| Availability of wind turbine connected to bus i at time t (MW) | |
| Capacity of wind turbine connected to bus i (MW) | |
| Electric power load in bus i at time t | |
| Fuel cost coefficient of thermal units | |
| Maximum limits of active power generation of thermal units | |
| Minimum limits of active power generation of thermal units | |
| Maximum limits of reactive power generation of thermal units | |
| Minimum limits of reactive power generation of thermal units | |
| Maximum power flow limits of branch connecting bus i to j | |
| Reactance of branch connecting bus i to j | |
| Resistance of branch connecting bus i to j | |
| susceptance of branch connecting bus i to j | |
| Angle of branch connecting bus i to j at time t (rad) | |
| Efficiency of thermal units | |
| Ramp-up limits of thermal generation unit g (MW/h) | |
| Ramp-down limits of thermal generation unit g (MW/h) | |
| Variables | |
| Active power flow of branch connecting bus i to j at time t (MW) | |
| Active power generated by thermal unit g at time t (MW) | |
| Active power generated by wind turbine connected to bus i at time t (MW) | |
| Reactive power flow of branch connecting bus i to j at time t (MW) | |
| Reactive power generated by thermal unit g at time t (MW) | |
| Dual variable that indicate locational marginal price in bus i at time t ($/MWh) | |
| Voltage of bus i at time t (p.u) | |
| Voltage angle of bus i at time t (rad) | |
| 24-h Total operating costs ($) |
References
- Foley, A.; Olabi, A.G. Renewable energy technology developments, trends and policy implications that can underpin the drive for global climate change. Renew. Sustain. Energy Rev. 2017, 68, 1112–1114. [Google Scholar] [CrossRef] [Green Version]
- Kasem, A.; Alawin, M. Exploring the Impact of Renewable Energy on Climate Change in The GCC Countries. Int. J. Energy Econ. Policy 2019, 9, 124–130. [Google Scholar] [CrossRef]
- Hamels, S. CO2 Intensities and Primary Energy Factors in the Future European Electricity System. Energies 2021, 14, 2165. [Google Scholar] [CrossRef]
- Ellabban, O.; Abu-Rub, H.; Blaabjerg, F. Renewable energy resources: Current status, future prospects and their enabling technology. Renew. Sustain. Energy Rev. 2014, 39, 748–764. [Google Scholar] [CrossRef]
- Nasirov, S.; Cruz, E.; Agostini, C.A.; Silva, C. Policy Makers’ Perspectives on the Expansion of Renewable Energy Sources in Chile’s Electricity Auctions. Energies 2019, 12, 4149. [Google Scholar] [CrossRef]
- Sanchez, F.; Gonzalez-Longatt, F.; Bogdanov, D. Probabilistic Assessment of Enhanced Frequency Response Services Using Real Frequency Time Series. In Proceedings of the 2018 20th International Symposium on Electrical Apparatus and Technologies (SIELA), Bourgas, Bulgaria, 3–6 June 2018; pp. 1–4. [Google Scholar] [CrossRef] [Green Version]
- Carrasco, J.M.; Franquelo, L.G.; Bialasiewicz, J.T.; Galván, E.; PortilloGuisado, R.C.; Prats, M.M.; León, J.I.; Moreno-Alfonso, N. Power-electronic systems for the grid integration of renewable energy sources: A survey. IEEE Trans. Ind. Electron. 2006, 53, 1002–1016. [Google Scholar] [CrossRef]
- Moreno, R.; Hoyos, C.; Cantillo, S. A Framework from Peer-to-Peer Electricity Trading Based on Communities Transactions. Int. J. Energy Econ. Policy (IJEEP) 2021, 11, 537–545. [Google Scholar] [CrossRef]
- Moreno, R.; Larrahondo, D. The First Auction of Non-Conventional Renewable Energy in Colombia: Results and Perspectives. Int. J. Energy Econ. Policy (IJEEP) 2021, 11, 528–535. [Google Scholar] [CrossRef]
- Shariatmadar, K.; Arrigo, A.; Vallée, F.; Hallez, H.; Vandevelde, L.; Moens, D. Day-Ahead Energy and Reserve Dispatch Problem under Non-Probabilistic Uncertainty. Energies 2021, 14, 1016. [Google Scholar] [CrossRef]
- Lipka, P.; Oren, S.S.; O’Neill, R.P.; Castillo, A. Running a more complete market with the SLP-IV-ACOPF. IEEE Trans. Power Syst. 2016, 32, 1139–1148. [Google Scholar] [CrossRef]
- Roald, L.; Andersson, G. Chance-constrained AC optimal power flow: Reformulations and efficient algorithms. IEEE Trans. Power Syst. 2017, 33, 2906–2918. [Google Scholar] [CrossRef] [Green Version]
- Hinojosa, V.; Gonzalez-Longatt, F. Stochastic security-constrained generation expansion planning methodology based on a generalized line outage distribution factors. In Proceedings of the 2017 IEEE Manchester PowerTech, Manchester, UK, 18–22 June 2017; pp. 1–6. [Google Scholar] [CrossRef] [Green Version]
- Capitanescu, F.; Ramos, J.M.; Panciatici, P.; Kirschen, D.; Marcolini, A.M.; Platbrood, L.; Wehenkel, L. State-of-the-art, challenges, and future trends in security constrained optimal power flow. Electr. Power Syst. Res. 2011, 81, 1731–1741. [Google Scholar] [CrossRef] [Green Version]
- Kim, S.C.; Salkut, S.R. Optimal power flow based congestion management using enhanced genetic algorithms. Int. J. Electr. Comput. Eng. (2088-8708) 2019, 9. [Google Scholar] [CrossRef]
- Frank, S.; Steponavice, I.; Rebennack, S. Optimal power flow: A bibliographic survey I. Energy Syst. 2012, 3, 221–258. [Google Scholar] [CrossRef]
- Milano, F. Continuous Newton’s Method for Power Flow Analysis. IEEE Trans. Power Syst. 2009, 24, 50–57. [Google Scholar] [CrossRef]
- Montoya, O.D.; Rueda, L.E.; Gil-González, W.; Molina-Cabrera, A.; Chamorro, H.R.; Soleimani, M. On the Power Flow Solution in AC Distribution Networks Using the Laurent’s Series Expansion. In Proceedings of the 2021 IEEE Texas Power and Energy Conference (TPEC), College Station, TX, USA, 2–5 February 2021; pp. 1–5. [Google Scholar] [CrossRef]
- Moreno, R.; Florez, O. Online Dynamic Assessment of System Stability in Power Systems Using the Unscented Kalman Filter. Int. Rev. Electr. Eng. (IREE) 2019. [Google Scholar] [CrossRef]
- Javadi, M.; Amraee, T. Mixed integer linear formulation for undervoltage load shedding to provide voltage stability. IET Gener. Transm. Distrib. 2018, 12, 2095–2104. [Google Scholar] [CrossRef]
- Sridhar, J.; Prakash, R. Multi-objective whale optimization based minimization of loss, maximization of voltage stability considering cost of DG for optimal sizing and placement of DG. Int. J. Electr. Comput. Eng. (IJECE) 2019, 9, 835–839. [Google Scholar] [CrossRef]
- Moreno, R. Identification of Topological Vulnerabilities for Power Systems Networks. In Proceedings of the 2018 IEEE Power & Energy Society General Meeting (PESGM), Portland, OR, USA, 5–9 August 2018. [Google Scholar] [CrossRef]
- Soroudi, A. Power System Optimization Modeling in GAMS; Springer: Berlin/Heidelberg, Germany, 2017; pp. 148–150. [Google Scholar] [CrossRef]
- Hakam, D.F. Nodal Pricing: The Theory and Evidence of Indonesia Power System. Int. J. Energy Econ. Policy 2018, 8, 135–147. [Google Scholar] [CrossRef]
- Naveen, P.; Ing, W.K.; Danquah, M.K.; Abu-Siada, A.; Sidhu, A.S. Sustainable Economic and Emission Control Strategy for Deregulated Power Systems. Int. J. Energy Econ. Policy 2017, 7, 10. [Google Scholar]
- Cantillo, S.; Moreno, R. Power system operation considering detailed modelling of energy storage systems. Int. J. Electr. Comput. Eng. (IJECE) 2021, 11, 182. [Google Scholar] [CrossRef]
- Wang, Z.; Anderson, C.L. A Progressive Period Optimal Power Flow for Systems with High Penetration of Variable Renewable Energy Sources. Energies 2021, 14, 2815. [Google Scholar] [CrossRef]
- Momoh, J.A. Electric Power System Applications of Optimization; CRC Press: Boca Raton, FL, USA, 2017. [Google Scholar]
- Huneault, M.; Galiana, F. A survey of the optimal power flow literature. IEEE Trans. Power Syst. 1991, 6, 762–770. [Google Scholar] [CrossRef]
- Zimmerman, R.D.; Murillo-Sánchez, C.E.; Thomas, R.J. MATPOWER: Steady-state operations, planning, and analysis tools for power systems research and education. IEEE Trans. Power Syst. 2010, 26, 12–19. [Google Scholar] [CrossRef] [Green Version]
- Wang, H.; Murillo-Sanchez, C.E.; Zimmerman, R.D.; Thomas, R.J. On computational issues of market-based optimal power flow. IEEE Trans. Power Syst. 2007, 22, 1185–1193. [Google Scholar] [CrossRef]
- Frank, S.; Rebennack, S. An introduction to optimal power flow: Theory, formulation, and examples. IIE Trans. 2016, 48, 1172–1197. [Google Scholar] [CrossRef]
- Kang, S.; Kim, J.; Park, J.W.; Baek, S.M. Reactive power management based on voltage sensitivity analysis of distribution system with high penetration of renewable energies. Energies 2019, 12, 1493. [Google Scholar] [CrossRef] [Green Version]
- Kanagaraj, A.; Raguru Pandu, K.D. Investigations of Various Market Models in a Deregulated Power Environment Using ACOPF. Energies 2020, 13, 2354. [Google Scholar] [CrossRef]
- Lorca, A.; Sun, X.A. The adaptive robust multi-period alternating current optimal power flow problem. IEEE Trans. Power Syst. 2017, 33, 1993–2003. [Google Scholar] [CrossRef]
- Dall’Anese, E.; Baker, K.; Summers, T. Chance-constrained AC optimal power flow for distribution systems with renewables. IEEE Trans. Power Syst. 2017, 32, 3427–3438. [Google Scholar] [CrossRef]
- Ochoa, L.F.; Harrison, G.P. Minimizing energy losses: Optimal accommodation and smart operation of renewable distributed generation. IEEE Trans. Power Syst. 2010, 26, 198–205. [Google Scholar] [CrossRef] [Green Version]
- Chamanbaz, M.; Dabbene, F.; Lagoa, C. AC optimal power flow in the presence of renewable sources and uncertain loads. arXiv 2017, arXiv:1702.02967. [Google Scholar]
- Attarha, A.; Amjady, N.; Conejo, A.J. Adaptive robust AC optimal power flow considering load and wind power uncertainties. Int. J. Electr. Power Energy Syst. 2018, 96, 132–142. [Google Scholar] [CrossRef]
- Bai, W.; Lee, D.; Lee, K.Y. Stochastic dynamic AC optimal power flow based on a multivariate short-term wind power scenario forecasting model. Energies 2017, 10, 2138. [Google Scholar] [CrossRef] [Green Version]
- Cain, M.B.; O’neill, R.P.; Castillo, A. History of optimal power flow and formulations. Fed. Energy Regul. Comm. 2012, 1, 1–36. [Google Scholar]
- Puangsukra, R.; Singh, J.G.; Ongsakul, W.; Gonzalez-Longatt, F.M. Multi-Objective Optimization for Enhancing System Coordination Restoration by Placement of Fault Current Limiters on an Active Distribution System with System Reliability Considerations. In Proceedings of the 2018 International Conference and Utility Exhibition on Green Energy for Sustainable Development (ICUE), Phuket, Thailand, 24–26 October 2018; pp. 1–9. [Google Scholar] [CrossRef]
- Conejo, A.J.; Aguado, J.A. Multi-area coordinated decentralized DC optimal power flow. IEEE Trans. Power Syst. 1998, 13, 1272–1278. [Google Scholar] [CrossRef]
- Montoya, O.D.; Grisales-Noreña, L.; González-Montoya, D.; Ramos-Paja, C.; Garces, A. Linear power flow formulation for low-voltage DC power grids. Electr. Power Syst. Res. 2018, 163, 375–381. [Google Scholar] [CrossRef]
- Ou, M.; Xue, Y.; Zhang, X.P. Iterative DC optimal power flow considering transmission network loss. Electr. Power Components Syst. 2016, 44, 955–965. [Google Scholar] [CrossRef]
- Hinojosa, V.H. Comparing Corrective and Preventive Security-Constrained DCOPF Problems Using Linear Shift-Factors. Energies 2020, 13, 516. [Google Scholar] [CrossRef] [Green Version]
- Jabr, R.A. Adjustable Robust OPF With Renewable Energy Sources. IEEE Trans. Power Syst. 2013, 28, 4742–4751. [Google Scholar] [CrossRef]
- Moreno, R.; Obando, J.; Gonzalez, G. An integrated OPF dispatching model with wind power and demand response for day-ahead markets. Int. J. Electr. Comput. Eng. (IJECE) 2019. [Google Scholar] [CrossRef]
- Obando, J.S.; González, G.; Moreno, R. Quantification of operating reserves with high penetration of wind power considering extreme values. Int. J. Electr. Comput. Eng. (IJECE) 2020. [Google Scholar] [CrossRef]
- Li, F.; Bo, R. DCOPF-based LMP simulation: Algorithm, comparison with ACOPF, and sensitivity. IEEE Trans. Power Syst. 2007, 22, 1475–1485. [Google Scholar] [CrossRef]
- Soroush, M.; Fuller, J.D. Accuracies of optimal transmission switching heuristics based on DCOPF and ACOPF. IEEE Trans. Power Syst. 2013, 29, 924–932. [Google Scholar] [CrossRef]
- Dunning, I.; Huchette, J.; Lubin, M. JuMP: A modeling language for mathematical optimization. SIAM Rev. 2017, 59, 295–320. [Google Scholar] [CrossRef]









| Gen | Bus | (MW) | (MW) | ($/MW) | (MW) | (MW) | (MW/h) |
|---|---|---|---|---|---|---|---|
| 1 | 1 | 152 | 30.4 | 13.32 | 192 | −50 | 21 |
| 2 | 2 | 152 | 30.4 | 13.31 | 192 | −50 | 21 |
| 3 | 7 | 350 | 75 | 20.7 | 300 | 0 | 43 |
| 4 | 13 | 591 | 206.85 | 20.93 | 591 | 0 | 31 |
| 5 | 15 | 215 | 66.25 | 21 | 215 | −100 | 31 |
| 6 | 16 | 155 | 54.25 | 10.52 | 155 | −50 | 31 |
| 7 | 18 | 400 | 100 | 5.46 | 400 | −50 | 70 |
| 8 | 21 | 400 | 100 | 5.47 | 400 | −50 | 70 |
| 9 | 22 | 300 | 0 | 0 | 300 | −60 | 53 |
| 10 | 23 | 360 | 248.5 | 10.52 | 310 | −125 | 31 |
| From | To | (p.u) | (p.u) | (p.u) | Rating (MVA) |
|---|---|---|---|---|---|
| 1 | 2 | 0.0026 | 0.0139 | 0.4611 | 175 |
| 1 | 3 | 0.0546 | 0.2112 | 0.0572 | 175 |
| 1 | 5 | 0.0026 | 0.0139 | 0.4611 | 175 |
| 2 | 4 | 0.0328 | 0.1267 | 0.0343 | 175 |
| 2 | 6 | 0.0497 | 0.192 | 0.052 | 175 |
| 3 | 9 | 0.0308 | 0.119 | 0.0322 | 175 |
| 3 | 24 | 0.0023 | 0.0839 | 0 | 250 |
| 4 | 9 | 0.0268 | 0.1037 | 0.0281 | 175 |
| 5 | 10 | 0.0228 | 0.0883 | 0.0239 | 175 |
| 6 | 10 | 0.0139 | 0.0605 | 2.459 | 250 |
| 7 | 8 | 0.0159 | 0.0614 | 0.0166 | 175 |
| 8 | 9 | 0.0427 | 0.1651 | 0.0447 | 175 |
| 8 | 10 | 0.0427 | 0.1651 | 0.0447 | 175 |
| 9 | 11 | 0.0023 | 0.0839 | 0 | 400 |
| 9 | 12 | 0.0023 | 0.0839 | 0 | 400 |
| 10 | 11 | 0.0023 | 0.0839 | 0 | 400 |
| 10 | 12 | 0.0023 | 0.0839 | 0 | 400 |
| 11 | 13 | 0.0061 | 0.0476 | 0.0999 | 500 |
| 11 | 14 | 0.0054 | 0.0418 | 0.0879 | 500 |
| 12 | 13 | 0.0061 | 0.0476 | 0.0999 | 500 |
| 12 | 23 | 0.0124 | 0.0966 | 0.203 | 500 |
| 13 | 23 | 0.0111 | 0.0865 | 0.1818 | 500 |
| 14 | 16 | 0.005 | 0.0389 | 0.0818 | 500 |
| 15 | 16 | 0.0022 | 0.0173 | 0.0364 | 500 |
| 15 | 21 | 0.0032 | 0.0245 | 0.206 | 1000 |
| 15 | 24 | 0.0067 | 0.0519 | 0.1091 | 500 |
| 16 | 17 | 0.0033 | 0.0259 | 0.0545 | 500 |
| 16 | 19 | 0.003 | 0.0231 | 0.0485 | 500 |
| 17 | 18 | 0.0018 | 0.0144 | 0.0303 | 500 |
| 17 | 22 | 0.0135 | 0.1053 | 0.2212 | 500 |
| 18 | 21 | 0.0017 | 0.013 | 0.109 | 1000 |
| 19 | 20 | 0.0026 | 0.0198 | 0.1666 | 1000 |
| 20 | 23 | 0.0014 | 0.0108 | 0.091 | 1000 |
| 21 | 22 | 0.0087 | 0.0678 | 0.1424 | 500 |
Publisher’s Note: MDPI stays neutral with regard to jurisdictional claims in published maps and institutional affiliations. |
© 2021 by the authors. Licensee MDPI, Basel, Switzerland. This article is an open access article distributed under the terms and conditions of the Creative Commons Attribution (CC BY) license (https://creativecommons.org/licenses/by/4.0/).
Share and Cite
Larrahondo, D.; Moreno, R.; Chamorro, H.R.; Gonzalez-Longatt, F. Comparative Performance of Multi-Period ACOPF and Multi-Period DCOPF under High Integration of Wind Power. Energies 2021, 14, 4540. https://doi.org/10.3390/en14154540
Larrahondo D, Moreno R, Chamorro HR, Gonzalez-Longatt F. Comparative Performance of Multi-Period ACOPF and Multi-Period DCOPF under High Integration of Wind Power. Energies. 2021; 14(15):4540. https://doi.org/10.3390/en14154540
Chicago/Turabian StyleLarrahondo, Diego, Ricardo Moreno, Harold R. Chamorro, and Francisco Gonzalez-Longatt. 2021. "Comparative Performance of Multi-Period ACOPF and Multi-Period DCOPF under High Integration of Wind Power" Energies 14, no. 15: 4540. https://doi.org/10.3390/en14154540
APA StyleLarrahondo, D., Moreno, R., Chamorro, H. R., & Gonzalez-Longatt, F. (2021). Comparative Performance of Multi-Period ACOPF and Multi-Period DCOPF under High Integration of Wind Power. Energies, 14(15), 4540. https://doi.org/10.3390/en14154540

