Cascaded Centered Moving Average Filters for Energy Management in Multisource Power Systems with a Large Number of Devices
Abstract
1. Introduction
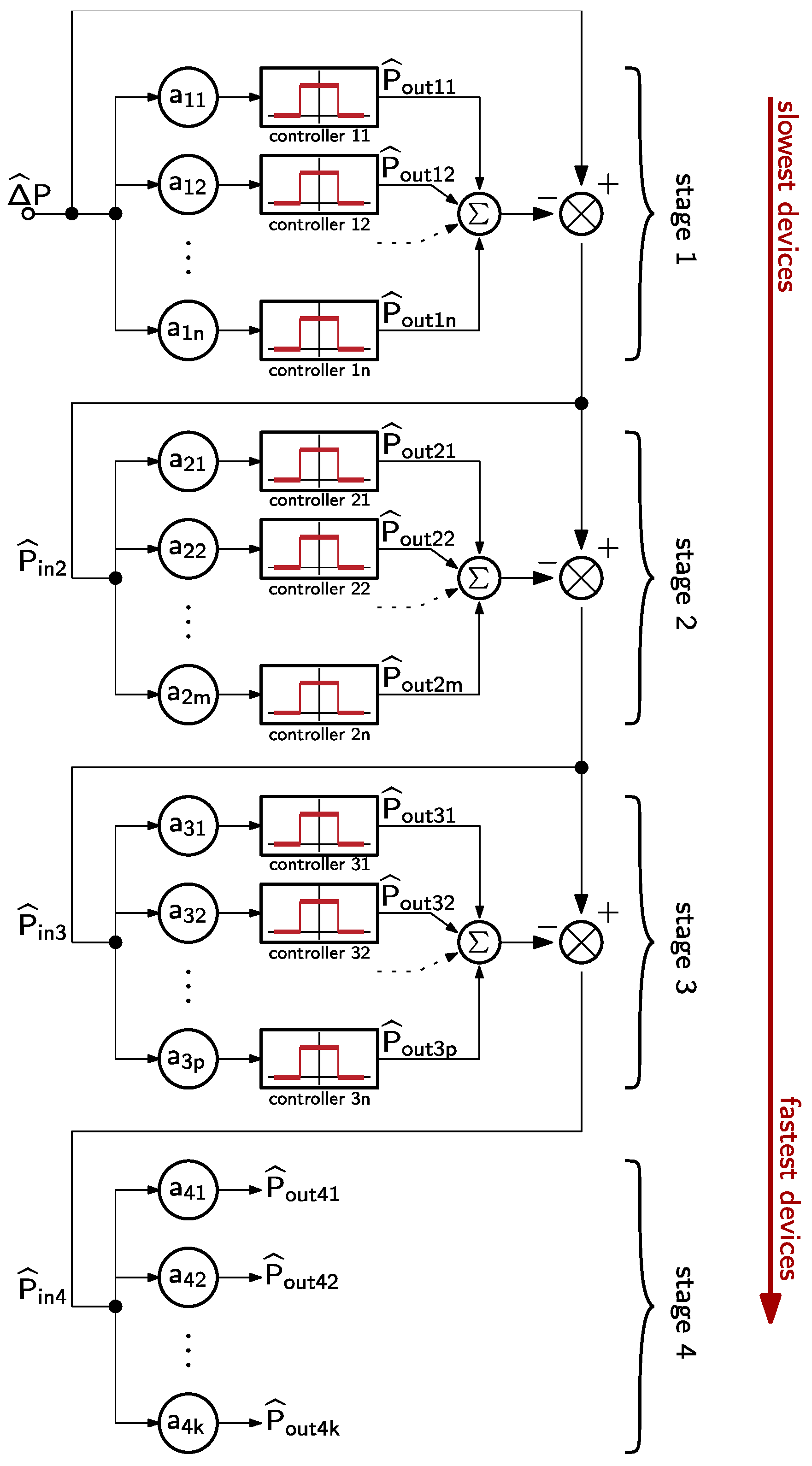
2. Proposed Energy Management Approach
2.1. Centered Moving Average Filter
2.2. Additionnal Control Loops and Supervision
2.3. Optimization Process
- Calculation of the corresponding power profile according to Equation (2).
- Calculation of the maximum energy and the maximum power of this profile.
- Based on the results of the step b and on a database containing specific powers and specific energies of the various technologies whose source can be built with a power sizing and an energy sizing of this source, these are calculated for each technology. These dimensions represent the minimum sizes to be respected for the source to be able to supply/store the energy and power calculated in b. For each technology, the largest dimensioning (between that in power and that in energy) is considered.
- Based on a database containing approximate lifetimes (in hours, in complete cycles, etc.) of the different technologies whose source can be built with, and on the power profile calculated in step a, an approximate lifetime of the source is calculated for each possible technology.
- Based on the results of step c and on a database containing the provided Wh price for the different technologies whose source can be built with an initial investment cost of the source is calculated for the different possible technologies.
- Using the lifetimes calculated in step d, a replacement cost is assigned to each technology.
- A maintenance cost is associated with each technology.
- Based on lifetimes calculated in d and costs e, f and g, the total cost (investment + replacement + maintenance) over the lifetime of the multisource system, of each technology that the source can be built with, is calculated. The power system lifetime is assumed to be equal to the lifetime of the renewable source.
- The technology that corresponds to the lower cost is chosen as the optimal technology of the source . We go back to step c to know the minimum dimension that must be considered for this technology.
3. Application on a Hybrid Power System
3.1. Hybrid Power System Description
3.2. Obective of Optimization
- −
- An optimal distribution of energy between the fuel cell, the two batteries and the supercapacitors. The optimal reference power should respect the dynamics, the power and the energy limits of each source.
- −
- An optimal size and an optimal technology of each source.
- −
- A minimum power system cost.
3.3. Optimisation Results
4. Conclusions
Author Contributions
Funding
Institutional Review Board Statement
Informed Consent Statement
Data Availability Statement
Conflicts of Interest
References
- Hirsch, A.; Parag, Y.; Guerrero, J. Microgrids: A review of technologies, key drivers, and outstanding issues. Renew. Sustain. Energy Rev. 2018, 90, 402–411. [Google Scholar] [CrossRef]
- Hoff, T.E.; Wenger, H.J.; Farmer, B.K. Distributed generation: An alternative to electric utility investments in system capacity. Energy Policy 1996, 24, 137–147. [Google Scholar] [CrossRef]
- Tawfik, T.; Badr, M.; El-Kady, E.; Abdellatif, O. Optimization and energy management of hybrid standalone energy system: A case study. Renew. Energy Focus 2018, 25, 48–56. [Google Scholar] [CrossRef]
- Nfah, E.M.; Ngundam, J.M. Modelling of wind/Diesel/battery hybrid power systems for far North Cameroon. Energy Convers. Manag. 2008, 49, 1295–1301. [Google Scholar] [CrossRef]
- Bhatti, A.R.; Salam, Z. A rule-based energy management scheme for uninterrupted electric vehicles charging at constant price using photovoltaic-grid system. Renew. Energy 2018, 125, 384–400. [Google Scholar] [CrossRef]
- Ismail, M.S.; Moghavvemi, M.; Mahlia, T.M.I. Design of an optimized photovoltaic and micro-turbine hybrid power system for a remote small community: Case study of Palestine. Energy Convers. Manag. 2013, 75, 271–281. [Google Scholar] [CrossRef]
- Barakat, M. Development of Models for Inegrating Renewables and Energy Storage Components in Smart Grid Applications. Ph.D. Thesis, Université de Caen Normandie, Caen, France, 2018. [Google Scholar]
- Navigant Research. Press Rel. March 2016. Available online: https://www.navigantresearch.com/news-and-views/global-microgrid-capacity-is-expected-to-grow-from-14-gw-in-2015-to-76-gw-in-2024 (accessed on 19 November 2020).
- Naval Facilities Engineering Command. Technology Transition Final Public Report: Smart Power Infrastructure Demonstration for Energy Reliability and Security (SPIDERS); U.S. Department of Defense, Naval Facilities Engineering Command: Washington, DC, USA, 2015. Available online: https://apps.dtic.mil/sti/pdfs/AD1074742.pdf (accessed on 15 April 2021).
- Khalilpour, R.; Vassallo, A. Leaving the grid: An ambition or a real choice? Energy Policy 2015, 82, 207–221. [Google Scholar] [CrossRef]
- Bronski, P.; Creyts, J.; Guccione, L.; Madrazo, M.; Mandel, J.; Rader, B.; Seif, D. The Economics of Grid Defection: When and Where Distributed Solar Generation Plus Storage Competes with Traditional Utility Service; Rocky Mountain Institute: Basalt, CO, USA, 2014. [Google Scholar]
- Rodriguez-Diaz, E.; Vasquez, J.C.; Guerrero, J.M. Intelligent DC homes in future sustainable energy systems: When efficiency and intelligence work together. IEEE Consum. Electron. Mag. 2015, 5, 74–80. [Google Scholar] [CrossRef]
- Arcos-Aviles, D.; Guinjoan, F.; Marietta, M.P.; Pascual, J.; Marroyo, L.; Sanchis, P. Energy management strategy for a grid-tied residential microgrid based on Fuzzy Logic and power forecasting. In Proceedings of the IECON 2016—42nd Annual Conference of the IEEE Industrial Electronics Society, Florence, Italy, 24–27 October 2016; pp. 4103–4108. [Google Scholar]
- Gao, C.; Zhao, J.; Wu, J.; Hao, X. Optimal fuzzy logic based energy management strategy of battery/supercapacitor hybrid energy storage system for electric vehicles. In Proceedings of the 12th World Congress on Intelligent Control and Automation (WCICA), Guilin, China, 12–15 June 2016. [Google Scholar]
- Shiwei, Y.; Shuangshuang, Z.; Shuhong, Z.; Zhenxi, L.; Lancui, L. Developing an optimal renewable electricity generation mix for China using a fuzzy multi-objective approach. Renew. Energy 2019, 139, 1086–1098. [Google Scholar]
- Erdinc, O.; Vural, B.; Uzunoglu, M. A wavelet-fuzzy logic based energy management strategy for a fuel cell/battery/ultra-capacitor hybrid vehicular power system. J. Power Sources 2009, 194, 369–380. [Google Scholar] [CrossRef]
- Hassan, T.U.; Abbassi, R.; Jerbi, H.; Mehmood, K.; Tahir, M.F.; Cheema, K.M.; Khan, I.A. A novel algorithm for MPPT of an isolated PV system using push pull converter with fuzzy logic controller. Energies 2020, 13, 4007. [Google Scholar] [CrossRef]
- Vural, B.; Boynuegri, A.R.; Nakir, I.; Erdinc, O.; Balikci, A.; Uzunoglu, M.; Dusmez, S. Fuel cell and ultra-capacitor hybrid-ization: A prototype test bench based analysis of different energy management strategies for vehicular applications. Int. J. Hydrogen Energy 2010, 35, 11161–11171. [Google Scholar] [CrossRef]
- Wang, K.; Wang, W.; Wang, L.; Li, L. An Improved SOC Control Strategy for Electric Vehicle Hybrid Energy Storage Systems. Energies 2020, 13, 5297. [Google Scholar] [CrossRef]
- Tayab, U.B.; Zia, A.; Yang, F.; Lu, J.; Kashif, M. Short-term load forecasting for microgrid energy management system using hybrid HHO-FNN model with best-basis stationary wavelet packet transform. Energy 2020, 203, 117857. [Google Scholar] [CrossRef]
- Salman, B.; Salem, S.O.; Song, H. Project-Level Sustainable Asphalt Roadway Treatment Selection Framework Featuring a Flowchart and Analytic Network Process. J. Transp. Eng. Part B Pavements 2020, 146, 04020041. [Google Scholar] [CrossRef]
- Moghaddam, M.J.H.; Kalam, A.; Nowdeh, S.A.; Ahmadi, A.; Babanezhad, M.; Saha, S. Optimal sizing and energy management of stand-alone hybrid photovoltaic/wind system based on hydrogen storage considering LOEE and LOLE reliability indices using flower pollination algorithm. Renew. Energy 2019, 135, 1412–1434. [Google Scholar] [CrossRef]
- Torreglosa, J.P.; García-Triviño, P.; Fernández-Ramirez, L.M.; Jurado, F. Control based on tech-no-economic optimization of renewable hybrid energy system for stand-alone applications. Expert Syst. Appl. 2016, 51, 59–75. [Google Scholar] [CrossRef]
- Ibrahim, M.; Jemei, S.; Wimmer, G.; Hissel, D. Nonlinear autoregressive neural network in an energy management strategy for battery/ultra-capacitor hybrid electrical vehicles. Electr. Power Syst. Res. 2016, 136, 262–269. [Google Scholar] [CrossRef]
- Ates, Y.; Erdinc, O.; Uzunoglu, M.; Vural, B. Energy management of an FC/UC hybrid vehicular power system using a combined neural network-wavelet transform based strategy. Int. J. Hydrogen Energy 2010, 35, 774–783. [Google Scholar] [CrossRef]
- Lee, H.; Song, C.; Kim, N.; Cha, S.W. Comparative Analysis of Energy Management Strategies for HEV: Dynamic Programming and Reinforcement Learning. IEEE Access 2020, 8, 67112–67123. [Google Scholar] [CrossRef]
- Torres-Moreno, J.L.; Giménez-Fernández, A.; Pérez-García, M.; Rodriguez, F. Energy Management Strategy for Micro-Grids with PV-Battery Systems and Electric Vehicles. Energies 2018, 11, 522. [Google Scholar] [CrossRef]
- Jafari, M.; Malekjamshidi, Z. Optimal energy management of a residential-based hybrid renewable energy system using rule-based real-time control and 2D dynamic programming optimization method. Renew. Energy 2020, 146, 254–266. [Google Scholar] [CrossRef]
- Elmouatamid, A.; Ouladsine, R.; Bakhouya, M.; El Kamoun, N.; Zine-Dine, K.; Khaidar, M. A Model Predictive Control Approach for Energy Management in Micro-Grid Systems. In Proceedings of the International Conference on Smart Energy Systems and Technologies (SEST), Porto, Portugal, 9–11 September 2019. [Google Scholar]
- Villalón, A.; Rivera, M.; Salgueiro, Y.; Muñoz, J.; Dragičević, T.; Blaabjerg, F. Predictive Control for Microgrid Applications: A Review Study. Energies 2020, 13, 2454. [Google Scholar] [CrossRef]
- Golchoubian, P.; Azad, N.L. Real-Time Nonlinear Model Predictive Control of a Battery–Supercapacitor Hybrid Energy Storage System in Electric Vehicles. IEEE Trans. Veh. Technol. 2017, 66, 9678–9688. [Google Scholar] [CrossRef]
- Chen, H.; Xiong, R.; Lin, C.; Shen, W. Model predictive control based real-time energy management for a hybrid energy storage system. CSEE J. Power Energy Syst. 2020. [Google Scholar] [CrossRef]
- Saidi, R.; Olivier, J.C.; Machmoum, M.; Chauveau, E. Energy management strategy for hybrid power systems based on mov-ing average filters and power forecasting. In Proceedings of the 2018 IEEE International Conference on Industrial Technology (ICIT), Lyon, France, 20–22 February 2018; pp. 966–971. [Google Scholar]
- Saidi, R.; Olivier, J.C.; Chauveau, E.; Machmoum, M. Méthode Générique de Gestion de L’énergie des Systèmes Multisources par Filtres à Moyenne Glissante; Symposium de Génie Electrique: Nancy, France, 2018. [Google Scholar]
- Adefarati, T.; Bansal, R. Reliability, economic and environmental analysis of a microgrid system in the presence of renewable energy resources. Appl. Energy 2019, 236, 1089–1114. [Google Scholar] [CrossRef]
- Trieste, S.; Hmam, S.; Olivier, J.C.; Bourguet, S.; Loron, L. Techno-economic optimization of a super-capacitor-based energy storage unit chain: Application on the first quick charge plug-in ferry. Appl. Energy 2015, 153, 3–14. [Google Scholar] [CrossRef]
- Yang, Y.; Bremner, S.; Menictas, C.; Kay, M. Battery energy storage system size determination in renewable energy systems: A review. Renew. Sustain. Energy Rev. 2018, 91, 109–125. [Google Scholar] [CrossRef]
- Chen, C.; Duan, S.; Cai, T.; Liu, B.; Hu, G. Optimal allocation and economic analysis of energy storage system in microgrids. IEEE Trans. Power Electron. 2011, 26, 2762–2773. [Google Scholar] [CrossRef]
- Khorramdel, H.; Aghaei, J.; Khorramdel, B.; Siano, P. Optimal Battery Sizing in Microgrids Using Probabilistic Unit Commitment. IEEE Trans. Ind. Inform. 2016, 12, 834–843. [Google Scholar] [CrossRef]
- Saidi, R.; Olivier, J.; Machmoum, M.; Chauveau, E. Energy management and sizing algorithm applied on a hybrid power system suppliying an isolated residential application. In Proceedings of the IECON 2018—44th Annual Conference of the IEEE Industrial Electronics Society, Washington, DC, USA, 21–23 October 2018; pp. 1783–1788. [Google Scholar]
- Bouabdallah, A.; Olivier, J.-C.; Bourguet, S.; Houari, A.; Machmoum, M. Robust sizing of a stand-alone multi-sources power system. In Proceedings of the 2016 IEEE International Conference on Industrial Technology (ICIT), Costa da Caparica, Portugal, 3 July 2016; pp. 448–453. [Google Scholar]
- Pascual, J.; Barricarte, J.; Sanchis, P.; Marroyo, L. Energy management strategy for a renewable-based residential microgrid with generation and demand forecasting. Appl. Energy 2015, 158, 12–25. [Google Scholar] [CrossRef]
- Arcos-Aviles, D.; Pascual, J.; Guinjoan, F.; Marroyo, L.; Sanchis, P.; Marietta, M.P. Low complexity energy management strategy for grid profile smoothing of a residential grid-connected microgrid using generation and demand forecasting. Appl. Energy 2017, 205, 69–84. [Google Scholar] [CrossRef]
- Kolter, J.Z.; Johnson, M.J. REDD: A Public Data Set for Energy Disaggregation Research; Workshop on Data Mining Applications in Sustainability (SIGKDD): San Diego, CA, USA, 2011; Available online: http://citeseerx.ist.psu.edu/viewdoc/download?doi=10.1.1.454.5796&rep=rep1&type=pdf (accessed on 19 November 2020).
- Demir, M.; Ashourirad, B.; Mugumya, J.H.; Saraswat, S.K.; El-Kaderi, H.M.; Gupta, R.B. Nitrogen and oxygen dual-doped porous carbons prepared from pea protein as electrode materials for high performance supercapacitors. Int. J. Hydrogen Energy 2018, 43, 18549–18558. [Google Scholar] [CrossRef]
- Ma, S.; Lin, M.; Lin, T.-E.; Lan, T.; Liao, X.; Maréchal, F.; Van Herle, J.; Yang, Y.; Dong, C.; Wang, L. Fuel cell-battery hybrid systems for mobility and off-grid applications: A review. Renew. Sustain. Energy Rev. 2021, 135, 110119. [Google Scholar] [CrossRef]
- Luta, D.N.; Raji, A. Optimal sizing of hybrid fuel cell-supercapacitor storage system for off-grid renewable applications. Energy 2019, 166, 530–540. [Google Scholar] [CrossRef]
- Wen, S.; Lan, H.; Yu, D.C.; Fu, Q.; Hong, Y.-Y.; Yu, L.; Yang, R. Optimal sizing of hybrid energy storage sub-systems in PV/diesel ship power system using frequency analysis. Energy 2017, 140, 198–208. [Google Scholar] [CrossRef]











| Input | Value |
|---|---|
| Position | Saint Nazaire, X: 47.283329° Y: −2.2° |
| PV Tilt angle | 50° |
| Sampling step | 1 s |
| Simulation horizon | 1 year |
| PV Panels | |
|---|---|
| Annualized Initial cost | |
| Annualized operation cost | - |
| Annualized replacement cost | - |
| Annualized maintenance cost | |
| Annualized total cost | |
| Fuel cell | |
| Annualized Initial cost | |
| Annualized operation cost | |
| Annualized replacement cost | |
| Annualized maintenance cost | |
| Annualized total cost | |
| Batteries | |
| Annualized Initial cost | |
| Annualized operation cost | - |
| Annualized replacement cost | |
| Annualized maintenance cost | |
| Annualized total cost | |
| SC bank | |
| Annualized Initial cost | |
| Annualized operation cost | - |
| Annualized replacement cost | |
| Annualized maintenance cost | |
| Annualized total cost | |
| Sizing | Technology | Total Cost over 25 Yrs | Annual Cost | ||
|---|---|---|---|---|---|
| PV panels | 6 m2 | Monocrystalline Si | EUR 2121 | EUR 84.84 | |
| Fuel Cell | (1, 10.3 days) | = 212 W | _ | EUR 51,220.40 | EUR 2048 |
| Battery 1 | (1, 11.9 h) | 23.1 kWh | Lead acid | EUR 13,754.16 | EUR 550.16 |
| Battery 2 | (1, 328 s) | 1.78 kWh | LiFePO4 | EUR 9109.46 | EUR 364.37 |
| Supercapacitors | _ | 175 F–50 V | _ | EUR 51.04 | EUR 2.04 |
| Converters | IGBT 1200 V | EUR 10,000 | EUR 400 | ||
| Total System Cost | EUR 86,256 | EUR 3450 | |||
| Cost of one kWh | EUR 1.23 (2798 kWh provided per year) | ||||
Publisher’s Note: MDPI stays neutral with regard to jurisdictional claims in published maps and institutional affiliations. |
© 2021 by the authors. Licensee MDPI, Basel, Switzerland. This article is an open access article distributed under the terms and conditions of the Creative Commons Attribution (CC BY) license (https://creativecommons.org/licenses/by/4.0/).
Share and Cite
Saidi, R.; Olivier, J.-C.; Machmoum, M.; Chauveau, E. Cascaded Centered Moving Average Filters for Energy Management in Multisource Power Systems with a Large Number of Devices. Energies 2021, 14, 3627. https://doi.org/10.3390/en14123627
Saidi R, Olivier J-C, Machmoum M, Chauveau E. Cascaded Centered Moving Average Filters for Energy Management in Multisource Power Systems with a Large Number of Devices. Energies. 2021; 14(12):3627. https://doi.org/10.3390/en14123627
Chicago/Turabian StyleSaidi, Ramzi, Jean-Christophe Olivier, Mohamed Machmoum, and Eric Chauveau. 2021. "Cascaded Centered Moving Average Filters for Energy Management in Multisource Power Systems with a Large Number of Devices" Energies 14, no. 12: 3627. https://doi.org/10.3390/en14123627
APA StyleSaidi, R., Olivier, J.-C., Machmoum, M., & Chauveau, E. (2021). Cascaded Centered Moving Average Filters for Energy Management in Multisource Power Systems with a Large Number of Devices. Energies, 14(12), 3627. https://doi.org/10.3390/en14123627

