Next Article in Journal
Comprehensive Second-Order Adjoint Sensitivity Analysis Methodology (2nd-ASAM) Applied to a Subcritical Experimental Reactor Physics Benchmark: IV. Effects of Imprecisely Known Source Parameters
Previous Article in Journal
Three-Dimensional Fibrous Iron as Anode Current Collector for Rechargeable Zinc–Air Batteries
 
 
Font Type:
Arial Georgia Verdana
Font Size:
Aa Aa Aa
Line Spacing:
Column Width:
Background:
Article

Distortion Load Identification Based on the Application of Compensating Devices

by
Yaroslav Shklyarskiy
1,
Aleksandr Skamyin
2,*,
Iaroslav Vladimirov
3 and
Farit Gazizov
4
1
Department of General Electrical Engineering, Saint-Petersburg mining university, 199106 St Petersburg, Russia
2
Department of Electric Power and Electromechanics, Saint-Petersburg mining university, 199106 St Petersburg, Russia
3
Higher School of Nuclear and Heat Power Engineering, Peter the Great St. Petersburg Polytechnic University, 195251 St Petersburg, Russia
4
Department of Economics and Organization Production, Kazan State Power Engineering University, 420066 Kazan, Russia
*
Author to whom correspondence should be addressed.
Energies 2020, 13(6), 1430; https://doi.org/10.3390/en13061430
Submission received: 19 February 2020 / Revised: 9 March 2020 / Accepted: 17 March 2020 / Published: 19 March 2020

Abstract

The article provides an analysis of the existing methods of identifying the consumer’s contribution to voltage distortion at a point of common coupling. The considered methods do not allow correctly and fairly determining the source of harmonic distortions, or they have limited application and difficulties in implementation. The paper proposes new methods for determining the source of high harmonics. The developed methods and techniques are based on the analysis of the grid operation modes with two connected consumers using compensating devices, such as reactive power compensation devices and passive harmonic filters. It is shown that the most promising method is the application of harmonic filters, which allows determining the share of the consumer’s contribution to the voltage distortion. The present research is carried out using a computer simulation of the existing electrical grid, to which consumers with nonlinear electric load are connected. These methods can be implemented to assess the power quality and the shareholding of different consumers connected at the point of common coupling. Furthermore, such methods appear to be feasible, as almost every enterprise currently has such facilities in operation.

1. Introduction

Currently, the power quality problem is widespread, since modern equipment based on the operation of semiconductor converter technology is being implemented in many enterprises [1,2]. The power quality has a significant impact on the operating conditions of the electrical grid and technological equipment [3,4]. When such indicators go beyond acceptable limits, the quality of output is reduced, power loss increases, the lifetime of equipment is reduced, and its performance decreases, which requires the use of more powerful equipment [5,6]. It is known that disturbances of the power quality indicators can occur both due to the fault of consumer and due to the work of third-party energy objects connected to the same point of common coupling (PCC) of the electrical grid. In this case, it is difficult to determine the exact location of the distortion source and its contribution to standardized indicators, for example, to the voltage total harmonic distortion factor (THDU) [7,8].
A striking example of this situation is the measurement of power quality at a small food production enterprise in the Leningrad region (Russia) for two days, as presented in Figure 1. The operation of reactive power compensation devices at this enterprise was not adequate for normal modes of operation, which led to the overload of capacitors with currents of high harmonics and their subsequent failure. In addition, the operation of technology lines of packaging the manufactured products periodically stopped due to errors detected by devices controlling the power consumption parameters at the electrical feeder.
Figure 1 shows increased THDU values for a time period from 0 to 24 h that go beyond the acceptable limits as compared to data for a time period from 24 to 48 h, while the power consumption modes of load corresponded to the same technological process during measurements taken for two days. It follows that voltage distortions are not caused by the operation of this consumer. This statement was confirmed during the analysis of other facilities connected to the distribution grid of the area. A powerful nonlinear electrical load of railway traction substations was connected to the PCC. This is the case not only for the enterprise in question, but also for other power supply systems with connected electrified railways [9,10,11].
There are many ways to identify and locate the source of high harmonics [12,13,14]. Some of them are based on a calculation of the components of apparent power, such as distortion power [12], nonactive power [3], and nonfundamental apparent power according to the IEEE 1459-2010 standard [5]. These methods can be easily implemented in electronic power meters, but they have limited application and insufficient theoretical validity. This method is suitable for electric networks to which a load that consumes only active power is connected. However, in electrical networks to which industrial consumers are connected, this method gives a significant error, especially when connecting reactive power compensation devices.
The load disconnection method allows one to determine the contribution of consumers to the voltage distortion [15]. The consumer should be disconnected from the grid to determine its contribution to the power quality indicators. However, it is impossible to disconnect the consumer in most cases, since enterprises have a continuous technological cycle, and stopping it can lead to large losses. However, sometimes, it can be applicable, as in the case shown in Figure 1. In this case, railway traction substations are switched once a month from one feeder to another, which made it possible to record voltage distortions in the presence and absence of a nonlinear load.
The most well-established and frequently methods mentioned in the literature are the methods based on analysis of the Norton or Thevenin equivalent circuits [16,17,18] and the active power flow of harmonics [8,19].
The first approach is based on estimating the equivalent conductivities of each consumer. The conductivity is calculated based on the increments of currents and voltages depending on the assumption that there is a change in the consumption of internal or external electrical load. However, if the load is unchanged or the parameters of the energy system and load change simultaneously, the determination of conductivity is not possible, which increases the error of the method. Work on improving and developing new methods for determining the equivalent conductivity of the consumer to reduce the shortcomings of this method is currently ongoing, and thus is a popular direction of research in this area [20,21].
The second approach involves determining the direction of the active power flow at harmonics. It is based on the measurement of the values of active power at harmonics [8,19]. The method has a practical application, but does not always yield correct results. The method includes determining the voltage and current phases, which causes certain difficulties when the content of high harmonics in voltage or current is comparatively small. In addition, the phase shift angle between voltage and current is detected by measuring the phase angle of voltage, which, at the PCC, is caused by the functioning of all consumers connected to that point. That is, this parameter is not only influenced by the consumer in question. The distorting consumer has an impact only on the phase of their own harmonic current, regardless of other parties connected to the PCC. It was shown in Reference [21] that, when measuring the phase shift angle between harmonic voltage and current at the connection point, which feeds the rectifier installations for electrolyzers (nonlinear electrical load), a change in the angle in broad limits is revealed. The measured active power at the harmonic frequency is sign-changing, which contradicts the principles of the method in question.
It should be noted that, in Russian power quality standards, there is only a limitation with respect to high harmonics in voltage. However, disturbances of the standard requirements are massive and systematic in many power systems [8]. One of the reasons is the lack of regulations in the area of limiting harmonic currents from consumers and evaluating their influence on voltage distortions. Many countries apply the IEEE 519-2014 standard which limits the currents of high harmonics at the consumer feeder. Obviously, this leads to a limitation in the voltage levels of distortion. However, in the case of supplying the consumer with a linear load by a distorted voltage, they can be fined or disconnected from the power system, although it is not a source of distortion.
Thus, at present, there is no established and unambiguous method of identifying the source of high harmonics in electrical grids which makes it possible to fairly assess the consumer’s contribution to the power quality indicators at the PCC. This underlines the relevance of research in this area. It should be noted that a reliable definition of the consumer’s contribution in the power quality indicators at the PCC is important not only in terms of penalizing distorting consumers, but also in terms of compensating for the influence of harmonics on electrical equipment. There are various ways of reducing the level of harmonic distortions [22,23,24,25,26]. It is most economically feasible to reduce the influence of high harmonics by placing additional installed reactors and passive harmonic filters in the network of the enterprise [24,26]. However, in order to implement these methods, it is necessary to accurately assess the situation, as well as to know the localization of the distortion load, which can be both the supply grid side and the consumer side. At the same time, additionally placed reactors and passive filters designed to reduce the level of harmonics may also act as indicators that allow identifying the contribution of consumers to the voltage distortion. Moreover, the compensating devices based on capacitor banks, intended for reactive power compensation, are known to be the most vulnerable and sensitive receiving terminals concerning high harmonics, and they can be useful for harmonic source detection.
Therefore, the aim of this work is to develop a method of distortion load identification based on the application of compensating devices and their assessment in comparison with existing methods based on the same principle in the proposed benchmark. To achieve this goal, a theoretical description of the proposed methods is presented in Section 2. Section 3 presents an imitation model of an electrical network that allows simulating the operation modes when there are distortions and several consumers. Section 4 presents the simulation results and their interpretation. Section 5 contains the conclusions and the direction of further research.

2. Methods

As mentioned above, capacitors are some of the most vulnerable and sensitive elements to the influence of high harmonics, and they can be used as an indicator to identify the source of distortions. Therefore, the main aim of this paper was to determine how the compensating devices based on capacitors can help to identify the dominant and share consumer’s contribution to the voltage distortion at the PCC. The article discusses methods developed by the authors based on the use of compensating devices. The theoretical and mathematical analysis of the first two methods is presented in References [27,28,29].
A simplified network equivalent circuit that allows explaining the principles of the first two proposed methods is presented in Figure 2, where U1, I1 are the root-mean-square (rms) values of voltage and current at the fundamental frequency, Uh, Ih are the rms values of voltage and current at the harmonic frequency, h is the harmonic order (5,7), LS is the system inductance, Zs is the system impedance (Zs ≈ jωLs), L, LFR, LLL represent the inductance of the anti-harmonic reactor, harmonic filter, and linear load, respectively, C, CFR represent the capacitance of the capacitor banks and harmonic filter, RFR, RLL represent the resistance of the harmonic filter and linear load, and 1, 2 are the circuit numbers.
The first method is based on constructing the dependence of the system impedance on the capacitor voltage at the harmonic frequency. The principle of the dependence construction can be explained using circuit 1 in Figure 2. The capacitor voltage at harmonic frequency is monitored and recorded. Then, the system impedance for the consumer needs to be changed by varying the parameters of the energy system (ZS). Such actions are repeated for two cases. In the first case, the harmonic distortions of various values are generated totally from the grid side; in the second case, the harmonic distortions of various values are generated totally from the consumer side. Using these steps, the dependence of the capacitor voltage on the system impedance (ZS) can be constructed and used for harmonic source detection purposes.
The second method is based on constructing the dependence of the harmonic filter resistance on the input current of the consumer at the harmonic frequency. The principle of the dependence construction can be explained using circuit 2 in Figure 2. The input current of the consumer at harmonic frequency is monitored and recorded. Then, the resistance of the harmonic filter for the consumer needs to be changed by varying the parameters of the filter. Such actions are repeated for values of the distortion source power from 0% to 100% for both the grid and the consumer, while the linear load power remains the same. Using these steps, the input harmonic current dependence on the resistance of the harmonic filter (RFR) for the consumer can be constructed and analyzed for identifying the harmonic source.
The third method is based on analyzing the modes of a Norton equivalent circuit with application of passive harmonic filter. It is possible to present any test system by its Norton equivalent circuit [30,31]. Figure 3 shows a general Norton equivalent circuit of a simple system with passive harmonic filter, where IS1, IS2 are the sources of the distortion current at the harmonic frequency from consumers of systems 1 and 2, ZS1, ZS2 are the equivalent impedances at the harmonic frequency of systems 1 and 2, UPCC, IPCC are the voltage and the input current of the consumer connected to the PCC, and IF is the harmonic filter current.
Firstly, the scheme without a harmonic filter is considered. The actual voltage contribution of system 1 to the voltage at the PCC should be understood as the voltage across the parallel impedances of both systems ZS1 and ZS2, created by the source of current IS1.
US1 = IS1 × ZS1 × ZS2/(ZS1 + ZS2).
The system 2 voltage contribution to the voltage at the PCC generated by the IS2 current is
US2 = IS2 × ZS1 × ZS2/(ZS1 + ZS2).
Using the classical method without a harmonic filter, it is assumed that the values of the currents IS1 and IS2 are unknown and cannot be determined or measured. Then, the shares of voltage contribution are determined through the values of currents and voltages at the PCC.
US1 = (UPCC + IPCC × ZS1) × ZS2/(ZS1 + ZS2),
US2 = (UPCCIPCC × ZS2) × ZS2/(ZS1 + ZS2).
The values of UPCC and IPCC can be measured at the PCC. It remains to determine the equivalent impedance values, which are found experimentally by measuring UPCC and IPCC for two series modes.
Z = ΔUPCCiIPCCi.
As mentioned above, the main difficulty leading to significant errors in determining the consumer’s contribution to the voltage distortions is calculating the equivalent impedance using Equation (5).
Now, the scheme with connected harmonic filter is considered. This filter includes the series-connected reactor and capacitor. Harmonic currents IS1 and IS2 are shunted by this circuit designed to have low impedance at a required frequency compared with the rest of the network.
IF = IS1 + IS2 = IPCC + IS2.
It turns out that measuring the currents IF and IPCC allows one to evaluate the share of the consumer’s contribution to the voltage distortions through the calculation of IS1 and IS2. For an idealized scheme shown in Figure 3, just one filter is sufficient to evaluate the contribution of two consumers at the harmonic frequency.
Taking into account the impedance of the lines and the power system of both consumers, it can be seen that the entire current IS2 will flow through the filter, and only part of the current IS1 at the harmonic frequency will flow through the filter (usually a small share of it). In this case, Equation (6) allows determining the distortion current at the harmonic frequency from the consumers of system 2 and only part of the distortion current from the consumers of system 1. However, installing an additional filter for the consumers of system 1 will allow determining, in a similar way, the current IS1. Thus, the installation of harmonic filters for each consumer can help to solve the problem of determining their contribution to the voltage distortion at the PCC.
Thus, all the proposed methods are based on the application of compensating devices. In this regard, it is worth noting that the use of such devices may be associated with a number of negative consequences of their functioning, which should be paid attention to when choosing the device parameters. One of the main disadvantages is the possibility of parallel resonance in the circuit formed by the filter and inductance of the grid at frequencies close to the frequencies of high harmonics. Therefore, the passive filter should contain a resonant branch, which provides suppression of lower-order harmonics. This will exclude the possibility of its amplification due to parallel resonance.
A passive filter formed by several circuits is a complex resonant system in which it is necessary to take into account the mutual influence of the filter branches and the supply grid impedances. The filter parameters may change due to aging or exposure to elements at ambient temperature. Therefore, it is necessary to constantly monitor the parameters of passive harmonic filters in order to prevent their deviation from the initial parameters. Otherwise, it is necessary to replace the deteriorated elements in a timely manner. The requirements for the correct filter setting should be high, as in the case of monitoring the parameters of measuring devices, since it is planned to identify the share of the consumer’s contribution to voltage distortion based on measuring the distorting current of the nonlinear load flowing through the resonant filter circuit.
Connecting narrow-band passive filters configured to suppress the third and fifth harmonics can cause amplification of the voltage and current components at higher frequencies, for example, in the range from 1000 to 1500 Hz. Therefore, when calculating the parameters of passive filters, it is important to control the magnitude–frequency characteristic of the “filter–supply grid” system in the entire frequency range.

3. Benchmark System

In this paper, mathematical and simulation modeling of electrical systems was applied in the presence of several consumers with nonlinear electrical load connected to the PCC. Calculations of electrical circuits in the presence of harmonics were carried out using the method of replacing distortion load by the current sources. The research was conducted using the Simulink SimPowerSystems MatLab software, which allows simulating different modes of an electrical grid in the presence of harmonics. The structural scheme of the developed model is presented in Figure 4.
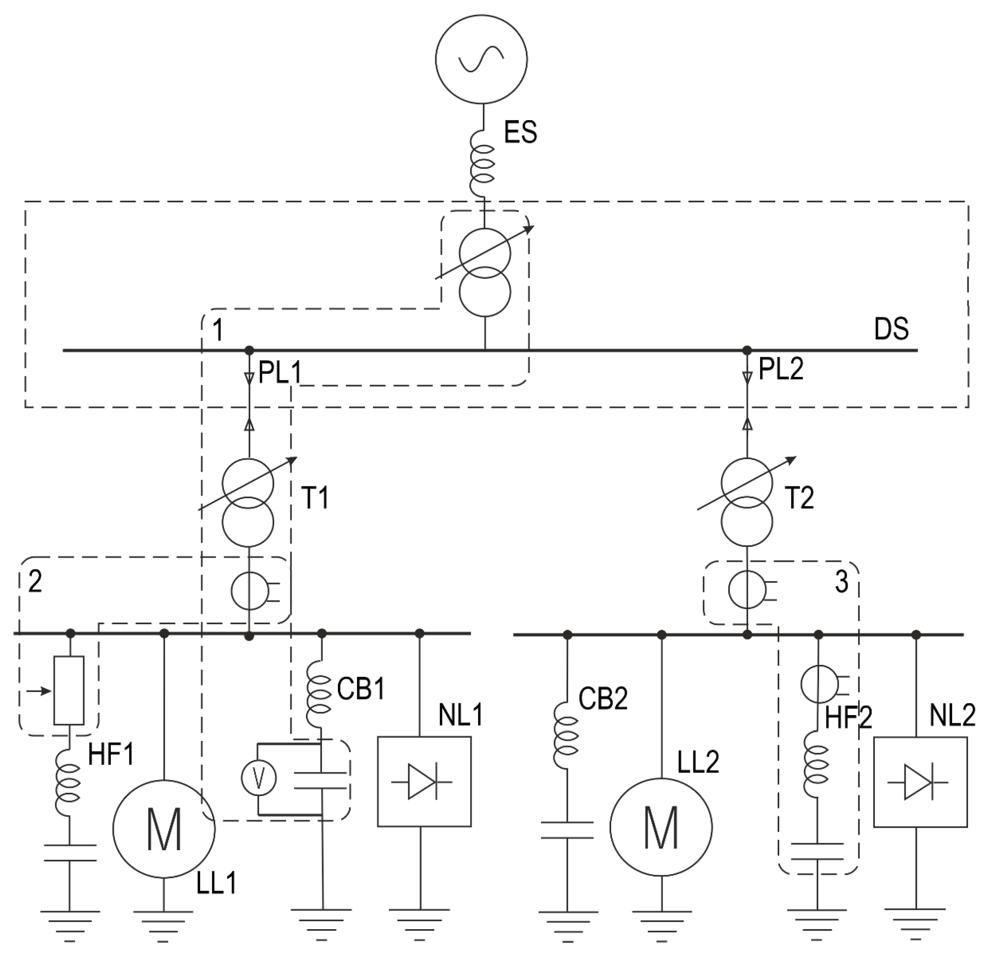
In Figure 4, ES is the energy system, PL is the power line of the consumer, T is the transformer, LL is the linear load, NL is the nonlinear load, HF is the passive harmonic filter, CB represents the capacitor banks with an anti-harmonic reactor, DS is the distribution substation, and 1, 2, 3 are circuits that include the equipment necessary to identify the distortion sources. The parameters of the energy system, load, and electric power grid are listed in Table 1, where Us is the system voltage, Xs is the system resistance, UHV is the high voltage, and ULV is the low voltage. Nonlinear electric load is presented in the form of uncontrolled rectifiers with various parameters of the direct current (DC) link.
Two consumers with a nominal power of transformers 2500 kVA and 6300 kVA were connected to the grid. The short-circuit current at the point of common coupling was equal to 6.5 kA, while the voltage of the grid was equal to 6 kV. In the simulation, cases were considered when the power of the nonlinear load varied from 0% to 100% for each consumer, while the power of the linear load remained unchanged; the parameters of the anti-harmonic reactor were chosen based on the 189 Hz setting, and passive harmonic filter settings were selected based on a resonance setting at 250 Hz.

4. Results and Discussion

The first dependence was built based on a simulation in SimPowerSystems using circuit 1 in Figure 4, and a model was developed in which two industrial consumers were connected to the grid (Figure 4). The linear loads, nonlinear loads, and capacitor banks with a series reactor were connected to the grid. The harmonic filters were not connected to the grid. The initial parameters of the energy system, grid, and loads are presented in Table 1. Two cases were considered.
The load of the first consumer was strictly linear (SNL1 = 0, S1 = SLL1), while the load of the second consumer was strictly nonlinear (S2 = SNL2, SLL2 = 0); parameters of the capacitor banks with an anti-harmonic reactor were as follows: Xl = 17.5 Ω, Xc = 250 Ω.
The parameters of the first consumer load are presented in Table 1 (SNL1, SLL1), while the load of the second consumer was strictly linear (SNL2 = 0, S2 = SLL2); parameters of the capacitor banks with an anti-harmonic reactor were as follows: Xl = 17.5 Ω, Xc = 250 Ω.
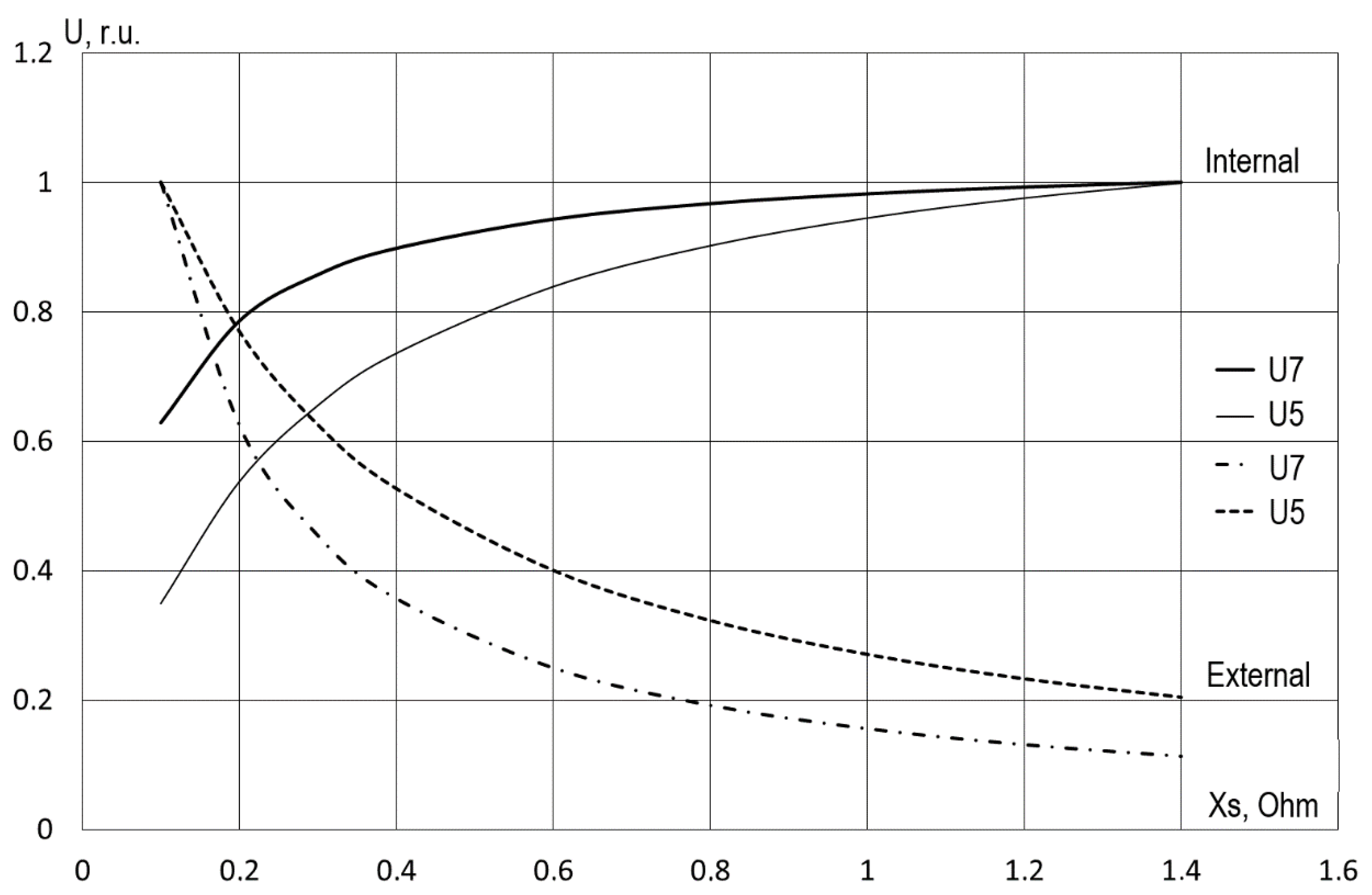
According to the first method, the capacitor voltage dependence in relative units (relative to the maximum voltage value at the fifth and seventh harmonics) on the system impedance (XS) for the first consumer was constructed (Figure 5). The first case corresponds to the presence of a distortion load from the grid side (external), and the second case corresponds to the presence of a distortion load from the consumer side (internal). The system impedance in this case varied from 0.1 to 1.4 Ω.
From the graphs, it follows that, in the presence of harmonics generated from the grid side, the dependence of capacitor voltage on the system impedance has a decreasing and concave characteristic; conversely, in the presence of distortions originating from the consumer side, it has an increasing and convex characteristic. This dependency pattern is only appropriate for cases with highly different values of nonlinear loads for consumers (from 85–100% to 0–15%). The construction of these dependencies at other ratios does not allow identifying the dominant source of harmonic generation. Thus, the method based on the construction of such dependences allows determining only the dominant influence of distorting consumers connected to the PCC.
The second dependence was constructed using circuit 2 in Figure 4 and the same simulation model (Figure 4). However, in this case, two industrial consumers of the same apparent power (S1) were connected to the PCC in order to identify the possibility of determining the consumer’s contribution to power quality indicators. The linear loads, nonlinear loads, and harmonic filters were connected to the grid. The capacitor banks with a series reactor were disconnected from the grid. The initial parameters of the energy system, grid, and loads are presented in Table 1 (SNL1, SLL1). According to the second method, the input harmonic current (IS5) dependence on the resistance of the harmonic filter (RFR) for the first consumer was constructed (Figure 6). The values of consumer voltage at the harmonic frequency (U5) are also shown in Figure 6. The parameters of the harmonic filters were taken Xl = 10 Ω and Xc = 250 Ω, while the quality factor ranged from 15 to 100 [32]. The resistance of the harmonic filter in this case varied from 0.1 to 1.4 Ω.
From the graphs, it follows that the dependence of the harmonic voltage on the resistance of the harmonic filter has an increasing characteristic regardless of the nonlinear load ratio. Thus, this method does not allow one to assess the contribution of the consumers to the voltage distortion. From Figure 6, it also follows that, in the presence of harmonics generated from the grid side, the dependence of the input harmonic current for the first consumer at 250 Hz on the resistance of harmonic filter has a descending characteristic; conversely, in the presence of distortions originating from the consumer side, it has an increasing characteristic. It should be noted that, in the case of equal power values of nonlinear loads for both consumers (50–50%), the slope of the plotted line is almost zero. This can be useful in determining the dominant influence and nonlinear load ratio of consumers connected to the PCC. This conclusion requires confirmation and further analysis.
As it is known, the voltage distortion at the PCC significantly depends on the system impedance. Thus, the graphs in Figure 6 should be further studied depending on the system impedance for the first consumer (XS). For this, it is necessary to introduce an indicator that characterizes the ratio of the nonlinear load apparent power for two consumers (d). Therefore, if the indicator d is equal to 20%, it means that the nonlinear load apparent power of the first consumer is four times greater than that of the second consumer. The derivative of harmonic current at 250 Hz with respect to the filter resistance (I’s5) shows the rate of the consumer’s influence on the voltage distortion. If it is more than zero, then the internal nonlinear load has a greater effect; if it is less than zero, then the external nonlinear load has a greater effect on the voltage distortion. Thus, the dependences based on these two parameters were constructed for further analysis (Figure 7).
The dependences show that the intersection of the charts with the x-axis shifts when the system impedance changes. It does not allow accurately determining the nonlinear load ratio of consumers. Moreover, the rate of current change is greater at values above zero than at values below zero. Thus, the method based on the construction of such dependences also allows one to determine only the dominant nature of distorting consumers connected to the PCC, but not the share of consumers in the power quality indicators.
The third method is based on the application of a harmonic filter using circuit 3 in Figure 4 and the same simulation model (Figure 4). In this case, two consumers of the same apparent power (S1) with harmonic filters were connected to the PCC. The initial parameters of the energy system, grid, and loads are presented in Table 1 (SNL1, SLL1). The parameters of the harmonic filters were taken as follows: Xl = 10 Ω, Xc = 250 Ω, RFR = 1 Ω. The input current of the consumer at the harmonic frequency and the filter current were monitored and recorded. Then, the difference of these currents was calculated. Such actions were repeated for values of nonlinear load power from 0% to 100% for both the grid and the consumer. The values of calculated data and nonlinear loads power are presented in Table 2.
The data in Table 2 show that the distortion current ratio is almost equal to the nonlinear load power ratio. The ratio of distortion currents characterizes the ratio of voltage distortions, as follows from Equations (1) and (2). Thus, the developed method based on the application of the harmonic filter allows one to determine the contribution of consumers to the voltage distortion.

5. Conclusions

As a result of the studies, a new method for an assessment of the contribution of consumers to the voltage distortion was developed. This method was compared with other methods based on the application of compensating devices: capacitor banks with an anti-harmonic reactor and passive harmonic filters. The first method allows one to determine only the dominant contribution of consumers to the voltage distortions at the PCC. The second method can help determine the side, relative to the PCC, on which the power of the nonlinear load is greater. The third method allows one to determine the consumer share contribution to the voltage distortion at the PCC. This method is based on analyzing the Norton equivalent circuit with a passive harmonic filter and determining the distortion current of nonlinear load. This current is determined based on measuring the harmonic filter current and the input current of the consumer at the harmonic frequency. This is the main advantage of this method because the distortion current of nonlinear load is the initial cause of the voltage distortion. In classical methods, it is not possible to determine this current. Such devices should be connected either at each enterprise or at a distribution substation supplying several consumers.
Thus, compensating devices are important devices not only in terms of their performance of the main function, but also in terms of an indication and identification of the distortion loads relative to the PCC. The main drawback of these methods is the need for the installation of additional equipment in the network of the enterprise; however, in many industrial plants, such equipment is already in operation.
Further research opportunities include the determination of the influence of filter resistance and distribution grid parameters on the accuracy of determining the consumer’s contribution to the voltage distortion. The possibility of connecting a harmonic filter on the side of the distribution substation can also be considered. In this case, it will be possible to calculate the contribution of all connected consumers based on the measurement of their currents at the harmonic frequency and harmonic filter current. For this, it is necessary to develop a software package and the structure of a measuring system for implementation at the enterprise.

Author Contributions

Conceptualization, Y.S.; formal analysis, Y.S. and A.S.; investigation, A.S.; writing—original draft preparation, Y.S.; project administration, Y.S. and A.S.; writing—review and editing, A.S., I.V., and F.G. All authors read and agreed to the published version of the manuscript.

Funding

This research received no external funding.

Conflicts of Interest

The authors declare no conflicts of interest.

References

  1. Nömm, J.; Rönnberg, S.K.; Bollen, M.H.J. An Analysis of Voltage Quality in a Nanogrid during Islanded Operation. Energies 2019, 12, 614. [Google Scholar] [CrossRef]
  2. Belsky, A.A.; Dobush, V.S. Analysis of UPS impact on power quality at point of common coupling of consumers. In Proceedings of the International Conference on Mechanical Engineering, Automation and Control Systems (MEACS 2015), Tomsk, Russia, 1–4 December 2015; pp. 1–4. [Google Scholar] [CrossRef]
  3. Barbaro, P.V.; Cataliotti, A.; Cosentino, V.; Nuccio, S. A novel approach based on nonactive power for the identification of disturbing loads in power systems. IEEE Trans. Power Deliv. 2007, 22, 1782–1789. [Google Scholar] [CrossRef]
  4. Xiong, L.; Nour, M. Techno-Economic Analysis of a Residential PV-Storage Model in a Distribution Network. Energies 2019, 12, 3062. [Google Scholar] [CrossRef]
  5. Cataliotti, A.; Cosentino, V. An enhanced approach based on IEEE 1459 for the detection of disturbing loads in distorted and unbalanced three-phase power systems. In Proceedings of the IEEE Instrumentation and Measurement Technology Conference, Singapore, 5–7 May 2009; pp. 426–431. [Google Scholar] [CrossRef]
  6. Ferrero, A. Definitions of electrical quantities commonly used in non-sinusoidal conditions. Eur. Trans. Electr. Power 2007, 8, 235–240. [Google Scholar] [CrossRef]
  7. Farhoodnea, M.; Mohamed, A.; Shareef, H. A single point measurement method for evaluating harmonic contributions of utility and customer in power distribution systems. J. Appl. Sci. 2011, 11, 257–265. [Google Scholar] [CrossRef]
  8. Kovernikova, L.; Shamonov, R. On power quality and reliability of supply. E3S Web Conf. 2017, 25, 04001. [Google Scholar] [CrossRef]
  9. Chen, M.; Chen, Y.; Wei, M. Modeling and Control of a Novel Hybrid Power Quality Compensation System for 25-kV Electrified Railway. Energies 2019, 12, 3303. [Google Scholar] [CrossRef]
  10. Dvorkin, D.; Palis, M.; Silaev, M.; Tulsky, V. Balanced load identification based on the correlation of the phase currents. In Proceedings of the IEEE 58th International Scientific Conference on Power and Electrical Engineering of Riga Technical University (RTUCON 2017), Riga, Latvia, 12–13 October 2017; pp. 1–4. [Google Scholar] [CrossRef]
  11. Pirog, S.; Shklyarskiy, Y.E.; Skamyin, A.N. Nonlinear electrical load location identification. J. Min. Inst. 2019, 237, 317–321. [Google Scholar] [CrossRef]
  12. Stevanovic, D.; Petkovic, P. A single-point method for identification sources of harmonic pollution applicable to standard power meters. Electr. Eng. 2019, 97, 165–174. [Google Scholar] [CrossRef]
  13. Li, Y.; Deng, Z.; Wang, T.; Zhao, G.; Zhou, S. Coupled Harmonic Admittance Identification Based on Least Square Estimation. Energies 2018, 11, 2600. [Google Scholar] [CrossRef]
  14. Lin, R.; Xu, L.; Zheng, X. A method for harmonic sources detection based on harmonic distortion power rate. IOP Conf. Ser. Mater. Sci. Eng. 2018, 322, 072038. [Google Scholar] [CrossRef]
  15. Balci, M.E.; Karacasu, O.; Hocaoglu, M.H. A detection method for harmonic producing loads. In Proceedings of the International Conference on Electrical and Electronics Engineering (ELECO 2009), Bursa, Turkey, 5–8 November 2009; pp. 149–153. [Google Scholar] [CrossRef]
  16. Chaoying, C.; Xiuling, L.; Koval, D.; Xu, W.; Tayjasanant, T. Critical Impedance Method—A New Detecting Harmonic Sources Method in Distribution Systems. IEEE Trans. Power Deliv. 2004, 19, 288–297. [Google Scholar]
  17. Chun, L.; Xu, W.; Tayjasanant, T. A “critical impedance”-based method for identifying harmonic sources. IEEE Trans. Power Deliv. 2004, 19, 671–678. [Google Scholar]
  18. Thunberg, E.; Soder, L. A Norton approach to distribution network modeling for harmonic studies. IEEE Trans. Power Deliv. 1999, 14, 272–277. [Google Scholar] [CrossRef]
  19. Xu, W. On the validity of the power direction method of identifying harmonic source locations. IEEE Power Eng. Rev. 2000, 20, 48–49. [Google Scholar]
  20. Borkowski, D.; Wetula, A.; Bien, A. New method for noninvasive measurement of utility harmonic impedance. In Proceedings of the Power and Energy Society General Meeting, San Diego, CA, USA, 22–26 July 2012; pp. 1–8. [Google Scholar]
  21. Fedosov, D.S. Razrabotka Metoda Ocenki Vlijanija Potrebitelej na Nesinusoidal’nost’ i Nesimmetriju Naprjazhenij v Jelektricheskoj Seti. Cand, Diss. [Development of a Method for Assessing the Influence of Consumers on Non-Sinusoidality and Asymmetry of Voltages in the Electric Grid. Cand. Diss.]; Irkutsk: Irkutsk Oblast, Russia, 2014; p. 195. [Google Scholar]
  22. Abramovich, B.N.; Sychev, Y.A. The evaluation of hybrid active filter efficiency. In Proceedings of the International Conference on Actual Problems of Electron Devices Engineering (APEDE 2016), Saratov, Russia, 22–23 September 2016; pp. 1–7. [Google Scholar] [CrossRef]
  23. Rambe, A.; Safril, M.; Suherman, S. Passive filter design for reducing harmonics in light emitting diode bulb. MATEC Web Conf. 2018, 197, 11019. [Google Scholar] [CrossRef][Green Version]
  24. Shklyarskiy, Y.E.; Skamyin, A.N. Compensation of the reactive power in the presence of higher voltage harmonics at coke plants. Coke Chem. 2016, 59, 163–168. [Google Scholar] [CrossRef]
  25. Salgado-Herrera, N.M.; Campos-Gaona, D.; Anaya-Lara, O.; Robles, M.; Rodriguez-Hernández, O.; Rodriguez-Rodríguez, J.R. THD Reduction in Distributed Renewables Energy Access through Wind Energy Conversion System Integration under Wind Speed Conditions in Tamaulipas, Mexico. Energies 2019, 12, 3550. [Google Scholar] [CrossRef]
  26. Skamyin, A.N.; Shklyarskiy, Y.E.; Bunteev, Y.E. Sposob Snizhenija Vlijanija Vysshih Garmonik na Jelektrooborudovanie [Method for Reducing the Influence of High Harmonics on Electrical Equipment]. Patent RF 2543075, 27 February 2015. [Google Scholar]
  27. Skamyin, A.N.; Dobush, V.S. Analysis of nonlinear load influence on operation of compensating devices. IOP Conf. Ser. Earth Environ. Sci. 2018, 194, 052023. [Google Scholar] [CrossRef]
  28. Skamyin, A.N. Obosnovanie Struktury i Parametrov Sistemy Kompensacii Reaktivnoj Moshchnosti Pri Nalichii Vysshih Garmonik v Napryazhenii i Toke. Cand, Diss. [Efficient Structure and Parameters of the Reactive Power Compensation System in the Presence of High Harmonics. Cand. Diss.]; Saint-Petersburg Mining University: Saint-Petersburg, Russia, 2011; p. 125. [Google Scholar]
  29. Skamyin, A.N.; Shklyarskiy, Y.E.; Bunteev, Y.E. Sposob Vyjavlenija Istochnika Vysshih Garmonik [Method for Detecting the Source of High Harmonics]. Patent RF 2573706, 27 January 2016. [Google Scholar]
  30. Arrilaga, J.; Neville, W.R. Power System Harmonics; John Wiley & Sons, Ltd.: Chichester, UK, 2003. [Google Scholar]
  31. Czarnecki, L.S.; Staroszczyk, Z. On–line measurement of equivalentparameters of distribution system and its loads for harmonic frequencies. In Proceedings of the 1995 IEEE Instrumentation and Measurement Technology Conference-IMTC’95, Boston, MA, USA, 24–26 April 1995; pp. 692–698. [Google Scholar]
  32. Almutairi, M.S.; Hadjiloucas, S. Harmonics Mitigation Based on the Minimization of Nonlinearity Current in a Power System. Designs 2019, 3, 29. [Google Scholar] [CrossRef]
Figure 1. The voltage total harmonic distortion factor with a connected third-party powerful nonlinear load (0–24 h) and in its absence (24–48 h).
Figure 1. The voltage total harmonic distortion factor with a connected third-party powerful nonlinear load (0–24 h) and in its absence (24–48 h).
Energies 13 01430 g001
Figure 2. A scheme displaying the principle of harmonic source detection methods.
Figure 2. A scheme displaying the principle of harmonic source detection methods.
Energies 13 01430 g002
Figure 3. Norton equivalent circuit of a simple system with passive harmonic filter.
Figure 3. Norton equivalent circuit of a simple system with passive harmonic filter.
Energies 13 01430 g003
Figure 4. The structural scheme of the electrical grid under study.
Figure 4. The structural scheme of the electrical grid under study.
Energies 13 01430 g004
Figure 5. The dependences of the capacitor voltage at the fifth and seventh harmonics on the system impedance for the first consumer.
Figure 5. The dependences of the capacitor voltage at the fifth and seventh harmonics on the system impedance for the first consumer.
Energies 13 01430 g005
Figure 6. The dependences of the input harmonic current IS5 (line graph) and the harmonic voltage U5 (bar graph) on the resistance of the harmonic filter for the first consumer.
Figure 6. The dependences of the input harmonic current IS5 (line graph) and the harmonic voltage U5 (bar graph) on the resistance of the harmonic filter for the first consumer.
Energies 13 01430 g006
Figure 7. The dependences of the current derivative I’s5 on d for various system impedance (XS).
Figure 7. The dependences of the current derivative I’s5 on d for various system impedance (XS).
Energies 13 01430 g007
Table 1. Energy system, load, and electrical grid options.
Table 1. Energy system, load, and electrical grid options.
Elements of the SchemeParameters and Values
Energy systemUs = 6 kV, Xs = 0.435 Ω
Power line 1l1 = 3 km, R01 = 0.253 Ω/km, X01 = 0.09 Ω/km
Power line 2l2 = 1.5 km, R02 = 0.125 Ω/km, X02 = 0.077 Ω/km
Transformer 1S1 = 2.5 MVA, UHV1 = 6 kV, ULV1 = 0.4 kV, ∆PSC1 = 18.2 kW, USC1 = 6%
Transformer 2S2 = 6.3 MVA, UHV2 = 6 kV, ULV2 = 0.4 kV, ∆PSC2 = 36 kW, USC2 = 8%
Linear loadPLL1 = 1 MW, QLL1 = 0.3 Mvar, PLL2 = 2.7 MW, QLL2 = 0.8 Mvar
Nonlinear loadPNL1 = 1.3 MW, QNL1 = 0.98 Mvar, PNL2 = 2.7 MW, QNL2 = 2 Mvar
Table 2. The values of calculated currents and nonlinear load power.
Table 2. The values of calculated currents and nonlinear load power.
Distortion
Current (IS1), A
Distortion
Current (IS2), A
IS1/IS2 = US1/US2Share Contribution in
Voltage Distortion (%)
0.142.400:100
4.238.10.119.9:90.1
8.633.80.2520.3:79.7
12.929.60.4431.6:69.4
17.225.50.6740.3:59.7
21.421.4150:50

Share and Cite

MDPI and ACS Style

Shklyarskiy, Y.; Skamyin, A.; Vladimirov, I.; Gazizov, F. Distortion Load Identification Based on the Application of Compensating Devices. Energies 2020, 13, 1430. https://doi.org/10.3390/en13061430

AMA Style

Shklyarskiy Y, Skamyin A, Vladimirov I, Gazizov F. Distortion Load Identification Based on the Application of Compensating Devices. Energies. 2020; 13(6):1430. https://doi.org/10.3390/en13061430

Chicago/Turabian Style

Shklyarskiy, Yaroslav, Aleksandr Skamyin, Iaroslav Vladimirov, and Farit Gazizov. 2020. "Distortion Load Identification Based on the Application of Compensating Devices" Energies 13, no. 6: 1430. https://doi.org/10.3390/en13061430

APA Style

Shklyarskiy, Y., Skamyin, A., Vladimirov, I., & Gazizov, F. (2020). Distortion Load Identification Based on the Application of Compensating Devices. Energies, 13(6), 1430. https://doi.org/10.3390/en13061430

Note that from the first issue of 2016, this journal uses article numbers instead of page numbers. See further details here.

Article Metrics

Back to TopTop