Research on the Influence of Euro VI Diesel Engine Assembly Consistency on NOx Emissions
Abstract
1. Introduction
2. Calibration of Combustion Model
2.1. Experimental Setup
2.2. Physical Model
2.2.1. Turbulence Model
2.2.2. Atomization Model
2.2.3. Combustion Model
2.2.4. Emission Model
2.3. Result Analysis and Reliability Verification
2.3.1. Model Reliability Verification
2.3.2. Analysis of Calculation Results
3. Effect of Assembly Consistency on NOx Emission
3.1. Orthogonal Experimental Design
3.2. Analysis of Experimental Results
3.3. The Effect of Nozzle Extension Height Inconsistency on NOx Emission
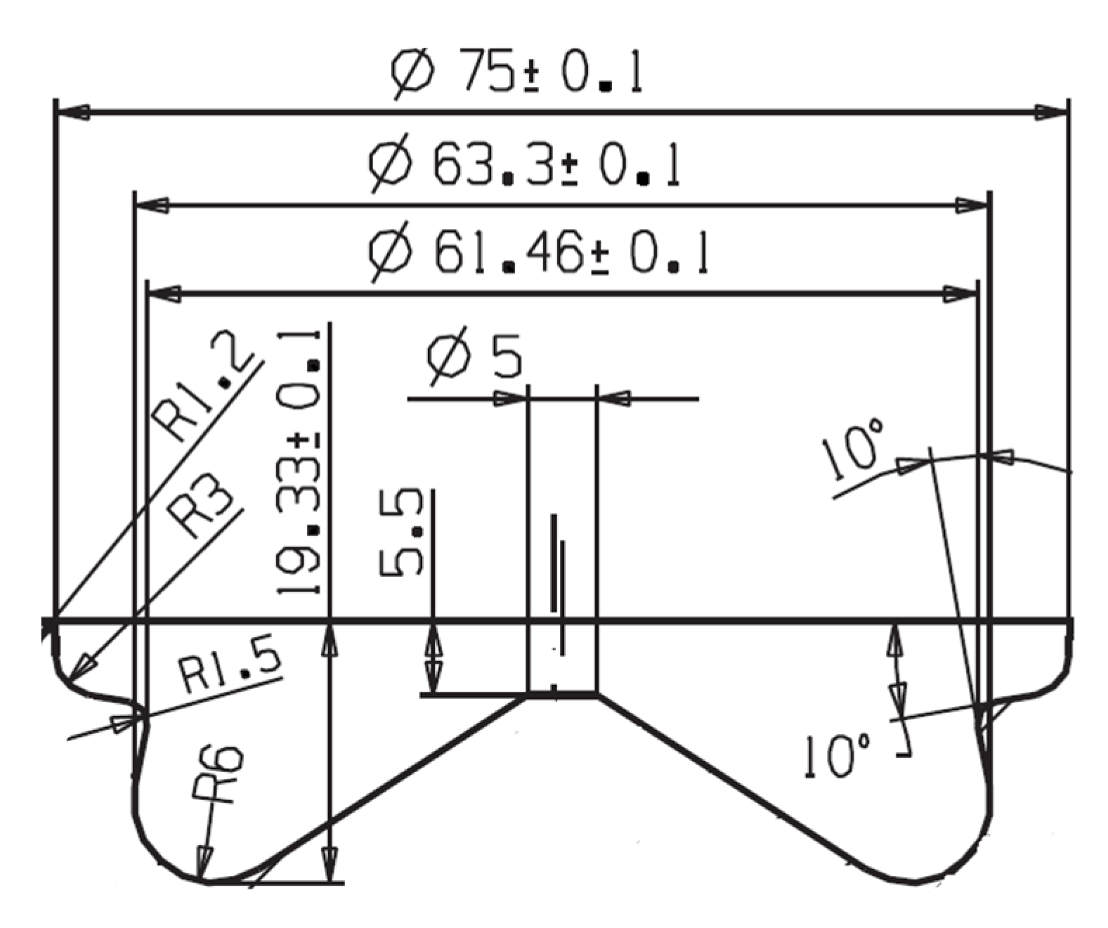
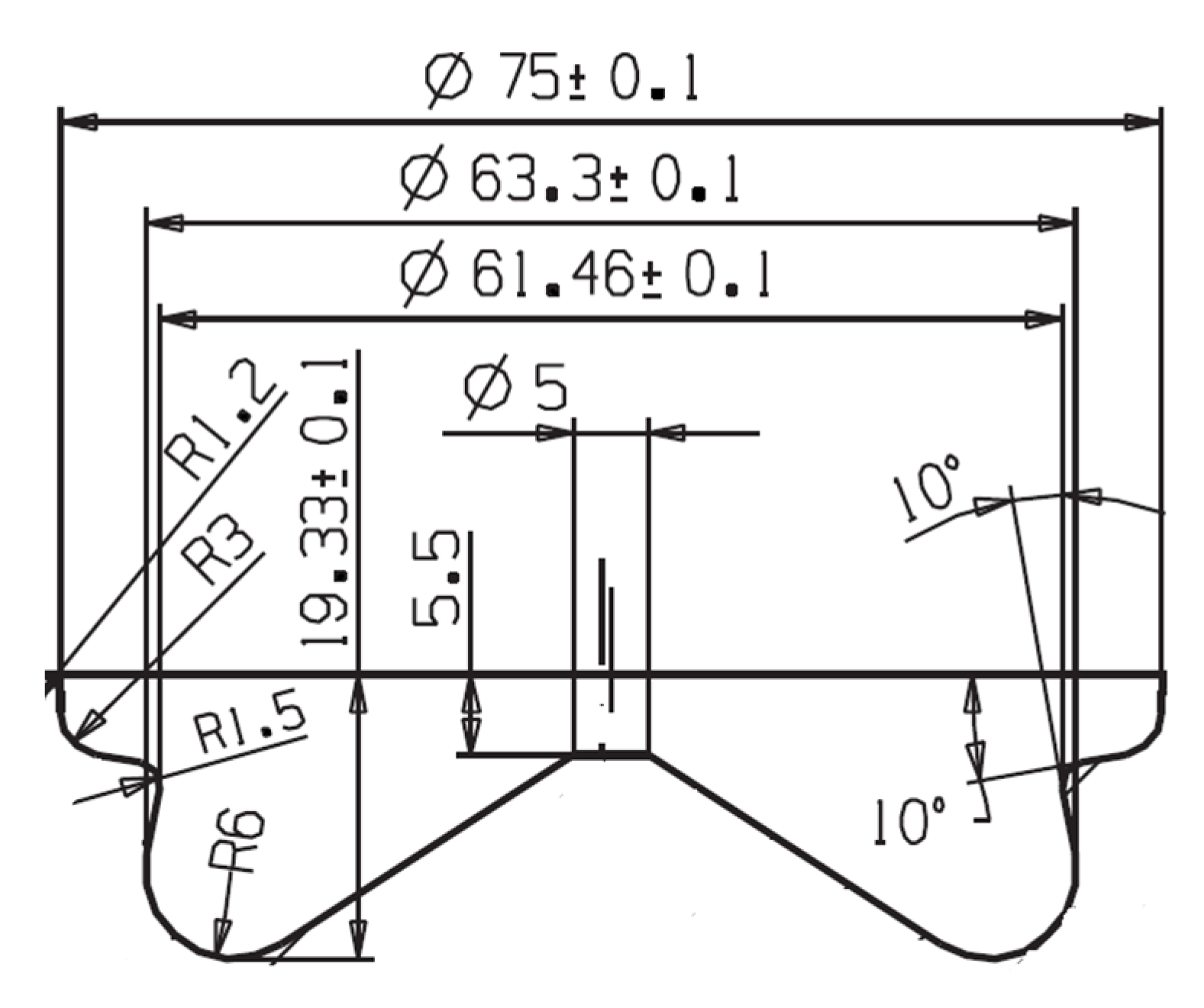
3.4. Effect of Internal Diameter Inconsistency on NOx Emission
3.5. The Effect of Combustion Chamber Depth Inconsistency on NOx Emission
4. Conclusions
- The combustion system grid model, and the combustion model are built in the converge software. The diesel engine bench test results are used to calibrate the combustion model.
- The key dimension parameters (nozzle extension height, combustion chamber throat diameter, combustion chamber contraction diameter and combustion chamber depth) of the combustion system which affect combustion are selected for orthogonal testing. According to the regression equation of orthogonal test and the results of single factor test, there are associations between the NOx emission and variation of parameters tolerance. The different parameters tolerance leads to different effects of fuel spray and fuel-air mixing in combustion chamber. Hence, different combustion efficiency results in varied combustion temperature and NOx emission.
- Based on the simulation results, the influence trend of each parameter is analyzed. In the range of 0.77–1.52 mm, increasing the nozzle extension height will significantly increase the Nox production, and the extended height should be controlled in the actual assembly process. There is a linear relationship between the diameter of the combustion chamber and the Nox emission. The depth of the combustion chamber also changes the Nox emission significantly. Then, the assembly tolerance of the engine must be strictly controlled.
Author Contributions
Funding
Conflicts of Interest
References
- Mendoza-Villafuerte, P.; Suarez-Bertoa, R.; Giechaskiel, B.; Riccobono, F.; Bulgheroni, C.; Astorga, C.; Perujo, A. NOx, NH3, N2O and PN real driving emissions from a Euro VI heavy-duty vehicle. Impact of regulatory on-road test conditions on emissions. Sci. Total Environ. 2017, 609, 546–555. [Google Scholar] [CrossRef]
- Yan, B.; Wang, H.; Zheng, Z.; Qin, Y.; Yao, M. The effect of combustion chamber geometry on in-cylinder flow and combustion process in a stoichiometric operation natural gas engine with EGR. Appl. Therm. Eng. 2018, 129, 199–211. [Google Scholar] [CrossRef]
- Vedharaj, S.; Vallinayagam, R.; Yang, W.M.; Saravanan, C.G.; Lee, P.S. Optimization of combustion bowl geometry for the operation of kapok biodiesel—Diesel blends in a stationary diesel engine. Fuel 2015, 139, 561–567. [Google Scholar] [CrossRef]
- Benajes, J.; Pastor, J.V.; García, A.; Monsalve-Serrano, J. An experimental investigation on the influence of piston bowl geometry on RCCI performance and emissions in a heavy-duty engine. Energy Convers. Manag. 2015, 103, 1019–1030. [Google Scholar] [CrossRef]
- Seung, H.Y.; Hyung, J.K.; Suhan, P. Study on Optimal Combustion Strategy to Improve Combustion Performance in a Single-Cylinder PCCI Diesel Engine with Different Combustion Chamber Geometry. Appl. Therm. Eng. 2018, 144, 1081–1090. [Google Scholar]
- Benajes, J.V.; Novella, R.; Pastor, J.M.; Hernández-López, A.; Kokjohn, S.L. Computational optimization of the combustion system of a heavy duty direct injection diesel engine operating with dimethyl-ether. Fuel 2018, 218, 127–139. [Google Scholar] [CrossRef]
- Hu, N.; Zhou, P.; Yang, J. Reducing emissions by optimising the fuel injector match with the combustion chamber geometry for a marine medium-speed diesel engine. Transp. Res. Part D Transp. Environ. 2017, 53, 1–16. [Google Scholar] [CrossRef]
- Liu, J.; Wang, J.; Zhao, H. Optimization of the injection parameters and combustion chamber geometries of a diesel/natural gas RCCI engine. Energy 2018, 164, 837–852. [Google Scholar] [CrossRef]
- Khan, S.; Panua, R.; Bose, P.K. Combined effects of piston bowl geometry and spray pattern on mixing, combustion and emissions of a diesel engine: A numerical approach. Fuel 2018, 225, 203–217. [Google Scholar] [CrossRef]
- Tay, K.L.; Yang, W.; Zhao, F.; Yu, W.; Mohan, B. Numerical investigation on the combined effects of varying piston bowl geometries and ramp injection rate-shapes on the combustion characteristics of a kerosene-diesel fueled direct injection compression ignition engine. Energy Convers. Manag. 2017, 136, 1–10. [Google Scholar] [CrossRef]
- Converge Studio Manual; Convergent Science, Inc.: Madison, WI, USA, 2016.
- Yakhot, V.; Orszag, S.A.; Panda, R. Computational test of the renormalization group theory of turbulence. J. Sci. Comput. 1988, 3, 139–147. [Google Scholar] [CrossRef]
- Senecal, P.K.; Richards, K.J.; Pomraning, E.; Yang, T.; Dai, M.Z.; McDavid, R.M.; Patterson, M.A.; Hou, S.; Shethaji, T. A New Parallel Cut-Cell Cartesian CFD Code for Rapid Grid Generation Applied to In-Cylinder Diesel Engine Simulations. SAE Tech. Pap. Ser. 2007. [Google Scholar] [CrossRef]
- Senecal, P.K.; Pomraning, E.; Richards, K.J.; Briggs, T.E.; Choi, C.Y.; McDavid, R.M.; Patterson, M.A. Multi-Dimensional Modeling of Direct-Injection Diesel Spray Liquid Length and Flame Lift-off Length using CFD and Parallel Detailed Chemistry. SAE Tech. Pap. Ser. 2003. [Google Scholar] [CrossRef]
- Heywood, J.B. Internal Combustion Engine Fundamentals; McGraw Hill, Inc.: New York, NY, USA, 1988. [Google Scholar]
- Wenqing, L. Design of Experiments; Tsinghua University Press: Beijing, China, 2005. [Google Scholar]











| Parameters of Engine | Valve |
|---|---|
| Engine type | In line six cylinder, electronically controlled high pressure common rail |
| Bore diameter (mm) | 108 |
| Stoke (mm) | 137 |
| Connecting rod length (mm) | 209.7 |
| Clearance height (mm) | 1.71 |
| Compression ratio | 18 |
| Maximum valve lift (mm) | 11.00475 |
| Nozzle diameter (mm) | 0.183 |
| Rated Speed (r/min) | 2200 |
| Rated Power (kW) | 162 |
| Rated Fuel consumption (g/kW·h) | 219.9 |
| Instrumentation | Type |
|---|---|
| Dynamometer | AVL HT460/STARS |
| Fuel consumption meter | AVL 7351CST |
| Filter-type smoke meter | AVL 415SG002 |
| Opacity smoke meter | AVL 4390G004 |
| Particle analyzer | AVL 472 |
| Gas analyzer | MEXA-7500DEGR |
| Ammonia leakage analyzer | FTUV |
| Physical Model | Specific Model |
|---|---|
| Turbulence model | RNG k-epsilon |
| Heat transfer model | Han and Reitz model |
| Atomization model | KH-RT |
| Spray-wall interaction | Wall film |
| Fuel impact model | NTC |
| Combustion model | SAGE |
| NOx emission model | Extend Zel’dovich |
| Factor | Nozzle Extension Height (mm) | Throat Diameter (mm) | Shrinkage Diameter (mm) | Chamber Depth (mm) | |
|---|---|---|---|---|---|
| Level | |||||
| Level 1 | 0.77 | 74.9 | 61.36 | 19.23 | |
| Level 2 | 1.02 | 75.0 | 61.46 | 19.33 | |
| Level 3 | 1.52 | 75.1 | 61.56 | 19.43 | |
| Factor | Nozzle Extension Height (mm) | Throat Diameter (mm) | Shrinkage Diameter (mm) | Chamber Depth (mm) | |
|---|---|---|---|---|---|
| NO. | |||||
| 1 | 0.77 | 74.9 | 61.36 | 19.23 | |
| 2 | 0.77 | 75.0 | 61.46 | 19.33 | |
| 3 | 0.77 | 75.1 | 61.56 | 19.43 | |
| 4 | 1.02 | 74.9 | 61.46 | 19.43 | |
| 5 | 1.02 | 75.0 | 61.56 | 19.23 | |
| 6 | 1.02 | 75.1 | 61.36 | 19.33 | |
| 7 | 1.52 | 74.9 | 61.56 | 19.33 | |
| 8 | 1.52 | 75.0 | 61.36 | 19.43 | |
| 9 | 1.52 | 75.1 | 61.46 | 19.23 | |
| Model | R | R2 | R2adj | F | Sig |
|---|---|---|---|---|---|
| Valve | 0.985 | 0.970 | 0.952 | 53.068 | 0.0003 |
| Model | Coefficient | t | Sig | ||
| constant | 30.077554 | 2.191 | 0.080 | ||
| a2 | −1.483293 | −2.916 | 0.033 | ||
| b2 | −0.005301 | −2.173 | 0.082 | ||
| abcd | 0.000052 | 3.883 | 0.012 | ||
© 2020 by the authors. Licensee MDPI, Basel, Switzerland. This article is an open access article distributed under the terms and conditions of the Creative Commons Attribution (CC BY) license (http://creativecommons.org/licenses/by/4.0/).
Share and Cite
Yan, W.; Dou, T.; Wang, J.; Mei, N.; Li, G. Research on the Influence of Euro VI Diesel Engine Assembly Consistency on NOx Emissions. Energies 2020, 13, 5335. https://doi.org/10.3390/en13205335
Yan W, Dou T, Wang J, Mei N, Li G. Research on the Influence of Euro VI Diesel Engine Assembly Consistency on NOx Emissions. Energies. 2020; 13(20):5335. https://doi.org/10.3390/en13205335
Chicago/Turabian StyleYan, Wei, Tengyao Dou, Jinbo Wang, Na Mei, and Guoxiang Li. 2020. "Research on the Influence of Euro VI Diesel Engine Assembly Consistency on NOx Emissions" Energies 13, no. 20: 5335. https://doi.org/10.3390/en13205335
APA StyleYan, W., Dou, T., Wang, J., Mei, N., & Li, G. (2020). Research on the Influence of Euro VI Diesel Engine Assembly Consistency on NOx Emissions. Energies, 13(20), 5335. https://doi.org/10.3390/en13205335
