Tribo-Brake Characteristics between Brake Disc and Brake Shoe during Emergency Braking of Deep Coal Mine Hoist with the High Speed and Heavy Load
Abstract
:1. Introduction
2. Thermo-Mechanical Finite Element Model of Brake Disc and Brake Shoe
2.1. Calculation of Prototype Model Parameters of the Disc Brake of Deep Coal Mine Hoist
2.2. Determination of Scaled Parameters of Disc Brake of the Deep Coal Mine Hoist
- (1)
- Friction radius of brake disc
- (2)
- Geometric dimension of brake shoe
- (3)
- Moment of inertia
- (4)
- Specific pressure
2.3. Material Parameters
2.4. Determination of Finite Element Model Parameters
- (1)
- Coefficient of friction
- (2)
- Angular velocity during braking
- (3)
- Convective heat transfer coefficient
2.5. Coupled Thermo-Mechanical Finite Element Model of Brake Disc And Brake Shoe
3. Coupled Thermo-Mechanical Simulation Results of Brake Disc and Brake Shoe
3.1. Temperature and Stress Distributions of Brake Disc and Brake Shoe During Emergency Braking
3.1.1. Temperature Distribution
3.1.2. Equivalent Stress Distribution
3.2. Evolutions of Temperature And Stress Distributions of Brake Disc And Brake Shoe during Emergency Braking
3.2.1. Temperature Distribution
3.2.2. Equivalent Von Mises Stress Distribution
3.2.3. Contact Pressure Distribution
3.3. Validation of Finite Element Model Based on the Engineering Failure Case
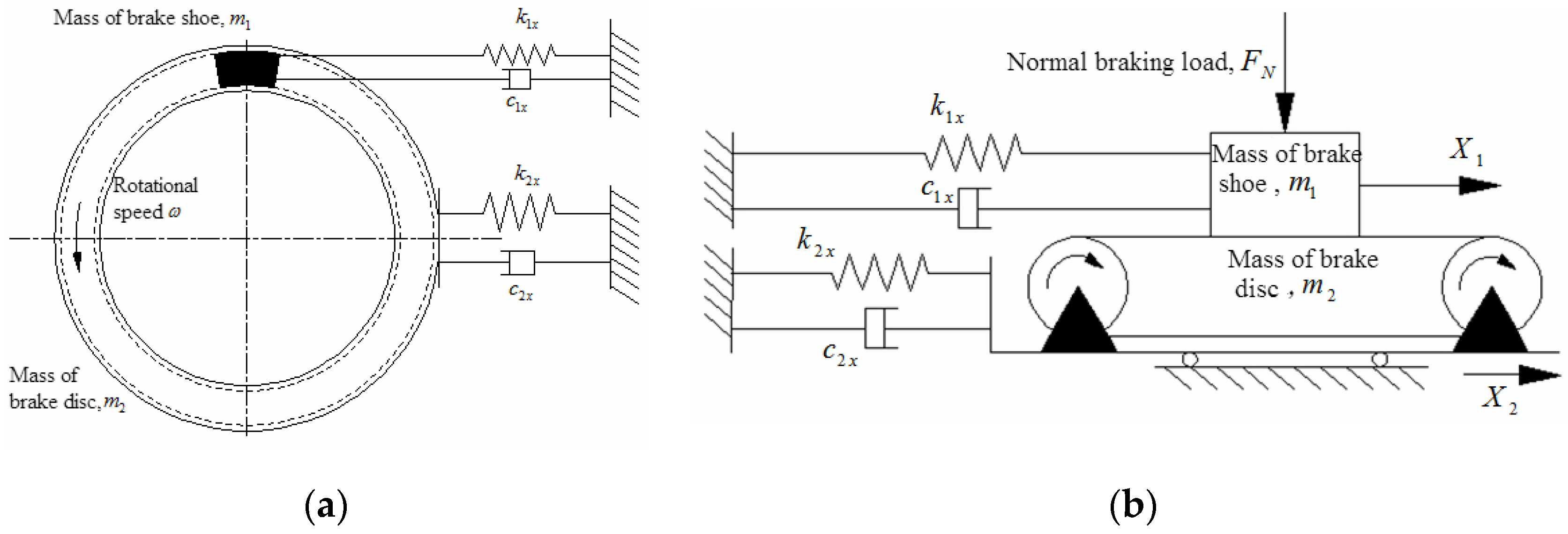
4. Frictional Flutter Characteristics between Brake Disc and Brake Shoe
4.1. Theoretical Background
4.2. Effects of Braking Parameters on the Flutter Characteristics between Brake Disc and Brake Shoe
- (1)
- Effect of initial braking speed
- (2)
- Effect of normal braking load
- (3)
- Effect of damping parameter
- (4)
- Effect of stiffness parameter
5. Conclusions
Author Contributions
Funding
Acknowledgments
Conflicts of Interest
References
- Wang, D.G.; Wang, R.X.; Zhang, J. Dynamic brake characteristics of disc brake during emergency braking of the kilometer deep coal mine hoist. Adv. Mech. Eng. 2020, 12, 1–23. [Google Scholar] [CrossRef]
- Zhu, Z.C.; Peng, Y.X.; Shi, Z.Y.; Chen, G.A. Three-dimensional transient temperature field of brake shoe during hoist’s emergency braking. Appl. Therm. Eng. 2009, 29, 932–937. [Google Scholar] [CrossRef]
- Peng, Y.X.; Zhu, Z.C.; Chen, G.A.; Bao, J.S.; Liu, B.B.; Li, Y.L. Temperature field of disc brake for mine hoist. J. Comput. Theor. Nanos 2011, 4, 2380–2384. [Google Scholar] [CrossRef]
- Bao, J.S.; Zhu, Z.C.; Tong, M.M.; Yin, Y.; Peng, Y.X. Influence of braking pressure on tribological performance of non-asbestos brake shoe for mine hoister during emergency braking. Ind. Lubr. Tribol. 2013, 64, 230–236. [Google Scholar] [CrossRef]
- Yevtushenko, A.A.; Matysiak, S.J.; Ivanyk, E.G. Influence of periodically layered material structure on the frictional temperature during braking. Int. J. Heat Mass Transf. 1997, 40, 2115–2122. [Google Scholar] [CrossRef]
- Yevtushenko, A.A.; Grzes, P. Mutual influence of the sliding velocity and temperature in frictional heating of the thermally nonlinear disc brake. Int. J. Therm. Sci. 2016, 102, 254–262. [Google Scholar] [CrossRef]
- Zhou, K.; Dong, M.S.; Song, L.; Wang, J.Q. Simulation Analysis and Structure Optimization of Mine Brake Disc. Int. Core J. Eng. 2017, 3, 102–106. [Google Scholar]
- Choi, J.H.; Lee, I. Finite element analysis of transient thermoelastic behaviors in disk brakes. Wear 2004, 257, 47–58. [Google Scholar] [CrossRef]
- Wang, D.C. Research on Characteristics of Thermo-Mechanical Coupling and Prediction on Fatigue Life of Disc Brake. Master’s Thesis, Shanghai University of Engineering Science, Shanghai, China, 2015. [Google Scholar]
- Zhang, L.J.; Chen, Y.; Diao, K.; Meng, D.J. Computational investigation into disc-pads pressure distribution and thermomechanical coupling characteristics of brake pads in disc brake. J. Tongji Univ. Nat. Sci. Ed. 2013, 41, 1554–1561. [Google Scholar]
- Xu, D.B. The FEA and Experimental Study on Emergency Braking of Brake Disc Based on the Theory of Thermo-Mechanical Coupling. Master’s Thesis, Southwest Jiaotong University, Chengdu, China, 2017. [Google Scholar]
- Li, Y.Y.; Ding, W.C.; Li, F.; Zhang, H. Calculation and analysis of critical chattering velocity in brake system. Lubr. Eng. 2011, 36, 49–52. [Google Scholar]
- Eriksson, M.; Jacobson, S. Friction behaviour and squeal generation of disc brakes at low speeds. Proc. Inst. Mech. Eng. 2001, 215, 1245–1256. [Google Scholar] [CrossRef]
- Manish, P.; Mahajanb, A.; Jarlen, D.; Chu, T.P.; Filip, P. Noise and vibration analysis of a disc-brake system using a stick-slip friction model involving coupling stiffness. J. Sound Vib. 2005, 282, 1273–1284. [Google Scholar]
- Huang, Q.J. Research and Development of Friction Brake Squeal Noise Scaling Test Rig for High Speed Train. Master’s Thesis, Southwest Jiaotong University, Chengdu, China, 2015. [Google Scholar]
- Zhao, X.L. Study on the Principle and Test Method of the Scaling Test of the Friction Material and Its Equipment. Ph.D. Thesis, Jilin University, Changchun, China, 2007. [Google Scholar]
- Liu, F.F. The Thermo-Mechanical Coupling Behavior of Brake Shoe during Emergency Braking of Hoist. Master’s Thesis, China University of Mining and Technology, Xuzhou, China, 2011. [Google Scholar]
- Zhao, Y.J. Simulation and Analysis of Disc Brake Coupled Thermal-Stress Transient Temperature. Master’s Thesis, Huazhong University of Science and Technology, Wuhan, China, 2013. [Google Scholar]
- Lu, D. Modeling and analysis of thermal flow multi-field coupled in disc brake based on ABAQUS. Mach. Des. Manuf. 2017, 8, 197–201. [Google Scholar]
- Qiu, M.; Qian, Y.M. Principal and Design of Tribology; National Defense Industry Press: Beijing, China, 2013. [Google Scholar]
- Popp, K.; Stelter, P. Stick-slip virbrations and chaos. Philos. Trans. Phys. Sci. Eng. 1990, 332, 89–105. [Google Scholar]




























| Equivalent Mass (tons) | Maximum Static Tension Difference of Hoist (tons) | Diameter of Brake Disc (m) | Pairs of Brake Shoe | Area of a Brake Shoe (m2) | Maximum Brake Pressure (kN) | |||
|---|---|---|---|---|---|---|---|---|
| Hoist | Motor | Effective Load | Sheave | |||||
| 32.2 | 9.52 | 60 | 39.4 | 91.68 | 5 | 12 | 0.0494 | 160–200 |
| Prototype Model | Scaled Model | Similarity Coefficient | |
|---|---|---|---|
| Radius of brake disc | r1 (m) | r2 (m) | Kr = r2/r1 |
| Spindle speed | n1 (r/min) | n2 (r/min) | Kn = n2/n1 |
| Moment of inertia | J1 (kg·m2) | J2 (kg·m2) | KJ = J2/J1 |
| Friction radius | R1 (m) | R2 (m) | KR = R2/R1 |
| Brake torque | M1 (N·m) | M2 (N·m) | KM = M2/M1 |
| Number of friction surface | C1 | C2 | KC = C2/C1 |
| Friction surface area | S1 (m2) | S2 (m2) | KS = S2/S1 |
| Friction work per unit area | E1 (J) | E2 (J) | KE = E2/E1 |
| Angular deceleration during braking | α1 (m/s2) | α2 (m/s2) | Ka = α2/α1 |
| Density (kg/m3) | Young’s Modulus (Pa) | Poisson’s Ratio | Thermal Expansion Coefficient (10−5/K) | Thermal Conductivity (W/(m·K)) | Specific Heat Capacity (J/(kg·K)) | |
|---|---|---|---|---|---|---|
| Brake shoe | 2250 | 2.2 × 109 | 0.25 | 3 | 1.4 | 2550 |
| Brake disc | 7850 | 2.09 × 1011 | 0.3 | 1.2 | 58 | 460 |
| Analysis Step | Contact Pressure (Pa) | Rotational Speed (rad/s) | Time (s) |
|---|---|---|---|
| 1 | 10 | 0 | 0.001 |
| 2 | 1.6 × 106 | 1 | 0.001 |
| 3 | 1.6 × 106 | 133.33 | 0.001 |
| 4 | 1.6 × 106 | ω | 4.5 |
© 2020 by the authors. Licensee MDPI, Basel, Switzerland. This article is an open access article distributed under the terms and conditions of the Creative Commons Attribution (CC BY) license (http://creativecommons.org/licenses/by/4.0/).
Share and Cite
Wang, D.; Wang, R.; Heng, T.; Xie, G.; Zhang, D. Tribo-Brake Characteristics between Brake Disc and Brake Shoe during Emergency Braking of Deep Coal Mine Hoist with the High Speed and Heavy Load. Energies 2020, 13, 5094. https://doi.org/10.3390/en13195094
Wang D, Wang R, Heng T, Xie G, Zhang D. Tribo-Brake Characteristics between Brake Disc and Brake Shoe during Emergency Braking of Deep Coal Mine Hoist with the High Speed and Heavy Load. Energies. 2020; 13(19):5094. https://doi.org/10.3390/en13195094
Chicago/Turabian StyleWang, Dagang, Ruixin Wang, Tong Heng, Guozheng Xie, and Dekun Zhang. 2020. "Tribo-Brake Characteristics between Brake Disc and Brake Shoe during Emergency Braking of Deep Coal Mine Hoist with the High Speed and Heavy Load" Energies 13, no. 19: 5094. https://doi.org/10.3390/en13195094
APA StyleWang, D., Wang, R., Heng, T., Xie, G., & Zhang, D. (2020). Tribo-Brake Characteristics between Brake Disc and Brake Shoe during Emergency Braking of Deep Coal Mine Hoist with the High Speed and Heavy Load. Energies, 13(19), 5094. https://doi.org/10.3390/en13195094
