Reducing the Superheating of Extraction Stream on Advanced-Ultra Super Critical Power Plants with Regenerative Turbines in South Korea: An Economic Analysis
Abstract
1. Introduction
2. Existing Literature
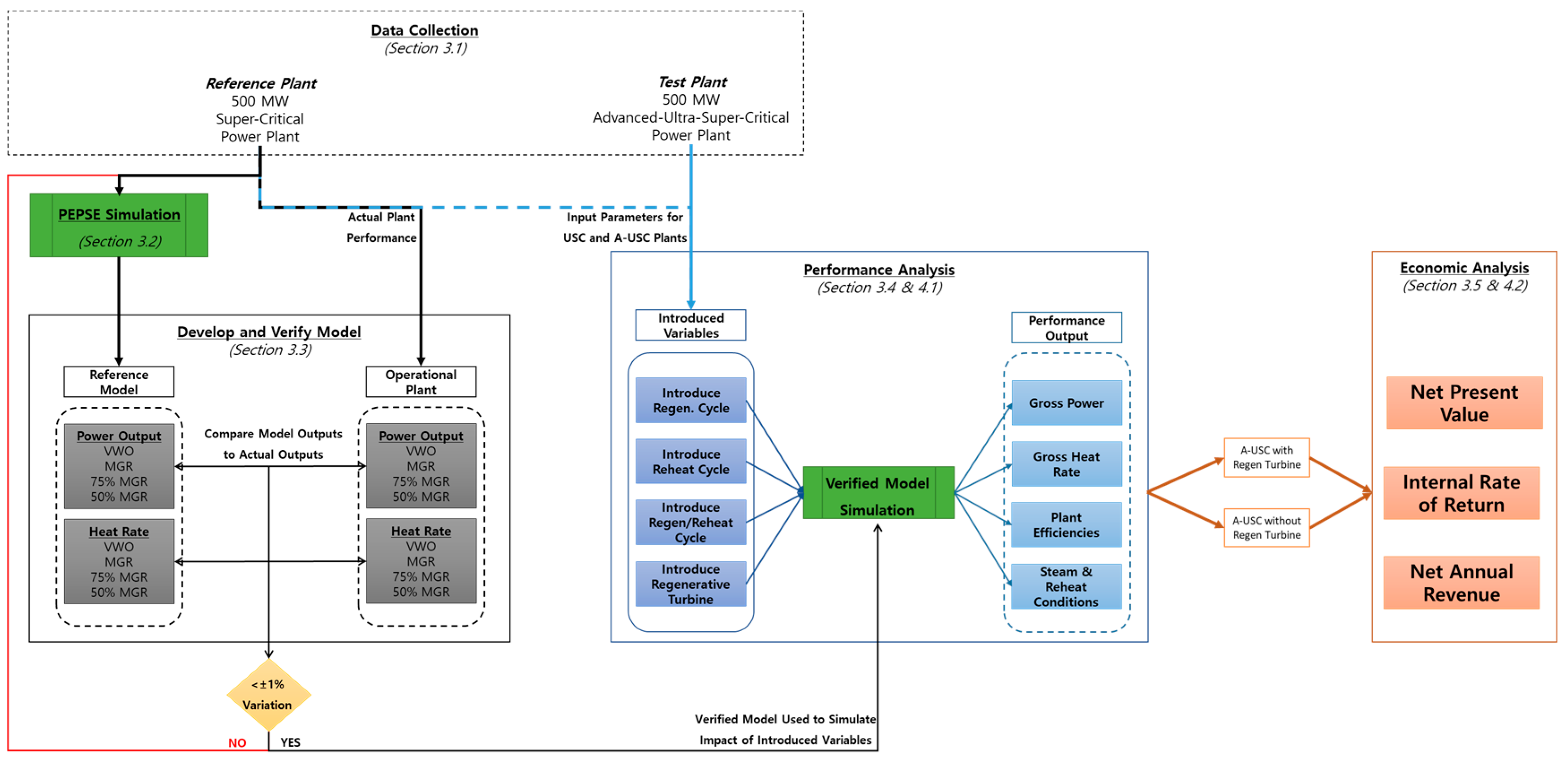
3. Data Collection and Research Methodology
3.1. Data Collection
3.2. PEPSE Model
3.3. Model Development and Verification
3.4. Performance Analysis
3.5. Economic Analysis
4. Findings
4.1. Performance Analysis
4.2. Economic Analysis
4.3. Sensitivity Analysis
5. Conclusions and Future Research
Limitations and Future Research
Author Contributions
Funding
Acknowledgments
Conflicts of Interest
Abbreviations
| FWH | Feed-Water Heater |
| TTD | Terminal Temperature Difference |
| DCA | Drain Cooler Approach |
| PEPSE | Performance Evaluation of Power System Efficiencies |
| A-USC | Advanced-Ultra Super Critical |
| USC | Ultra-Super Critical |
| MGR | Maximum Guarantee Rating |
| VWO | Valve Wide Open |
| NPV | Net Present Value |
| IRR | Internal Rate of Return |
| RT | Regenerative Turbine |
| HP | High Pressure |
| IP | Intermediate Pressure |
| LP | Low Pressure |
| DR | Double Reheat |
| SR | Single Reheat |
| O&M | Operation & Maintenance |
References
- Greenhouse Gas Inventory; Research Center of Korea. National Greenhouse Gas Inventory Report of Korea; GGI&RC: Seoul, Korea, 2015; Volume 426, pp. 87–92.
- Nah, U.H.; Cho, S.I.; Shin, H.; Kim, Y.S.; Yang, S.H. Steam Turbine Technology for Advanced Steam Condition. Trans. KSME 2003, 4, 2175–2179. [Google Scholar]
- Nicol, K. Status of Advanced Ultra-Supercritical PULVERISED Coal Technology; IEA Clean Coal Centre: London, UK, 2013. [Google Scholar]
- Phillips, J.U.S. Program for Advanced Ultrasupercritical Coal Fired Power Plants; EPRI: Palo Alto, CA, USA, 2011. [Google Scholar]
- Retzlaff, K.M.; Ruegger, W.A. Steam Turbines for Ultrasupercritical Power Plants; Technical Report GER-3945A; General Electric: Boston, MA, USA, 1996. [Google Scholar]
- Kimura, H.; Sato, T.; Bergins, C.; Imano, S.; Saito, E. Development of technologies for improving efficiency of large coal-fired thermal power plants. Hitachi Rev. 2011, 60, 365–371. [Google Scholar]
- Jang, S.H.; Kim, B.S.; Min, M.T. Development of Thermal Power Generation Technology for Ultrasonic Threshold Pressure (USC). Trans. Korean Soc. Mech. Eng. 2012, B, 205–210. [Google Scholar]
- Ibrahim, D.; Husain, A. Thermodynamic analysis of reheat cycle steam power plants. Int. J. Energy Res. 2001, 25, 728–735. [Google Scholar] [CrossRef]
- Habib, M.A.; Zubair, S.M. Second-law-based thermodynamic analysis of regenerative-reheat Rankine-cycle power plants. Energy 1992, 17, 296–300. [Google Scholar] [CrossRef]
- Ibrahim, D.; Yunus, A.C. Energy, Entropy and Exergy Concepts and Their Roles in Thermal Engineering. Entropy 2001, 3, 116–127. [Google Scholar] [CrossRef]
- Mehmet, K.; Ibrahim, D.; Marc, A.R. Understanding energy and exergy efficiencies for improved energy management in power plants. Energy Policy 2007, 35, 3969–3977. [Google Scholar]
- Mohamed, E.; Kareem, S.A.D.; Abd, E.H.A. Utilizing exergy analysis in studying the performance of steam power plant at two different operation mode. Appl. Therm. Eng. 2019, 150, 284–290. [Google Scholar]
- Luo, X.; Zhang, B.; Chen, Y.; Mo, S. Modeling and optimization of a utility system containing multiple extractions steam turbines. Energy 2011, 36, 3501–3510. [Google Scholar] [CrossRef]
- Wang, L.; Yang, Y.; Morosuk, T.; Tsatsaronis, G. Advanced Thermodynamic Analysis and Evaluation of Supercritical Power Plant. Energies 2012, 5, 1851–1860. [Google Scholar] [CrossRef]
- Sankaran, R.; Christoper, F. Edwards, Maximum-efficiency architectures for heat-and work-regenerative gas turbine engiens. Energy 2016, 100, 116–125. [Google Scholar] [CrossRef]
- Erbay, L.B.; Selahattin, G.; Hasbi, Y. Optimal design of the regenerative gas turbine engine with isothermal heat addition. Appl. Energy 2001, 68, 252–260. [Google Scholar] [CrossRef]
- Graham, J.R.; Harvey, C.R. The theory and practice of corporate finance: Evidence from the field. J. Financ. Econ. 2001, 60, 187–243. [Google Scholar] [CrossRef]
- Sudong, Y.; Tiong, R.L.K. NPV-at-Risk Method in Infrastructure Project Investment Evaluation. J. Constr. Eng. Manag. 2000, 126, 227–233. [Google Scholar] [CrossRef]
- Kumar, R.; Sharma, A.K.; Tewari, P.C. Cost analysis of a coal-fired power plant using the NPV method. Ind. Eng. Int. 2015, 11, 496–503. [Google Scholar] [CrossRef]
- Lee, K.M.; Kuo, S.F.; Chien, M.L.; Shih, Y.S. Parameters analysis on organic rankine cycle energy recovery system. Energy Convers. Manag. 1988, 28, 130–136. [Google Scholar] [CrossRef]
- Zhong, G.; Jian, L.; Yuanyuan, D.; Zhen, Y.; Zhiyoung, X. Thermodynamic Performance Analyses and Optimization of Dual-Loop Organic Rankine Cycles for Internal Combustion Engine Waste Heat Recovery. Appl. Sci. 2019, 9, 680. [Google Scholar] [CrossRef]
- Hong, C.S.; Lee, E.B. Power Plant Economic Analysis: Maximizing Lifecycle Profitability by Simulating Preliminary Design Solution of Steam-Cycle Conditions. Energies 2018, 11, 2245. [Google Scholar] [CrossRef]
- Lee, H.C.; Lee, E.B.; Alleman, D. Schedule Modeling to Estimate Typical Construction Durations and Areas of risk for 1000 MW Ultra-Critical Coal-Fired Power Plants. Energies 2018, 11, 2850. [Google Scholar] [CrossRef]
- Kim, Y.G.; Lee, E.B. Optimization Simulation, Using Steel Plant Off-Gas for Power Generation: A Life-Cycle Cost Analysis Approach. Energies 2018, 11, 2884. [Google Scholar] [CrossRef]
- Wang, L.; Yang, Y.; Dong, C.; Yang, Z.; Xu, G.; Wu, L. Exergoeconomic Evaluation of a Modern Ultra-Supercritical Power Plant. Energies 2012, 5, 3381–3397. [Google Scholar] [CrossRef]
- Fukuda, M. Advanced USC technology development in Japan. Mater. Ultra-Supercrit. Adv. Ultra-Supercrit. Powerpl. 2017, 733–750. [Google Scholar] [CrossRef]
- Liu, Z.; Xie, X. The Chinese 700 °C A-USC development program. Mater. Ultra-Supercrit. Adv. Ultra-Supercrit. Powerpl. 2017, 715–728. [Google Scholar] [CrossRef]
- Nomoto, H. Advanced ultra-supercritical pressure (A-USC) steam trubines and their combination with carbon capture and storage systems (CCS). Adv. Steam Turbines Mod. Power Plants 2017, 503–515. [Google Scholar] [CrossRef]
- Gianfrancesco, A.D. A-USC R&D programs in other countries. Mater. Ultra-Supercrit. Adv. Ultra-Supercrit. Powerpl. 2017, 755–770. [Google Scholar] [CrossRef]
- Gianfrancesco, A.D.; Blum, R. A-USC programs in the European Union. Mater. Ultra-Supercrit. Adv. Ultra-Supercrit. Powerpl. 2017, 773–800, 810–830. [Google Scholar] [CrossRef]
- Wright, C. PEPSE; Scientech: Idaho Falls, ID, USA, 2007; Available online: http://famos.scientech.us/PEPSE.html (accessed on 29 March 2019).
- Spencer, R.C.; Cotton, K.C. A Method for Predicting the Performance of Steam Turbine-Generators…16,500 kW and Larger; Technical Report GER-2007C; General Electric: Boston, MA, USA, 1974. [Google Scholar]
- Minner, G.L.; Fleming, D.R.; Kettenacker, W.C. Engineering Model Description; PEPSE Manual; Scientech: Idaho Falls, ID, USA, 2007; Volume 2. [Google Scholar]
- Cotton, K.C. Evaluating and Improving Steam Turbine Performance, 2nd ed.; Cotton Fact Inc.: Rexford, NY, USA, 1998; ISBN 10 0963995510. [Google Scholar]
- Korea Power Exchange (KPX). Electric Power Statistics Information System (EPSIS); KPX: Seoul, Korea; Available online: http://epsis.kpx.or.kr (accessed on 30 March 2019).
- Gang, X.; Luyao, Z.; Shifei, Z.; Feifei, L.; Cheng, X.; Yongping, Y. Optimum superheat utilization of extraction steam in double reheat ultra-supercritical power plants. Appl. Energy 2014, 10, 2–8. [Google Scholar] [CrossRef]
- Palisade Corporation. Risk Analysis and Simulation Add-In for Microsoft Excel (User’s Guide); Palisade: Ithaca, NY, USA; Available online: https://www.palisade.com/support/manuals.asp (accessed on 25 April 2019).










| Type of Plant | P/T * | IEA [3] | EPRI [4] | GE (US) [5] | Hitachi (Japan) [6] | Korea [7] |
|---|---|---|---|---|---|---|
| Sub Critical | P | <226 | <168 | <226 | <226 | <226 |
| T | <540 | <565/565 | - | - | - | |
| Super Critical | P | 226~225 | >253 | >226 | >226 | >226 |
| T | 540~580 | >565/585 | - | - | - | |
| Ultra-Super Critical | P | 226~225 | >253 | >226 | >226 | >226 |
| T | 580~620 | >593/621 | >566 | >593 | >593 | |
| Advanced Ultra Super Critical | P | 255~357 | >352 | - | - | - |
| T | 700~725 | >677/677 | - | - | - |
| Description | Unit | VWO | MGR | 75% MGR | 50% MGR |
|---|---|---|---|---|---|
| Total power output | MW | 552 | 521 | 390 | 260 |
| Main steam flow | Kg/h | 1,597,317 | 1,491,426 | 1,082,176 | 711,980 |
| Main steam pressure | Kg/cm2 | 247 | 247 | 200 | 135 |
| Main steam temperature | °C | 566 | 566 | 566 | 566 |
| Reheat steam pressure | Kg/cm2 | 53 | 50 | 37 | 25 |
| Reheat steam temperature | °C | 593 | 593 | 593 | 593 |
| Heat consumption rate | Kcal/kWh | 1777 | 1784 | 1822 | 1900 |
| Description | Efficiency Multiplier | Bowl Coefficient | Shape Constant |
|---|---|---|---|
| Governing stage | 1.02276 | - | - |
| Intermediate HP stage | - | 14,366 | 703.02 |
| Last HP stage | - | 28,659 | - |
| First IP (intermediate pressure) stage | 1.02388 | 50,050 | 524.79 |
| Last IP stage | - | 100,466 | 502.44 |
| First LP (low pressure) stage | - | 225,333 | 557.10 |
| 2nd of Intermediate LP stage | - | 373,303 | 595.38 |
| 3rd of | - | 1,173,660 | 610.02 |
| 4th of | - | 2,325,090 | 650.00 |
| Last LP stage | - | 5,093,230 | - |
| Power Output (MW) | VWO | MGR | 75% MGR | 50% MGR |
|---|---|---|---|---|
| Real plant | 551.9 | 520.8 | 390.5 | 260.4 |
| Simulation model | 550.1 | 520.5 | 390.8 | 262.5 |
| Relative error | −0.33% | −0.05% | 0.08% | 0.78% |
| Heat rate (Kcal/KWh) | ||||
| Real plant | 1777 | 1784 | 1822 | 1900 |
| Simulation model | 1785 | 1788 | 1824 | 1887 |
| Relative error | 0.44% | 0.25% | 0.14% | −0.66% |
| Description | Unit | Value | Remark | |
|---|---|---|---|---|
| A-USC | A-USC (RT) | |||
| Electric power sales | Cent/kWh | 7 | 7 | By 2015 |
| Bituminous coal cost | Cent/kWh | 3 | 3 | By 2016 |
| Maintenance cost | Cent/kWh | 0.6 | 0.6 | By 2013 |
| Operability | % | 90 | 90 | |
| Depreciation period | Year | 20 | 20 | Straight-line method |
| Corporate tax | % | 25 | 25 | |
| Power plant life span | Year | 30 | 30 | |
| Discount rate | % | 8 | 8 | WACC |
| Investment | $ million | 137 | 138 | |
| Description | Unit | USC | |||
|---|---|---|---|---|---|
| SR + 8 FWH | SR + 9 FWH | DR + 8 FWH | DR + 9 FWH | ||
| Power output | MW | 550.0 | 511.7 | 618.4 | 563.8 |
| Heat rate | Kcal/kWh | 1784 | 1782 | 1742 | 1725 |
| Turbine Efficiency | % | 48.2 | 48.3 | 49.4 | 49.9 |
| A-USC | |||||
| Power output | MW | 696.2 | 620.1 | 777.0 | 690.1 |
| Heat rate | Kcal/kWh | 1637 | 1632 | 1605 | 1587 |
| Turbine Efficiency | % | 52.5 | 52.7 | 53.6 | 54.2 |
| Model | Temp. [℃] | FWH #1 (LP) | FWH #2 (LP) | FWH #3 (LP) | FWH #4 (LP) | FWH #5 (DA) | FWH #6 (HP) | FWH #7 (HP) | FWH #8 (HP) | FWH #9 (HP) | |
|---|---|---|---|---|---|---|---|---|---|---|---|
| SR + 8 FWH | USC | Steam | 58.9 | 79.0 | 109.0 | 235.4 | 309.2 | 452.4 | 345.3 | 394.0 | N/A |
| SR | Saturation | 39.1 | 62.8 | 82.9 | 103.2 | 168.0 | 178.8 | 220.7 | 276.6 | ||
| 8 FWH | S.H | 19.8 | 16.2 | 26.1 | 132.2 | 141.2 | 273.6 | 124.6 | 117.4 | ||
| SR + 9 FWH | USC | Steam | 55.5 | 75.0 | 107.7 | 234.0 | 306.5 | 452.5 | 326.1 | 369.0 | 493.5 |
| SR | Saturation | 39.2 | 59.4 | 78.9 | 98.7 | 161.3 | 171.9 | 213.1 | 266.8 | 288.4 | |
| 9 FWH | S.H | 16.3 | 15.6 | 28.8 | 135.3 | 145.2 | 280.6 | 113.0 | 102.2 | 205.1 | |
| DR + 8 FWH | USC | Steam | 60.8 | 81.2 | 111.1 | 238.0 | 319.2 | 454.7 | 469.8 | 479.1 | N/A |
| DR | Saturation | 39.1 | 64.7 | 85.1 | 105.7 | 171.7 | 182.6 | 225.0 | 274.7 | ||
| 8 FWH | S.H | 21.7 | 16.5 | 26.0 | 132.3 | 147.5 | 272.1 | 244.8 | 204.4 | ||
| DR + 9 FWH | USC | Steam | 57.7 | 77.6 | 110.4 | 237.3 | 318.0 | 455.3 | 448.2 | 498.3 | 444.1 |
| DR | Saturation | 39.2 | 61.6 | 81.5 | 101.7 | 165.7 | 176.4 | 218.0 | 266.0 | 287.5 | |
| 9 FWH | S.H | 18.5 | 16.0 | 28.9 | 135.6 | 152.3 | 278.9 | 230.2 | 232.3 | 156.6 | |
| SR + 8 FWH | A-USC | Steam | 60.3 | 104.8 | 179.0 | 326.5 | 409.8 | 572.8 | 414.2 | 465.3 | N/A |
| SR | Saturation | 39.1 | 64.2 | 85.1 | 106.7 | 172.8 | 183.8 | 225.7 | 282.5 | ||
| 8 FWH | S.H | 21.2 | 40.6 | 93.9 | 219.8 | 237.0 | 389.0 | 188.5 | 182.8 | ||
| SR + 9 FWH | A-USC | Steam | 57.0 | 103.3 | 178.1 | 325.3 | 407.0 | 572.8 | 393.5 | 438.9 | 571.7 |
| SR | Saturation | 39.2 | 60.9 | 81.3 | 102.4 | 166.4 | 177.1 | 218.2 | 272.8 | 293.9 | |
| 9 FWH | S.H | 17.8 | 42.4 | 96.8 | 222.9 | 240.6 | 395.7 | 175.3 | 166.1 | 277.8 | |
| DR + 8 FWH | A-USC | Steam | 70.1 | 107.0 | 181.6 | 329.6 | 421.4 | 575.9 | 559.2 | 567.7 | N/A |
| DR | Saturation | 39.1 | 66.0 | 87.2 | 109.1 | 176.4 | 187.5 | 229.9 | 280.3 | ||
| 8 FWH | S.H | 31.0 | 41.0 | 94.4 | 220.5 | 245.0 | 388.4 | 329.3 | 287.4 | ||
| DR + 9 FWH | A-USC | Steam | 62.2 | 110.3 | 185.5 | 334.6 | 425.4 | 583.8 | 522.7 | 643.1 | 561.6 |
| DR | Saturation | 39.3 | 62.1 | 82.8 | 104.1 | 168.9 | 179.7 | 221.0 | 266.4 | 315.3 | |
| 9 FWH | S.H | 22.9 | 48.2 | 102.7 | 230.5 | 256.5 | 404.1 | 301.7 | 376.7 | 246.3 | |
| Model | Temp. [°C] | FWH #1 (LP) | FWH #2 (LP) | FWH #3 (LP) | FWH #4 (LP) | FWH #5 (DA) | FWH #6 (HP) | FWH #7 (HP) | FWH #8 (HP) | FWH #9 (HP) | |
|---|---|---|---|---|---|---|---|---|---|---|---|
| DR + 9 FWH | A-USC | Steam | 62.2 | 110.3 | 185.5 | 334.6 | 425.4 | 583.8 | 522.7 | 643.1 | 561.6 |
| DR | Saturation | 39.3 | 62.1 | 82.8 | 104.1 | 168.9 | 179.7 | 221.0 | 266.4 | 315.3 | |
| 9 FWH | S.H Degree | 22.9 | 48.2 | 102.7 | 230.5 | 256.5 | 404.1 | 301.7 | 376.7 | 246.3 | |
| DR + 9 FWH with RT | A-USC | Steam | 88.7 | 154.1 | 238.5 | 143.5 | 188.5 | 256.0 | 333.3 | 422.6 | 527.3 |
| SR | Saturation | 38.6 | 62.5 | 83.9 | 118.3 | 169.0 | 179.8 | 207.0 | 241.1 | 284.8 | |
| 9 FWH + RT | S.H Degree | 50.1 | 91.6 | 154.6 | 25.2 | 19.5 | 76.2 | 126.3 | 181.5 | 242.5 | |
| Description | Unit | A-USC | A-USC (RT) | Remark |
|---|---|---|---|---|
| Total power output | MW | 690.1 | 695.5 | |
| Heat consumption rate | Kcal/kWh | 1584 | 1577 | |
| Boiler efficiency | % | 90.8 | 90.8 | HHV Basis |
| Power plant efficiency | % | 49.2 | 49.5 | Plant loss 0.1% |
| Main steam flow | Kg/h | 1,597,317 | 1,597,317 | VWO |
| Main steam pressure | Kg/cm2 | 350 | 350 | |
| Main steam temperature | °C | 700 | 700 | |
| single reheat steam pressure | Kg/cm2 | 160 | 130 | |
| single reheat steam temperature | °C | 730 | 730 | |
| double reheat steam pressure | Kg/cm2 | 50 | 30 | |
| double reheat steam temperature | °C | 730 | 730 | |
| Condensate pressure | mmHg | 38.1 | 38.1 | |
| QTY of feedwater heater | ea | 9 | 9 | |
| Application of RT | - | N/A | Application |
| Description | Unit | Value | Delta | |
|---|---|---|---|---|
| A-USC | A-USC (RT) | |||
| NPV | $M USD | 1888 | 1920 | 33 |
| IRR | % | 11.9 | 12.1 | 0.2 |
| Description | Unit | A-USC (RT) Fuel Costs | ||
|---|---|---|---|---|
| $0.01/kWh | $0.03/kWh | $0.05/kWh | ||
| NPV | $M USD | 3764 | 1920 | 60 |
| IRR | % | 22.9 | 12.1 | 0.4% |
© 2019 by the authors. Licensee MDPI, Basel, Switzerland. This article is an open access article distributed under the terms and conditions of the Creative Commons Attribution (CC BY) license (http://creativecommons.org/licenses/by/4.0/).
Share and Cite
Cho, D.-J.; Lee, E.-B.; Cho, J.-M.; Alleman, D. Reducing the Superheating of Extraction Stream on Advanced-Ultra Super Critical Power Plants with Regenerative Turbines in South Korea: An Economic Analysis. Energies 2019, 12, 1681. https://doi.org/10.3390/en12091681
Cho D-J, Lee E-B, Cho J-M, Alleman D. Reducing the Superheating of Extraction Stream on Advanced-Ultra Super Critical Power Plants with Regenerative Turbines in South Korea: An Economic Analysis. Energies. 2019; 12(9):1681. https://doi.org/10.3390/en12091681
Chicago/Turabian StyleCho, Dong-Jin, Eul-Bum Lee, Jae-Min Cho, and Douglas Alleman. 2019. "Reducing the Superheating of Extraction Stream on Advanced-Ultra Super Critical Power Plants with Regenerative Turbines in South Korea: An Economic Analysis" Energies 12, no. 9: 1681. https://doi.org/10.3390/en12091681
APA StyleCho, D.-J., Lee, E.-B., Cho, J.-M., & Alleman, D. (2019). Reducing the Superheating of Extraction Stream on Advanced-Ultra Super Critical Power Plants with Regenerative Turbines in South Korea: An Economic Analysis. Energies, 12(9), 1681. https://doi.org/10.3390/en12091681

