Transfer Path Analysis for Semisubmersible Platforms Based on Noisy Measured Data
Abstract
:1. Introduction
2. Preliminaries
2.1. Transfer Path Analysis
2.2. Operational Transfer Path Analysis
3. The Energy Transfer Path Analysis Method Based on a State–Space Model and the Transmissibility Function
3.1. Sensor Installation and the Definition of Characteristic Components
3.2. Relationship between Characteristic Component and Noise
3.3. The Extraction of the Characteristic Component
3.4. Screening for the Characteristic Component
3.5. Computation of the Transmissibility Function
3.6. Scheme of the Proposed Method
- According to the structure form, install sensors at source-points and receiver-points. Then, measure the acceleration signals of each point when the system is in operation. Then, analyze the signals from the source-points by using Equations (6) and (7) to obtain the vibration of frequencies with time and to determine the characteristic components.
- Calculate the relevance using Equations (16)–(19) and judge the stability of the extracted component to remove the pseudo components and obtain the real stable characteristic component. Quantify the extraction error and ensure the accuracy of extraction by using Equation (21). If the requirement of error is not satisfied, repeat the extraction steps for the residual signals.
- Repeat the steps above for each measured signal and calculate amplitudes of the extracted characteristic signals. Then, calculate the transmissibility function by Equation (23). Next, calculate the matrix of the transmissibility function via Equation (24), and express the transfer path of the characteristic components in the entire space.
4. Numerical Studies: Energy Transfer Path Model
4.1. Case 1: Single-Path Energy Transfer Model
- After applying the excitation force on , the acceleration response of and can be calculated by Equation (25).
- Implement the Fourier transform on the calculated response of , and consider it as the real value.
- Extract the characteristic component of the response of and . Then, calculate the amplitudes of the characteristic components to obtain the transmissibility functions. Use the response of to multiply the transmissibility functions and implement the Fourier transform on the obtained response. Consider the result to be the calculated value.
- Compare the real value and the calculated value, and the accuracy of the proposed method can be shown.
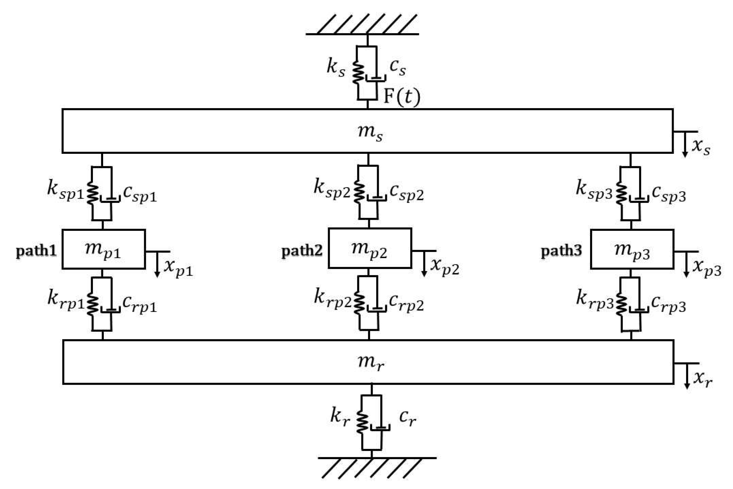
4.2. Case 2: Multi-Path Energy Transfer Model
5. Experimental Study
6. Field Test Study: The Energy Transmission in a DP Cabin
7. Conclusions
Author Contributions
Funding
Conflicts of Interest
Abbreviations
| EPA | Transfer Path Analysis |
| DOF | degree-of-freedom |
| OTPA | Operational Transfer Path Analysis |
| DP | dynamic positioning |
| IMO | International Maritime Organization |
| FRF | Frequency Response Function |
| SVD | Singular Value Decomposition |
References
- Li, Z.X.; Peng, Z. A new nonlinear blind source separation method with chaos indicators for decoupling diagnosis of hybrid failures: A marine propulsion gearbox case with a large speed variation. Chaos Solitons Fractals 2016, 89, 27–39. [Google Scholar] [CrossRef]
- Chen, M.F.; Ye, T.G.; Zhang, J.H.; Jin, G.Y.; Zhang, Y.T.; Xue, Y.Q.; Ma, X.L.; Liu, Z.G. Isogeometric three-dimensional vibration of variable thickness parallelogram plates with in-plane functionally graded porous materials. Int. J. Mech. Sci. 2019, 169, 105304. [Google Scholar] [CrossRef]
- Plunt, J. Finding and fixing vehicle NVH problems with transfer path analysis. Sound Vib. 2005, 39, 12–16. [Google Scholar]
- Thite, A.N.; Thompson, D.J. The quantification of structure-borne transmission paths by inverse methods. Part 1: Improved singular value rejection methods. J. Sound Vibr. 2003, 264, 411–431. [Google Scholar] [CrossRef]
- Oriol, G.; Carlos, G.; Jordi, J.; Pere, A. Experimental validation of the direct transmissibility approach to classical transfer path analysis on a mechanical setup. Mech. Syst. Signal Proc. 2013, 37, 353–369. [Google Scholar]
- Sitter, G.D.; Devriendt, C.; Guillaume, P.; Pruyt, E. Operational transfer path analysis. Mech. Syst. Signal Proc. 2010, 24, 416–431. [Google Scholar] [CrossRef]
- Kim, B.-L.; Jung, J.-Y.; Oh, I.-K. Modified transfer path analysis considering transmissibility functions for accurate estimation of vibration source. J. Sound Vibr. 2017, 398, 70–83. [Google Scholar] [CrossRef]
- Stevens, K. Force identification problems—An overview. In Proceedings of the 1987 SEM Spring Conference on Experimental Mechanics, Houston, TX, USA, 14–19 June 1987. [Google Scholar]
- Dobson, B.J.; Rider, E. A review of the indirect calculation of excitation forces from measured structural response data. Proc. Inst. Mech. Eng. Part C J. Eng. Mech. Eng. Sci. 1990, 204, 69–75. [Google Scholar] [CrossRef]
- Gajdatsy, P.; Janssens, K.; Desmet, W.; de Auweraer, H.V. Application of the transmissibility concept in transfer path analysis. Mech. Syst. Signal Proc. 2010, 24, 1963–1976. [Google Scholar] [CrossRef]
- Ribeiro, A.M.R.; Silva, J.M.M.; Maia, N.M.M. On The Generalisation Of The Transmissibility Concept. Mech. Syst. Signal Proc. 2000, 14, 29–35. [Google Scholar] [CrossRef]
- Noumura, K.; Yoshida, J. Method of transfer path analysis for vehicle interior sound with no excitation experiment. In Proceedings of the 31st World Automotive Congress, Yokohama, Japan, 22–27 October 2006. [Google Scholar]
- Gajdasty, P.; Janssens, K.; Gielen, L.; Mas, P. Critical assessment of operational path analysis: Effect of coupling between path inputs. J. Acoust. Soc. Am. 2008, 123, 5821–5826. [Google Scholar]
- Liu, F.S.; Gao, S.J.; Han, H.W.; Tian, Z.; Liu, P. Interference reduction of high-energy noise for modal parameter identification of offshore wind turbines based on iterative signal extraction. Ocean Eng. 2019, 183, 372–383. [Google Scholar] [CrossRef]
- De Klerk, D.; Ossipov, A. Operational transfer path analysis: Theory, guidelines and tire noise application. Mech. Syst. Signal Proc. 2010, 24, 1950–1962. [Google Scholar] [CrossRef]
- Liu, F.S.; Fu, Q.; Tian, Z. A Laplace-domain method for motion response estimation of floating structures based on a combination of generalised transfer function and partial fraction. Ships Offshore Struct. 2019, 1–15. [Google Scholar] [CrossRef]
- Liu, F.S.; Li, H.J.; Lu, H.C. Weak-mode identification and time-series reconstruction from high-level noisy measured data of offshore structures. Ocean Eng. 2016, 56, 218–232. [Google Scholar] [CrossRef]
- Rother, A.; Jelali, M.; Söffker, D. A brief review and a first application of time-frequency-based analysis methods for monitoring of strip rolling mills. J. Process Control 2015, 35, 65–79. [Google Scholar] [CrossRef]
- Zhang, H.; Schulz, M.J.; Ferguson, F. Strucutre health monitoring using transmittance functions. Mech. Syst. Signal Proc. 1999, 13, 765–787. [Google Scholar] [CrossRef]
- Liu, F.S.; Cheng, J.F.; Qing, H.D. Frequency response estimation of floating structures by representation of retardation functions with complex exponentials. Mar. Struct. 2017, 54, 144–166. [Google Scholar] [CrossRef]
- Tian, Z.; Liu, F.S.; Zhou, L.; Yuan, C.F. Fluid-structure interaction analysis of offshore structures based on separation of transferred responses. Ocean Eng. 2019. [Google Scholar] [CrossRef]


















| Path 1 | Path 2 | Path 3 | ||
|---|---|---|---|---|
| The OTPA method | 0.6213 | 0.5932 | 0.5005 | |
| The proposed method | Pulse load: 200 N | 0.6223 | 0.5938 | 0.5008 |
| 0.6215 | 0.5936 | 0.5008 | ||
| 10% Gaussian white noise | 0.6217 | 0.5935 | 0.5005 | |
| Characteristic Frequencies | Left: | Left: | Right: | Right: |
|---|---|---|---|---|
| 24 Hz | 0.7351 | 0.1246 | 0.1064 | 0.0824 |
| 72 Hz | 0.9614 | 0.3992 | 0.2369 | 0.0803 |
| Starboard | Stern | Port | Bow | |
|---|---|---|---|---|
| 620 rmp (135 Hz) | 0.3846 | 0.3670 | 0.1591 | 0.0812 |
| 620 rmp (270 Hz) | 0.4630 | 0.3722 | 0.1279 | 0.0236 |
| 680 rmp (146 Hz) | 0.3444 | 0.2931 | 0.1182 | 0.0392 |
| 680 rmp (292 Hz) | 0.4406 | 0.3281 | 0.1156 | 0.0781 |
© 2019 by the authors. Licensee MDPI, Basel, Switzerland. This article is an open access article distributed under the terms and conditions of the Creative Commons Attribution (CC BY) license (http://creativecommons.org/licenses/by/4.0/).
Share and Cite
Wang, S.; Han, H.; Liu, F.; Li, W.; Gao, S. Transfer Path Analysis for Semisubmersible Platforms Based on Noisy Measured Data. Energies 2019, 12, 4801. https://doi.org/10.3390/en12244801
Wang S, Han H, Liu F, Li W, Gao S. Transfer Path Analysis for Semisubmersible Platforms Based on Noisy Measured Data. Energies. 2019; 12(24):4801. https://doi.org/10.3390/en12244801
Chicago/Turabian StyleWang, Shuqing, Huawei Han, Fushun Liu, Wei Li, and Shujian Gao. 2019. "Transfer Path Analysis for Semisubmersible Platforms Based on Noisy Measured Data" Energies 12, no. 24: 4801. https://doi.org/10.3390/en12244801
APA StyleWang, S., Han, H., Liu, F., Li, W., & Gao, S. (2019). Transfer Path Analysis for Semisubmersible Platforms Based on Noisy Measured Data. Energies, 12(24), 4801. https://doi.org/10.3390/en12244801
