A Numerical Investigation of the Influence of Geometric Parameters on the Performance of a Multi-Channel Confluent Water Supply
Abstract
1. Introduction
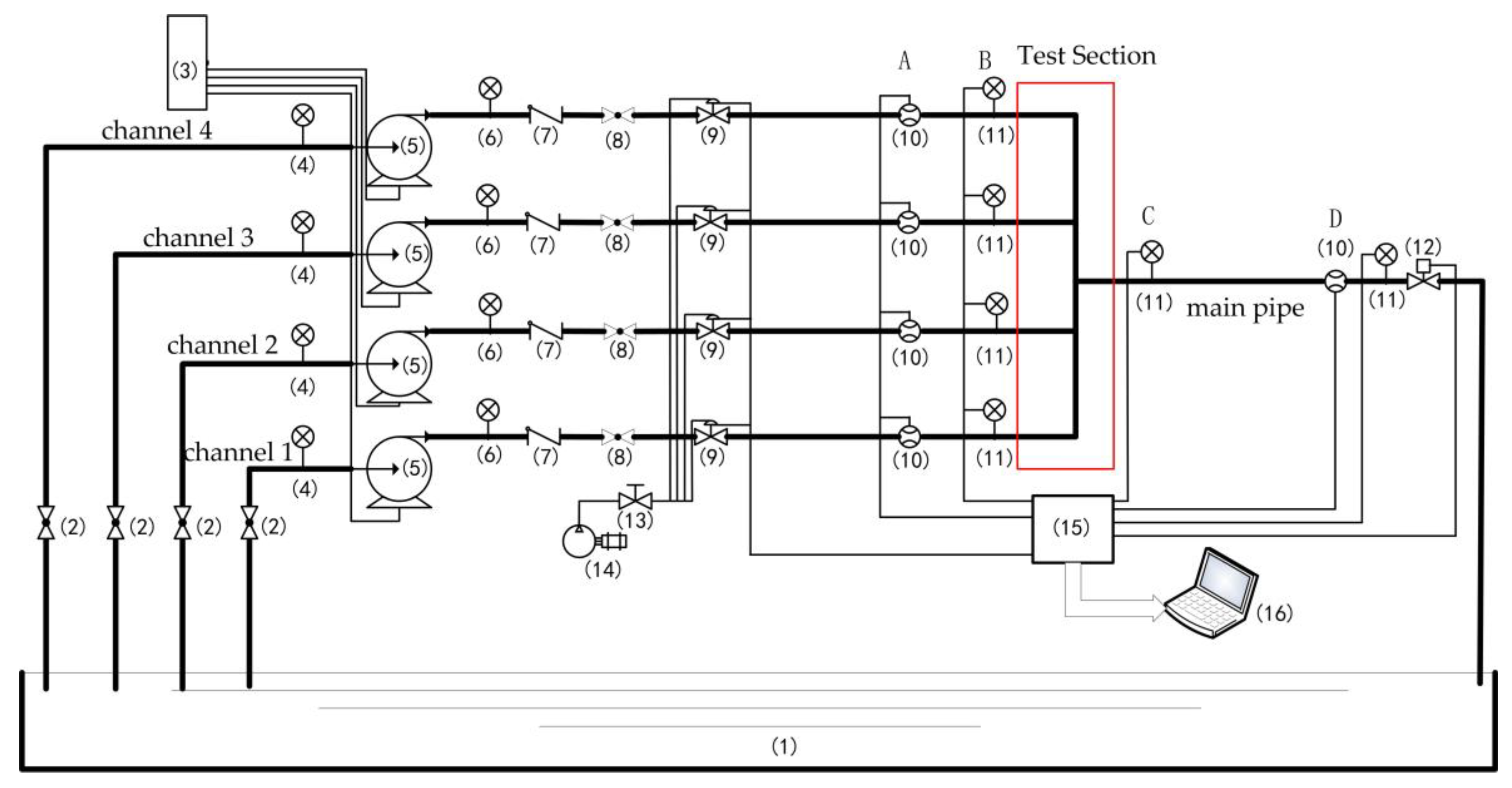
2. Experiment
2.1. Experimental Setup
2.2. Experimental Data
3. Geometries and Numerical Solutions
3.1. Geometries’ Structures
3.2. Governing Equations
3.3. Simulation Details
3.4. Solution Method
3.5. Grid Independence
3.6. Model Validation
4. Results and Discussion
4.1. The Influence of Clustered Pipe Diameter
4.2. The Influence of Main Pipe Diameter
4.3. The Influence of Pitch
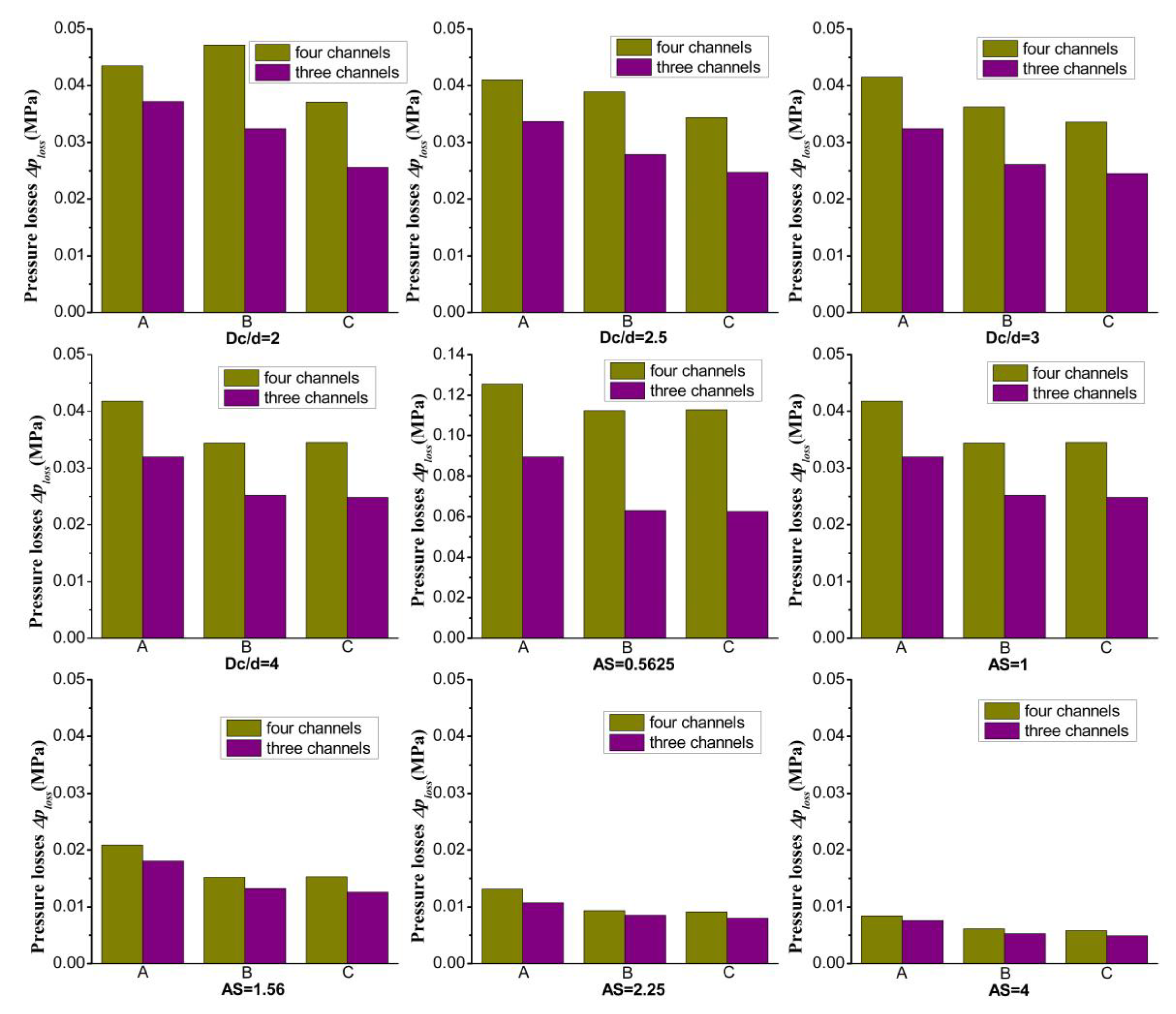
4.4. The Influence of the Number of Channels
4.5. The Influence of Inlet Velocity
5. Conclusions
- The configuration “C” can be considered a costless method of decreasing total pressure loss in a multi-channel, confluent supply structure. For pressure drop, different configurations are insensitive to their effects.
- An increase of clustered pipe diameter results in the pressure loss decreasing sharply first, and then increasing slightly. Increasing the pitch between channels can result in the same trend of pressure loss. For pressure drop, it is decreased with increasing clustered pipe diameter, but the trend is the opposite for channel pitch.
- Increasing the main pipe diameter will reduce the pressure loss and the pressure drop. The gradient of change in AS < 1 is significantly larger than in AS > 1. However, in engineering applications, the main pipe diameter cannot be increased without limits. According to the evaluation criteria of the pressure drop rate, the ratio of the pressure drop to the outlet pressure increases with increasing main pipe diameter, which is unfavorable to energy savings.
- It was found that the pressure loss of four channels is greater than three channels. However, the combination of different channels should be fully considered in switching conditions. That is, the main pipe and channel pipe should be placed in inline in order to reduce the pressure loss.
Author Contributions
Funding
Conflicts of Interest
Nomenclature
| Symbol | Comment | Unit |
| p | Pressure | MPa |
| ρ | Density | kg/m3 |
| t | Solution time | s |
| μ | Viscosity | kg/(m·s) |
| ui | Velocity vector | m/s |
| xi | The coordinate along the i direction | - |
| μt | Turbulent viscosity | kg/(m·s) |
| σk | Turbulent Prandtl numbers for k, equal to 1 | - |
| σε | Turbulent Prandtl numbers for ε, equal to 1.2 | - |
| C2 | Constants, equal to 1.9 | - |
| Sk | User-defined source terms for k equations | - |
| Sε | User-defined source terms for ε equations | - |
| Ωij | Mean rate-of-rotation tensor viewed in a moving reference frame | - |
| Gk | The generation of turbulent kinetic energy due to the mean velocity gradients | kg/(m·s)3 |
| ωk. | Angular velocity | rad/s |
| pn | Inlet pressure of channel n | MPa |
| pin | Average inlet pressure of all channels | MPa |
| pout | Pressure at the outlet | MPa |
| △ploss | Pressure loss | MPa |
| △pdrop | Pressure drop | MPa |
| vavg | Average velocity of all channels at the inlet | m/s |
| vsteady | Inlet velocity at steady state | m/s |
| n | Number of channels | - |
| β | Pressure loss coefficient | - |
| λ | Pressure drop rate | % |
References
- Viholainen, J.; Tamminen, J.; Ahonen, T.; Ahola, J.; Vakkilainen, E.; Soukka, R. Energy-efficient control strategy for variable speed-driven parallel pumping systems. Energy Effic. 2013, 6, 495–509. [Google Scholar] [CrossRef]
- Wu, P.; Lai, Z.; Wu, D.; Wang, L. Optimization Research of Parallel Pump System for Improving Energy Efficiency. J. Water Resour. Plan. Manag. 2014, 141, 1–8. [Google Scholar] [CrossRef]
- Rezghi, A.; Riasi, A. The interaction effect of hydraulic transient conditions of two parallel pump-turbine units in a pumped-storage power plant with considering “S-shaped” instability region: Numerical simulation. Renew. Energy 2018, 118, 896–908. [Google Scholar] [CrossRef]
- Rezghi, A.; Riasi, A. Sensitivity analysis of transient flow of two parallel pump-turbines operating at runaway. Renew. Energy 2016, 86, 611–622. [Google Scholar] [CrossRef]
- Wan, W.; Li, F. Sensitivity Analysis of Operational Time Differences for a Pump–Valve System on a Water Hammer Response. J. Press. Vessel Technol. 2015, 138, 011303. [Google Scholar] [CrossRef]
- Arun Shankar, V.K.; Umashankar, S.; Paramasivam, S.; Hanigovszki, N. A comprehensive review on energy efficiency enhancement initiatives in centrifugal pumping system. Appl. Energy 2016, 181, 495–513. [Google Scholar] [CrossRef]
- Bluestein, A.M.; Helenbrook, B.T.; Venters, R.; Ahmadi, G.; Bohl, D. Turbulent Flow Through a Ducted Elbow and Plugged Tee Geometry: An Experimental and Numerical Study. J. Fluids Eng. 2019, 141, 081101. [Google Scholar] [CrossRef]
- Gandhi, M.S.; Ganguli, A.A.; Joshi, J.B.; Vijayan, P.K. CFD simulation for steam distribution in header and tube assemblies. Chem. Eng. Res. Des. 2012, 90, 487–506. [Google Scholar] [CrossRef]
- Liu, H.; Li, P.; Wang, K. The flow downstream of a bifurcation of a flow channel for uniform flow distribution via cascade flow channel bifurcations. Appl. Therm. Eng. 2015, 81, 114–127. [Google Scholar] [CrossRef]
- Amanowicz, Ł. Influence of geometrical parameters on the flow characteristics of multi-pipe earth-to-air heat exchangers—Experimental and CFD investigations Łukasz. Appl. Energy 2018, 226, 34. [Google Scholar] [CrossRef]
- Zhou, J.; Sun, Z.; Ding, M.; Bian, H.; Zhang, N.; Meng, Z. CFD simulation for flow distribution in manifolds of central-type compact parallel flow heat exchangers. Appl. Therm. Eng. 2017, 126, 670–677. [Google Scholar] [CrossRef]
- Karvounis, P.; Koubogiannis, D.; Hontzopoulos, E.; Hatziapostolou, A. Numerical and experimental study of flow characteristics in solar collector manifolds. Energies 2019, 12, 1431. [Google Scholar] [CrossRef]
- García-Guendulain, J.M.; Riesco-Avila, J.M.; Elizalde-Blancas, F.; Belman-Flores, J.M.; Serrano-Arellano, J. Numerical study on the effect of distribution plates in the manifolds on the flow distribution and thermal performance of a flat plate solar collector. Energies 2018, 11, 1077. [Google Scholar] [CrossRef]
- López-López, J.C.; Salinas-Vázquez, M.; Verma, M.P.; Vicente y Rodríguez, W.; Galindo-Garcia, I.F. Computational fluid dynamic modeling to determine the resistance coefficient of a saturated steam flow in 90° elbows for high Reynolds number. J. Fluids Eng. 2019, 141, 111103. [Google Scholar] [CrossRef]
- Zardin, B.; Cillo, G.; Rinaldini, C.A.; Mattarelli, E.; Borghi, M. Pressure losses in hydraulic manifolds. Energies 2017, 10, 310. [Google Scholar] [CrossRef]
- Zardin, B.; Cillo, G.; Borghi, M.; D’Adamo, A.; Fontanesi, S. Pressure losses in multiple-elbow paths and in V-bends of hydraulic manifolds. Energies 2017, 10, 60788. [Google Scholar] [CrossRef]
- Li, A.; Chen, X.; Chen, L. Numerical investigations on effects of seven drag reduction components in elbow and T-junction close-coupled pipes. Build. Serv. Eng. Res. Technol. 2015, 36, 295–310. [Google Scholar] [CrossRef]
- Li, A.; Chen, X.; Chen, L.; Gao, R. Study on local drag reduction effects of wedge-shaped components in elbow and T-junction close-coupled pipes. Build. Simul. 2014, 7, 175–184. [Google Scholar] [CrossRef]
- Liu, H.; Li, P. Even distribution/dividing of single-phase fluids by symmetric bifurcation of flow channels. Int. J. Heat Fluid Flow 2013, 40, 165–179. [Google Scholar] [CrossRef]
- Rak, J.R.; Pietrucha-Urbanik, K. An approach to determine risk indices for drinking water-study investigation. Sustainability 2019, 11, 3189. [Google Scholar] [CrossRef]
- Urbanik, M.; Tchórzewska-Cieślak, B.; Pietrucha-Urbanik, K. Analysis of the Safety of Functioning Gas Pipelines in Terms of the Occurrence of Failures. Energies 2019, 12, 3228. [Google Scholar] [CrossRef]
- Ferziger, J.H.; Peric, M. Computational Methods for Fluid Dynamics; Sprigner: Berlin, Germany, 1999. [Google Scholar]
- Shih, T.H.; Liou, W.W.; Shabbir, A.; Yang, Z.; Zhu, J. A new κ-ε eddy viscosity model for high reynolds number turbulent flows. Comput. Fluids 1995, 24, 227–238. [Google Scholar] [CrossRef]
- Liu, X.; Yue, S.; Lu, L.; Gao, W.; Li, J. Experimental and numerical studies on flow and turbulence characteristics of impinging stream reactors with dynamic inlet velocity variation. Energies 2018, 11, 1717. [Google Scholar] [CrossRef]
- Idelchik, I.E. Handbook of Hydraulic Resistance, 2nd ed.; Hemisphere Publishing: Washington, DC, USA, 1986. [Google Scholar]

















| Device | Model | Range | Accuracy |
|---|---|---|---|
| Pressure transducer | PT21 | 0–0.6 MPa | 0.5% FS |
| Flowmeter | LWGY-20 | 0.8–8 m3/h | 0.5% FS |
| Flowmeter | LWGY-40 | 2–20 m3/h | 0.5% FS |
| DAQ input module | NI9203 | 8 channels | / |
| DAQ output module | NI9266 | 8 channels | / |
| Compact DAQ | cDAQ-9185 | 4 slots | / |
| Centrifugal pump | KSL32-160 | 1.5 kW | / |
| Frequency converter Channel pipe | JF1800G DN20 | 0–50 Hz / | 0.5% FS / |
| Main pipe | DN40 | / | / |
| Configuration “A” | Dc /mm | Do /mm | Lp /mm | L /mm | Configuration “A” | Dc /mm | Do /mm | Lp /mm | L /mm |
|---|---|---|---|---|---|---|---|---|---|
| A1 | 40 | 40 | 300 | 300 | A9 | 40 | 40 | 400 | 300 |
| A2 | 50 | 40 | 300 | 300 | A10 | 40 | 40 | 200 | 300 |
| A3 | 60 | 40 | 300 | 300 | A11 | 40 | 40 | 100 | 300 |
| A4 | 80 | 30 | 300 | 300 | A12 | 40 | 40 | 60 | 300 |
| A5 | 80 | 40 | 300 | 300 | A13 | 40 | 40 | 400 | 400 |
| A6 | 80 | 50 | 300 | 300 | A14 | 40 | 40 | 200 | 200 |
| A7 | 80 | 60 | 300 | 300 | A15 | 40 | 40 | 100 | 100 |
| A8 | 80 | 80 | 300 | 300 | A16 | 40 | 40 | 60 | 60 |
| Configuration “B” | Dc /mm | Do /mm | L /mm | Configuration “C” | Dc /mm | Do /mm | L /mm |
|---|---|---|---|---|---|---|---|
| B1 | 40 | 40 | 300 | C1 | 40 | 40 | 300 |
| B2 | 50 | 40 | 300 | C2 | 50 | 40 | 300 |
| B3 | 60 | 40 | 300 | C3 | 60 | 40 | 300 |
| B4 | 80 | 30 | 300 | C4 | 80 | 30 | 300 |
| B5 | 80 | 40 | 300 | C5 | 80 | 40 | 300 |
| B6 | 80 | 50 | 300 | C6 | 80 | 50 | 300 |
| B7 | 80 | 60 | 300 | C7 | 80 | 60 | 300 |
| B8 | 80 | 80 | 300 | C8 | 80 | 80 | 300 |
| B9 | 40 | 40 | 400 | C9 | 40 | 40 | 400 |
| B10 | 40 | 40 | 200 | C10 | 40 | 40 | 200 |
| B11 | 40 | 40 | 100 | C11 | 40 | 40 | 100 |
| B12 | 40 | 40 | 60 | C12 | 40 | 40 | 60 |
| Relevance | Refined Size | Grid Number | △ploss.sim | △ploss.exp | SE/% |
|---|---|---|---|---|---|
| 100 | 1.5 mm | 2,482,014 | 0.0392 | 0.0429 | 8.6247 |
| 100 | 1.8 mm | 1,656,966 | 0.0404 | 0.0429 | 5.8275 |
| 100 | 2 mm | 1,329,794 | 0.0400 | 0.0429 | 6.7599 |
| 50 | 2 mm | 1,214,846 | 0.0398 | 0.0429 | 7.2261 |
| 35 | 2 mm | 1,169,411 | 0.0390 | 0.0429 | 9.0909 |
| 0 | 2 mm | 1,093,832 | 0.0387 | 0.0429 | 9.7902 |
| 0 | 3 mm | 465,797 | 0.0371 | 0.0429 | 13.5198 |
| 100 | / | 535,951 | 0.0372 | 0.0429 | 13.2867 |
| 50 | / | 384,365 | 0.0376 | 0.0429 | 12.3543 |
| AS | 0.5625 | 1 | 1.56 | 2.25 | 4 |
| △pdrop/pout | 21.8% | 22.8% | 23.6% | 25.9% | 36% |
| Lp/d | 3 | 5 | 10 | 15 | 20 |
| △ploss/MPa | 0.0426 | 0.0486 | 0.0442 | 0.0435 | 0.0436 |
| △pdrop/MPa | 0.0104 | 0.0103 | 0.011 | 0.011 | 0.0111 |
| Configuration | “A” | “B” | “C” | |||||||
|---|---|---|---|---|---|---|---|---|---|---|
| Channel | 123/234 | 124/134 | 123 | 124 | 134 | 234 | 123 | 124 | 134 | 234 |
| △ploss/MPa | 0.0372 | 0.0365 | 0.0324 | 0.0326 | 0.034 | 0.0507 | 0.0256 | 0.0257 | 0.0372 | 0.0324 |
© 2019 by the authors. Licensee MDPI, Basel, Switzerland. This article is an open access article distributed under the terms and conditions of the Creative Commons Attribution (CC BY) license (http://creativecommons.org/licenses/by/4.0/).
Share and Cite
Zhao, G.; Li, W.; Zhu, J. A Numerical Investigation of the Influence of Geometric Parameters on the Performance of a Multi-Channel Confluent Water Supply. Energies 2019, 12, 4354. https://doi.org/10.3390/en12224354
Zhao G, Li W, Zhu J. A Numerical Investigation of the Influence of Geometric Parameters on the Performance of a Multi-Channel Confluent Water Supply. Energies. 2019; 12(22):4354. https://doi.org/10.3390/en12224354
Chicago/Turabian StyleZhao, Ge, Wei Li, and Jinsong Zhu. 2019. "A Numerical Investigation of the Influence of Geometric Parameters on the Performance of a Multi-Channel Confluent Water Supply" Energies 12, no. 22: 4354. https://doi.org/10.3390/en12224354
APA StyleZhao, G., Li, W., & Zhu, J. (2019). A Numerical Investigation of the Influence of Geometric Parameters on the Performance of a Multi-Channel Confluent Water Supply. Energies, 12(22), 4354. https://doi.org/10.3390/en12224354

