Short-Term Bidding Strategy for a Price-Maker Virtual Power Plant Based on Interval Optimization
Abstract
1. Introduction
1.1. Background
1.2. Literature Review
1.3. Main Contribution and Layout of the Paper
2. Methods and Solving Procedure
2.1. Uncertainty Characterizaion by Interval Optimization
2.2. Market Structure and Price Maker Decition Procedure
3. VPP Bidding and Scheduling Model
3.1. Upper Level Problem: VPP Strategy
3.2. Lower Level Problem: ISO Market Clearing Simulation
3.3. Model Transformation and Linearization
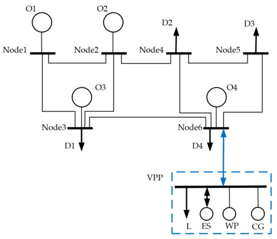
4. Case Studies
4.1. Parameters
4.2. VPP Bid and Scheduling Results in DA Market
4.3. VPP Uncertainty Mitigation Results in the RT Market
4.4. Sensitivity analysis
5. Conclusions
Author Contributions
Funding
Conflicts of Interest
Nomenclature
| Sets: | or | Forecast WP interval (MW) | |
| Market participants connecting to node | or | Forecast load interval (MW) | |
| transmission lines connecting to node | Maximum bid price in DA market ($/MW) | ||
| Indexes: | Maximum power of ES (MW) | ||
| The left and right bounds of interval | , | Initial, minimum and maximum capacity of ES (MWh) | |
| Index for Time slots | , | Charging and discharging efficiency factor | |
| Index for competitive producer | Available interruptible load factor | ||
| Index for generation blocks of competitive producer | Susceptance of line (per unit) | ||
| Index for blocks of demand | Capacity of line (MW) | ||
| Parameters or constants: | Variables: | ||
| VPP Bid price in time slot t ($/MW) (MW) | Cleared power of VPP in time slot (MW) | ||
| Cleared power of block of demand in time slot (MW) | Scheduled power of CG in DA stage in time slot (MW) | ||
| Cleared power of block of producer in time slot (MW) | Scheduled power of ES in DA stage in time slot (MW) | ||
| Retail market price ($/MW) | Deployed IL in DA stage in time slot (MW) | ||
| Marginal utility of block of demand in time slot ($/MW) | or | Interval of VPP traded power in RT stage in time slot (MW) | |
| Marginal cost of block of producer in time slot ($/MW) | or | Interval of CG output in RT stage in time slot (MW) | |
| Upper limit of block of producer (MW) | or | Interval of ES output in RT stage in time slot (MW) | |
| Upper limit of block of demand in time slot (MW) | or | Interval of ES discharging in RT stage in time slot (MW) | |
| Reference of forecast WP interval (MW) | or | Interval of ES charging in RT stage in time slot (MW) | |
| Reference of forecast load interval (MW) | or | Interval of deployed IL in RT stage in time slot (MW) | |
| Load angle of node in time slot (rad) | |||
Appendix A
Appendix B
References
- Pandzic, H.; Morales, J.M.; Conejo, A.J.; Kuzle, I. Offering model for a virtual power plant based on stochastic programming. Appl. Energy 2013, 105, 282–292. [Google Scholar] [CrossRef]
- Baringo, L.; Conejo, A.J. Strategic Offering for a Wind Power Producer. IEEE Trans. Power Syst. 2013, 28, 4645–4654. [Google Scholar] [CrossRef]
- Pudjianto, D.; Ramsay, C.; Strbac, G. Virtual power plant and system integration of distributed energy resources. IET Renew. Power Gener. 2007, 1, 10–16. [Google Scholar] [CrossRef]
- Nosratabadi, S.M.; Hooshmand, R.-A.; Gholipour, E. A comprehensive review on microgrid and virtual power plant concepts employed for distributed energy resources scheduling in power systems. Renew. Sustain. Energy Rev. 2017, 67, 341–363. [Google Scholar] [CrossRef]
- Gawel, E.; Purkus, A. Promoting the market and system integration of renewable energies through premium schemes—A case study of the German market premium. Energy Policy 2013, 61, 599–609. [Google Scholar] [CrossRef]
- Rahimiyan, M.; Baringo, L. Strategic Bidding for a Virtual Power Plant in the Day-Ahead and Real-Time Markets: A Price-Taker Robust Optimization Approach. IEEE Trans. Power Syst. 2016, 31, 1–12. [Google Scholar] [CrossRef]
- Asmus, P. Microgrids, Virtual Power Plants and Our Distributed Energy Future. Electr. J. 2010, 23, 72–82. [Google Scholar] [CrossRef]
- Pasetti, M.; Rinaldi, S.; Manerba, D. A Virtual Power Plant Architecture for the Demand-Side Management of Smart Prosumers. Appl. Sci. 2018, 8, 432. [Google Scholar] [CrossRef]
- Howell, S.; Rezgui, Y.; Hippolyte, J.-L.; Jayan, B.; Li, H. Towards the next generation of smart grids: Semantic and holonic multi-agent management of distributed energy resources. Renew. Sustain. Energy Rev. 2017, 77, 193–214. [Google Scholar] [CrossRef]
- Li, S.; Park, C.S. Wind power bidding strategy in the short-term electricity market. Energy Econ. 2018, 75, 336–344. [Google Scholar] [CrossRef]
- Hong, Y.-Y.; Weng, M.-T. Optimal short-term real power scheduling in a deregulated competitive market. Electr. Power Syst. Res. 2000, 54, 181–188. [Google Scholar] [CrossRef]
- Tajeddini, M.A.; Rahimi-Kian, A.; Soroudi, A. Risk averse optimal operation of a virtual power plant using two stage stochastic programming. Energy 2014, 73, 958–967. [Google Scholar] [CrossRef]
- Peik-herfeh, M.; Seifi, H.; Sheikh-El-Eslami, M.K. Two-stage approach for optimal dispatch of distributed energy resources in distribution networks considering virtual power plant concept. Int. Trans. Electr. Energy Syst. 2014, 24, 43–63. [Google Scholar] [CrossRef]
- Shayegan-Rad, A.; Badri, A.; Zangeneh, A. Day-ahead scheduling of virtual power plant in joint energy and regulation reserve markets under uncertainties. Energy 2017, 121, 114–125. [Google Scholar] [CrossRef]
- Peik-Herfeh, M.; Seifi, H.; Sheikh-El-Eslami, M.K. Decision making of a virtual power plant under uncertainties for bidding in a day-ahead market using point estimate method. Int. J. Electr. Power Energy Syst. 2013, 44, 88–98. [Google Scholar] [CrossRef]
- Fan, S.; Piao, L.; Ai, Q. Fuzzy day-ahead scheduling of virtual power plant with optimal confidence level. IET Gener. Transm. Distrib. 2016, 10, 205–212. [Google Scholar] [CrossRef]
- Hu, J.; Liu, Y.; Jiang, C. An optimum bidding strategy of CVPP by interval optimization. IEEJ Trans. Electr. Electron. Eng. 2018, 13, 1568–1577. [Google Scholar] [CrossRef]
- Ruiz, C.; Conejo, A. Pool Strategy of a Producer With Endogenous Formation of Locational Marginal Prices. IEEE Trans. Power Syst. 2009, 24, 1855–1866. [Google Scholar] [CrossRef]
- Sharma, K.C.; Bhakar, R.; Tiwari, H. Strategic bidding for wind power producers in electricity markets. Energy Convers. Manag. 2014, 86, 259–267. [Google Scholar] [CrossRef]
- Kazempour, S.J.; Conejo, A.J.; Ruiz, C. Strategic Bidding for a Large Consumer. IEEE Trans. Power Syst. 2015, 30, 848–856. [Google Scholar] [CrossRef]
- Daraeepour, A.; Kazempour, J.; Patiño-Echeverri, D.; Conejo, A.J. Strategic Demand-Side Response to Wind Power Integration. IEEE Trans. Power Syst. 2016, 31, 3495–3505. [Google Scholar] [CrossRef]
- Cui, H.; Li, F.; Hu, Q.; Bai, L.; Fang, X. Day-ahead coordinated operation of utility-scale electricity and natural gas networks considering demand response based virtual power plants. Appl. Energy 2016, 176, 183–195. [Google Scholar] [CrossRef]
- Shafiekhani, M.; Badri, A.; Shafie-khah, M.; Catalão, J.P.S. Strategic bidding of virtual power plant in energy markets: A bi-level multi-objective approach. Int. J. Electr. Power Energy Syst. 2019, 113, 208–219. [Google Scholar] [CrossRef]
- Riveros, J.Z.; Bruninx, K.; Poncelet, K.; D’Haeseleer, W. Bidding strategies for virtual power plants considering CHPs and intermittent renewables. Energy Convers. Manag. 2015, 103, 408–418. [Google Scholar] [CrossRef]
- Karimyan, P.; Hosseinian, S.H.; Khatami, R.; Abedi, M. Stochastic approach to represent distributed energy resources in the form of a virtual power plant in energy and reserve markets. IET Gener. Transm. Distrib. 2016, 10, 1792–1804. [Google Scholar] [CrossRef]
- Zamani, A.G.; Zakariazadeh, A.; Jadid, S.; Kazemi, A. Stochastic operational scheduling of distributed energy resources in a large scale virtual power plant. Int. J. Electr. Power Energy Syst. 2016, 82, 608–620. [Google Scholar] [CrossRef]
- Ju, L.; Li, H.; Zhao, J.; Chen, K.; Tan, Q.; Tan, Z. Multi-objective stochastic scheduling optimization model for connecting a virtual power plant to wind-photovoltaic-electric vehicles considering uncertainties and demand response. Energy Convers. Manag. 2016, 128, 160–177. [Google Scholar] [CrossRef]
- Saric, A.; Stankovic, A. An Application of Interval Analysis and Optimization to Electric Energy Markets. IEEE Trans. Power Syst. 2006, 21, 515–523. [Google Scholar] [CrossRef]
- Wu, L.; Shahidehpour, M.; Li, Z. Comparison of Scenario-Based and Interval Optimization Approaches to Stochastic SCUC. IEEE Trans. Power Syst. 2012, 27, 913–921. [Google Scholar] [CrossRef]
- Liu, Y.; Jiang, C.; Shen, J.; Hu, J. Coordination of Hydro Units With Wind Power Generation Using Interval Optimization. IEEE Trans. Sustain. Energy 2017, 6, 443–453. [Google Scholar] [CrossRef]
- Sengupta, A.; Pal, T.K. On comparing interval numbers. Eur. J. Oper. Res. 2000, 127, 28–43. [Google Scholar] [CrossRef]
- Sengupta, A.; Pal, T.K. On Comparing Interval Numbers: A Study on Existing Ideas; Springer: Berlin/Heidelberg, Germany, 2009. [Google Scholar]
- Hobbs, B.; Metzler, C.; Pang, J.-S. Strategic gaming analysis for electric power systems: An MPEC approach. IEEE Trans. Power Syst. 2000, 15, 638–645. [Google Scholar] [CrossRef]
- Dai, T.; Qiao, W. Finding Equilibria in the Pool-Based Electricity Market with Strategic Wind Power Producers and Network Constraints. IEEE Trans. Power Syst. 2016, 32, 389–399. [Google Scholar] [CrossRef]
- Alharbi, H.; Bhattacharya, K. Stochastic Optimal Planning of Battery Energy Storage Systems for Isolated Microgrids. IEEE Trans. Sustain. Energy 2018, 9, 211–227. [Google Scholar] [CrossRef]
- University of Massachusetts Amherst, Wind Energy Center. Available online: https://www.umass.edu/windenergy/resourcedata (accessed on 1 July 2019).
- Karki, R.; Hu, P.; Billinton, R. A Simplified Wind Power Generation Model for Reliability Evaluation. IEEE Trans. Energy Convers. 2006, 21, 533–540. [Google Scholar] [CrossRef]
- PJM Data Directory. 2019. Available online: https://www.pjm.com/markets-and-operations/data-dictionary.aspx (accessed on 1 July 2019).











| Market Participants | O1 | O3 | O3 | O4 |
|---|---|---|---|---|
| type | coal | oil | oil | oil |
| Capacity (MW) | 350 | 197 | 197 | 50 |
| 140 | 68.95 | 68.95 | 25 | |
| 97.5 | 49.25 | 49.25 | 15 | |
| 52.5 | 39.4 | 39.4 | 10 | |
| 70 | 39.4 | 39.4 | 10 | |
| 19.2 | 10.08 | 10.08 | 18.6 | |
| 20.32 | 10.66 | 10.66 | 20.03 | |
| 21.22 | 11.09 | 11.09 | 21.67 | |
| 22.13 | 11.72 | 11.72 | 22.72 |
| Parameter Setting | Case 1 | Case 2 | Case 3 | Case 4 | Case 5 |
|---|---|---|---|---|---|
| Inner Resources | WP, L, ES, IL, CG | WP, L | WP, L, ES, IL, CG | WP, L, ES, IL, CG | WP, L, ES, IL, CG |
| <NDP, PDP> ($/MWh) | <1.8,0.4> | <1.8,0.4> | From<1.1,0.9> to <1.9,0.1> | <1.8,0.4> | <1.8,0.4> |
| PD | 0.2 | 0.2 | 0.2 | 0.2 | From 0.1 to 0.9 |
| UR width-midpoint ratio | 5% | 5% | 5% | 5%, 10%,15% | 5% |
| Network Condition | Uncongested | Congested |
|---|---|---|
| Capacity of line 2–4 and line 3–6 (MW) | 500, 500 | 250, 290 |
| VPP bid price/ LMP ($/MW) | 20.606 | 20.876 |
| VPP traded power (MW) | 64.795 | 64.795 |
| DA income ($) | 1335.165 | 1352.660 |
| NDP, PDP Factor | Imbalance Cost ($) | Profit Interval ($) | Profit Width ($) | Profit Midpoint ($) | Ratio |
|---|---|---|---|---|---|
| <1.1,0.9> | [−632.14, 2513.1] | [15,625,17,884] | 1129.5 | 16,754.5 | 0.067 |
| <1.4,0.8> | [0,1507.9] | [15,672,18,601] | 1464.5 | 17,136.5 | 0.086 |
| <1.6,0.6> | [0,730.48] | [15,636,19,157] | 1760.5 | 17,396.5 | 0.101 |
| <1.8,0.4> | [0,486.99] | [15,636,19,157] | 1760.5 | 17,396.5 | 0.101 |
| UR Width Midpoint Ratio | Imbalance Cost ($) | Profit Interval ($) | Profit Width ($) | Profit Midpoint ($) | Ratio |
|---|---|---|---|---|---|
| 5% | [0,486.99] | [15,636, 19,157] | 1761 | 17,397 | 0.101 |
| 10% | [0,831.01] | [13,500, 19,871] | 3186 | 16,686 | 0.191 |
| 15% | [0,1801.1] | [11,417, 19,367] | 3975 | 15,392 | 0.258 |
© 2019 by the authors. Licensee MDPI, Basel, Switzerland. This article is an open access article distributed under the terms and conditions of the Creative Commons Attribution (CC BY) license (http://creativecommons.org/licenses/by/4.0/).
Share and Cite
Hu, J.; Jiang, C.; Liu, Y. Short-Term Bidding Strategy for a Price-Maker Virtual Power Plant Based on Interval Optimization. Energies 2019, 12, 3662. https://doi.org/10.3390/en12193662
Hu J, Jiang C, Liu Y. Short-Term Bidding Strategy for a Price-Maker Virtual Power Plant Based on Interval Optimization. Energies. 2019; 12(19):3662. https://doi.org/10.3390/en12193662
Chicago/Turabian StyleHu, Jiakai, Chuanwen Jiang, and Yangyang Liu. 2019. "Short-Term Bidding Strategy for a Price-Maker Virtual Power Plant Based on Interval Optimization" Energies 12, no. 19: 3662. https://doi.org/10.3390/en12193662
APA StyleHu, J., Jiang, C., & Liu, Y. (2019). Short-Term Bidding Strategy for a Price-Maker Virtual Power Plant Based on Interval Optimization. Energies, 12(19), 3662. https://doi.org/10.3390/en12193662
