Reactive Power Compensation and Imbalance Suppression by Star-Connected Buck-Type D-CAP
Abstract
:1. Introduction
2. Principle of the D-CAP Compensating for Reactive Power and Suppressing the Load Imbalance
2.1. Relationship between Power Factor Correction and Imbalance Suppression
2.2. Principle of the D-CAP Suppressing the Load Imbalance
3. Compensation Ability of a Star-Connected D-CAP for Negative-Sequence Currents
3.1. Theoretical Compensation Ability of a Star-Connected D-CAP
3.2. Actual Compensation Ability of a Star-Connected D-CAP
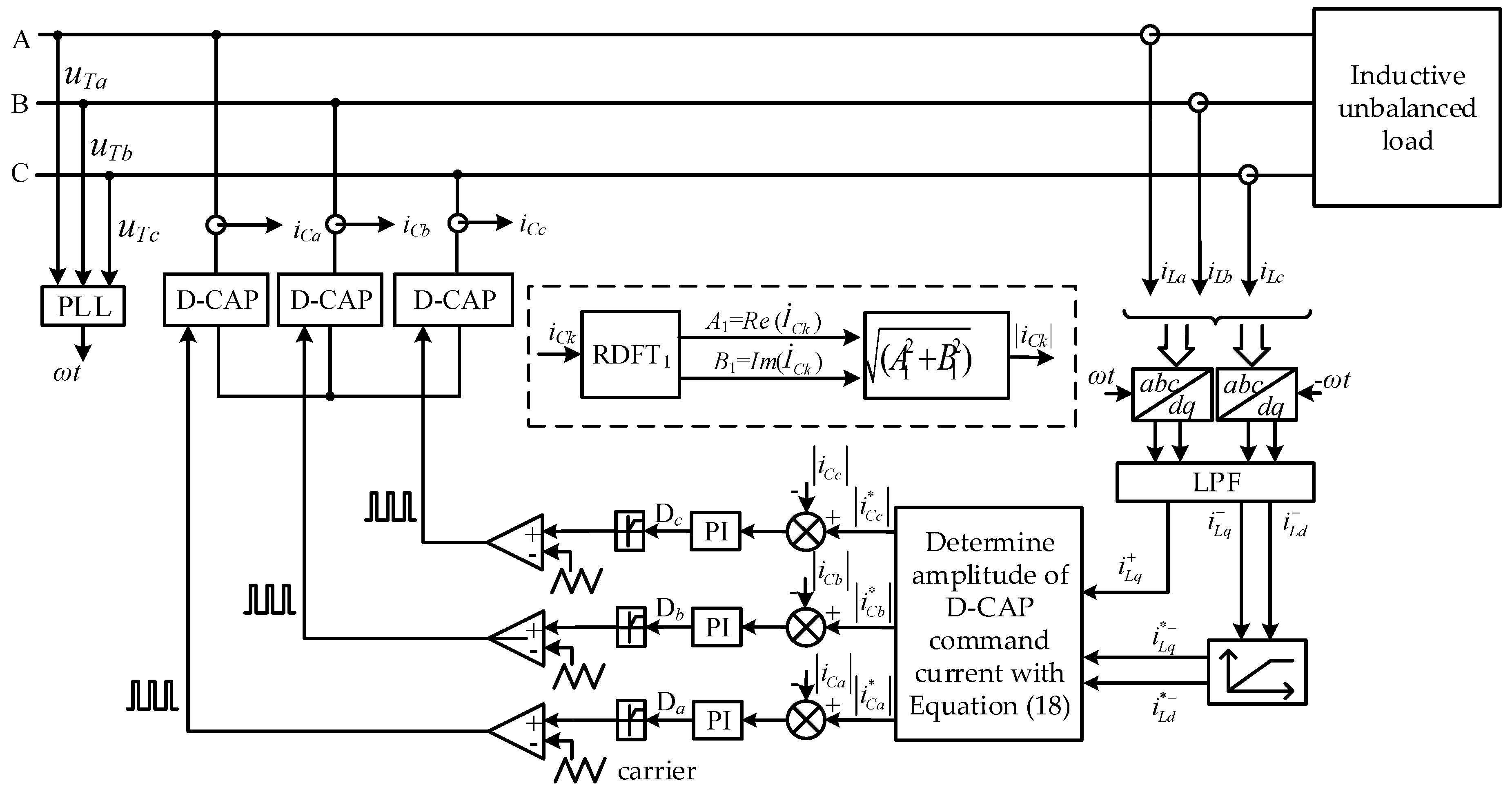
4. Proposed Control Strategy of the D-CAP to Compensate the Reactive Power and Suppress Load Imbalance
5. Experiment Verification
5.1. Case 1: D-CAP for Inductive Balanced Load
5.2. Case 2: D-CAP for Slightly Unbalanced Inductive Load
5.3. Case 3: D-CAP for Heavily Unbalanced Inductive Load
5.4. Summarization and Comparison of Three-Phase Power Factors and the Unbalanced Degree
6. Conclusions
Author Contributions
Funding
Conflicts of Interest
References
- He, Z.X.; Xu, Q.M.; Luo, A.; Xiao, H.G.; Chen, Y.D.; Jin, G.B.; Ma, F.J. Circulating current derivation and comprehensive compensation of cascaded STATCOM under asymmetrical voltage conditions. IET Gener. Transm. Distrib. 2016, 10, 2924–2932. [Google Scholar]
- Tan, K.H.; Lin, F.J.; Chen, J.H. A three-phase four-leg inverter-based active power filter for unbalanced current compensation using a petri probabilistic fuzzy neural network. Energies 2017, 10, 2005. [Google Scholar] [CrossRef]
- IEEE. IEEE Guide for Application of Shunt Power Capacitors, IEEE Std. 1036, 2010; IEEE: Piscataway, NJ, USA, 2010. [Google Scholar] [CrossRef]
- Das, S.; Chatterjee, D.; Goswami, S.K. Tuned-TSC based SVC for reactive power compensation and harmonic reduction in unbalanced distribution system. IET Gener. Transm. Distrib. 2018, 12, 571–585. [Google Scholar] [CrossRef]
- Chatterjee, D.; Das, S.; Goswami, S. A GSA based modified SVC switching scheme for load balancing and source power factor improvement. IEEE Trans. Power Deliv. 2016, 31, 2072–2082. [Google Scholar]
- Xu, C.; Dai, K.; Chen, X.W.; Kang, Y. Voltage droop control at point of common coupling with arm current and capacitor voltage analysis for distribution static synchronous compensator based on modular multilevel converter. IET Power Electron. 2016, 9, 1643–1653. [Google Scholar] [CrossRef]
- Song, Q.; Liu, W. Control of a cascade STATCOM with star configuration under unbalanced conditions. IEEE Trans. Power Electron. 2009, 24, 45–58. [Google Scholar] [CrossRef]
- Chang, W.N.; Liao, C.H. Design and implementation of a STATCOM based on a multilevel FHB converter with delta-connected configuration for unbalanced load compensation. Energies 2017, 10, 921. [Google Scholar] [CrossRef]
- Behrouzian, E.; Bongiorno, M. Investigation of negative-sequence injection capability of cascaded H-bridge converters in star and delta configuration. IEEE Trans. Power Electron. 2016, 32, 1675–1683. [Google Scholar] [CrossRef]
- Oghorada, O.J.K.; Zhang, L. Unbalanced and reactive load compensation using MMCC-based SATCOMs with third harmonic injection. IEEE Trans. Ind. Electron. 2019, 66, 2891–2902. [Google Scholar] [CrossRef]
- Xu, C.; Dai, K.; Chen, X.W.; Kang, Y. Unbalanced PCC voltage regulation with positive- and negative-sequence compensation tactics for MMC-DSTATCOM. IET Power Electron. 2016, 9, 2846–2858. [Google Scholar] [CrossRef]
- She, X.; Huang, A.Q.; Wang, G. 3-D space modulation with voltage balancing capability for a cascaded seven-level converter in a solid-state transformer. IEEE Trans. Power Electron. 2011, 26, 3778–3789. [Google Scholar] [CrossRef]
- Zhang, Y.; Adam, G.P.; Lim, T.C. Hybrid multilevel converter: Capacitor voltage balancing limits and its extension. IEEE Trans. Ind. Inform. 2013, 9, 2063–2073. [Google Scholar] [CrossRef]
- Wheeler, P.W.; Rodriguez, J.; Clare, J.C. Matrix converters: A technology review. IEEE Trans. Ind. Electron. 2002, 49, 276–288. [Google Scholar] [CrossRef]
- Raghuram, M.; Avneet, K.C.; Santosh, K.S. Switched capacitor impedance matrix converter. In Proceedings of the IEEE Energy Conversion Congress and Exposition, Cincinnati, OH, USA, 1–5 October 2001; pp. 1071–1075. [Google Scholar]
- Cheng, M.M.; Feng, K.; Isobe, T.; Shimada, R. Characteristics of the magnetic energy recovery switch as a static Var compensator technology. IET Power Electron. 2015, 8, 1329–1338. [Google Scholar] [CrossRef]
- Wei, Y.W.; Kang, L.Y.; Huang, Z.Z.; Li, Z.; Cheng, M.M. A magnetic energy recovery switch based terminal voltage regulator for the three-phase self-excited induction generators in renewable energy systems. J. Power Electron. 2015, 15, 1305–1317. [Google Scholar] [CrossRef]
- Wei, Y.W.; Fang, B.; Kang, L.Y.; Huang, Z.Z.; Liu, T.G. Parallel-connected magnetic energy recovery switch used as a continuous reactive power controller. J. Power Electron. 2016, 16, 1494–1503. [Google Scholar] [CrossRef]
- Chen, R.R.; Liu, Y.T.; Peng, F.Z. A solid state variable capacitor with minimum capacitor. IEEE Trans. Power Electron. 2017, 32, 5035–5044. [Google Scholar] [CrossRef]
- Liu, Y.T.; Wang, X.R.; Peng, F.Z. An H-bridge-based single-phase VAr generator with minimum dc capacitance. IEEE J. Emerg. Sel. Top. Power Electron. 2018, 6, 2001–2014. [Google Scholar] [CrossRef]
- Prasai, A.; Sastry, J.; Divan, D.M. Dynamic capacitor (D-CAP): An integrated approach to reactive and harmonic compensation. IEEE Trans. Ind. Appl. 2010, 46, 2518–2525. [Google Scholar] [CrossRef]
- Prasai, A.; Divan, D.M. Control of dynamic capacitor. IEEE Trans. Ind. Appl. 2011, 47, 161–168. [Google Scholar] [CrossRef]
- Liu, Q.; Deng, Y.; He, X. Boost-Type inverter-less shunt active power filter for VAR and harmonic compensation. IET Power Electron. 2013, 6, 535–542. [Google Scholar] [CrossRef]
- Dijkhuizen, F.; Gödde, M. Dynamic capacitor for HV applications. In Proceedings of the IEEE Energy Conversion Congress and Exposition, Atlanta, GA, USA, 12–16 September 2010; pp. 1511–1518. [Google Scholar]
- Chen, X.; Dai, K.; Xu, C. Reactive power compensation with improvement of current waveform quality for single-phase buck-type dynamic capacitor. In Proceedings of the IEEE Applied Power Electronics Conference and Exposition (APEC), Long Beach, CA, USA, 20–24 March 2016; pp. 1358–1363. [Google Scholar]
- Xiong, L.L.; Dai, K.; Chen, X.; Wang, X.S.; Dai, Z.W. Reactive power compensation and resonance damping for three-phase buck-type dynamic capacitor. In Proceedings of the IEEE Applied Power Electronics Conference and Exposition (APEC), San Antonio, TX, USA, 4–8 March 2018; pp. 1473–1478. [Google Scholar]
- Pana, A.; Baloi, A.; Molnar-Matei, F. Load balancing by unbalanced capacitive shunt compensation—A numerical approach. In Proceedings of the 14th International Conference on Harmonics and Quality of Power—ICHQP, Bergamo, Italy, 26–29 September 2010; pp. 1–6. [Google Scholar]
- Wang, X.S.; Dai, K.; Chen, X.; Tan, T.; Dai, Z.W. Optimal compensation of delta-connected dynamic capacitor for unbalanced load. In Proceedings of the 2018 IEEE International Power Electronics and Application Conference and Exposition (PEAC), Shenzhen, China, 4–7 November 2018; pp. 1–6. [Google Scholar]
- Xu, C.; Dai, K.; Chen, X.W.; Peng, L.; Zhang, Y.X. Parallel resonance detection and selective compensation control for SAPF with square-wave current active injection. IEEE Trans. Ind. Electron. 2017, 64, 8066–8078. [Google Scholar] [CrossRef]
- Anish, P. Direct Dynamic Control of Impedance for VAR and Harmonic Compensation. Ph.D. Thesis, Georgia Institute of Technology, Atlanta, Georgia, 2011. [Google Scholar]













| Grid Voltage uT | Grid Frequency fT | Filtering Inductance LF | Filtering Capacitor CF | Buffer Inductance LB | Power Capacitor C | Switching Frequency fw |
|---|---|---|---|---|---|---|
| 220 V | 50 Hz | 160 μH | 80 μF | 180 μH | 660 μF | 9.6 kHz |
| Load Type | (Case 1) Inductive Balanced Load | (Case 2) Slightly Unbalanced Load | (Case 3) Heavily Unbalanced Load |
|---|---|---|---|
| Phase A | 6 Ω/21.64 mH | 6 Ω/21.64 mH | 6 Ω/21.64 mH |
| Phase B | 6 Ω/21.64 mH | 6 Ω/11.64 mH | 6 Ω |
| Phase C | 6 Ω/21.64 mH | 6 Ω/21.64 mH | 6 Ω/21.64 mH |
| Load Type | Inductive Balanced Load (Case 1) | Slightly Unbalanced Load (Case 2) | Heavily Unbalanced Load (Case 3) |
| Phase A power factor at the grid side before/after compensation | 0.74/1 | 0.81/1 | 0.89/0.99 |
| Phase B power factor at the grid side before/after compensation | 0.74/1 | 0.85/1 | 0.95/0.99 |
| Phase C power factor at the grid side before/after compensation | 0.76/1 | 0.72/1 | 0.76/1 |
| Unbalanced degree of currents at the grid side before/after compensation | 0.023/0.039 | 0.098/0.029 | 0.279/0.126 |
© 2019 by the authors. Licensee MDPI, Basel, Switzerland. This article is an open access article distributed under the terms and conditions of the Creative Commons Attribution (CC BY) license (http://creativecommons.org/licenses/by/4.0/).
Share and Cite
Wang, X.; Dai, K.; Chen, X.; Zhang, X.; Wu, Q.; Dai, Z. Reactive Power Compensation and Imbalance Suppression by Star-Connected Buck-Type D-CAP. Energies 2019, 12, 1914. https://doi.org/10.3390/en12101914
Wang X, Dai K, Chen X, Zhang X, Wu Q, Dai Z. Reactive Power Compensation and Imbalance Suppression by Star-Connected Buck-Type D-CAP. Energies. 2019; 12(10):1914. https://doi.org/10.3390/en12101914
Chicago/Turabian StyleWang, Xiaosheng, Ke Dai, Xinwen Chen, Xin Zhang, Qi Wu, and Ziwei Dai. 2019. "Reactive Power Compensation and Imbalance Suppression by Star-Connected Buck-Type D-CAP" Energies 12, no. 10: 1914. https://doi.org/10.3390/en12101914
APA StyleWang, X., Dai, K., Chen, X., Zhang, X., Wu, Q., & Dai, Z. (2019). Reactive Power Compensation and Imbalance Suppression by Star-Connected Buck-Type D-CAP. Energies, 12(10), 1914. https://doi.org/10.3390/en12101914
