Optimization of the Operation of Smart Rural Grids through a Novel Energy Management System
Abstract
1. Introduction
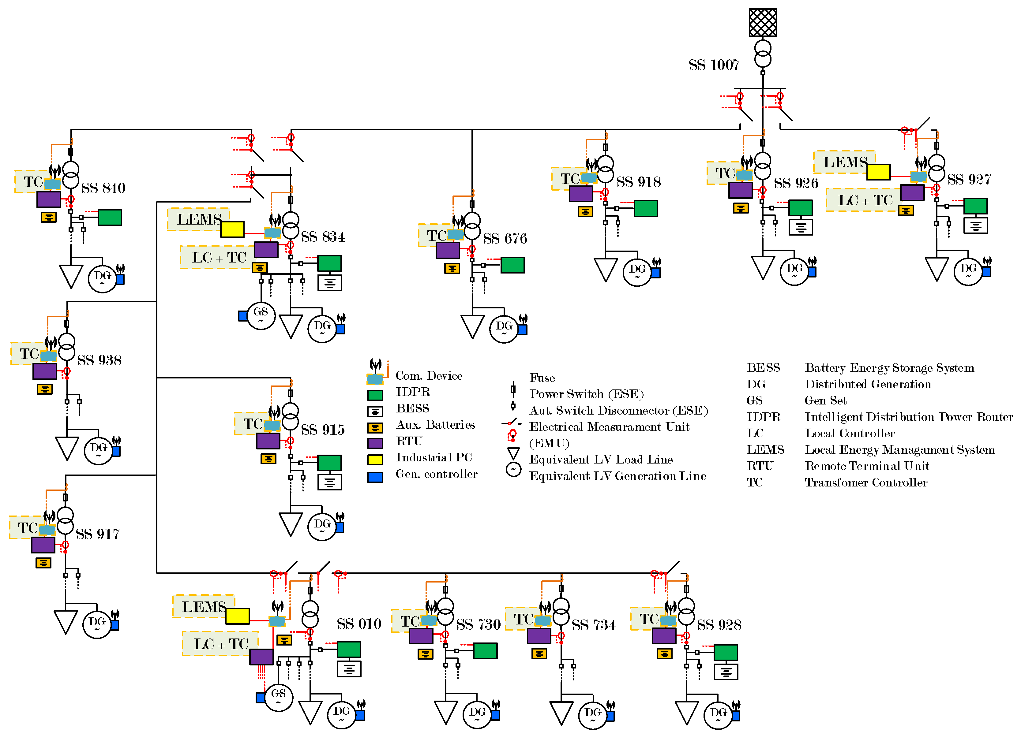
2. The Proposed Energy Management System for Rural Grids
3. The Global Energy Management System
3.1. Forecasts for the Whole System
3.2. Global Economic Optimization Formulation
- It optimizes the dispatch of active power for controllable elements in the network, assuming that the reactive power management is treated by the GTO.
- It assumes that the DN operates as a three-phase balanced system, so power flows among three phases of the DN are aggregated for optimization purposes. Such a balanced system is ensured by the action of the previously introduced IDPRs. The IDPR makes the unbalanced power flow downstream (i.e., in the low voltage network, where dispersed consumers and generators are located) as an aggregated balanced power flow upstream to be exchanged with the medium voltage DN.
- It also assumes that voltage levels remain in an acceptable range, thanks to the subsequent GTO actuation.
- It does not take into account the electrical losses of lines and transformers.
- It takes into account the performance of storage technologies. The efficiency in charging and discharging processes as well as the self-discharge phenomena are considered.
- The number and consumption of controllable loads is known.
- The number and output of programmable generators is known.
- The consumption and generation at SS feeder is aggregated, representing the behaviour of low voltage network.
3.2.1. The Input Data
3.2.2. Variables
3.2.3. GEO Constraints
3.2.4. The GEO Objective Function
3.3. Global Technical Optimization
- The DN voltages and currents are balanced.
- Consumption and generation profiles are aggregated at each SS’s feeder.
- The electrical loses of medium voltage lines and transformers are considered for optimization purposes.
3.3.1. The Input Data
3.3.2. Variables
3.3.3. GTO Constraints
3.3.4. The GTO Objective Function
4. Study Cases
4.1. Definition of Computational Scenarios
- Case (i): The DN neither includes IDPRs neither BESSs, nor management tools.
- Case (ii): The DN is equipped with IDPRs and BESSs, and the GEO, as a management tool.
- Case (iii): The DN is equipped with IDPRs and BESSs and the GTO, as a management tool.
- Case (iv): The DN is equipped with IDPRs and BESSs, as well as the GEO and the GTO as management tools.
4.2. Power Quality Indicators and Metrics
4.3. Simulation Results
5. Discussion of Results
5.1. SS Related Metrics
5.2. DN Related Metrics
5.3. Evaluation of Objective Functions
6. Conclusions
Acknowledgments
Author Contributions
Conflicts of Interest
Abbreviations
| ADG | Adjustable Distributed Generator |
| BESS/BS | Battery Energy Storage System |
| CDL | Controllable Distributed Load |
| DER | Distributed Energy Resources |
| DG | Distributed Generator |
| DL | Distributed Load |
| DN | Distribution Network |
| DSM | Demand-Side Management |
| DSO | Distribution System Operators |
| EG | External Grid |
| EMS | Energy Management System |
| GEMS | Global Energy Management System |
| GEO | Global Economic Optimization |
| GS | Diesel Generator |
| GTO | Global Technical Optimization |
| ICT | Infomation and Communation Technologies |
| IDPR | Intelligent Distribution Power Router |
| LC | Local Controller |
| LEMS | Local Energy Management System |
| MAS | Multi-Agents Systems |
| MILP | Mix Integer Lineal Programming |
| NCDG | Non-Controllable Distributed Generator |
| NCDL | Non-Controllable Distributed Load |
| NLP | Non-Lineal Programing |
| OPF | Optimal Power Flow |
| PADG | Programmable and Adjustable Distributed Generator |
| PDG | Programmable Distributed Generator |
| SCADA | Supervisory Control and Data Acquisition |
| SDG | Switchable Distributed Generator. |
| SG | Smart Grid |
| SoC | State of Charge |
| SS | Secondary Substation |
| TC | Transformer Controller |
| TSO | Transmission System Operator |
References
- Gómez-Expósito, A.; Conejo, A.J.; Cañizares, C. Electric Energy Systems: Analysis and Operation; CRC Press: Boca Raton, FL, USA, 2008. [Google Scholar]
- Saitoh, H.; Toyoda, J. A new electric power network for effective transportation of small power of dispersed generation plants. Electr. Eng. Jpn. 1996, 117, 19–29. [Google Scholar] [CrossRef]
- Rumley, S.; Kägi, E.; Rudnick, H.; Germond, A. Multi-agent Approach to Electrical Distribution Networks Control. In Proceedings of the 2008 32nd Annual IEEE International Computer Software and Applications Conference, Turku, Finland, 28 July–1 August 2008; pp. 575–580. [Google Scholar]
- Palensky, P.; Dietrich, D. Demand Side Management: Demand Response, Intelligent Energy Systems, and Smart Loads. IEEE Trans. Ind. Inform. 2011, 7, 381–388. [Google Scholar] [CrossRef]
- Strbac, G. Demand side management: Benefits and challenges. Energy Policy 2008, 36, 4419–4426. [Google Scholar] [CrossRef]
- Fang, X.; Misra, S.; Xue, G.; Yang, D. Smart Grid—The New and Improved Power Grid: A Survey. IEEE Commun. Surv. Tutor. 2012, 14, 944–980. [Google Scholar] [CrossRef]
- Gellings, C. The concept of demand-side management for electric utilities. Proc. IEEE 1985, 73, 1468–1470. [Google Scholar] [CrossRef]
- Markovic, D.S.; Zivkovic, D.; Branovic, I.; Popovic, R.; Cvetkovic, D. Smart power grid and cloud computing. Renew. Sustain. Energy Rev. 2013, 24, 566–577. [Google Scholar] [CrossRef]
- Suganthi, L.; Samuel, A.A. Energy models for demand forecasting—A review. Renew. Sustain. Energy Rev. 2012, 16, 1223–1240. [Google Scholar] [CrossRef]
- Zhang, B.; Lam, A.; Domínguez-García, A.; Tse, D. An Optimal and Distributed Method for Voltage Regulation in Power Distribution Systems. IEEE Trans. Power Syst. 2015, 30, 1714–1726. [Google Scholar] [CrossRef]
- Chen, C.; Duan, S.; Cai, T.; Liu, B.; Hu, G. Smart energy management system for optimal microgrid economic operation. IET Renew. Power Gener. 2011, 5, 258. [Google Scholar] [CrossRef]
- Roche, R.; Blunier, B.; Miraoui, A.; Hilaire, V.; Koukam, A. Multi-agent systems for grid energy management: A short review. In Proceedings of the IECON 2010—36th Annual Conference on IEEE Industrial Electronics Society, Singapore, 7–10 November 2010; pp. 3341–3346. [Google Scholar]
- Jebaraj, S.; Iniyan, S. A review of energy models. Renew. Sustain. Energy Rev. 2006, 10, 281–311. [Google Scholar] [CrossRef]
- Kantamneni, A.; Brown, L.E.; Parker, G.; Weaver, W.W. Survey of multi-agent systems for microgrid control. Eng. Appl. Artif. Intell. 2015, 45, 192–203. [Google Scholar] [CrossRef]
- McArthur, S.D.J.; Davidson, E.M.; Catterson, V.M.; Dimeas, A.L.; Hatziargyriou, N.D.; Ponci, F.; Funabashi, T. Multi-Agent Systems for Power Engineering Applications—Part I: Concepts, Approaches, and Technical Challenges. IEEE Trans. Power Syst. 2007, 22, 1743–1752. [Google Scholar] [CrossRef]
- Lu, D.; Francois, B. Strategic framework of an energy management of a microgrid with a photovoltaic-based active generator. In Proceedings of the 2009 8th International Symposium on Advanced Electromechanical Motion Systems & Electric Drives Joint Symposium, Lille, France, 1–3 July 2009; pp. 1–6. [Google Scholar]
- Kanchev, H.; Lu, D.; Colas, F.; Lazarov, V.; Francois, B. Energy Management and Operational Planning of a Microgrid with a PV-Based Active Generator for Smart Grid Applications. IEEE Trans. Ind. Electron. 2011, 58, 4583–4592. [Google Scholar] [CrossRef]
- Zhang, B.; Zhao, C.; Wu, W. A Multi-Agent based distributed computing platform for new generation of EMS. In Proceedings of the IEEE/PES Power Systems Conference and Exposition (PSCE), Seattle, WA, USA, 15–18 March 2009; pp. 1–7. [Google Scholar]
- Tsikalakis, A.G.; Hatziargyriou, N.D. Centralized control for optimizing microgrids operation. In Proceedings of the 2011 IEEE Power & Energy Society General Meeting, 24–29 July 2011; pp. 1–8. [Google Scholar]
- Pedrasa, M.A.A.; Spooner, T.D.; MacGill, I.F. Coordinated Scheduling of Residential Distributed Energy Resources to Optimize Smart Home Energy Services. IEEE Trans. Smart Grid 2010, 1, 134–143. [Google Scholar] [CrossRef]
- Dagdougui, H.; Minciardi, R.; Ouammi, A.; Robba, M.; Sacile, R. Modeling and optimization of a hybrid system for the energy supply of a “Green” building. Energy Convers. Manag. 2012, 64, 351–363. [Google Scholar] [CrossRef]
- Vahedi, H.; Noroozian, R.; Hosseini, S.H. Optimal management of MicroGrid using differential evolution approach. In Proceedings of the 2010 7th International Conference on the European Energy Market (EEM), Madrid, Spain, 23–25 June 2010; pp. 1–6. [Google Scholar]
- Paiva, J.; Carvalho, A. Controllable hybrid power system based on renewable energy sources for modern electrical grids. Renew. Energy 2013, 53, 271–279. [Google Scholar] [CrossRef]
- Alvarez, E.; Lopez, A.C.; Gomez-Aleixandre, J.; de Abajo, N. On-line minimization of running costs, greenhouse gas emissions and the impact of distributed generation using microgrids on the electrical system. In Proceedings of the 2009 IEEE PES/IAS Conference on Sustainable Alternative Energy (SAE), Valencia, Spain, 28–30 September 2009; pp. 1–10. [Google Scholar]
- Conti, S.; Nicolosi, R.; Rizzo, S.A.; Zeineldin, H.H. Optimal Dispatching of Distributed Generators and Storage Systems for MV Islanded Microgrids. IEEE Trans. Power Deliv. 2012, 27, 1243–1251. [Google Scholar] [CrossRef]
- Olivares, D.E.; Canizares, C.A.; Kazerani, M. A Centralized Energy Management System for Isolated Microgrids. IEEE Trans. Smart Grid 2014, 5, 1864–1875. [Google Scholar] [CrossRef]
- Riffonneau, Y.; Bacha, S.; Barruel, F.; Ploix, S. Optimal Power Flow Management for Grid Connected PV Systems with Batteries. IEEE Trans. Sustain. Energy 2011, 2, 309–320. [Google Scholar] [CrossRef]
- Levron, Y.; Guerrero, J.M.; Beck, Y. Optimal Power Flow in Microgrids with Energy Storage. IEEE Trans. Power Syst. 2013, 28, 3226–3234. [Google Scholar] [CrossRef]
- Nikolova, S.; Causevski, A.; Al-Salaymeh, A. Optimal operation of conventional power plants in power system with integrated renewable energy sources. Energy Convers. Manag. 2013, 65, 697–703. [Google Scholar] [CrossRef]
- Lund, H. Renewable energy strategies for sustainable development. Energy 2007, 32, 912–919. [Google Scholar] [CrossRef]
- Karavas, C.S.; Kyriakarakos, G.; Arvanitis, K.G.; Papadakis, G. A multi-agent decentralized energy management system based on distributed intelligence for the design and control of autonomous polygeneration microgrids. Energy Convers. Manag. 2015, 103, 166–179. [Google Scholar] [CrossRef]
- Basir Khan, M.R.; Jidin, R.; Pasupuleti, J. Multi-agent based distributed control architecture for microgrid energy management and optimization. Energy Convers. Manag. 2016, 112, 288–307. [Google Scholar] [CrossRef]
- Dou, C.X.; Liu, B. Multi-Agent Based Hierarchical Hybrid Control for Smart Microgrid. IEEE Trans. Smart Grid 2013, 4, 771–778. [Google Scholar] [CrossRef]
- Zhang, X.; Sharma, R.; He, Y. Optimal energy management of a rural microgrid system using multi-objective optimization. In Proceedings of the 2012 IEEE PES Innovative Smart Grid Technologies (ISGT), Washington, DC, USA, 16–20 January 2012; pp. 1–8. [Google Scholar]
- Arghandeh, R.; Woyak, J.; Onen, A.; Jung, J.; Broadwater, R.P. Economic optimal operation of Community Energy Storage systems in competitive energy markets. Appl. Energy 2014, 135, 71–80. [Google Scholar] [CrossRef]
- Celli, G.; Pilo, F.; Pisano, G.; Soma, G.G. Optimal participation of a microgrid to the energy market with an intelligent EMS. In Proceedings of the 2005 7th International Power Engineering Conference, Singapore, 29 November–2 December 2005; Volume 2, pp. 663–668. [Google Scholar]
- Sugihara, H.; Yokoyama, K.; Saeki, O.; Tsuji, K.; Funaki, T. Economic and Efficient Voltage Management Using Customer-Owned Energy Storage Systems in a Distribution Network with High Penetration of Photovoltaic Systems. IEEE Trans. Power Syst. 2013, 28, 102–111. [Google Scholar] [CrossRef]
- Hatziargyriou, N.; Contaxis, G.; Matos, M.; Lopes, J.; Kariniotakis, G.; Mayer, D.; Halliday, J.; Dutton, G.; Dokopoulos, P.; Bakirtzis, A.; et al. Energy management and control of island power systems with increased penetration from renewable sources. In Proceedings of the Power Engineering Society Winter Meeting, New York, NY, USA, 27–31 January 2002; Volume 1, pp. 335–339. [Google Scholar]
- Shi, W.; Li, N.; Chu, C.C.; Gadh, R. Real-Time Energy Management in Microgrids. IEEE Trans. Smart Grid 2017, 8, 228–238. [Google Scholar] [CrossRef]
- Heredero-Peris, D.; Chillon-Anton, C.; Pages-Gimenez, M.; Gross, G.; Montesinos-Miracle, D. Implementation of grid-connected to/from off-grid transference for micro-grid inverters. In Proceedings of the IECON 2013—39th Annual Conference of the IEEE Industrial Electronics Society, Vienna, Austria, 10–13 November 2013; pp. 840–845. [Google Scholar]
- Heredero-Peris, D.; Montesinos-Miracle, D.; Pagès-Giménez, M. Inverter design for four-wire microgrids. In Proceedings of the 2015 17th European Conference on Power Electronics and Applications (EPE’15 ECCE-Europe), Geneva, Switzerland, 8–10 September 2015; pp. 1–10. [Google Scholar]
- Girbau-Llistuella, F.; Rodriguez-Bernuz, J.; Prieto-Araujo, E.; Sumper, A. Experimental Validation of a Single Phase Intelligent Power Router. In Proceedings of the 2014 IEEE PES Innovative Smart Grid Technologies Conference Europe (ISGT-Europe), Istanbul, Turkey, 12–15 October 2014; pp. 1–6. [Google Scholar]
- Electric Reliability Council of Texas. Real-Time Market. Available online: http://www.ercot.com/mktinfo/rtm (accessed on 14 September 2017).
- Dynamic Pricing in Electricity Supply. Available online: http://www.eurelectric.org/media/309103/dynamic_pricing_in_electricity_supply-2017-2520-0003-01-e.pdf (accessed on 14 September 2017).
- Ministerio de Ciencia y Tecnologia. Available online: https://www.boe.es/boe/dias/2002/09/18/pdfs/A33084-33086.pdf (accessed on 12 December 2016).
- Project Deliverables. Smart Rural Grid Project. Available online: http://smartruralgrid.eu/archive_category/project-deliverables/ (accessed on 1 February 2017).
- AENOR. Norma UNE-EN 50160:2011. Available online: http://www.aenor.es/aenor/normas/normas/fichanorma.asp?tipo=N&codigo=N0046945#.WSwy-mjyjcs (accessed on 29 May 2017).
- Bezanson, J.; Edelman, A.; Karpinski, S.; Shah, V.B. Julia: A fresh approach to numerical computing. SIAM Rev. 2017, 59, 65–98. [Google Scholar] [CrossRef]
- High-Performance Dynamic Programing Language for Numerical Computing. Available online: https://julialang.org/ (accessed on 10 April 2017).
- Dunning, I.; Huchette, J.; Lubin, M. JuMP: A modeling language for mathematical optimization. SIAM Rev. 2017, 59, 295–320. [Google Scholar] [CrossRef]
- Gurobi Optimizer Reference Manual. Available online: http://www.gurobi.com (accessed on 10 April 2017).
- Wächter, A.; Biegler, L.T. On the implementation of an interior-point filter line-search algorithm for large-scale nonlinear programming. Math. Program. 2005, 106, 25–57. [Google Scholar] [CrossRef]
- The MathWorks—MATLAB. Available online: https://mathworks.com/products/matlab.html (accessed on 10 April 2017).











| Data | Description |
|---|---|
| T | Set of time periods {} |
| S | Set of locations {} |
| L | Set of distributed loads {} |
| Subset of CDL {} | |
| G | Set of distributed generation {} |
| Subset of SDG {} | |
| Subset of ADG. {} | |
| Subset of PDG. {} | |
| Subset of PADG {} | |
| B | Set of BESSs {} |
| Data | Description |
|---|---|
| Interval of time (h). | |
| Rated power of EG transformer (kW). | |
| Rated power of transformer from SS s (kW), . |
| Data | Description |
|---|---|
| Cost of energy non-supplied to DLs (also NCDGs) at time t (€/kWh), . | |
| Cost of energy imported from EG at time t (€/kWh), . | |
| Cost per energy non-generated by SDGs at time t (€/kWh), . | |
| Cost per energy non-generated by ADGs at time t (€/kWh), . | |
| Cost per energy non-generated by PDGs (€/kWh). | |
| Cost per litre of fuel for generator g in a SS s (€/l), . |
| Data | Description |
|---|---|
| Energy consumed by Non-Controlled Load (NCDL) from SS s at time t (kWh), . | |
| Energy consumed by IDPRs from SS s at time t (kWh), . | |
| Rated power of CDL l from SS s (kW), . | |
| Number of steps required by CDL from SS s (-), . | |
| Start-up time of CDL l from SS s (h), . | |
| End time of CDL l from SS s (h), . |
| Data | Description |
|---|---|
| Power generated by NCDG from SS s at time t (kW), . | |
| Power generated by SDG g from SS s at time t (kW), . | |
| Power generated by ADG g from SS s at time t (kW), . | |
| Power generated by SDG g from SS s at time t (kW), . | |
| Rated power of PDG g from SS s (kW), . | |
| Number of steps required by PDG i from SS s (-), . | |
| Start-up time of PDG g from SS s (h), . | |
| End time of PDG g from SS s (h), . | |
| Lower rated power of PADG g from SS s (kW), . | |
| Upper rated power of PADG g from SS s (kW), . | |
| Fuel consumption related to the operation of PADG g from SS s (l/kW), . | |
| Fuel consumption related to the output of PADG g from SS s (l/kW), . | |
| Lower fuel consumption limit of PADG g from SS s (l), . | |
| Upper fuel consumption limit of PADG g from SS s (l), . |
| Data | Description |
|---|---|
| Rated power of BESS b from SS s (kW), . | |
| Lower SoC limit of BESS b from SS s at time t, . | |
| Upper SoC limit of BESS b from SS s at time t, . | |
| Capacity of BESS b from SS s (kWh), . | |
| Initial SoC of BESS b from SS s, . | |
| Self-discharging performance of BESS b from SS s, . | |
| Charging performance of BESS b from SS s, . | |
| Discharging performance of BESS b from SS s, . |
| Variable | Description |
|---|---|
| Energy exchanged by a SS s at time t (kWh), | |
| Energy consumed by all DLs associated to a SS s at time t (kWh), | |
| Energy generated by all DGs associated to a SS s at time t (kWh), | |
| Energy provided by all BESSs associated to a SS s at time t (kWh), | |
| Energy imported from the EG at time t (kWh), | |
| Energy exported to the EG at time t (kWh), | |
| Boolean variable indicating that the systems is importing energy from the EG at time t (-), |
| Variable | Description |
|---|---|
| Energy consumed by all CDLs associated to a SS s at time t (kWh), | |
| Boolean variable indicating that the CDL l associated to a SS s is consuming energy at time t (-), t, | |
| Energy not supplied to DLs associated to a SS s at time t (kWh), |
| Variable | Description |
|---|---|
| Energy generated by all SDGs associated to a SS s at time t (kWh), | |
| Energy generated by all ADGs associated to a SS s at time t (kWh), | |
| Energy generated by all PADGs associated to a SS s at time t (kWh), | |
| Energy not supplied by NCDGs associated to a SS s at time t (kWh), | |
| Boolean variable indicating that the SDG g associated to a SS s is generating energy at time t (-), | |
| Energy not generated by SDGs associated to a SS s at time t (kWh), | |
| Proportion of energy generated by the ADG g associated to a SS s at time t (kWh), | |
| Energy not generated by ADGs associated to a SS s at time t (kWh), | |
| Boolean variable indicating that the PDG g associated to a SS s is generating energy at time t (kWh), | |
| Energy not generated by PDGs associated to a SS s (kWh), | |
| Boolean variable indicating that the PADG g associated to a SS s is generating energy at time t (-), | |
| Proportion of energy consumed by PADG g associated to a SS s at time t (-), | |
| Fuel consumed PADG g associated to a SS s (l), | |
| Fuel saved by PADG g associated to a SS s (l), |
| Variable | Description |
|---|---|
| Energy consumed by BESS b associated to a SS s at time t (kWh), | |
| Energy discharged from BESS b associated to a SS s at time t (kWh), | |
| State of Charge of BESS b associated to a SS s at time t (-), |
| Data | Description |
|---|---|
| N | Set of nodes (all types) |
| Subset of nodes from N that correspond to SSs. | |
| Subset of a node from N that corresponds to EG. |
| Data | Description |
|---|---|
| Weighting factor. | |
| Real part of admittance between node b and node c (S), . | |
| Imaginary part of admittance between node b and node c (S), . |
| Data | Description |
|---|---|
| Voltage module of EG node c (kV), . | |
| Voltage angle of EG node c (kV), . | |
| Rated power of EG transformer from node c (kVA), . |
| Data | Description |
|---|---|
| Rated power of transformer from node c (kVA), . | |
| Rated power of IDPR from node c (kVA), . | |
| Desired voltage module for SS node c (kV), . | |
| Active power consumed in node (includes the power consumed by NCDL, CDL and IDPRs) c (kW), . | |
| Reactive power consumed in node (includes the power consumed by NCDL and CDL) c (kvar), . | |
| Minimum threshold value for active power generation from DGs (NCDG) at node c (kW), . | |
| Maximum threshold value for active power generation from DGs (total) at node c (kW), . | |
| Minimum threshold value for active power generation from BESSs (charging) at node c (kW), . | |
| Maximum threshold value for active power generation from BESSs (discharging) at node c (kW), . |
| Variable | Description |
|---|---|
| Voltage module for node c (kV), | |
| Voltage angle for node c (rad), | |
| Total active power from node c (kW), | |
| Total reactive power from node c (kvar), |
| Variable | Description |
|---|---|
| Imported active power from the EG (kW) | |
| Imported reactive power from the EG (kvar) |
| Variable | Description |
|---|---|
| Voltage excess for node c (kV), | |
| Active power generated by DGs in node c (kW), | |
| Active power injected by BESSs in node c (kW), | |
| Reactive power generated by IDPRs in node c (kvar), |
| Indicator | Description |
|---|---|
| Daily voltage variation at SS s (%), | |
| Daily reactive power respect to consumptions at SS s (%), | |
| Daily useful energy stored in BESSs at SS s (%), | |
| Daily curtailed from DGs at SS s (%), |
| Indicator | Description |
|---|---|
| Daily distribution electrical losses (passive elements) (%) | |
| Daily electrical consumption of IDPRs (active elements) (%) | |
| Daily energy imported from the EG (%) |
| Case | Level of Penetration | ||||||||||
|---|---|---|---|---|---|---|---|---|---|---|---|
| 10% | 20% | 30% | 40% | 50% | |||||||
| Mean | Peak | Mean | Peak | Mean | Peak | Mean | Peak | Mean | Peak | ||
| [%] | [%] | [%] | [%] | [%] | [%] | [%] | [%] | [%] | [%] | ||
| (i) | 2.585 | 4.896 | 2.745 | 5.899 | 3.176 | 7.557 | 3.714 | 9.189 | 4.234 | 10.767 | |
| (ii) | 2.256 | 4.665 | 2.752 | 6.255 | 2.824 | 7.574 | 3.682 | 9.846 | 4.793 | 14.732 | |
| (iii) | 2.288 | 4.361 | 2.440 | 5.091 | 2.286 | 5.112 | 2.287 | 4.985 | 1.871 | 4.558 | |
| (iv) | 2.093 | 4.050 | 2.516 | 5.915 | 2.373 | 5.684 | 2.048 | 5.235 | 1.638 | 4.300 | |
| (i) | 90.486 | 84.547 | 90.486 | 84.547 | 90.486 | 84.547 | 90.486 | 84.547 | 90.486 | 84.547 | |
| (ii) | 90.486 | 84.547 | 90.486 | 84.547 | 90.486 | 84.547 | 90.486 | 84.547 | 90.486 | 84.547 | |
| (iii) | 98.964 | 89.203 | 98.383 | 89.203 | 92.328 | 82.624 | 87.535 | 77.808 | 79.032 | 63.563 | |
| (iv) | 98.96 | 89.203 | 98.566 | 89.203 | 95.920 | 89.203 | 87.004 | 72.431 | 78.175 | 60.636 | |
| (i) | 0 | 0 | 0 | 0 | 0 | 0 | 0 | 0 | 0 | 0 | |
| (ii) | 0 | 0 | 0 | 0 | 0 | 0 | 11.369 | 39.654 | 27.426 | 66.883 | |
| (iii) | 0.001 | 0.005 | 0.260 | 2.186 | 18.175 | 75.727 | 31.123 | 137.399 | 39.612 | 110.192 | |
| (iv) | 0.001 | 0.004 | 0.201 | 2.429 | 2.736 | 14.936 | 27.509 | 125.810 | 62.720 | 210.840 | |
| (i) | 0 | 0 | 0 | 0 | 0 | 0 | 0 | 0 | 0 | 0 | |
| (ii) | 0 | 0 | 0 | 0 | 0 | 0 | 0 | 0 | 0 | 0 | |
| (iii) | 0 | 0.001 | 0.005 | 0.027 | 1.219 | 5.362 | 6.865 | 19.126 | 12.897 | 32.197 | |
| (iv) | 0 | 0.001 | 0.011 | 0.095 | 0.398 | 3.105 | 2.044 | 8.030 | 8.251 | 20.019 | |
| Case | Level of Penetration | |||||
|---|---|---|---|---|---|---|
| 10% | 20% | 30% | 40% | 50% | ||
| Rate [%] | Rate [%] | Rate [%] | Rate [%] | Rate [%] | ||
| (i) | 1.937 | 1.377 | 1.118 | 1.111 | 1.361 | |
| (ii) | 1.977 | 1.419 | 1.024 | 1.054 | 1.53 | |
| (iii) | 1.660 | 1.095 | 1.172 | 1.461 | 2.559 | |
| (iv) | 1.623 | 1.083 | 0.844 | 1.453 | 2.594 | |
| (i) | 0 | 0 | 0 | 0 | 0 | |
| (ii) | 3.329 | 3.329 | 3.329 | 4.276 | 5.076 | |
| (iii) | 3.329 | 3.361 | 4.443 | 5.143 | 5.874 | |
| (iv) | 3.329 | 3.360 | 3.580 | 4.803 | 6.793 | |
| (i) | 85.934 | 63.543 | 46.158 | 32.293 | 23.199 | |
| (ii) | 88.380 | 65.980 | 44.353 | 23.063 | 13.066 | |
| (iii) | 88.985 | 66.614 | 47.257 | 31.173 | 22.667 | |
| (iv) | 88.948 | 66.603 | 45.599 | 26.468 | 18.153 | |
| (i) | 1.937 | 1.377 | 1.118 | 1.111 | 1.361 | |
| (ii) | 5.306 | 4.748 | 4.353 | 5.330 | 6.610 | |
| (iii) | 4.989 | 4.456 | 5.615 | 6.604 | 8.433 | |
| (iv) | 4.952 | 4.444 | 4.424 | 6.257 | 9.387 | |
| QIC | Case | Level of Penetration | ||||
|---|---|---|---|---|---|---|
| 10% | 20% | 30% | 40% | 50% | ||
| Sol. [€/day] | Sol. [€/day] | Sol. [€/day] | Sol. [€/day] | Sol. [€/day] | ||
| (i) | 158.636 | 117.399 | 85.223 | 59.395 | 42.485 | |
| (ii) | 161.916 | 120.658 | 81.036 | 41.792 | 23.410 | |
| (iii) | 164.239 | 123.044 | 87.395 | 57.443 | 42.975 | |
| (iv) | 162.870 | 121.721 | 83.337 | 48.050 | 33.683 | |
| Sol. [] | Sol. [] | Sol. [] | Sol. [] | Sol. [] | ||
| (i) | 33.737 | 20.718 | 13.262 | 10.397 | 12.435 | |
| (ii) | 34.754 | 21.840 | 11.705 | 7.582 | 12.295 | |
| (iii) | 35.953 | 22.360 | 13.092 | 6.923 | 4.286 | |
| (iv) | 35.333 | 22.360 | 12.030 | 5.598 | 2.947 | |
© 2017 by the authors. Licensee MDPI, Basel, Switzerland. This article is an open access article distributed under the terms and conditions of the Creative Commons Attribution (CC BY) license (http://creativecommons.org/licenses/by/4.0/).
Share and Cite
Girbau-LListuella, F.; Díaz-González, F.; Sumper, A. Optimization of the Operation of Smart Rural Grids through a Novel Energy Management System. Energies 2018, 11, 9. https://doi.org/10.3390/en11010009
Girbau-LListuella F, Díaz-González F, Sumper A. Optimization of the Operation of Smart Rural Grids through a Novel Energy Management System. Energies. 2018; 11(1):9. https://doi.org/10.3390/en11010009
Chicago/Turabian StyleGirbau-LListuella, Francesc, Francisco Díaz-González, and Andreas Sumper. 2018. "Optimization of the Operation of Smart Rural Grids through a Novel Energy Management System" Energies 11, no. 1: 9. https://doi.org/10.3390/en11010009
APA StyleGirbau-LListuella, F., Díaz-González, F., & Sumper, A. (2018). Optimization of the Operation of Smart Rural Grids through a Novel Energy Management System. Energies, 11(1), 9. https://doi.org/10.3390/en11010009

