Biodigesters for Sustainable Food Waste Management
Abstract
1. Introduction
2. Health Hazards of Food Waste
2.1. Microbial Contamination
2.2. Leachate in Landfills
2.3. Air Quality Degradation
2.4. Attraction of Disease Vectors
3. Environmental Impact of Food Waste Concerning Municipal Solid Waste (MSW)
4. Biodigesters as a Solution to Health and Environmental Hazards
4.1. Microbial Interaction, Process Optimization, and Biogas Yield in Anaerobic Digestion
4.2. Operational Procedures and Mechanisms
4.2.1. Organic Loading Rate
4.2.2. Anaerobic Digestor Tank
4.2.3. Microbial Decomposition and Optimization
4.2.4. Inoculation Optimization
4.2.5. Biogas Production
5. Biogas and Digestate Utilization
6. Microbial Sources for Biodigesters
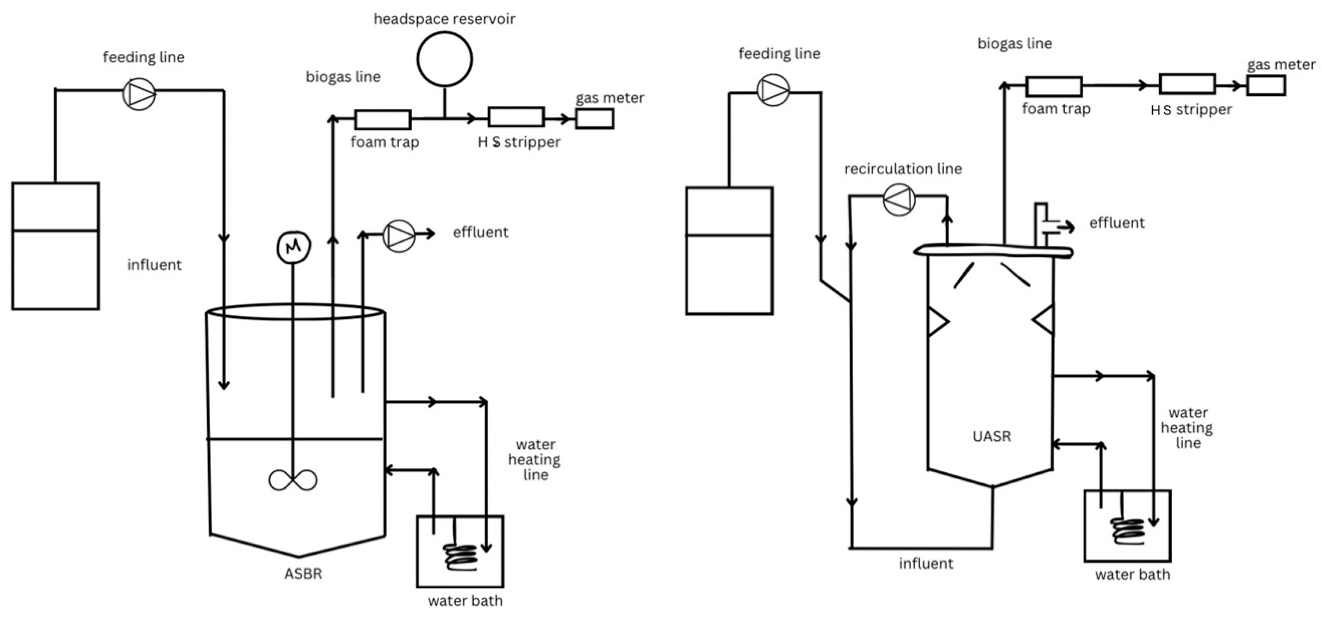
7. Types of Biodigesters
7.1. One-Stage Anaerobic Digestion
7.2. Two-Stage Anaerobic Digestion
8. Pros and Cons of Biodigesters
8.1. Positive Impacts
8.2. Negative Impacts
9. Case Studies
10. Key Challenges and Considerations
10.1. Operational Limitations
10.2. Feedstock Availability
10.3. Economic Viability
10.4. Temperature Control
10.5. Climate Justice
10.6. Global Expansion and Adoption
11. Future Prospects and Research Areas
11.1. Improving Biodigester Efficiency
11.2. Development of Biogas Purification Technologies
11.3. Exploring Novel Feedstock Sources
12. Summary and Conclusions
Author Contributions
Funding
Institutional Review Board Statement
Informed Consent Statement
Data Availability Statement
Acknowledgments
Conflicts of Interest
References
- Igini, M. 10 Food Waste Statistics in America. 2022. Available online: https://earth.org/food-waste-in-america/#:~:text=Food%20goes%20to%20waste%20at,66%20billion%20pounds)%20every%20year (accessed on 21 February 2025).
- WWF. Driven to Waste: The Global Impact of Food Loss and Waste on Farms Publications| WWF. World Wildlife Fund. 2021. Available online: https://www.worldwildlife.org/publications/driven-to-waste-the-global-impact-of-food-loss-and-waste-on-farms (accessed on 1 December 2024).
- RTS. Food Waste in America in 2024: Statistics & Facts. Recycle Track Systems. 2024. Available online: https://www.rts.com/resources/guides/food-waste-america/ (accessed on 1 December 2024).
- Buzby, J. Food Waste and Its Links to Greenhouse Gases and Climate Change. Usda.gov. 2022. Available online: https://www.usda.gov/about-usda/news/blog/2022/01/24/food-waste-and-its-links-greenhouse-gases-and-climate-change (accessed on 1 December 2024).
- Manyi-Loh, C.; Mamphweli, S.; Meyer, E.; Okoh, A.; Makaka, G.; Simon, M. Microbial Anaerobic Digestion (Bio-Digesters) as an Approach to the Decontamination of Animal Wastes in Pollution Control and the Generation of Renewable Energy. Int. J. Environ. Res. Public Health 2013, 10, 4390–4417. [Google Scholar] [CrossRef] [PubMed]
- CDC Food Outbreak. Available online: https://www.cdc.gov/foodborne-outbreaks/index.html (accessed on 1 December 2024).
- EFSA Panel on Biological Hazards (BIOHAZ); Ricci, A.; Allende, A.; Bolton, D.; Chemaly, M.; Davies, R.; Fernández Escámez, P.S.; Girones, R.; Herman, L.; Koutsoumanis, K.; et al. Listeria monocytogenes contamination of ready-to-eat foods and the risk for human health in the EU. EFSA J. 2018, 16, e05134. [Google Scholar]
- Luisa, B.G. Making Safe Food: A Management Guide for Microbiological Quality; Academic Press: Cambridge, MA, USA, 2012. [Google Scholar]
- de la Caba, K.; Guerrero, P.; Trung, T.S.; Cruz-Romero, M.; Kerry, J.P.; Fluhr, J.; Maurer, M.; Kruijssen, F.; Albalat, A.; Bunting, S.; et al. From seafood waste to active seafood packaging: An emerging opportunity of the circular economy. J. Clean. Prod. 2019, 208, 86–98. [Google Scholar]
- Kliemann, N.; Al Nahas, A.; Vamos, E.P.; Touvier, M.; Kesse-Guyot, E.; Gunter, M.J.; Millett, C.; Huybrechts, I. Ultra-processed foods and cancer risk: From global food systems to individual exposures and mechanisms. Br. J. Cancer 2022, 127, 14–20. [Google Scholar] [PubMed]
- Anastasiou, K.; Baker, P.; Hadjikakou, M.; Hendrie, G.A.; Lawrence, M. A conceptual framework for understanding the environmental impacts of ultra-processed foods and implications for sustainable food systems. J. Clean. Prod. 2022, 368, 133155. [Google Scholar]
- Kadariya, J.; Smith, T.C.; Thapaliya, D. Staphylococcus aureus and staphylococcal food-borne disease: An ongoing challenge in public health. BioMed Res. Int. 2014, 2014, 827965. [Google Scholar]
- Bryan, F.L. Factors that contribute to outbreaks of foodborne disease. J. Food Prot. 1978, 41, 816–827. [Google Scholar]
- Lima Tribst, A.A.; de Souza Sant’Ana, A.; de Massaguer, P.R. Microbiological quality and safety of fruit juices—Past, present and future perspectives. Crit. Rev. Microbiol. 2009, 35, 310–339. [Google Scholar]
- Kereng, M.C. Diversity Profiling and Rapid Detection of Spoilage Yeasts in a Typical Fruit Juice Bottling Factory; Central University of Technology, Free State: Bloemfontein, South Africa, 2016. [Google Scholar]
- Hsu, S.-C.; Chen, H.-L.; Chou, C.-F.; Liu, W.-C.; Wu, C.-T. Characterization of microbial contamination of retail washed and unwashed shell eggs in Taiwan. Food Control 2023, 149, 109718. [Google Scholar]
- Rajendran, K.; Aslanzadeh, S.; Taherzadeh, M.J. Household biogas digesters—A review. Energies 2012, 5, 2911–2942. [Google Scholar] [CrossRef]
- Haulla. Available online: https://www.haulla.com/blog/how-much-does-commercial-waste-collection-cost (accessed on 1 December 2024).
- Meegoda, J.N.; De Souza, B.B. Briefing: Sustainable management of municipal solid waste without food waste. J. Environ. Eng. Sci. 2020, 15, 48–51. [Google Scholar]
- Meegoda, J.; Li, B.; Patel, K.; Wang, L. A Review of the Processes, Parameters, and Optimization of Anaerobic Digestion. Int. J. Environ. Res. Public Health 2018, 15, 2224. [Google Scholar] [CrossRef] [PubMed]
- Ishaq, M.; Ishaq, H. Performance assessment of biogas-fed solid oxide fuel cell system for municipal solid waste treatment. J. Clean. Prod. 2022, 354, 131702. [Google Scholar]
- Abad, V.; Avila, R.; Vicent, T.; Font, X. Promoting circular economy in the surroundings of an organic fraction of municipal solid waste AD treatment plant: Biogas production impact and economic factors. Bioresour. Technol. 2019, 283, 10–17. [Google Scholar]
- Bong, C.P.C.; Ho, W.S.; Hashim, H.; Lim, J.S.; Ho, C.S.; Tan, W.S.P.; Lee, C.T. Review on the renewable energy and solid waste management policies towards biogas development in Malaysia. Renew. Sustain. Energy Rev. 2017, 70, 988–998. [Google Scholar]
- Morero, B.; Vicentin, R.; Campanella, E.A. Assessment of biogas production in Argentina from co-digestion of sludge and municipal solid waste. Waste Manag. 2017, 61, 195–205. [Google Scholar]
- Ferdeș, M.; Zăbavă, B.Ș.; Paraschiv, G.; Ionescu, M.; Dincă, M.N.; Moiceanu, G. Food Waste Management for Biogas Production in the Context of Sustainable Development. Energies 2022, 15, 6268. [Google Scholar] [CrossRef]
- Thakali, A.; MacRae, J.D. A review of chemical and microbial contamination in food: What are the threats to a circular food system? Environ. Res. 2021, 194, 110635. [Google Scholar]
- Karanth, S.; Feng, S.; Patra, D.; Pradhan, A.K. Linking microbial contamination to food spoilage and food waste: The role of smart packaging, spoilage risk assessments, and date labeling. Front. Microbiol. 2023, 14, 1198124. [Google Scholar]
- Centers for Disease Control and Prevention (CDC). About Food Safety. Food Safety. 2024. Available online: https://www.cdc.gov/food-safety/about/?CDC_AAref_Val=https://www.cdc.gov/foodsafety/foodborne-germs.html (accessed on 1 December 2024).
- Food and Drug Administration (FDA). Escherichia coli (E. coli). U.S. Food and Drug Administration. 2019. Available online: https://www.fda.gov/food/foodborne-pathogens/escherichia-coli-e-coli (accessed on 1 December 2024).
- Centers for Disease Control and Prevention (CDC). About Listeria Infection. Listeria Infection (Listeriosis). 2024. Available online: https://www.cdc.gov/listeria/about/index.html (accessed on 1 December 2024).
- Food and Agricultural Organization (FAO). Food Loss and Waste Database. Food and Agriculture Organization of the United Nations. 2021. Available online: https://www.fao.org/platform-food-loss-waste/flw-data/en/ (accessed on 1 December 2024).
- United States Environmental Protectation Agency (USEPA). Basic Information About Landfill Gas. US EPA. United States Environmental Protection Agency. 2019. Available online: https://www.epa.gov/lmop/basic-information-about-landfill-gas (accessed on 1 December 2024).
- Boušková, A.; Dohányos, M.; Schmidt, J.E.; Angelidaki, I. Strategies for changing temperature from mesophilic to thermophilic conditions in anaerobic CSTR reactors treating sewage sludge. Water Res. 2005, 39, 1481–1488. [Google Scholar]
- Espinoza, R. How Does Leachate Contaminate Our Water Supply? 2020. Available online: https://blog.idrenvironmental.com/how-does-leachate-contaminate-our-water-supply (accessed on 1 December 2024).
- Parvin, F.; Tareq, S.M. Impact of landfill leachate contamination on surface and groundwater of Bangladesh: A systematic review and possible public health risks assessment. Appl. Water Sci. 2021, 11, 100. [Google Scholar] [CrossRef] [PubMed]
- Rudziak, P.; Batung, E.; Luginaah, I. The effects of gases from food waste on human health: A systematic review. PLoS ONE 2024, 19, e0300801. [Google Scholar] [CrossRef] [PubMed]
- Edwards, C. The World Wastes More Than 1 Billion Meals Every Day as Hundreds of Millions Go Hungry, UN Report Finds. CNN. 2024. Available online: https://edition.cnn.com/2024/03/27/climate/un-food-waste-one-billion-meals-intl/index.html (accessed on 1 December 2024).
- Wang, Z.; Liang, Z.; Li, G.; An, T. Odorous organic gas emission characteristics from cooked food wastes during aerobic decomposition. J. Clean. Prod. 2023, 434, 139961. [Google Scholar] [CrossRef]
- Oh, H.Y.P.; Humaidi, M.; Chan, Q.Y.; Yap, G.; Ang, K.Y.; Tan, J.; Ng, L.C.; Mailepessov, D. Association of rodents with man-made infrastructures and food waste in Urban Singapore. Infect. Ecol. Epidemiol. 2022, 12, 2016560. [Google Scholar] [CrossRef]
- Levine, O.S.; Levine, M.M. Houseflies (Musca domestica) as mechanical vectors of shigellosis. Rev. Infect. Dis. 1991, 13, 688–696. [Google Scholar] [CrossRef]
- Muhammad Nasir, I.; Mohd Ghazi, T.I.; Omar, R. Production of biogas from solid organic wastes through AD: A review. Appl. Microbiol. Biotechnol. 2012, 95, 321–329. [Google Scholar] [CrossRef]
- Alibardi, L.; Cossu, R. Composition variability of the organic fraction of municipal solid waste and effects on hydrogen and methane production potentials. Waste Manag. 2015, 36, 147–155. [Google Scholar] [CrossRef]
- Cusworth, D.H.; Duren, R.M.; Ayasse, A.K.; Jiorle, R.; Howell, K.; Aubrey, A.; Green, R.O.; Eastwood, M.L.; Chapman, J.W.; Thorpe, A.K.; et al. Quantifying methane emissions from United States landfills. Science 2024, 383, 1499–1504. [Google Scholar] [CrossRef]
- Mills, R. Waste Methane 101: Driving Emissions Reductions from Landfills. RMI. 2023. Available online: https://rmi.org/waste-methane-101-driving-emissions-reductions-from-landfills/ (accessed on 1 December 2024).
- Abbasi, T.; Tauseef, S.M.; Abbasi, S.A. Anaerobic digestion for global warming control and energy generation—An overview. Renew. Sustain. Energy Rev. 2012, 16, 3228–3242. [Google Scholar] [CrossRef]
- Max, K.; Shannon, K.; Jenny, S. Quantifying Methane Emissions from Landfilled Food Waste; US Environmental Protection Agency (EPA): Washington, DC, USA, 2023; pp. 1–31. [Google Scholar]
- US Environmental Protection Agency. Nutrient Control Design Manual: State of Technology Review Report; EPA/600/R-09/012 EPA/600/R-09/012; US Environmental Protection Agency: Washington, DC, USA, 2009. [Google Scholar]
- Zhou, L.; Hülsemann, B.; Cui, Z.; Merkle, W.; Sponagel, C.; Zhou, Y.; Guo, J.; Dong, R.; Müller, J.; Oechsner, H. Operating Performance of Full-Scale Agricultural Biogas Plants in Germany and China: Results of a Year-Round Monitoring Program. Appl. Sci. 2021, 11, 1271. [Google Scholar] [CrossRef]
- Palma, A.; Matamoros, G.; Escobar, D.; Sánchez, A.L.; Fontecha, G. Absence of mutations associated with resistance to benzimidazole in the beta-tubulin gene of Ascaris suum. Rev. Da Soc. Bras. De Med. Trop. 2020, 53, e20190155. [Google Scholar] [CrossRef]
- Biogas, a Climate and Clean Air Solution with Many Benefits. Climate & Clean Air Coalition. Available online: https://www.ccacoalition.org/news/biogas-climate-and-clean-air-solution-many-benefits (accessed on 1 December 2024).
- Czekała, W. Digestate as a source of nutrients: Nitrogen and its fractions. Water 2022, 14, 4067. [Google Scholar] [CrossRef]
- Bahgat, E.; Nasr, F.A.; Abuarab, M.E.; Haroun, B.; Hawash, H.B.; Liu, R.; Ibrahim, M.M.; Shana, A.; El-Qelish, M. Unveiling graphite coated with nano-nickel ferrite for two-stage gaseous biofuel generation from potato processing wastewater. Biomass Bioenergy 2025, 194, 107610. [Google Scholar] [CrossRef]
- Finstein, M.S.; Miller, F.C.; Hogan, J.A.; Strom, P.F. Analysis of EPA guidance on composting sludge. Part I. Biological heat generation and temperature. BioCycle 1987, 28, 20–26. [Google Scholar]
- Verma, S. AD of biodegradable organics in municipal solid wastes. Columbia Univ. 2002, 7, 98–104. [Google Scholar]
- Liu, C.; Wang, W.; Anwar, N.; Ma, Z.; Liu, G.; Zhang, R. Effect of Organic Loading Rate on Anaerobic Digestion of Food Waste under Mesophilic and Thermophilic Conditions. Energy Fuels 2017, 31, 2976–2984. [Google Scholar] [CrossRef]
- Markphan, W.; Mamimin, C.; Suksong, W.; Prasertsan, P.; O.-Thong, S. Comparative assessment of single-stage and two-stage anaerobic digestion for biogas production from high moisture municipal solid waste. PeerJ 2020, 8, e9693. [Google Scholar] [CrossRef]
- Pasteris, A.M.; Heiermann, M.; Theuerl, S.; Plogsties, V.; Jost, C.; Prochnow, A.; Herrmann, C. Multi-advantageous sorghum as feedstock for biogas production: A comparison between single-stage and two-stage anaerobic digestion systems. J. Clean. Prod. 2022, 358, 131985. [Google Scholar] [CrossRef]
- Suksong, W.; Kongjan, P.; Prasertsan, P.; Imai, T.; O.-Thong, S. Optimization and microbial community analysis for production of biogas from solid waste residues of palm oil mill industry by solid-state anaerobic digestion. Bioresour. Technol. 2016, 214, 166–174. [Google Scholar] [CrossRef]
- Ajah, C.P.; Nwaojei, K. Optimizing the microbial community composition in anaerobic digesters to improve biogas yields from food waste. World J. Adv. Res. Rev. 2024, 23, 2133–2155. [Google Scholar] [CrossRef]
- Wang, Z.; Hu, Y.; Wang, S.; Wu, G.; Zhan, X. A critical review on dry anaerobic digestion of organic waste: Characteristics, operational conditions, and improvement strategies. Renew. Sustain. Energy Rev. 2023, 176, 113208. [Google Scholar] [CrossRef]
- Jiang, Y.; Dennehy, C.; Lawlor, P.G.; Hu, Z.; McCabe, M.; Cormican, P.; Zhan, X.; Gardiner, G.E. Inhibition of volatile fatty acids on methane production kinetics during dry co-digestion of food waste and pig manure. Waste Manag. 2018, 79, 302–311. [Google Scholar] [CrossRef] [PubMed]
- Chew, K.R.; Leong, H.Y.; Khoo, K.S.; Vo, D.V.N.; Anjum, H.; Chang, C.K.; Show, P.L. Effects of AD of food waste on biogas production and environmental impacts: A review. Environ. Chem. Lett. 2021, 19, 2921–2939. [Google Scholar] [CrossRef]
- Holm-Nielsen, J.B.; Al Seadi, T.; Oleskowicz-Popiel, P. The future of AD and biogas utilization. Bioresour. Technol. 2009, 100, 5478–5484. [Google Scholar] [CrossRef] [PubMed]
- Persson, M.; Jönsson, O.; Wellinger, A. Biogas upgrading to vehicle fuel standards and grid injection. In IEA Bioenergy Task; 2006; Available online: https://www.ieabioenergy.com/wp-content/uploads/2007/12/upgrading_report_final.pdf (accessed on 1 December 2024).
- Juliani, T. Is Biogas a “Green” Energy Source? 2020. Available online: https://www.worldwildlife.org/blogs/sustainability-works/posts/is-biogas-a-green-energy-source (accessed on 11 February 2025).
- Nikolaidou, C.; Mola, M.; Papakostas, S.; Aschonitis, V.G.; Monokrousos, N.; Kougias, P.G. The effect of anaerobic digestate as an organic soil fertilizer on the diversity and structure of the indigenous soil microbial and nematode communities. Environ. Sci. Pollut. Res. Int. 2024. [Google Scholar] [CrossRef]
- Moestedt, J.; Westerholm, M.; Isaksson, S.; Schnürer, A. Inoculum Source Determines Acetate and Lactate Production during Anaerobic Digestion of Sewage Sludge and Food Waste. Bioengineering 2019, 7, 3. [Google Scholar] [CrossRef]
- Siciliano, A.; Limonti, C.; Curcio, G.M.; Calabrò, V. Biogas Generation through Anaerobic Digestion of Compost Leachate in Semi-Continuous Completely Stirred Tank Reactors. Processes 2019, 7, 635. [Google Scholar] [CrossRef]
- Rajput, A.A.; Sheikh, Z. Effect of inoculum type and organic loading on biogas production of sunflower meal and wheat straw. Sustain. Environ. Res. 2019, 29, 4. [Google Scholar] [CrossRef]
- Kulichkova, G.I.; Ivanova, T.S.; Köttner, M.; Volodko, O.I.; Spivak, S.I.; Tsygankov, S.P.; Blume, Y.B. Plant Feedstocks and their Biogas Production Potentials. Open Agric. J. 2020, 14, 219–234. [Google Scholar]
- Aui, A.; Wang, Y. Policy Support and Technology Development Trajectory for Renewable Natural Gas in the US. Renew. Energy 2025, 244, 122669. [Google Scholar] [CrossRef]
- Gemechu, F.K. Evaluating the potential of domestic animal manure for biogas production in Ethiopia. J. Energy 2020, 2020, 8815484. [Google Scholar] [CrossRef]
- Lim, J.W.; Park, T.; Tong, Y.W.; Yu, Z. The microbiome driving anaerobic digestion and microbial analysis. In Advances in Bioenergy; Elsevier: Amsterdam, The Netherlands, 2020; Volume 5, pp. 1–61. Available online: https://www.ncbi.nlm.nih.gov/pmc/articles/PMC7198183/#bb0055 (accessed on 1 December 2024).
- USEPA. Biosolids Technology Fact Sheet Multi-Stage Anaerobic Digestion DESCRIPTION. Available online: https://www.epa.gov/sites/default/files/2018-11/documents/multistage-anaerobic-digestion-factsheet.pdf (accessed on 1 December 2024).
- Issahaku, M.; Derkyi, N.S.A.; Kemausuor, F. A systematic review of the design considerations for the operation and maintenance of small-scale biogas digesters. Heliyon 2024, 10, e24019. [Google Scholar] [CrossRef] [PubMed]
- Abubakar, A.M. Biodigester and feedstock type: Characteristic, selection, and global biogas production. J. Eng. Res. Sci. 2022, 1, 170–187. [Google Scholar] [CrossRef]
- Sahu, S.N.; Gbagbo, J.K.N.; Aneke, F.U. Comparative Evaluation of Different Types of Biogas Suitable for Tropical Country; Denmark. 1997. Available online: https://www.osti.gov/etdeweb/servlets/purl/618169 (accessed on 1 December 2024).
- Jamal, H.; Loganathan, M.K.; Ramesh, P.G.; Singh, M.; Kumar, G. Application of Multi-Criteria Decision-Making Tool for Choosing Right Biogas Plants: Process Controllability, Suitability, and Cost Perspectives in the Indian Context. In International Conference on Recent Advances in Materials, Manufacturing and Thermal Engineering; Lecture Notes in Mechanical Engineering; Springer Nature: Singapore, 2023; pp. 293–308. [Google Scholar]
- Balloon Digester for Biogas Plants—Energypedia. energypedia.info. Available online: https://energypedia.info/wiki/Balloon_Digester_for_Biogas_Plants (accessed on 1 December 2024).
- del Agua, I.; Usack, J.G.; Angenent, L.T. Comparison of semi-batch vs. continuously fed anaerobic bioreactors for the treatment of a high-strength, solids-rich pumpkin-processing wastewater. Environ. Technol. 2015, 36, 1974–1983. [Google Scholar] [CrossRef] [PubMed]
- Liu, S.; Cao, L.; Xu, F.; Yang, L.; Li, Y.; Inalegwu, O.S. Integration of algae cultivation to anaerobic digestion for biofuel and bioenergy production. Adv. Bioenergy 2021, 6, 199–300. [Google Scholar]
- Sánchez, M.; Ruiz, I.; Soto, M. Sustainable wastewater treatment using a new combined hybrid digester–constructed wetland system. J. Environ. Chem. Eng. 2023, 11, 110861. [Google Scholar] [CrossRef]
- ACIAR. Exploring Potential Benefits of Biodigester Technologies. ACIAR. 2022. Available online: https://www.aciar.gov.au/media-search/blogs/exploring-potential-benefits-biodigester-technologies (accessed on 1 December 2024).
- Wilson, L.P.; Sharvelle, S.E.; Susan, K. Enhanced AD performance via combined solids-and leachate-based hydrolysis reactor inoculation. Bioresour. Technol. 2016, 220, 94–103. [Google Scholar] [CrossRef]
- Union of Concerned Scientists 2022 Annual Report. Available online: https://www.ucsusa.org/resources/2022-annual-report (accessed on 1 December 2024).
- Food Waste Digester Machine—Power Knot. Power Knot. 2023. Available online: https://powerknot.com/sea (accessed on 7 February 2025).
- C40 Knowledge Community. Available online: https://www.c40knowledgehub.org/s/article/Cities100-2019?language=en_US (accessed on 1 December 2024).
- de Souza, S.N.; Horttanainen, M.; Antonelli, J.; Klaus, O.; Lindino, C.A.; Nogueira, C.E. Technical potential of electricity production from municipal solid waste disposed in the biggest cities in Brazil: Landfill gas, biogas and thermal treatment. Waste Manag. Res. 2014, 32, 1015–1023. [Google Scholar] [CrossRef]
- Hojnacki, A.; Li, L.; Kim, N.; Markgraf, C.; Pierson, D. Biodigester Global Case Studies. 2011. Available online: https://web.mit.edu/colab/pdf/papers/D_Lab_Waste_Biodigester_Case_Studies_Report.pdf (accessed on 1 December 2024).
- Davick, A. Curbside Composting Coming to Five Boroughs Next Year, Mayor Says. Ny1.com. Spectrum News NY1. 2023. Available online: https://ny1.com/nyc/all-boroughs/politics/2023/01/29/curbside-composting-coming-to-five-boroughs-next-year--mayor-says (accessed on 7 February 2025).
- Karidis, A. New Yorks Newtown Creek Wastewater Treatment Plant Anaerobic Co-Digestion. Waste360.com. 2022. Available online: https://www.waste360.com/wastewater/new-york-s-newtown-creek-wastewater-treatment-plant-revs-up-anaerobic-co-digestion-project (accessed on 1 December 2024).
- Brendlen, K. National Grid’s “First of Its Kind” Fuel Project at Newtown Creek Treatment Plant Draws Ire over Cost, Delays and Malfunctions. Brooklyn Paper. 2024. Available online: https://www.brooklynpaper.com/fuel-project-newtown-creek-national-grid-ire/ (accessed on 7 February 2025).
- Project: Salisbury, VT—Goodrich Family Farm. Vanguard Renewables. 2023. Available online: https://www.vanguardrenewables.com/projects/goodrich-family-farm (accessed on 7 February 2025).
- Vanguard’s Violations. No Digester. Available online: www.nodigester.com/lack-of-ethics (accessed on 21 February 2025).
- California Diary Digestors. Available online: https://www.dairycares.com/dairy-digesters (accessed on 1 December 2024).
- Dairy Digesters: Dairy Digesters in California: Creating Clean Energy. Dairy Cares. Available online: www.dairycares.com/dairy-digesters (accessed on 21 February 2025).
- Maryland Bioenergy Center—Jessup (MD). BTS Biogas. Available online: https://bts-biogas.com/en/maryland-bioenergy-center-jessup-md/ (accessed on 1 December 2024).
- Shwe, E. More Food Waste in Md. Will Be Diverted as a Large Anaerobic Digestion Facility Is Underway—Maryland Matters. Maryland Matters. 2021. Available online: https://marylandmatters.org/2021/07/19/more-food-waste-in-md-will-be-diverted-as-a-large-anaerobic-digestion-facility-is-underway/ (accessed on 8 February 2025).
- Vermont Department of Environmental Conservation. Vermont biodigestor. Available online: https://dec.vermont.gov/air-quality/permits/source-categories/anaerobic-digesters (accessed on 11 February 2025).
- Clement, C. Vermont Technical College Holds Groundbreaking Ceremony for Biomass Anaerobic Digester—Vermont Technical College. Vermont Technical College. 2013. Available online: https://www.vtc.edu/vermont-technical-college-holds-groundbreaking-ceremony-for-biomass-anaerobic-digester/ (accessed on 8 February 2025).
- Carpenter, M.; Verhar, E.; Lockhart, I. Maine’s Largest Dairy Farm Will Soon Have the State’s First Natural Gas Digester, Fueled by Manure. Maine Public. WMEH. 2022. Available online: https://www.mainepublic.org/environment-and-outdoors/2022-07-06/maines-largest-dairy-farm-will-soon-have-the-states-first-natural-gas-digester-fueled-by-manure (accessed on 8 February 2025).
- Narayanan, V. Chennai Start-Up Chuggs Food Waste to Generate Biogas. BusinessLine. 2023. Available online: https://www.thehindubusinessline.com/news/chennai-start-up-chuggs-food-waste-to-generate-biogas/article66996409.ece (accessed on 8 February 2025).
- KENPRO. Biogas Plant Troubleshooting: Problems, Causes and Remedies. KENPRO. 2022. Available online: https://www.kenpro.org/biogas-plant-troubleshooting-problems-causes-and-remedies/ (accessed on 1 December 2024).
- Mansharamani, Y. Investigation into the Landfilling and Recovery of Wood and Wooden Pallets at US Landfills in 2021; Virginia Tech: Blacksburg, VA, USA, 2024. [Google Scholar]
- Leal Filho, W.; Ribeiro, P.C.C.; Setti, A.F.F.; Azam, F.M.S.; Abubakar, I.R.; Castillo-Apraiz, J.; Tamayo, U.; Özuyar, P.G.; Frizzo, K.; Borsari, B. Toward food waste reduction at universities. Environ. Dev. Sustain. 2023, 26, 16585–16606. [Google Scholar] [CrossRef]
- Smith, M.T. The Financial and Economic Feasibility of Biodigester Use and Biogas Production for Rural Households. Doctoral Dissertation, University of KwaZulu-Natal, Pietermaritzburg, South Africa, 2011. [Google Scholar]
- Stolecka, K.; Rusin, A. Potential hazards posed by biogas plants. Renew. Sustain. Energy Rev. 2021, 135, 110225. [Google Scholar] [CrossRef]
- Gittelson, P.; Diamond, D.; Henning, L.; Payan, M.; Utesch, L.; Utesch, N. The False Promises of Biogas: Why Biogas Is an Environmental Justice Issue. Environ. Justice 2021, 15, 352–361. [Google Scholar] [CrossRef]
- Alengebawy, A.; Ran, Y.; Osma, A.; Jin, K.; Samer, M.; Ai, P. Anaerobic digestion of agricultural waste for biogas production and sustainable bioenergy recovery: A review. Environ. Chem. Lett. 2024, 22, 2641–2668. [Google Scholar] [CrossRef]
- Effectively Ensuring Safety in Biogas Facilities—AZURA [Internet]. Azuraassociates.com. 2024. Available online: https://azuraassociates.com/ensuring-safety-in-biogas-facilities/ (accessed on 8 February 2025).
- Schmidt Futures. Feedstocks of the Future for a Circular U.S. Bioeconomy: A SUMMARY FROM A STAKEHOLDER CONVENING [Internet]. Foundation for Food and Agriculture Research. 2023. Available online: https://foundationfar.org/wp-content/uploads/2023/06/Feedstocks-of-the-Future-Convening-Report_FINAL.pdf (accessed on 7 February 2025).







| Category | Factor | Measurements and Units | Health Risks | Ref. |
|---|---|---|---|---|
| Bacterial Contamination | Salmonella spp. | 103–106 CFU/g (colony-forming units per gram) in landfills | Severe gastroenteritis, dehydration, systemic infection in immunocompromised individuals; 1.35 × 106 cases/year, 420 deaths (~0.0004% of US population). | [28] |
| Bacterial Contamination | E. coli | 102–105 CFU/g in landfill samples | Hemorrhagic colitis, kidney failure (hemolytic uremic syndrome—HUS), severe diarrhea; 2.65 × 105 cases/year, 100 deaths US population. | [29] |
| Bacterial Contamination | Listeria monocytogenes | 104–107 CFU/g in landfill samples | Meningitis, sepsis, stillbirth in pregnant women, high mortality in vulnerable populations; 1.6 × 103 cases/year, 260 deaths US population. | [30] |
| Food Waste | Annual Food Waste (US and Global) | US: 61% of food wasted (~60 M metric tons) Global: >1B metric tons | Increased vector-borne diseases such as rat infestations, bacterial proliferation, and air pollution-related illnesses. | [31] |
| Green House Gas (GHG) Emissions | Methane (CH4) Emissions from Landfills | 34 metric tons CH4 per 1000 metric tons of waste; CH4 is 281 × more potent than CO2 | Respiratory diseases, cardiovascular stress, and long-term exposure linked to neurotoxicity. | [32] |
| VOC Emissions | Mixture of VOCs | Ethanol: 2–10 mg/m3; ammonia (NH3): 5–50 mg/m3; hydrogen sulfide (H2S): 1–10 ppm | Irritation of eyes, nose, and throat; long-term exposure linked to liver, kidney, and nervous system damage. | [33] |
| Disease Vector | Description | Health Risks to Humans | Conditions Favoring Infestation |
|---|---|---|---|
| Rodents (Rats) | Common disease carriers attracted to large amounts of food waste in landfills. They can transmit diseases through bites, urine, fleas, and feces. | Hantavirus, leptospirosis (both can be fatal). | High availability of food and water, favorable burrowing sites, such as sewers and underground subways in urban areas. |
| Flies (Houseflies, Blowflies) | Attracted to decaying food and organic waste in landfills. They feed on rotting material and then move to other surfaces, including humans, carrying bacteria. | Shigella virus (can cause dysentery and diarrheal diseases). | Presence of decaying food waste, suitable for breeding and feeding. |
| Mosquitoes | Accumulation of food waste creates stagnant water pools, attracting mosquitoes. They are efficient disease vectors, transmitting pathogens through bites. | Malaria, dengue, zika, West Nile virus, chikungunya | Stagnant water and organic waste, high organic decomposition rates; rapid mosquito population growth in warm, humid conditions. |
| Fixed-Dome Plant | Floating-Drum Plant | Balloon Plant | |
|---|---|---|---|
| Lifespan | 20 years or more | 15 years maximum | 2–5 years |
| Size | 5–200 m3 | 5–15 m3 | 4–100 m3 |
| Investment Costs | Low | High | Low |
| Cost of Maintenance | Low: since they have no moving parts | High: require regular painting and de-rusting | Low |
| Regional Suitability | Suitable for rural areas: ready availability of materials such as bricks and cement | Not suitable for coastal areas; suitable for remote or mountainous areas | Suitable for remote or mountainous areas |
| Climate Suitability | Resistant to temperature fluctuations | Not suitable in high-humidity or corrosive environment | Highly sensitive to ambient temperature |
| Gas Pressure (mbar) | 60–130 | 20–30 | Low |
| Gas Pressure Control | Medium: lack of an expansion chamber | High: constant gas pressure due to 8–10 cm water column | Low: excessive pressure can cause damage |
| Skill Required | High | High | Low |
| Methane Emissions | High | Medium | Low |
| Scum Formation Potential | Possible: lack of mechanical agitation, especially in larger plants | Possible: stirring mechanisms required for prevention | Unlikely: natural agitation |
| Types | BORDA model: combines fixed-dome and floating-drum designs for constant gas pressure CAMARTEC model: features a weak ring to prevent cracking in the dome DEENBANDHU model: low-cost design using brick and cement, with a newer version using woven bamboo. JANATA model: brick-reinforced fixed-dome structure with integrated gas holder and digester | KVIC model: cylindrical digester with a floating drum PRAGATI model: hemisphere-shaped digester GANESH model: made of angular steel and plastic foil | Channel-type digester: covered with sheeting or a sunshade |
| Region | Project Name | Initial Capital Investment | Operational and Maintenance Costs | Feedstock Availability | Biogas and Digestate Sales Revenue | Energy Yield | Environmental Benefits | Policy Incentives | Payback Period |
|---|---|---|---|---|---|---|---|---|---|
| China | Beijing Fangshan District Doudian Village Central Biogas Supply System | USD 1 million | Not specified | 44 tons of cow dung/day (~1000 cows) | Biogas sold to 1900 households at 30 US cents/m3; effluent sold as organic fertilizer | 2000 m3 of methane/day | Reduces reliance on LPG and burning of wheat straw | Aligns with national clean energy goals | Not specified |
| Beijing Yanqing Deqingyuan Eco-Garden 2 Trillion Watts Poultry Manure Biogas | USD 10 million | Not specified | 212 tons of chicken manure/day | Biogas-generated power sold to the grid; excess biogas sold as cooking gas; effluent used as fertilizer | 7 million m3 of biogas/year, generating trillion watts of power | Annual greenhouse gas reduction of 80,000 tons of CO2 equivalent | Recognized as a UNDP/GEF large-scale biogas-power demonstration project | Not specified | |
| Anhui Fuyang Jingwei Agro Recycling Co. Integrated Biogas Project | USD 170,000 | Not specified | Pig manure | Biogas used for electricity generation; effluent used in 800 vegetable greenhouses | 60 kW of electricity | Reduces pollution from untreated animal waste | Aligns with circular agriculture principles | Annual savings of USD 30,000, suggesting a payback period of ~5–6 years | |
| Nanning Anning Starch Co. Purified Biogas as Car Biofuel | USD 6 million | Not specified | 1000 tons/day of wastewater from tapioca alcohol manufacturing | Biogas purified and sold as car biofuel; treated wastewater provided free to local farmers | 30,000 m3/day of biogas, purified to 21,000 m3/day of biofuel | Annual CO reduction of 20% and CO2 reduction of 99% | Supported by the Nanning government | Annual revenue of USD 4 million suggests a payback period of ~1.5 years | |
| Brazil | Born Despacho Farm, Minas Gerais (Clean Development Mechanism) | Unknown (paid by AgCert) | Long-term maintenance issues | Pig manure from 500 pigs | Biogas used for electricity generation; effluent used as high-grade fertilizer | 12,500 m3 of biogas/day | Reduces greenhouse gas emissions and improves animal waste management | Part of a clean development mechanism (CDM) project | Not specified |
| Sadia’s Sustainable Swine Production Program (3S Program) | Not specified | Not specified | Pig manure from Sadia’s swine suppliers | Biogas used for on-site electricity generation; carbon credits sold | Not specified | Reduces greenhouse gas emissions from over 3500 swine producers | Part of Sadia’s Sustainable Swine Production Program (3S Program) | 5-year payback time | |
| Cabra Forte (Strong Goat)—Bahia, Brazil (USAID Project) | USD 700 per biodigester | Not specified | Goat manure | Biogas used for lighting and cooking; effluent used as organic fertilizer | Not specified | Improves waste management and reduces reliance on traditional fuels | Supported by USAID and local banks | Not specified | |
| Central America | Costa Rica, Sante Fe de Guatuso (Polyethylene Tube Biodigester) | USD 300 per biodigester | Not specified | Cow and pig manure from local farms | Biogas used for cooking stoves | Not specified | Reduces reliance on wood burning, improving air quality and reducing deforestation | Supported by the UN Women’s Group and local agricultural ministries | Not specified |
| Costa Rica, Alajuela (Dos Pinos Dairy Farm Integrated System) | USD 19,275 | Not specified | Manure from 80 cows | Biogas used for electricity generation; effluent and compost sold as byproducts | 100 tons of electricity | Reduces waste and provides renewable energy | Supported by local environmental agriculture programs | Not specified | |
| Costa Rica, Guapiles (Chiquita Brands Biodigester) | Not specified | Not specified | Food waste from fruit processing | Biogas used for energy in the manufacturing plant; effluent used as fertilizer for local farmers | Not specified | Reduces carbon emissions and provides sustainable energy | Part of Chiquita’s corporate sustainability initiative | Not specified | |
| Honduras, El Progreso (Palm Oil Mill Biodigester) | Not specified | Not specified | Wastewater from palm oil processing | Biogas used for electricity generation; effluent used as irrigation water | 300 m3 of biogas/hour | Reduces methane emissions and treats wastewater | Part of a CDM project | Net present value of USD 542,299 over 10 years | |
| India | Pune, South India (ARTI Balcony Biogas Plant) | USD 200 per biodigester | Not specified | Household food waste | Biogas used for cooking and heating; effluent reused in the biodigester | Reduces LPG use by half | Reduces CO2 emissions by 0.3–0.6 tons/year | No government subsidies, but the system is affordable | 2 years, based on savings from LPG |
| Shirdi, Maharashtra (Sulabh Toilet-to-Biogas System) | USD 2000 for biogas plant attachment | Not specified | Human waste and wastewater | Biogas used for electricity and cooking; effluent used as fertilizer | Electrifies the site | Reduces public health hazards and provides renewable energy | Supported by Sulabh International | Not specified | |
| Kerala, South India (Biotech Institutional Biodigester) | USD 220 (with 60% government subsidy) | Not specified | Food and organic waste | Biogas used for cooking and electricity; effluent used as fertilizer | 3 kW of electricity for institutional use | Reduces organic waste and provides renewable energy | Government subsidies available | 3 years, based on savings from LPG | |
| United States | Milwaukee, WI (Growing Power Urban Farm) | Not specified | Not specified | Agricultural wastes and food residues | Biogas used for heating and electricity | Handles 5 tons of food waste/day | Reduces waste and provides renewable energy | Part of a community economic development model | Not specified |
| Oakland, CA (East Bay Municipal Utility District Food Waste Co-Digestion) | Not specified | Not specified | Food waste from restaurants and grocery stores | Biogas used for electricity generation | Increased electricity production at wastewater treatment facilities | Reduces food waste and provides renewable energy | Supported by the US EPA and local utility districts | As little as 3 years, depending on existing infrastructure |
| Location | Established | Description | Key Learnings and Challenges | Ref. |
|---|---|---|---|---|
| Newtown Creek Facility, Brooklyn, NY, USA | February 2024 | 185-foot-high anaerobic digester at wastewater treatment plant; supports curbside composting in NYC with 250 smart bins. | Economic model: Customers pay a competitive per-ton fee for waste disposal. The project also sells biogas and environmental attribute credits under the EPA’s Renewable Fuel Standard Program to heat over 5000 homes by routing excess biogas to the National Grid. Local utility bills have observed a hike to compensate for the initial investment. System reliability: When the National Grid system is down, excess gas must be flared, harming the community and the environment. | [90,91,92] |
| Vanguard Renewables | Various | Projects at various farms such as Goodrich Family Farms, VT, Spencer, MA). Rutland farm processes 20,000 tons of food waste and 9125 tons of manure annually, producing 4200 MWh of energy. | H2S emissions: Lack of a secondary control system for hydrogen sulfide emissions led to excess emissions. Digester failure: Nov 2021 and March 2022 failures released 51,309 cubic feet of biogas and 1.3 million gallons of digestate. | [93,94] |
| California | Various | 227 dairy digester projects, capturing methane from 255 dairy farms. Produces renewable electricity, natural gas, or hydrogen fuel. | Cluster system: The use of a biogas facility cluster system. Hydrogen use: Use hydrogen from dairy biomethane to fuel trucks and cranes at the LA Port. | [95,96] |
| Jessup, MD | Unknown | Processes up to 125,000 tons/year of organic by-products and wastewater from food industry. Produces biomethane for 4800 homes. | Regulations: State laws are driving large food generators such as supermarkets, cafeterias, food producers to divert food waste from landfills to digesters. Slow roll-out of law. Location: Digester located in the Maryland Food Center, where 100,000 tons of food waste | [97,98] |
| Central Vermont Recovered Biomass Facility | Unknown | Daily feedstock mixture of 10 tons of dairy manure and 15 tons of food scraps powers a 250 kWh co-generation plant, producing up to 2 million kWh annually. | Education: The facility is focused on education and research in renewable energy, waste management, and sustainable agriculture at the Vermont Technical College. Economy: Governor emphasized the project’s role in creating jobs | [99,100] |
| Flood Brothers Farm, Maine | Unknown | Biodigester operating on cow manure producing 130,000 dekatherms of natural gas per year, covering 40% of Summit Natural Gas’s residential load. | Economy: Redistributing excess manure to farmers as fertilizer. | [101] |
| Problems | Causes | Remedy Measures |
|---|---|---|
| Reduction in the gas yield | Reduced performance in terms of methanogenic bacteria production | Proper and quality substrate mixing |
| Reduction in feedstock quality | Check the heating system | |
| Temperature drops in the biodigester | Check the level of potential inhibitor compounds | |
| Inhibition by foreign compounds | Add bio-slurry from a foreign digester if the methanogenic bacteria have dropped | |
| Non-homogenous substrates | ||
| Methane concentration drop | Reduced feedstock quality | Proper and quality substrate mixing |
| Temperature drops | Check the heating system in the biodigester | |
| Inhibition by foreign compounds | Check the composition of the inhibitor compounds in the feedstock | |
| Foaming problem | A new substrate with high protein content has been added | Reduce or stop feeding the biodigester |
| Air is introduced in the digestion chamber | Analyze feedstock concentration | |
| Temperature changes in the biodigester | Reduce the introduction of air in the biodigester | |
| pH drops in the biodigester | Abnormal feeding rate in the biodigester | Reduce the input in the biogas plant until the system returns to normal |
| Change in operating temperatures | Use only manure until the system returns to normal | |
| Introduction of foreign compounds like soap | Check thoroughly what is entering the biodigester | |
| Inhibition by foreign compounds | Analyze the chemical composition of the feedstock and the input entering the biodigester | |
| Reduction in gas volume | Underfeeding of the plant | Follow the feeding instructions |
| Insufficient gas pressure and maximum pressure not reached | Gas leaks | Check for gas leaks |
| Scum formation in the digester | Check the biodigester climate/constituents | |
| The improper mixture ratio of water and cow dung | Follow normal mixing procedure preferably of the ratio 1:1. or 1:0.75; do not make the mixture too thin or too compact | |
| Siltation in the digester | ||
| Bio-effluent smelling at the expansion chamber and the canal. | Overfeeding of the digester | Follow feeding instructions |
| Leakage in the biodigester | Check for gas leaks | |
| Gas stove not burning well | Blocked primary ducts | Clean the air ducts and burner holes |
| Blocked flame holes | Adjust the primary air knob to get the correct mixture | |
| Incorrect gas mixture ratio | Open the water drain valve to remove accumulated water in the pipe | |
| The lamp is not bright enough | Dirty glass screen | Clean the lamp glass screen |
| Cracked, blockage, and destroyed mantle | Replace the cracked mantle | |
| Presence of water in the system | Adjust the primary air knob to get the right mixture | |
| Clean the mantle holder hole | ||
| Enforce traps along the piping lines | ||
| Low gas quantity in the biodigester | Underfeeding/irregular feeding of the biodigester | Follow feeding instructions as per the logbook |
| Scum formation in the biodigester | Proper mixing and removal of impurities | |
| Remove the scum | ||
| No gas reaching the appliances | Blocked water passage in the pipeline system | Check for the presence of water |
| No gas/insufficient gas is being produced in the digester | Check for leaks | |
| Disconnected gas pipeline | Check for pipe disconnection and connect it back | |
| Impurities in the digester | Check the main gas valve | |
| Closed main gas valve at the test unit chamber | ||
| The feeding material does not enter into the digester | Blocked inlet pipe | Poke through the inlet pipe |
| The position of the inlet pipe is below the overflow point | Ensure right vertical dimensions are used | |
| Take out the inlet pipe for inspection | ||
| Thick bio-slurry overflow | Incorrect water/dung mixing ratio | Implement a good mixing ratio |
| No hydraulic movement in the digester | Check for water leakages | |
| Water leakage in the digester | Ensure daily use of the gas to allow hydraulic movement | |
| Water leakage in the expansion chamber | Check for cracks in the digester and the mixing and expansion chamber | |
| Slurry entering the gas pipe | Gas outlet pipe placed below the overflow point | Check slurry overflow point |
| Reduce slurry overflow point to lower level | ||
| Put a filter to allow only gas to pass through, blocking the slurry in the process |
Disclaimer/Publisher’s Note: The statements, opinions and data contained in all publications are solely those of the individual author(s) and contributor(s) and not of MDPI and/or the editor(s). MDPI and/or the editor(s) disclaim responsibility for any injury to people or property resulting from any ideas, methods, instructions or products referred to in the content. |
© 2025 by the authors. Licensee MDPI, Basel, Switzerland. This article is an open access article distributed under the terms and conditions of the Creative Commons Attribution (CC BY) license (https://creativecommons.org/licenses/by/4.0/).
Share and Cite
Meegoda, J.N.; Chande, C.; Bakshi, I. Biodigesters for Sustainable Food Waste Management. Int. J. Environ. Res. Public Health 2025, 22, 382. https://doi.org/10.3390/ijerph22030382
Meegoda JN, Chande C, Bakshi I. Biodigesters for Sustainable Food Waste Management. International Journal of Environmental Research and Public Health. 2025; 22(3):382. https://doi.org/10.3390/ijerph22030382
Chicago/Turabian StyleMeegoda, Jay N., Charmi Chande, and Ishani Bakshi. 2025. "Biodigesters for Sustainable Food Waste Management" International Journal of Environmental Research and Public Health 22, no. 3: 382. https://doi.org/10.3390/ijerph22030382
APA StyleMeegoda, J. N., Chande, C., & Bakshi, I. (2025). Biodigesters for Sustainable Food Waste Management. International Journal of Environmental Research and Public Health, 22(3), 382. https://doi.org/10.3390/ijerph22030382

