Exposure to Airborne Particles and Volatile Organic Compounds from Polyurethane Molding, Spray Painting, Lacquering, and Gluing in a Workshop
Abstract
:1. Introduction
2. Methods
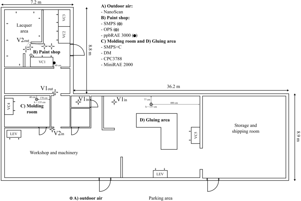
2.1. Work Environment and Processes
2.1.1. Molding Room


2.1.2. Paint Shop
2.1.3. Gluing Area
2.2. Sampling of Airborne Particles
2.3. Combining Mobility and Optical Particle Number Size Distributions
2.4. Comparability between Instruments
2.5. VOC Measurements
2.6. Particle Emissions in Molding Room
2.7. Electron Microscopy
3. Results and Discussion
3.1. Particle Concentrations and Sources



3.2. TVOC Concentrations

3.3. Electron Microscopy

3.4. Representativeness of Measurements and Limitations of Study
3.5. Exposure Reduction
3.6. Potential Health Hazards
4. Conclusions
Acknowledgments
Author Contributions
Conflicts of Interest
References
- Vaizoǧlu, S.A.; Aycan, S.; Akin, L.; Koçdor, P.; Pamukçu, G.; Muhsinoǧlu, O.; Özer, F.; Evci, E.D.; Güler, C. Determination of formaldehyde levels in 100 furniture workshops in Ankara. Tohoku J. Exp. Med. 2005, 207, 157–163. [Google Scholar] [CrossRef] [PubMed]
- Voliotis, A.; Bezantakos, S.; Giamarelou, M.; Valenti, M.; Kumar, P.; Biskos, G. Nanoparticle emissions from traditional pottery manufacturing. Environ. Sci. Process. Impact. 2014, 16, 1489–1494. [Google Scholar] [CrossRef]
- Moitra, S.; Blanc, P.D.; Sahu, S. Adverse respiratory effects associated with cadmium exposure in small-scale jewellery workshops in India. Thorax 2013, 68, 565–570. [Google Scholar] [CrossRef] [PubMed]
- Creely, K.S.; Hughson, G.W.; Cocker, J.; Jones, K. Assessing isocyanate exposures in polyurethane industry sectors using biological and air monitoring methods. Ann. Occup. Hyg. 2006, 50, 609–621. [Google Scholar] [CrossRef] [PubMed]
- Sennbro, C.J.; Lindh, C.H.; Östin, A.; Welinder, H.; Jönsson, B.A.G.; Tinnerberg, H. A survey of airborne isocyanate exposure in 13 Swedish polyurethane industries. Ann. Occup. Hyg. 2004, 48, 405–414. [Google Scholar] [CrossRef] [PubMed]
- Conner, P.R. Experience with early detection of toluene diisocyanate-associated occupational asthma. Appl. Occup. Environ. Hyg. 2002, 17, 856–862. [Google Scholar] [CrossRef] [PubMed]
- Uang, S.-N.; Shih, T.-S.; Chang, C.-H.; Chang, S.-M.; Tsai, C.-J.; Deshpande, C.G. Exposure assessment of organic solvents for aircraft paint stripping and spraying workers. Sci. Total Environ. 2006, 356, 38–44. [Google Scholar] [CrossRef] [PubMed]
- Reeb-Whitaker, C.; Whittaker, S.G.; Ceballos, D.M.; Weiland, E.C.; Flack, S.L.; Fent, K.W.; Thomasen, J.M.; Gaines, L.G.T.; Nylander-French, L.A. Airborne isocyanate exposures in the collision repair industry and a comparison to occupational exposure limits. J. Occup. Environ. Hyg. 2012, 9, 329–339. [Google Scholar] [CrossRef] [PubMed]
- Sparer, J.; Stowe, M.H.; Bello, D.; Liu, Y.C.; Gore, R.J.; Youngs, F.; Cullen, M.R.; Redlich, C.A.; Woskie, S.R. Isocyanate exposures in autobody shop work: the SPRAY study. J. Occup. Environ. Hyg. 2004, 1, 570–581. [Google Scholar] [CrossRef] [PubMed]
- Sabty-Daily, R.A.; Hinds, W.C.; Froines, J.R. Size distribution of chromate paint aerosol generated in a bench-scale spray booth. Ann. Occup. Hyg. 2005, 49, 33–45. [Google Scholar] [PubMed]
- Vitayavirasuk, B.; Junhom, S.; Tantisaeranee, P. Exposure to lead, cadmium and chromium among spray painters in automobile body repair shops. J. Occup. Health 2005, 47, 518–522. [Google Scholar] [CrossRef] [PubMed]
- Tse, L.A.; Yu, I.T.S.; Au, J.S.K.; Qiu, H.; Wang, X.R. Silica dust, diesel exhaust, and painting work are the significant occupational risk factors for lung cancer in nonsmoking Chinese men. Brit. J. Cancer 2011, 104, 208–213. [Google Scholar] [CrossRef] [PubMed]
- Keski-Säntti, P.; Kaukiainen, A.; Hyvärinen, H.K.; Sainio, M. Occupational chronic solvent encephalopathy in Finland 1995–2007: Incidence and exposure. Int. Arch. Occup. Environ. Health 2010, 83, 703–712. [Google Scholar] [CrossRef] [PubMed]
- Pronk, A.; Preller, L.; Raulf-Heimsoth, M.; Jonkers, I.C.L.; Lammers, J.-W.; Wouters, I.M.; Doekes, G.; Wisnewski, A.V.; Heederik, D. Respiratory symptoms, sensitization, and exposure-response relationships in spray painters exposed to isocyanates. Amer. J. Respir. Crit. Care Med. 2007, 176, 1090–1097. [Google Scholar] [CrossRef]
- Neghab, M.; Soleimani, E.; Khamoushian, K. Electrophysiological studies of shoemakers exposed to sub-TLV levels of n-hexane. J. Occup. Health 2012, 54, 376–382. [Google Scholar] [CrossRef] [PubMed]
- Hammond, D.; Garcia, A.; Feng, H.A. Occupational exposures to styrene vapor in a manufacturing plant for fiber-reinforced composite wind turbine blades. Ann. Occup. Hyg. 2011, 55, 591–600. [Google Scholar] [CrossRef] [PubMed]
- Sliwinska-Kowalska, M.; Zamyslowska-Szmytke, E.; Szymczak, W.; Kotylo, P.; Fiszer, M.; Dudarewicz, A.; Wesolowski, W.; Pawlaczyk-Luszczynska, M.; Stolarek, R. Hearing loss among workers exposed to moderate concentrations of solvents. Scand. J. Work Environ. Health 2001, 27, 335–342. [Google Scholar] [CrossRef] [PubMed]
- Loomis, D.; Grosse, Y.; Lauby-Secretan, B.; El Ghissassi, F.; Bouvard, V.; Benbrahim-Tallaa, L.; Guha, N.; Baan, R.; Mattock, H.; Straif, K. The carcinogenicity of outdoor air pollution. Lancet Oncol. 2013, 14, 1262–1263. [Google Scholar] [CrossRef] [PubMed]
- Watkins, A.; Danilewitz, M.; Kusha, M.; Massé, S.; Urch, B.; Quadros, K.; Spears, D.; Farid, T.; Nanthakumar, K. Air pollution and arrhythmic risk: The smog is yet to clear. Can. J. Cardiol. 2013, 29, 734–741. [Google Scholar] [CrossRef] [PubMed]
- Araujo, J.A.; Nel, A.E. Particulate matter and atherosclerosis: Role of particle size, composition and oxidative stress. Part. Fibre. Toxicol. 2009, 6. [Google Scholar] [CrossRef]
- Arbex, M.A.; Santos, U.P.; Martins, L.C.; Saldiva, P.H.N.; Pereira, L.A.A.; Braga, A.L.F. Air pollution and the respiratory system. J. Bras. Pneumol. 2012, 38, 643–655. [Google Scholar] [CrossRef] [PubMed]
- Block, M.L.; Calderón-Garcidueñas, L. Air pollution: mechanisms of neuroinflammation and CNS disease. Trends Neurosci. 2009, 32, 506–516. [Google Scholar] [CrossRef] [PubMed]
- Omland, Ø.; Würtz, E.T.; Aasen, T.B.; Blanc, P.; Brisman, J.; Miller, M.R.; Pedersen, O.F.; Schlünssen, V.; Sigsgaard, T.; Ulrik, C.S.; Viskum, S. Occupational chronic obstructive pulmonary disease: A systematic literature review. Scand. J. Work Environ. Health 2014, 40, 19–35. [Google Scholar] [CrossRef] [PubMed]
- Exploratory Survey of Occupational Exposure Limits (OELs) for Carcinogens, Mutagens and Reprotoxic Substances (CMRs) at EU Member States Level—Safety and Health at Work—EU-OSHA. Available online: https://osha.europa.eu/en/publications/reports/548OELs/view (accessed on 27 October 2014).
- Cherrie, J.W.; Brosseau, L.M.; Hay, A.; Donaldson, K. Low-toxicity dusts: current exposure guidelines are not sufficiently protective. Ann. Occup. Hyg. 2013, 57, 685–691. [Google Scholar] [CrossRef] [PubMed]
- Kuempel, E.D.; Attfield, M.D.; Stayner, L.T.; Castranova, V. Human and animal evidence supports lower occupational exposure limits for poorly-soluble respirable particles. Ann. Occup. Hyg. 2014, 58, 1205–1208. [Google Scholar] [CrossRef] [PubMed]
- Simkó, M.; Nosske, D.; Kreyling, W.G. Metrics, dose, and dose concept: the need for a proper dose concept in the risk assessment of nanoparticles. Int. J. Environ. Res. Public Health 2014, 11, 4026–4048. [Google Scholar] [CrossRef] [PubMed]
- Atkinson, R.W.; Fuller, G.W.; Anderson, H.R.; Harrison, R.M.; Armstrong, B. Urban ambient particle metrics and health: A time-series analysis. Epidemiology 2010, 21, 501–511. [Google Scholar] [CrossRef] [PubMed]
- Borm, P.J.A.; Kelly, F.; Künzli, N.; Schins, R.P.F.; Donaldson, K. Oxidant generation by particulate matter: From biologically effective dose to a promising, novel metric. Occup. Environ. Med. 2007, 64, 73–74. [Google Scholar] [CrossRef] [PubMed]
- Elsaesser, A.; Howard, C.V. Toxicology of nanoparticles. Adv. Drug Deliver Rev. 2012, 64, 129–137. [Google Scholar] [CrossRef]
- Franck, U.; Odeh, S.; Wiedensohler, A.; Wehner, B.; Herbarth, O. The effect of particle size on cardiovascular disorders—The smaller the worse. Sci. Total Environ. 2011, 409, 4217–4221. [Google Scholar] [CrossRef] [PubMed]
- Oberdörster, G. Toxicology of ultrafine particles: In vivo studies. Phil. Trans. R. Soc. London A 2000, 358, 2719–2740. [Google Scholar] [CrossRef]
- Pekkanen, J.; Timonen, K.L.; Ruuskanen, J.; Reponen, A.; Mirme, A. Effects of ultrafine and fine particles in urban air on peak expiratory flow among children with asthmatic symptoms. Environ. Res. 1997, 74, 24–33. [Google Scholar] [CrossRef] [PubMed]
- Peters, A.; Wichmann, H.E.; Tuch, T.; Heinrich, J.; Heyder, J. Respiratory effects are associated with the number of ultrafine particles. Amer. J. Respir. Crit. Care Med. 1997, 155, 1376–1383. [Google Scholar] [CrossRef]
- Kuhlbusch, T.A.J.; Neumann, S.; Fissan, H. Number size distribution, mass concentration, and particle composition of PM1, PM2.5, and PM10 in bag filling areas of carbon black production. J. Occup. Environ. Hyg. 2004, 1, 660–671. [Google Scholar] [CrossRef] [PubMed]
- Peters, T.M.; Elzey, S.; Johnson, R.; Park, H.; Grassian, V.H.; Maher, T.; O’Shaughnessy, P. Airborne monitoring to distinguish engineered nanomaterials from incidental particles for environmental health and safety. J. Occup. Environ. Hyg. 2008, 6, 73–81. [Google Scholar] [CrossRef]
- Cheng, Y.S. Condensation detection and diffusion size separation techniques. In Aerosol Measurements Principles, Techniques, and Applications; Baron, W., Ed.; Wiley-Interscience: New York, NY, USA, 2001; pp. 569–601. [Google Scholar]
- Asbach, C.; Kaminski, H.; Fissan, H.; Monz, C.; Dahmann, D.; Mülhopt, S.; Paur, H.R.; Kiesling, H.J.; Herrmann, F.; Voetz, M.; Kuhlbusch, T.A.J. Comparison of four mobility particle sizers with different time resolution for stationary exposure measurements. J. Nanopart. Res. 2009, 11, 1593–1609. [Google Scholar] [CrossRef]
- Asbach, C.; Kaminski, H.; von Barany, D.; Kuhlbusch, T.A.J.; Monz, C.; Dziurowitz, N.; Pelzer, J.; Vossen, K.; Berlin, K.; Dietrich, S.; Götz, U.; Kiesling, H.J.; Schierl, R.; Dahmann, D. Comparability of portable nanoparticle exposure monitors. Ann. Occup. Hyg. 2012, 56, 606–621. [Google Scholar] [PubMed]
- Koivisto, A.J.; Yu, M.; Hämeri, K.; Seipenbusch, M. Size resolved particle emission rates from an evolving indoor aerosol system. J. Aerosol Sci. 2012, 47, 58–69. [Google Scholar] [CrossRef]
- Leskinen, J.; Joutsensaari, J.; Lyyränen, J.; Koivisto, J.; Ruusunen, J.; Järvelä, M.; Tuomi, T.; Hämeri, K.; Auvinen, A.; Jokiniemi, J. Comparison of nanoparticle measurement instruments for occupational health applications. J. Nanopart. Res. 2012, 14. [Google Scholar] [CrossRef]
- Hämeri, K.; Koponen, I.K.; Aalto, P.P.; Kulmala, M. The particle detection efficiency of the TSI-3007 condensation particle counter. J. Aerosol Sci. 2002, 33, 1463–1469. [Google Scholar] [CrossRef]
- Park, J.Y.; Ramachandran, G.; Raynor, P.C.; Olson, G.M., Jr. Determination of particle concentration rankings by spatial mapping of particle surface area, number, and mass concentrations in a restaurant and a die casting plant. J. Occup. Environ. Hyg. 2010, 7, 466–476. [Google Scholar] [CrossRef] [PubMed]
- Ramachandran, G.; Paulsen, D.; Watts, W.; Kittelson, D. Mass, surface area and number metrics in diesel occupational exposure assessment. J. Environ. Monit. 2005, 7, 728–735. [Google Scholar] [CrossRef] [PubMed]
- Stefaniak, A.B.; Breysse, P.N.; Murray, M.P.M.; Rooney, B.C.; Schaefer, J. An evaluation of employee exposure to volatile organic compounds in three photocopy centers. Environ. Res. 2000, 83, 162–173. [Google Scholar] [CrossRef] [PubMed]
- Sarkhosh, M.; Mahvi, A.H.; Zare, M.R.; Fakhri, Y.; Shamsolahi, H.R. Indoor contaminants from hardcopy devices: Characteristics of VOCs in photocopy centers. Atmos. Environ. 2012, 63, 307–312. [Google Scholar] [CrossRef]
- Bello, A.; Quinn, M.M.; Milton, D.K.; Perry, M.J. Determinants of exposure to 2-butoxyethanol from cleaning tasks: A quasi-experimental study. Ann. Occup. Hyg. 2013, 57, 125–135. [Google Scholar] [CrossRef] [PubMed]
- Bello, A.; Quinn, M.M.; Perry, M.J.; Milton, D.K. Quantitative assessment of airborne exposures generated during common cleaning tasks: A pilot study. Environ. Health 2010, 9. [Google Scholar] [CrossRef]
- Goldin, L.J.; Ansher, L.; Berlin, A.; Cheng, J.; Kanopkin, D.; Khazan, A.; Kisivuli, M.; Lortie, M.; Peterson, E.B.; Pohl, L.; et al. Indoor air quality survey of nail salons in Boston. J. Immigrant Minority Health 2014, 16, 508–514. [Google Scholar] [CrossRef]
- Preller, L.; Burstyn, I.; De Pater, N.; Kromhout, H. Characteristics of peaks of inhalation exposure to organic solvents. Ann. Occup. Hyg. 2004, 48, 643–652. [Google Scholar] [CrossRef] [PubMed]
- Koivisto, A.J.; Jensen, A.C.Ø.; Levin, M.; Kling, K.I.; dal Maso, M.; Nielsen, S.H.; Jensen, K.A.; Koponen, I.K. Testing the near field/far field model performance for prediction of particulate matter emissions in a paint factory. Environ. Sci. Process. Impact. 2015, 17, 62–73. [Google Scholar] [CrossRef]
- Koponen, I.K.; Koivisto, A.J.; Jensen, K.A. Worker exposure and high time-resolution analyses of process-related submicrometre particle concentrations at mixing stations in two paint factories. Ann. Occup. Hyg. 2015, in press. [Google Scholar]
- Janssen, N.A.H.; Hoek, G.; Harssema, H.; Brunekreef, B. Personal sampling of airborne particles: Method performance and data quality. J. Expo. Anal. Environ. Epidemiol. 1998, 8, 37–49. [Google Scholar] [PubMed]
- NIOSH Pocket Guide to Chemical Hazards 0466. Available online: http://www.cdc.gov/niosh/npg/npgd0466.html (accessed on 20 February 2015).
- Bernstein, D.I.; Jolly, A. current diagnostic methods for diisocyanate induced occupational asthma. Amer. J. Ind. Med. 1999, 36, 459–468. [Google Scholar] [CrossRef]
- NIOSH Pocket Guide to Chemical Hazards 0413. Available online: http://www.cdc.gov/niosh/npg/npgd0413.html (accessed on 20 February 2015).
- Kelly, F.J.; Fussell, J.C. Size, source and chemical composition as determinants of toxicity attributable to ambient particle matter. Atmos. Environ. 2012, 60, 504–526. [Google Scholar] [CrossRef]
© 2015 by the authors; licensee MDPI, Basel, Switzerland. This article is an open access article distributed under the terms and conditions of the Creative Commons Attribution license (http://creativecommons.org/licenses/by/4.0/).
Share and Cite
Mølgaard, B.; Viitanen, A.-K.; Kangas, A.; Huhtiniemi, M.; Larsen, S.T.; Vanhala, E.; Hussein, T.; Boor, B.E.; Hämeri, K.; Koivisto, A.J. Exposure to Airborne Particles and Volatile Organic Compounds from Polyurethane Molding, Spray Painting, Lacquering, and Gluing in a Workshop. Int. J. Environ. Res. Public Health 2015, 12, 3756-3773. https://doi.org/10.3390/ijerph120403756
Mølgaard B, Viitanen A-K, Kangas A, Huhtiniemi M, Larsen ST, Vanhala E, Hussein T, Boor BE, Hämeri K, Koivisto AJ. Exposure to Airborne Particles and Volatile Organic Compounds from Polyurethane Molding, Spray Painting, Lacquering, and Gluing in a Workshop. International Journal of Environmental Research and Public Health. 2015; 12(4):3756-3773. https://doi.org/10.3390/ijerph120403756
Chicago/Turabian StyleMølgaard, Bjarke, Anna-Kaisa Viitanen, Anneli Kangas, Marika Huhtiniemi, Søren Thor Larsen, Esa Vanhala, Tareq Hussein, Brandon E. Boor, Kaarle Hämeri, and Antti Joonas Koivisto. 2015. "Exposure to Airborne Particles and Volatile Organic Compounds from Polyurethane Molding, Spray Painting, Lacquering, and Gluing in a Workshop" International Journal of Environmental Research and Public Health 12, no. 4: 3756-3773. https://doi.org/10.3390/ijerph120403756
APA StyleMølgaard, B., Viitanen, A.-K., Kangas, A., Huhtiniemi, M., Larsen, S. T., Vanhala, E., Hussein, T., Boor, B. E., Hämeri, K., & Koivisto, A. J. (2015). Exposure to Airborne Particles and Volatile Organic Compounds from Polyurethane Molding, Spray Painting, Lacquering, and Gluing in a Workshop. International Journal of Environmental Research and Public Health, 12(4), 3756-3773. https://doi.org/10.3390/ijerph120403756

