Modeling of Measuring Transducers for Relay Protection Systems of Electrical Installations
Abstract
1. Introduction
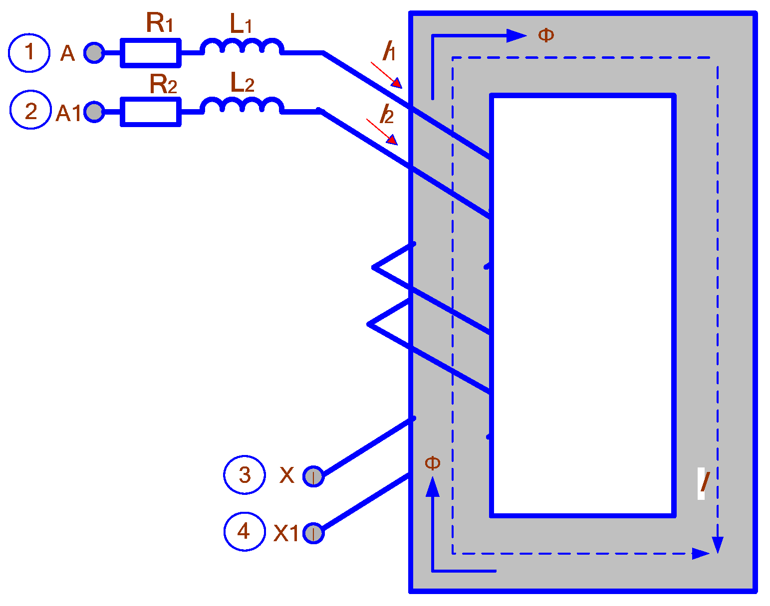
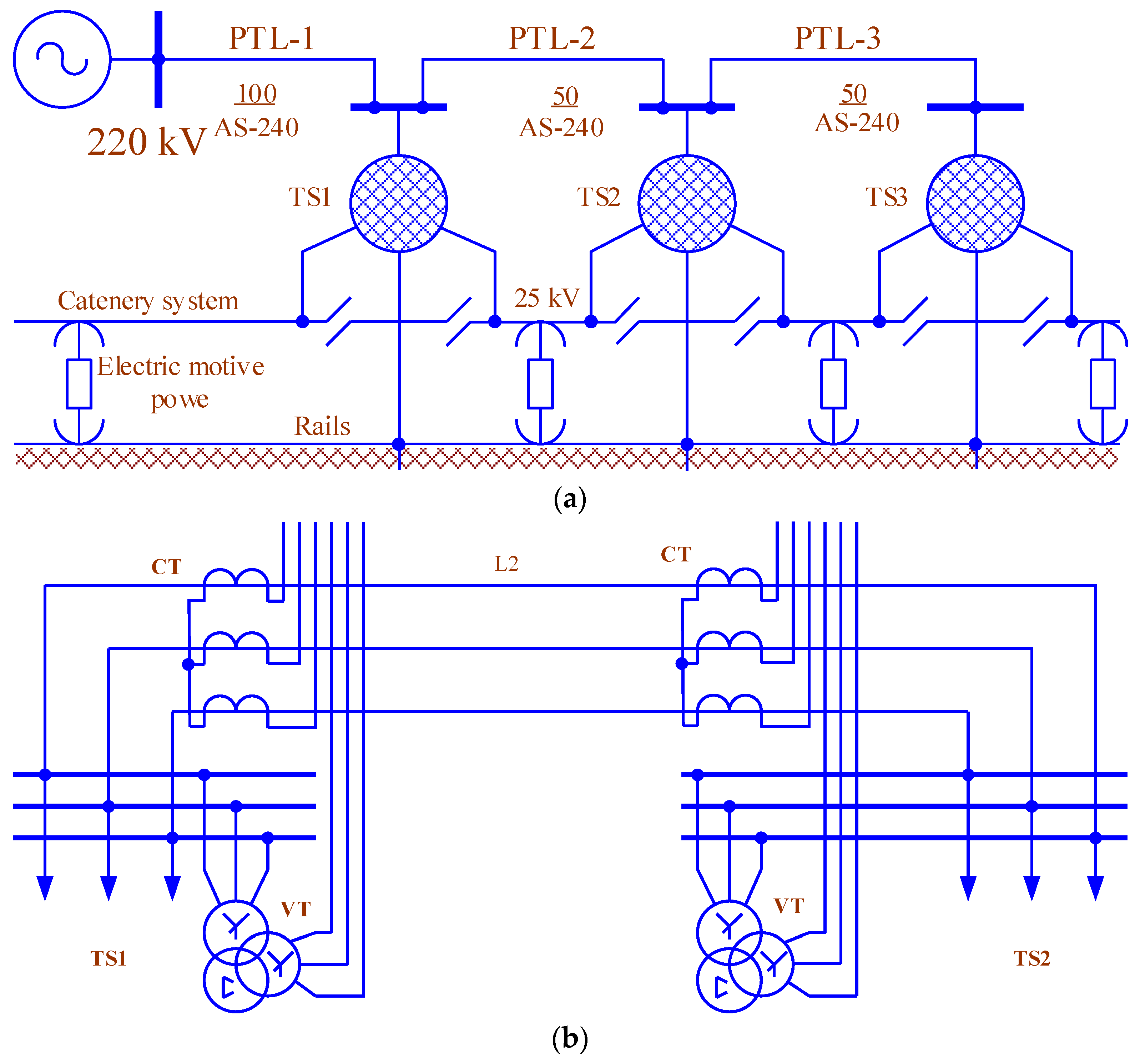
2. Modeling of Measuring Transformers in Phase Coordinates
3. Modeling of Symmetrical Component Filters
4. Conclusions
Author Contributions
Funding
Institutional Review Board Statement
Informed Consent Statement
Data Availability Statement
Conflicts of Interest
References
- Zakaryukin, V.P.; Kryukov, A.V. Complex Unbalanced Conditions of Electrical Systems; Publishing House of Irkutsk University: Irkutsk, Russia, 2005; 273p. [Google Scholar]
- Zakaryukin, V.P.; Kodolov, N.G.; Kryukov, A.V. Using models of measuring current and voltage transformers in the analysis of operating modes of symmetrical component filters. Relayshchik 2014, 4, 4–9. [Google Scholar]
- Bulatov, Y.N.; Kryukov, A.V.; Suslov, K.V. Multi-agent technologies for control of distributed generation plants in the isolated power systems. Far East J. Electron. Commun. 2017, 17, 1197–1210. [Google Scholar] [CrossRef]
- Kryukov, A.V.; Suslov, K.V.; Kodolov, N.G. Modeling of measuring transformers and filters of symmetrical components based on phase coordinates. Relay Prot. Autom. 2023, 4, 62–67. [Google Scholar]
- Afonso, J.I.; Toscano, P.; Briozzo, I. Current Transformer Modeling for Electromagnetic Transient Simulation in Protection Systems. In Proceedings of the 2020 IEEE PES Transmission & Distribution Conference and Exhibition—Latin America (T&D LA), Montevideo, Uruguay, 28 September–2 October 2020. [Google Scholar] [CrossRef]
- Zhang, D.; Chen, J.C.; Phung, T. Study on transient and frequency response of current transformer using Jiles-Atherton model. In Proceedings of the IEEE 2013 Tencon—Spring, Sydney, NSW, Australia, 17–19 April 2013. [Google Scholar] [CrossRef]
- Pu, Y.; Fan, H.; Lin, S. Effect Analysis of DC Bias on the Transfer Characteristics of Current Transformers. In Proceedings of the 2023 5th Asia Energy and Electrical Engineering Symposium (AEEES), Chengdu, China, 23–26 March 2023. [Google Scholar] [CrossRef]
- Fritsch, M.; Wolter, M. High-Frequency Current Transformer Design and Construction Guide. IEEE Trans. Instrum. Meas. 2022, 71, 9004309. [Google Scholar] [CrossRef]
- Wu, W.; Hou, K.; Wu, D.; Wu, K.; Liu, B. Optimal Design of Flux Coupling Differential Zero-Sequence Current Transformer. In Proceedings of the 2020 4th International Conference on Power and Energy Engineering (ICPEE), Xiamen, China, 19–21 November 2020. [Google Scholar] [CrossRef]
- Yang, L.; Zhang, D.; Hu, S.; Song, Q.; Wang, Y.; Huang, Z.; Meng, Q. Study on the Transmission Characteristics of Current Transformer Based on the Improved J-A Hysteresis Model Based on Brillouin Function. In Proceedings of the 2023 3rd International Conference on Energy, Power and Electrical Engineering (EPEE), Wuhan, China, 15–17 September 2023. [Google Scholar] [CrossRef]
- Rafajdus, P.; Bracinik, P.; Hrabovcova, V.; Saitz, J.; Kankula, L. Current transformer analysis under transient conditions. In Proceedings of the XIX International Conference on Electrical Machines—ICEM 2010, Rome, Italy, 6–8 September 2010. [Google Scholar] [CrossRef]
- Laurano, C.; Toscani, S.; Zanoni, M. Improving the Accuracy of Current Transformers through Harmonic Distortion Compensation. In Proceedings of the 2019 IEEE International Instrumentation and Measurement Technology Conference (I2MTC), Auckland, New Zealand, 20–23 May 2019. [Google Scholar] [CrossRef]
- Afonso, J.I.; Toscano, P.; Briozzo, I. Current Transformer model validation on EMTP-ATP software. In Proceedings of the 2020 IEEE PES Transmission & Distribution Conference and Exhibition—Latin America (T&D LA), Montevideo, Uruguay, 28 September–2 October 2020. [Google Scholar] [CrossRef]
- Fritsch, M.; Wolter, M. Saturation of High-Frequency Current Transformers: Challenges and Solutions. IEEE Trans. Instrum. Meas. 2023, 72, 9004110. [Google Scholar] [CrossRef]
- Mahajan, S.M.; Robalino, D.M.; Sivan, V. Thermal Modeling of an Inverted-Type Oil-Immersed Current Transformer. IEEE Trans. Power Deliv. 2010, 25, 2511–2518. [Google Scholar] [CrossRef]
- Wu, Q.; Lu, K.; Li, H. Modeling and analysis of current transformer for fast switching power module current measurement. In Proceedings of the 2016 IEEE 8th International Power Electronics and Motion Control Conference (IPEMC-ECCE Asia), Hefei, China, 22–26 May 2016. [Google Scholar] [CrossRef]
- Ayyadurai, P.; Padmanabhan, S.; Prabu, A. Modeling current transformer behavior using curve-fitting via optimization. In Proceedings of the 2014 International Symposium on Fundamentals of Electrical Engineering (ISFEE), Bucharest, Romania, 28–29 November 2014. [Google Scholar] [CrossRef]
- Lebedev, V.; Shuin, V.; Yablokov, A.; Filatova, G. Modeling of measuring current and voltage transformers in dynamic modes. In Proceedings of the 2014 International Conference on Mechanical Engineering, Automation and Control Systems (MEACS), Tomsk, Russia, 16–18 October 2014. [Google Scholar] [CrossRef]
- Ding, Y.; Zhang, Q.; Liu, X.; Gao, M.; Li, Y.; Zhao, Y.; Ma, H.; Liu, G.; Wang, K. Study on thermal circuit model of typical disconnector and current transformer. In Proceedings of the 2017 1st International Conference on Electrical Materials and Power Equipment (ICEMPE), Xi’an, China, 14–17 May 2017. [Google Scholar] [CrossRef]
- Emanuel, A.E.; Orr, J.A. Current Harmonics Measurement by Means of Current Transformers. IEEE Trans. Power Deliv. 2007, 22, 1318–1325. [Google Scholar] [CrossRef]
- Vaytelenok, L. Operation of Relay Protection Digital Elements at Saturation of Current Transformers: Modeling and Analysis. In Proceedings of the 2019 International Conference on Industrial Engineering, Applications and Manufacturing (ICIEAM), Sochi, Russia, 25–29 March 2019. [Google Scholar] [CrossRef]
- Stognii, B.; Pankiv, V.; Tankevych, E. Iterative calculation of electromagnetic processes in the current transformer by the approximated magnetization curve. In Proceedings of the 2014 IEEE International Conference on Intelligent Energy and Power Systems (IEPS), Kyiv, Ukraine, 2–6 June 2014. [Google Scholar] [CrossRef]
- Ashraf, H.M.; Abbas, G.; Rehman, U.A.S. Modeling and simulation of optical current transformer using operational amplifiers. In Proceedings of the 2017 International Conference on Electrical Engineering (ICEE), Lahore, Pakistan, 2–4 March 2017. [Google Scholar] [CrossRef]
- Zhang, D.; Yang, L.; Song, Q.; Chen, F.; Wang, B.; Xu, C.; Cai, Y. Current Transformer Saturation Detection and Compensation Correction Technology Based on Intelligent Algorithm. In Proceedings of the 2023 IEEE/IAS Industrial and Commercial Power System Asia (I&CPS Asia), Chongqing, China, 7–9 July 2023. [Google Scholar] [CrossRef]
- Faifer, M.; Laurano, C.; Ottoboni, R.; Toscani, S. Investigating and Modeling the Harmonic Measurement Accuracy of Current Transformers. In Proceedings of the 2022 IEEE 12th International Workshop on Applied Measurements for Power Systems (AMPS), Cagliari, Italy, 28–30 September 2022. [Google Scholar] [CrossRef]
- Bui, A.T.; Sixdenier, F.; Morel, L.; Burais, N. Characterization and Modeling of a Current Transformer Working Under Thermal Stress. IEEE Trans. Magn. 2012, 48, 2600–2604. [Google Scholar] [CrossRef]
- Makov, D.K.; Polishchuk, O.V. Measurement of nonsinusoidal factor for single-phase voltage using of symmetric components filters. Tech. Electrodyn. 2016, 5, 20–22. [Google Scholar] [CrossRef]
- Laurano, C.; Toscani, S.; Zanoni, M. A Simple Method for Compensating Harmonic Distortion in Current Transformers: Experimental Validation. Sensors 2021, 21, 2907. [Google Scholar] [CrossRef] [PubMed]
- Mingotti, A.; Peretto, L.; Bartolomei, L.; Cavaliere, D.; Tinarelli, R. Are inductive current transformers performance really affected by actual distorted network conditions? An experimental case study. Sensors 2020, 20, 927. [Google Scholar] [CrossRef] [PubMed]
- Zhou, Q.; He, W.; Xiao, D.; Li, S.; Zhou, K. Study and Experiment on Non-Contact Voltage Sensor Suitable for Three-Phase Transmission Line. Sensors 2016, 16, 40. [Google Scholar] [CrossRef]
- Ilyushin, P.; Volnyi, V.; Suslov, K.; Filippov, S. Review of Methods for Addressing Challenging Issues in the Operation of Protection Devices in Microgrids with Voltages of up to 1 kV That Integrates Distributed Energy Resources. Energies 2022, 15, 9186. [Google Scholar] [CrossRef]
- Zakaryukin, V.P.; Kryukov, A.V.; Kushov, A.V.; Cherepanov, A.V. Parametrical identification of railroad traction power supply systems of alternating current. In Proceedings of the 6th International Symposium on Innovation and Sustainability of Modern Railway ISMR, Beijing, China, 2–6 June 2018; pp. 333–338. [Google Scholar]
- Khaitan, S.K.; McCalley, J.D. Design techniques and applications of cyberphysical systems: A survey. IEEE Syst. J. 2014, 9, 350–365. [Google Scholar] [CrossRef]













| Parameter | Measurement Units | Short-Circuit Type | ||||||||
|---|---|---|---|---|---|---|---|---|---|---|
| A | B | C | A | B | C | A | B | C | ||
| Voltage | kV | |||||||||
| degree | ||||||||||
| Current | A | 1412 | 9.7 | 9.7 | 9.6 | 1412 | 9.6 | 9.6 | 9.7 | 1412 |
| degree | −109.4 | −60.6 | 179.0 | 63.7 | 130.7 | 176.2 | 60.9 | −59.5 | 10.7 | |
| VT secondary winding voltage | V | |||||||||
| degree | −32.9 | −149.6 | 89.3 | −30.7 | −152.9 | 90.4 | −29.6 | −150.7 | 87.1 | |
| CT secondary winding current | A | 7.03 | 0.05 | 0.05 | 0.05 | 7.03 | 0.05 | 0.05 | 0.05 | 7.03 |
| degree | −108.9 | −60.1 | 179.4 | 64.2 | 131.1 | 176.7 | 61.4 | −59.0 | 11.1 | |
| Parameter | Sequence | Diagram |
|---|---|---|
| Voltage | Positive | ![]() |
| Negative | ![]() | |
| Zero | ![]() | |
| Current | Negative | ![]() |
| Zero | ![]() |
Disclaimer/Publisher’s Note: The statements, opinions and data contained in all publications are solely those of the individual author(s) and contributor(s) and not of MDPI and/or the editor(s). MDPI and/or the editor(s) disclaim responsibility for any injury to people or property resulting from any ideas, methods, instructions or products referred to in the content. |
© 2025 by the authors. Licensee MDPI, Basel, Switzerland. This article is an open access article distributed under the terms and conditions of the Creative Commons Attribution (CC BY) license (https://creativecommons.org/licenses/by/4.0/).
Share and Cite
Iliev, I.; Kryukov, A.; Suslov, K.; Kodolov, N.; Kryukov, A.; Beloev, I.; Valeeva, Y. Modeling of Measuring Transducers for Relay Protection Systems of Electrical Installations. Sensors 2025, 25, 344. https://doi.org/10.3390/s25020344
Iliev I, Kryukov A, Suslov K, Kodolov N, Kryukov A, Beloev I, Valeeva Y. Modeling of Measuring Transducers for Relay Protection Systems of Electrical Installations. Sensors. 2025; 25(2):344. https://doi.org/10.3390/s25020344
Chicago/Turabian StyleIliev, Iliya, Andrey Kryukov, Konstantin Suslov, Nikolay Kodolov, Aleksandr Kryukov, Ivan Beloev, and Yulia Valeeva. 2025. "Modeling of Measuring Transducers for Relay Protection Systems of Electrical Installations" Sensors 25, no. 2: 344. https://doi.org/10.3390/s25020344
APA StyleIliev, I., Kryukov, A., Suslov, K., Kodolov, N., Kryukov, A., Beloev, I., & Valeeva, Y. (2025). Modeling of Measuring Transducers for Relay Protection Systems of Electrical Installations. Sensors, 25(2), 344. https://doi.org/10.3390/s25020344






