Research and Optimization of High-Performance Front-End Circuit Noise for Inertial Sensors
Abstract
1. Introduction
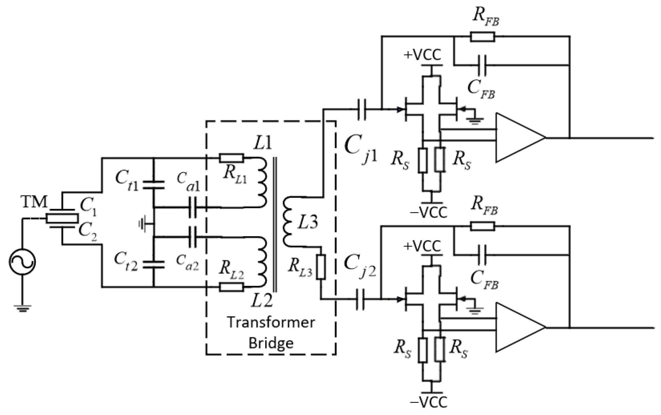
2. Transformer Bridge Noise Analysis
2.1. Working Principle of Transformer Bridge
2.2. Analysis of the Transformer Parameters
3. Analysis and Optimization of TIA Noise Influencing Factors
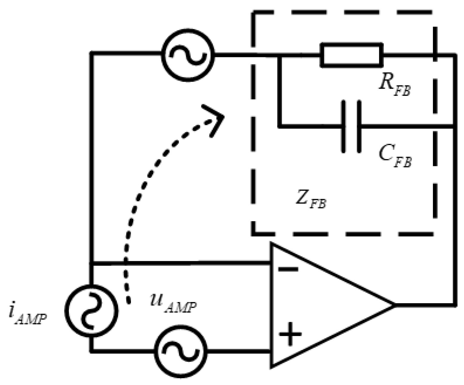
3.1. TIA Circuit Noise Analysis and Optimization
3.1.1. TIA Circuit Noise Analysis
3.1.2. Discrete TIA Noise Analysis
3.2. Discrete TIA Noise Influencing Factors
3.2.1. Effect of Feedback Capacitance
3.2.2. Effect of Feedback Resistance
3.2.3. Effect of the Transformer Bridge
4. Experimental Verification and Discussion
4.1. Noise Testing of Transformer Bridges
4.2. Experiment on Comparing Discrete TIA Noise
4.3. Capacitive Sensing Resolution Test
5. Conclusions
Author Contributions
Funding
Institutional Review Board Statement
Informed Consent Statement
Data Availability Statement
Acknowledgments
Conflicts of Interest
References
- Luo, Z.R.; Zhang, M.; Jin, G.; Wu, Y.L.; Hu, W. Introduction of Chinese space-borne gravitational wave detection program “Tai-ji” and “Taiji-1” satellite mission. J. Deep Space Explor. 2020, 7, 3–10. [Google Scholar]
- Wu, Y.L.; Hu, W.R.; Wang, J.Y.; Chang, J.; Cai, R.; Zhang, Y.; Luo, Z.; Lu, Y.; Zhou, Y.; Guo, Z. Review and Scientific Objectives of Spaceborne Gravitational Wave Detection Missions. Chin. J. Space Sci. 2023, 43, 589–599. [Google Scholar] [CrossRef]
- Luo, Z.R.; Zhang, M.; Jin, G. Overall discussion on the key problems of a space-borne laser interferometer gravitational wave antenna. Chin. Sci. Bull. 2019, 64, 2468–2474. [Google Scholar]
- Danzmann, K. LISA mission overview. Adv. Space Res. 2000, 25, 1129–1136. [Google Scholar] [CrossRef]
- Hu, W.R.; Wu, Y.L. The Taiji Program in Space for gravitational wave physics and the nature of gravity. Natl. Sci. Rev. 2017, 4, 685–686. [Google Scholar] [CrossRef]
- Luo, J.; Chen, L.S.; Duan, H.Z.; Gong, Y.G.; Hu, S.C.; Ji, J.H.; Liu, Q.; Mei, J.W.; Milyukov, V.; Sazhin, M.; et al. TianQin: A space-borne gravitational wave detector. Class. Quantum Gravity 2016, 33, 035010. [Google Scholar] [CrossRef]
- Luo, Z.R.; Zhong, M.; Bian, X.; Dong, P.; Dong, Y.; Gao, W.; Li, H.; Li, Y.; Liu, H. Mapping Earth’s gravity in space: Review and future perspective. Adv. Mech. 2014, 44, 201408. [Google Scholar]
- Lange, B. The Control and Use of Drag-Free Satellite. Ph.D. Thesis, Stanford University, Stanford, CA, USA, 1964. [Google Scholar]
- Nobili, A.M.; Anselmi, A. Relevance of the weak equivalence principle and experiments to test it: Lessons from the past and improvements expected in space. Phys. Lett. A 2018, 382, 2205–2218. [Google Scholar] [CrossRef]
- Huang, T.; Lühr, H.; Wang, H.; Xiong, C. The relationship of high-latitude thermospheric wind with ionospheric horizontal current, as observed by CHAMP satellite. J. Geophys. Res. Space Phys. 2017, 122, 12378–12392. [Google Scholar] [CrossRef]
- Touboul, P.; Métris, G.; Rodrigues, M.; André, Y.; Baghi, Q.; Bergé, J.; Boulanger, D.; Bremer, S.; Carle, P.; Chhun, R.; et al. MICROSCOPE mission: First results of a space test of the equivalence principle. Phys. Rev. Lett. 2017, 119, 231101. [Google Scholar] [CrossRef] [PubMed]
- Armano, M.; Audley, H.; Auger, G.; Baird, J.T.; Bassan, M.; Binetruy, P.; Born, M.; Bortoluzzi, D.; Brandt, N.; Caleno, M.; et al. Sub-femto-g free fall for space-based gravitational wave observatories: LISA pathfinder results. Phys. Rev. Lett. 2016, 116, 231101. [Google Scholar] [CrossRef] [PubMed]
- Anderson, G.; Anderson, J.; Anderson, M.; Aveni, G.; Bame, D.; Barela, P.; Blackman, K.; Carmain, A.; Chen, L.; Cherng, M.; et al. Experimental results from the ST7 mission on LISA Pathfinder. Phys. Rev. D 2018, 98, 102005. [Google Scholar] [CrossRef]
- Chai, G.Z.; Huang, L.; Qiao, L. Effect of the on-board residual magnetism on inertial sensors. Chin. Opt. 2019, 12, 515–525. [Google Scholar] [CrossRef]
- Audley, H.; Born, M.; Danzmann, K.; Diepholz, I.; Heinzel, G.; Hewitson, M.; Karnesis, N.; Kaune, B.; Korsakova, N.; Paczkowsk, S.; et al. LISA Pathfinder: First step to observing gravitational waves from space. J. Phys. Conf. Ser. 2017, 840, 012001. [Google Scholar]
- Armano, M.; Audley, H.; Auger, G.; Baird, J.; Bassan, M.; Binetruy, P.; Born, M.; Bortoluzzi, D.; Brandt, N.; Caleno, M.; et al. Capacitive sensing of test mass motion with nanometer precision over millimeter-wide sensing gaps for space-borne gravitational reference sensors. Phys. Rev. D 2017, 96, 062004. [Google Scholar] [CrossRef]
- Armano, M.; Audley, H.; Baird, J.; Binetruy, P.; Born, M.; Bortoluzzi, D.; Castelli, E.; Cavalleri, A.; Cesarini, A.; Cruise, A.M.; et al. Beyond the Required LISA Free-Fall Performance: New LISA Pathfinder Results down to 20 μhz. Phys. Rev. Lett. 2018, 120, 061101. [Google Scholar] [CrossRef] [PubMed]
- Mance, D. Development of Electronic System for Sensing and Actuation of Test Mass of the Inertial Sensor LISA. Ph.D. Thesis, University of Split, Split, Croatia, 2012. [Google Scholar]
- Sui, Y.; Yu, T.; Wang, L.; Wang, Z.; Xue, K.; Chen, Y.; Liu, X.; Chen, Y. Analysis of a Capacitive Sensing Circuit and Sensitive Structure Based on a Low-Temperature-Drift Planar Transformer. Sensors 2022, 22, 9284. [Google Scholar] [CrossRef] [PubMed]
- Mance, D.; Marasovic, J. EMC in electronic system developed to support measurements in space environment. In Proceedings of the 20th International Conference on Software, Telecommunications and Computer Networks, Split, Croatia, 11–13 September 2012. [Google Scholar]
- Van der Ziel, A. Thermal Noise in Field Effect Transistors. Proc. IRE 1962, 50, 1808–1812. [Google Scholar] [CrossRef]














| Parameter | Transformer 1 | Transformer 2 |
|---|---|---|
| Inductor (L) | 4.4 mH | 4.37 mH |
| Quality factor (Q) | 197 | 395 |
| Coupling factor (K) | 0.97 | 0.97 |
| Tuning capacitors (,) | 304.68 pF | 306.85 pF |
| Driving capacitors (,) | 10 nF | 10 nF |
| 3.3 pF | ||
| 1.38 × 10−23 m2kgK−1 s−2 | ||
| 300 K | ||
| 100 kHz | ||
| Parameter | Value | Noise Source | Equation | Result |
|---|---|---|---|---|
| 5 nV/rtHz | AMP voltage noise | 13.3 nV/rtHz | ||
| 335 fA/rtHz | AMP current noise | 228.2 nV/rtHz | ||
| 3.3 pF | TIA thermal noise | 27.73 nV/rtHz | ||
| 10 MΩ | Total noise | 230.3 nV/rtHz |
| Noise Source | Equation | Result |
|---|---|---|
| TIA voltage noise | 13.3 nV/rtHz | |
| TIA current noise | 0.13 nV/rtHz | |
| TIA thermal noise | 27.7 nV/rtHz | |
| JFET voltage noise | 15.1 nV/rtHz | |
| JFET current noise | 2.9 nV/rtHz | |
| JFET current noise | 0.001 nV/rtHz | |
| JFET thermal noise | 4.9 nV/rtHz | |
| Total noise | 34.71 nV/rtHz |
| Noise | Gain | Normalized Result | |
|---|---|---|---|
| TIA | 26.7 uV/rtHz | 26 V/pF | 41.1 uV/rtHz |
| Discrete TIA | 7.17 uV/rtHz | 40 V/pF | 7.17 uV/rtHz |
Disclaimer/Publisher’s Note: The statements, opinions and data contained in all publications are solely those of the individual author(s) and contributor(s) and not of MDPI and/or the editor(s). MDPI and/or the editor(s) disclaim responsibility for any injury to people or property resulting from any ideas, methods, instructions or products referred to in the content. |
© 2024 by the authors. Licensee MDPI, Basel, Switzerland. This article is an open access article distributed under the terms and conditions of the Creative Commons Attribution (CC BY) license (https://creativecommons.org/licenses/by/4.0/).
Share and Cite
Chen, Y.; Liu, X.; Wang, L.; Yu, T.; Wang, Z.; Xue, K.; Sui, Y.; Chen, Y. Research and Optimization of High-Performance Front-End Circuit Noise for Inertial Sensors. Sensors 2024, 24, 805. https://doi.org/10.3390/s24030805
Chen Y, Liu X, Wang L, Yu T, Wang Z, Xue K, Sui Y, Chen Y. Research and Optimization of High-Performance Front-End Circuit Noise for Inertial Sensors. Sensors. 2024; 24(3):805. https://doi.org/10.3390/s24030805
Chicago/Turabian StyleChen, Yuzhu, Xin Liu, Longqi Wang, Tao Yu, Zhi Wang, Ke Xue, Yanlin Sui, and Yongkun Chen. 2024. "Research and Optimization of High-Performance Front-End Circuit Noise for Inertial Sensors" Sensors 24, no. 3: 805. https://doi.org/10.3390/s24030805
APA StyleChen, Y., Liu, X., Wang, L., Yu, T., Wang, Z., Xue, K., Sui, Y., & Chen, Y. (2024). Research and Optimization of High-Performance Front-End Circuit Noise for Inertial Sensors. Sensors, 24(3), 805. https://doi.org/10.3390/s24030805

