Improving Electrical Stimulation Effectiveness and Versatility for Non-Invasive Transdermal Monitoring Applications via an Innovative Mixed-Signal Electronic Interface
Abstract
1. Introduction
2. Materials and Methods
- High voltage power supply: this block is needed to supply high voltages if stimulating high impedance loads;
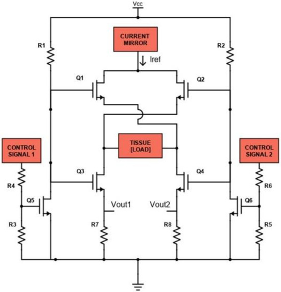
- Voltage-controlled current sink: this circuital block is used to inject the desired amount of current into the stimulated tissue, regardless of its impedance (within a certain range); a current sink topology was chosen over a current source topology in order to allow the use of low voltages as the control signal, produced directly by a DAC without the need of a further condition (e.g., amplification stages);
- Current mirror: the current mirror block is needed to apply to the stimulated tissue the current produced by the current sink;
- H-bridge: the h-bridge block is used to apply biphasic stimuli to the tissue without the need of a dual power supply.

3. Results
3.1. Monophasic Test
3.2. Biphasic Test
3.3. Injected Currents
3.4. Reverse Iontophoresis Scenario
4. Discussion and Conclusions
Author Contributions
Funding
Institutional Review Board Statement
Informed Consent Statement
Data Availability Statement
Conflicts of Interest
References
- Liu, X.; Demosthenous, A.; Donaldson, N. An integrated stimulator with DC-isolation and fine current control for implanted nerve tripoles. IEEE J. Solid-State Circuits 2011, 46, 1701–1714. [Google Scholar] [CrossRef]
- Gan, L.S.; Prochazka, A.; Bornes, T.D.; Denington, A.A.; Chan, K.M. A new means of transcutaneous coupling for neural prostheses. IEEE Trans. Biomed. Eng. 2007, 54, 509–517. [Google Scholar] [CrossRef]
- Zhou, Y.; Fang, Y.; Gui, K.; Li, K.; Zhang, D.; Liu, H. sEMG bias-driven functional electrical stimulation system for upper-limb stroke rehabilitation. IEEE Sens. J. 2018, 18, 6812–6821. [Google Scholar] [CrossRef]
- Chang, C.L.; Jin, Z.; Cheng, A.C. Predicting end-point locomotion from neuromuscular activities of people with spina bifida: A self-organizing and adaptive technique for future implantable and noninvasive neural prostheses. In Proceedings of the 30th Annual International Conference of the IEEE Engineering in Medicine and Biology Society (EMBC), Vancouver, BC, Canada, 20–25 August 2008; pp. 4203–4207. [Google Scholar]
- Davoodi, R.; Urata, C.; Hauschild, M.; Khachani, M.; Loeb, G.E. Model-based development of neural prostheses for movement. IEEE Trans. Biomed. Eng. 2007, 54, 1909–1918. [Google Scholar] [CrossRef]
- Usman, H.; Zhou, Y.; Metcalfe, B.; Zhang, D. A functional electrical stimulation system of high-density electrodes with auto-calibration for optimal selectivity. IEEE Sens. J. 2020, 20, 8833–8843. [Google Scholar] [CrossRef]
- Troyk, P.R.; DeMichele, G.; Detlefsen, D. Modular VLSI electronic design for implantable neural prostheses. In Proceedings of the 24th Annual International Conference of the IEEE Engineering in Medicine and Biology Society (EMBC), Houston, TX, USA, 23–26 October 2002; Volume 3, pp. 2063–2065. [Google Scholar]
- Sheffer, L.R.; Chae, J. Neuromuscular electrical stimulation in neurorehabilitation. Muscle Nerve 2007, 35, 562–590. [Google Scholar] [CrossRef]
- Gheisarnejad, M.; Faraji, B.; Esfahani, Z.; Khooban, M.H. A close loop multi-area brain stimulation control for Parkinson’s patients rehabilitation. IEEE Sens. J. 2019, 20, 2205–2213. [Google Scholar] [CrossRef]
- Krueger, E.; Junior, J.L.C.; Scheeren, E.M.; Neves, E.B.; Mulinari, E.; Nohama, P. Iontophoresis: Principles and applications. Fisioter. Mov. 2014, 27, 469–481. [Google Scholar] [CrossRef]
- Potts, R.O.; Tamada, A.J.; Tierney, M.J. Glucose monitoring by reverse iontophoresis. Diabetes/Metab. Res. Rev. 2002, 18, S49–S53. [Google Scholar] [CrossRef]
- Yeung, K.K.; Huang, T.; Hua, Y.; Zhang, K.; Yuen, M.M.; Gao, Z. Recent advances in electrochemical sensors for wearable sweat monitoring: A review. IEEE Sens. J. 2021, 21, 14522–14539. [Google Scholar] [CrossRef]
- Ching, C.T.S.; Connolly, P. Reverse iontophoresis: A non-invasive technique for measuring blood lactate level. Sens. Actuators B Chem. 2008, 129, 352–358. [Google Scholar] [CrossRef]
- Ching, C.T.S.; Buisson, Y.; Connolly, P. The effect of pulsed bipolar dc on the simultaneous extraction of glucose and lactate by reverse iontophoresis. Sens. Actuators B Chem. 2008, 129, 504–509. [Google Scholar] [CrossRef]
- Burnette, R.R. Iontophoresis Transdermal Drug Delivery; Hadgraft, J., Guy, R.H., Eds.; Marcel Dekker: New York, NY, USA, 1989; pp. 247–291. [Google Scholar]
- Dehghan, M.; Mouzam, M. Advances in iontophoresis for drug delivery. Int. J. Health Res. 2008, 1, 115–127. [Google Scholar] [CrossRef]
- Leboulanger, B.; Guy, R.H.; Delgado-Charro, M.B. Reverse iontophoresis for non-invasive transdermal monitoring. Physiol. Meas. 2004, 25, R35–R50. [Google Scholar] [CrossRef] [PubMed]
- Liu, W.T.; Cao, Y.P.; Zhou, X.H.; Han, D. Interstitial fluid behavior and diseases. Adv. Sci. 2022, 9, 2100617. [Google Scholar] [CrossRef]
- Corrie, S.R.; Coffey, J.W.; Islam, J.; Markey, K.A.; Kendall, M.A.F. Blood, sweat, and tears: Developing clinically relevant protein biosensors for integrated body fluid analysis. Analyst 2015, 140, 4350–4364. [Google Scholar] [CrossRef]
- Tierney, M.J.; Tamada, J.A.; Potts, R.O.; Jovanovic, L.; Garg, S.; Cygnus Research Team. Clinical evaluation of the GlucoWatch® biographer: A continual, non-invasive glucose monitor for patients with diabetes. Biosens. Bioelectron. 2001, 16, 621–629. [Google Scholar] [CrossRef]
- Ching, C.T.S.; Chih, W.Y. Design and evaluation of an affordable and programmable mobile device, capable of delivering constant current and high voltage electric pulses of different waveforms for biomedical and clinical applications. Sens. Actuators B Chem. 2014, 194, 361–370. [Google Scholar] [CrossRef]
- Ching, C.T.S.; Sun, T.P.; Huang, W.T.; Huang, S.H.; Hsiao, C.S.; Chang, K.M. A circuit design of a low-cost, portable and programmable electroporation device for biomedical applications. Sens. Actuators B Chem. 2012, 166, 292–300. [Google Scholar] [CrossRef]
- Ching, C.T.S.; Camilleri, I.; Connolly, P. A low-cost, programmable device for versatile current delivery in iontophoresis applications. Sens. Actuators B Chem. 2005, 106, 534–540. [Google Scholar] [CrossRef]
- Anisimov, A.A.; Egorov, D.A. Development of a portable device for iontophoresis. In Proceedings of the 2020 IEEE Conference of Russian Young Researchers in Electrical and Electronic Engineering (EIConRus), St. Petersburg and Moscow, Russia, 27–30 January 2020; pp. 1478–1482. [Google Scholar]
- Bok, M.; Kwon, Y.I.; Huang, Z.M.; Lim, E. Portable Iontophoresis Device for Efficient Drug Delivery. Bioengineering 2023, 10, 88. [Google Scholar] [CrossRef] [PubMed]
- Liu, E.; Cai, Z.; Ye, Y.; Zhou, M.; Liao, H.; Yi, Y. An Overview of Flexible Sensors: Development, Application, and Challenges. Sensors 2023, 23, 817. [Google Scholar] [CrossRef] [PubMed]
- Zheng, H.; Pu, Z.; Wu, H.; Li, C.; Zhang, X.; Li, D. Reverse iontophoresis with the development of flexible electronics: A review. Biosens. Bioelectron. 2023, 223, 115036. [Google Scholar] [CrossRef]
- Cheng, Y.; Gong, X.; Yang, J.; Zheng, G.; Zheng, Y.; Li, Y.; Xu, Y.; Nie, G.; Xie, X.; Jiang, L.; et al. A touch-actuated glucose sensor fully integrated with microneedle array and reverse iontophoresis for diabetes monitoring. Biosens. Bioelectron. 2022, 203, 114026. [Google Scholar] [CrossRef]
- Xu, C.; Jiang, D.; Ge, Y.; Huang, L.; Xiao, Y.; Ren, X.; Liu, X.; Zhang, Q.; Wang, Y. A PEDOT: PSS conductive hydrogel incorporated with Prussian blue nanoparticles for wearable and noninvasive monitoring of glucose. Chem. Eng. J. 2022, 431, 134109. [Google Scholar] [CrossRef]
- Li, X.; Huang, X.; Mo, J.; Wang, H.; Huang, Q.; Yang, C.; Zhang, T.; Chen, H.; Hang, T.; Liu, F.; et al. A fully integrated closed-loop system based on mesoporous microneedles-iontophoresis for diabetes treatment. Adv. Sci. 2021, 8, 2100827. [Google Scholar] [CrossRef]
- Pu, Z.; Zhang, X.; Yu, H.; Tu, J.; Chen, H.; Liu, Y.; Su, X.; Wang, R.; Zhang, L.; Li, D. A thermal activated and differential self-calibrated flexible epidermal biomicrofluidic device for wearable accurate blood glucose monitoring. Sci. Adv. 2021, 7, eabd0199. [Google Scholar] [CrossRef]
- Giri, T.K.; Ghosh, B.; Bose, P.; Saha, S.; Sarkar, A. Extraction of levetiracetam for therapeutic drug monitoring by transdermal reverse iontophoresis. Eur. J. Pharm. Sci. 2019, 128, 54–60. [Google Scholar] [CrossRef]
- Yang, B.; Fang, X.; Kong, J. Engineered microneedles for interstitial fluid cell-free DNA capture and sensing using iontophoretic dual-extraction wearable patch. Adv. Funct. Mater. 2020, 30, 2000591. [Google Scholar] [CrossRef]
- Ventura, S.A.; Heikenfeld, J.; Brooks, T.; Esfandiari, L.; Boyce, S.; Park, Y.; Kasting, G.B. Cortisol extraction through human skin by reverse iontophoresis. Bioelectrochemistry 2017, 114, 54–60. [Google Scholar] [CrossRef] [PubMed]
- Teepoo, S.; Chumsaeng, P.; Jongjinakool, S.; Chantu, K.; Nolykad, W. A new simple and rapid colorimetric screening test for semi-qualitative analysis of vitamin C in fruit juices based on Prussian blue. J. Appl. Sci. 2012, 12, 568–574. [Google Scholar] [CrossRef][Green Version]
- Cheng, K.E.; Lu, Y.; Tong, K.Y.; Rad, A.B.; Chow, D.H.; Sutanto, D. Development of a circuit for functional electrical stimulation. IEEE Trans. Neural Syst. Rehabil. Eng. 2004, 12, 43–47. [Google Scholar] [CrossRef]
- Velloso, J.B.; Souza, M.N. A programmable system of functional electrical stimulation (FES). In Proceedings of the 2007 29th Annual International Conference of the IEEE Engineering in Medicine and Biology Society, Lyon, France, 22–26 August 2007; pp. 2234–2237. [Google Scholar]
- Qu, H.; Wang, T.; Hao, M.; Shi, P.; Zhang, W.; Wang, G.; Lan, N. Development of a network FES system for stroke rehabilitation. In Proceedings of the 2011 Annual International Conference of the IEEE Engineering in Medicine and Biology Society, Boston, MA, USA, 30 August–3 September 2011; pp. 3119–3122. [Google Scholar]
- Masdar, A.; Ibrahim, B.S.K.K.; Jamil, M.M.A. Development of wireless-based low-cost current controlled stimulator for patients with spinal cord injuries. In Proceedings of the 2012 IEEE-EMBS Conference on Biomedical Engineering and Sciences, Langkawi, Malaysia, 17–19 December 2012; pp. 493–498. [Google Scholar]
- Brunetti, F.; Garay, A.; Moreno, J.C.; Pons, J.L. Enhancing functional electrical stimulation for emerging rehabilitation robotics in the framework of hyper project. In Proceedings of the 2011 IEEE International Conference on Rehabilitation Robotics, Zurich, Switzerland, 29 June–1 July 2011; pp. 1–6. [Google Scholar]
- Karpul, D.; Cohen, G.K.; Gargiulo, G.D.; van Schaik, A.; McIntyre, S.; Breen, P.P. Low-power transcutaneous current stimulator for wearable applications. Biomed. Eng. Online 2017, 16, 1–13. [Google Scholar] [CrossRef]
- Rebrin, K.; Sheppard, N.F., Jr.; Steil, G.M. Use of subcutaneous interstitial fluid glucose to estimate blood glucose: Revisiting delay and sensor offset. J. Diabetes Sci. Technol. 2010, 4, 1087–1098. [Google Scholar] [CrossRef]
- Li, S.K.; Higuchi, W.I.; Kochambilli, R.P.; Zhu, H. Mechanistic studies of flux variability of neutral and ionic permeants during constant current dc iontophoresis with human epidermal membrane. Int. J. Pharm. 2004, 273, 9–22. [Google Scholar] [CrossRef]
- Xu, X.; Zhang, H.; Yan, Y.; Wang, J.; Guo, L. Effects of electrical stimulation on skin surface. Acta Mech. Sin. 2021, 37, 1843–1871. [Google Scholar] [PubMed]










| Target | Current Stimulus | Extraction Time | Electrode Material | Electrode Type | Ref |
|---|---|---|---|---|---|
| Ascorbic Acid | 0.5/1 mA | 30 min | Stainless Steel | Needles | This Work |
| Glucose | 1 mA | 9 min | Ag/AgCl | Microneedles | [28] |
| Glucose | 0.5 mA | 5 min | Ag/AgCl | Microneedles | [30] |
| Glucose | 0.01 mA | 4 min | Ag/AgCl | Flat Electrode | [31] |
| Levetiracetam | 0.9 mA | 1 h | Ag/AgCl | Cylindrical Electrode | [32] |
| Cortisol | 0.1 mA/cm2 | 3 h | Ag/AgCl | Bare Wire | [34] |
| Reference | Frequency Range | Current Range | Circuit Highlights | Safety Features |
|---|---|---|---|---|
| This work | Up to 50 kHz | ±120 V |
|
|
| Cheng et al. [36] | 200 Hz | ±200 V |
|
|
| Velloso and Souza [37] | 20–200 Hz | ±160 V |
|
|
| Qu et al. [38] | Up to 50 kHz | ±100 V |
|
|
| Masdar et al. [39] | Up to 50 kHz | ±120 V |
|
|
| Brunetti et al. [40] | Up to 100 Hz | ±250 V |
|
|
| Karpul et al. [41] | Up to 1 kHz | ±60 V |
|
|
Disclaimer/Publisher’s Note: The statements, opinions and data contained in all publications are solely those of the individual author(s) and contributor(s) and not of MDPI and/or the editor(s). MDPI and/or the editor(s) disclaim responsibility for any injury to people or property resulting from any ideas, methods, instructions or products referred to in the content. |
© 2024 by the authors. Licensee MDPI, Basel, Switzerland. This article is an open access article distributed under the terms and conditions of the Creative Commons Attribution (CC BY) license (https://creativecommons.org/licenses/by/4.0/).
Share and Cite
Zompanti, A.; Ciarrocchi, D.; Grasso, S.; Olivieri, R.; Ferri, G.; Santonico, M.; Pennazza, G. Improving Electrical Stimulation Effectiveness and Versatility for Non-Invasive Transdermal Monitoring Applications via an Innovative Mixed-Signal Electronic Interface. Sensors 2024, 24, 7626. https://doi.org/10.3390/s24237626
Zompanti A, Ciarrocchi D, Grasso S, Olivieri R, Ferri G, Santonico M, Pennazza G. Improving Electrical Stimulation Effectiveness and Versatility for Non-Invasive Transdermal Monitoring Applications via an Innovative Mixed-Signal Electronic Interface. Sensors. 2024; 24(23):7626. https://doi.org/10.3390/s24237626
Chicago/Turabian StyleZompanti, Alessandro, Davide Ciarrocchi, Simone Grasso, Riccardo Olivieri, Giuseppe Ferri, Marco Santonico, and Giorgio Pennazza. 2024. "Improving Electrical Stimulation Effectiveness and Versatility for Non-Invasive Transdermal Monitoring Applications via an Innovative Mixed-Signal Electronic Interface" Sensors 24, no. 23: 7626. https://doi.org/10.3390/s24237626
APA StyleZompanti, A., Ciarrocchi, D., Grasso, S., Olivieri, R., Ferri, G., Santonico, M., & Pennazza, G. (2024). Improving Electrical Stimulation Effectiveness and Versatility for Non-Invasive Transdermal Monitoring Applications via an Innovative Mixed-Signal Electronic Interface. Sensors, 24(23), 7626. https://doi.org/10.3390/s24237626

