Simultaneous Measurement of Strain and Temperature Distributions Using Optical Fibers with Different GeO2 and B2O3 Doping
Abstract
1. Introduction
2. Sensing System
2.1. Basic Idea of Simultaneous Measurement Using Doped FBGs
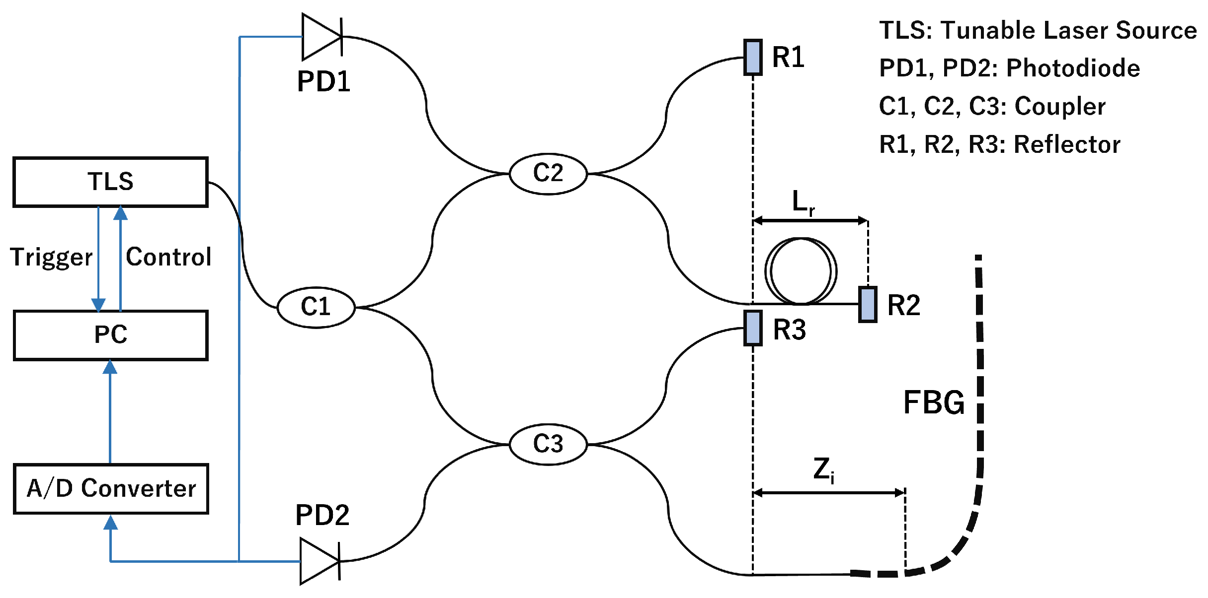
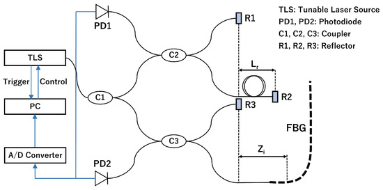
2.2. Distributed Measurement Using an OFDR System
3. Materials and Methods
4. Results
4.1. Strain and Temperature Sensitivity
4.2. Simultaneous Measurement
5. Discussion
- Errors are due to measurement errors in , , and .
- The error amount for each error factor is the same value for all fibers.
- Each error occurs independently and follows a normal distribution.
6. Conclusions
Author Contributions
Funding
Institutional Review Board Statement
Informed Consent Statement
Data Availability Statement
Conflicts of Interest
References
- López-Higuera, J.M.; Cobo, L.R.; Incera, A.Q.; Cobo, A. Fiber Optic Sensors in Structural Health Monitoring. J. Light. Technol. 2011, 29, 587–608. [Google Scholar] [CrossRef]
- Wang, H.; Jiang, L.; Xiang, P. Improving the durability of the optical fiber sensor based on strain transfer analysis. Opt. Fiber Technol. 2018, 42, 97–104. [Google Scholar] [CrossRef]
- Xu, M.G.; Archambault, J.L.; Reekie, L.; Dakin, J.P. Discrimination between strain and temperature effects using dual-wavelength fibre grating sensors. Electron. Lett. 1994, 30, 1085–1087. [Google Scholar] [CrossRef]
- Patrick, H.J.; Williams, G.M.; Kersey, A.D.; Pedrazzani, J.R.; Vengsarkar, A.M. Hybrid fiber Bragg grating/long period fiber grating sensor for strain/temperature discrimination. IEEE Photonic Technol. Lett. 1996, 8, 1223–1225. [Google Scholar] [CrossRef]
- Guan, B.O.; Tam, H.Y.; Tao, X.M.; Dong, X.Y. Simultaneous strain and temperature measurement using a superstructure fiber Bragg grating. IEEE Photonic Technol. Lett. 2000, 12, 675–677. [Google Scholar] [CrossRef]
- Mondal, S.K.; Tiwari, U.; Poddar, G.C.; Mishra, V.; Singh, N.; Jain, S.C.; Sarkar, S.N.; Chattoypadhya, K.D.; Kapur, P. Single fiber Bragg grating sensor with two sections of different diameters for longitudinal strain and temperature discrimination with enhanced strain sensitivity. Rev. Sci. Instrum. 2009, 80, 103106. [Google Scholar] [CrossRef] [PubMed]
- Zhang, N.; Xu, W.; You, S.; Yu, C.; Yu, C.; Dong, B. Simultaneous measurement of refractive index, strain and temperature using a tapered structure based on SMF. Opt. Commun. 2018, 410, 70–74. [Google Scholar] [CrossRef]
- Sarkar, S.; Tarhani, M.; Eghbal, M.K.; Shadaram, M. Discrimination between strain and temperature effects of a single fiber Bragg grating sensor using sidelobe power. J. Appl. Phys. 2020, 127, 114503. [Google Scholar] [CrossRef]
- Takeda, S.; Sato, M.; Ogasawara, T. Simultaneous measurement of strain and temperature using a tilted fiber Bragg grating. Sens. Actuators A-Phys. 2022, 335, 113346. [Google Scholar] [CrossRef]
- Kikuchi, M.; Ogasawara, T.; Fujii, S.; Takeda, S. Application of machine learning for improved accuracy of simultaneous temperature and strain measurements of carbon fiber-reinforced plastic laminates using an embedded tilted fiber Bragg grating sensor. Compos. Part A-Appl. Sci. 2022, 161, 107108. [Google Scholar] [CrossRef]
- Zhou, D.P.; Li, W.; Chen, L.; Bao, X. Distributed temperature and strain discrimination with stimulated Brillouin scattering and Rayleigh backscatter in an optical fiber. Sensors 2013, 13, 1836–1845. [Google Scholar] [CrossRef] [PubMed]
- Wada, D.; Igawa, H.; Murayama, H. Simultaneous distributed measurement of the strain and temperature for a four-point bending test using polarization-maintaining fiber Bragg grating interrogated by optical frequency domain reflectometry. Measurement 2016, 94, 745–752. [Google Scholar] [CrossRef]
- Zhu, M.; Murayama, H.; Wada, D. Self-Evaluation of PANDA-FBG Based Sensing System for Dynamic Distributed Strain and Temperature Measurement. Sensors 2017, 17, 2319. [Google Scholar] [CrossRef] [PubMed]
- Soto, M.A.; Thévenaz, L. Modeling and evaluating the performance of Brillouin distributed optical fiber sensors. Opt. Express 2013, 21, 31347–31366. [Google Scholar] [CrossRef] [PubMed]
- Murayama, H.; Kageyama, K.; Uzawa, K.; Ohara, K.; Igawa, H. Strain monitoring of a single-lap joint with embedded fiber-optic distributed sensors. Struct. Health Monit. 2012, 11, 325–344. [Google Scholar] [CrossRef]
- Mekid, S.; Vacharanukul, K. Differential Laser Doppler based Non-Contact Sensor for Dimensional Inspection with Error Propagation Evaluation. Sensors 2006, 6, 546–556. [Google Scholar] [CrossRef]
- Sanders-Reed, J.N. Error propagation in two-sensor three-dimensional position estimation. Opt. Eng. 2001, 40, 627–636. [Google Scholar] [CrossRef]
- Hartzell, P.J.; Gadomski, P.J.; Glennie, C.L.; Finnegan, D.C.; Deems, J.S. Rigorous error propagation for terrestrial laser scanning with application to snow volume uncertainty. Struct. Health Monit. 2015, 61, 1147–1158. [Google Scholar] [CrossRef]
- Han, Y.G.; Lee, S.B.; Kim, C.S.; Kang, J.U.; Paek, U.C.; Chung, Y. Simultaneous measurement of temperature and strain using dual long-period fiber gratings with controlled temperature and strain sensitivities. Opt. Express 2003, 11, 476–481. [Google Scholar] [CrossRef] [PubMed]
- Igawa, H.; Ohta, K.; Kasai, T.; Yamaguchi, I.; Murayama, H.; Kageyama, K. Distributed measurements with a long gauge FBG sensor using optical frequency domain reflectometry (1st report, system investigation using optical simulation model). J. Solid Mech. Mater. Eng. 2008, 2, 1242–1252. [Google Scholar] [CrossRef]











| F1 | F2 | F3 | F4 | |
|---|---|---|---|---|
| K_ [pm/] | 1.2350 | 1.2691 | 1.2968 | 1.3154 |
| K_T [pm/°C] | 32.106 | 32.010 | 32.072 | 31.482 |
| F1&F2 | F1&F3 | F1&F4 | F2&F3 | F2&F4 | F3&F4 | |
|---|---|---|---|---|---|---|
| Error of strain [] | 252.5 | 75.6 | 34.1 | 287.2 | 117.2 | 47.6 |
| Error of temp. [°C] | 9.82 | 3.31 | 1.74 | 11.70 | 4.73 | 1.58 |
| F1&F2&F3 | F1&F2&F4 | F1&F3&F4 | F2&F3&F4 | F1&F2&F3&F4 | |
|---|---|---|---|---|---|
| Error of strain [] | 73.7 | 28.4 | 36.2 | 103.2 | 31.1 |
| Error of temp. [°C] | 3.24 | 1.52 | 1.82 | 4.31 | 1.64 |
| [pm/] | [pm/°C] | [pm] |
|---|---|---|
| F1&F2 | F1&F3 | F1&F4 | F2&F3 | F2&F4 | F3&F4 | |
|---|---|---|---|---|---|---|
| Error of strain [] | 105.4 | 62.2 | 37.2 | 155.5 | 57.9 | 92.6 |
| Error of temp. [°C] | 4.10 | 2.47 | 1.51 | 6.25 | 2.37 | 3.80 |
| F1&F2 | F1&F3 | F1&F4 | F2&F3 | F2&F4 | F3&F4 | |
| Error of strain [] | 33.7 | 30.6 | 21.2 | 312.4 | 33.5 | 33.3 |
| Error of temp. [°C] | 1.41 | 1.41 | 0.89 | 12.60 | 1.42 | 1.34 |
| F1&F2&F3 | F1&F2&F4 | F1&F3&F4 | F2&F3&F4 | F1&F2&F3&F4 | ||
| Error of strain [] | 59.6 | 21.9 | 21.9 | 46.0 | 53.3 | |
| Error of temp. [°C] | 2.34 | 0.86 | 1.12 | 1.88 | 2.09 | |
Disclaimer/Publisher’s Note: The statements, opinions and data contained in all publications are solely those of the individual author(s) and contributor(s) and not of MDPI and/or the editor(s). MDPI and/or the editor(s) disclaim responsibility for any injury to people or property resulting from any ideas, methods, instructions or products referred to in the content. |
© 2023 by the authors. Licensee MDPI, Basel, Switzerland. This article is an open access article distributed under the terms and conditions of the Creative Commons Attribution (CC BY) license (https://creativecommons.org/licenses/by/4.0/).
Share and Cite
Hisada, S.; Kodakamine, U.; Wada, D.; Murayama, H.; Igawa, H. Simultaneous Measurement of Strain and Temperature Distributions Using Optical Fibers with Different GeO2 and B2O3 Doping. Sensors 2023, 23, 1156. https://doi.org/10.3390/s23031156
Hisada S, Kodakamine U, Wada D, Murayama H, Igawa H. Simultaneous Measurement of Strain and Temperature Distributions Using Optical Fibers with Different GeO2 and B2O3 Doping. Sensors. 2023; 23(3):1156. https://doi.org/10.3390/s23031156
Chicago/Turabian StyleHisada, Shinsaku, Utanori Kodakamine, Daichi Wada, Hideaki Murayama, and Hirotaka Igawa. 2023. "Simultaneous Measurement of Strain and Temperature Distributions Using Optical Fibers with Different GeO2 and B2O3 Doping" Sensors 23, no. 3: 1156. https://doi.org/10.3390/s23031156
APA StyleHisada, S., Kodakamine, U., Wada, D., Murayama, H., & Igawa, H. (2023). Simultaneous Measurement of Strain and Temperature Distributions Using Optical Fibers with Different GeO2 and B2O3 Doping. Sensors, 23(3), 1156. https://doi.org/10.3390/s23031156

