An Image-Based Quantized Compressive Sensing Scheme Using Zadoff–Chu Measurement Matrix
Abstract
1. Introduction
1.1. Related Work
1.2. Motivation and Contributions
- (1)
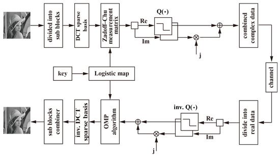
- We construct a complex-valued measurement matrix based on a Zadoff–Chu sequence. The results of theoretical analysis and simulations show that it outperforms conventional real-valued matrices in terms of reconstruction performance.
- (2)
- We apply BCS to reduce the computational complexity of the CS framework and analyze the effect of block size on its reconstruction performance. The results of simulations show that an appropriate block size can reduce the computational complexity as well as improve the accuracy of reconstruction of the framework.
- (3)
- We examine the effects of quantization on the reconstruction performance of the proposed image-based BCS. The results of simulations show that an ADC with a medium resolution is sufficient for it to implement quantization and achieve comparable reconstruction performance to that of an ADC with a high resolution. This can be used to develop an image-based quantized BCS framework with low power consumption.
2. Principles of Image-Based BCS with Zadoff–Chu Matrix
2.1. Image-Based BCS Framework
2.2. Design of Zadoff–Chu Measurement Matrix
2.3. Image-Based Quantized BCS Framework
3. Performance of Measurement Matrices
4. Simulations and Analysis
4.1. Comparison of Reconstruction Performance
4.2. Analysis of Computational Complexity
4.3. Quantization Error
4.4. Effect of Quantization on Reconstruction Performance
5. Conclusions
Author Contributions
Funding
Institutional Review Board Statement
Informed Consent Statement
Data Availability Statement
Conflicts of Interest
References
- Donoho, D.L. Compressed sensing. IEEE Trans. Inf. Theory 2006, 52, 1289–1306. [Google Scholar] [CrossRef]
- Gui, Y.; Lu, H.; Jiang, X.; Wu, F.; Chen, C.W. Compressed pseudo-analog transmission system for remote sensing images over bandwidth-constrained wireless channels. IEEE Trans. Circuits Syst. Video Technol. 2020, 30, 3181–3195. [Google Scholar] [CrossRef]
- Gui, Y.; Lu, H.; Wu, F.; Chen, C.W. LensCast: Robust wireless video transmission over Mm wave MIMO with lens antenna array. IEEE Trans. Multimed. 2022, 24, 33–48. [Google Scholar] [CrossRef]
- Wang, Y.; Wang, D.; Zhang, X.; Chen, J.; Li, Y. Energy-efficient image compressive transmission for wireless camera networks. IEEE Sens. J. 2016, 16, 3875–3886. [Google Scholar] [CrossRef]
- Candè, E.J.; Wakin, M.B. An introduction to compressive sampling. IEEE Signal Process. Mag. 2008, 25, 21–30. [Google Scholar] [CrossRef]
- Yu, L.; Barbot, J.P.; Zheng, G.; Sun, H. Compressive sensing with chaotic sequence. IEEE Signal Process. Lett. 2010, 17, 731–734. [Google Scholar] [CrossRef]
- Zhou, N.; Zhang, A.; Wu, J.; Pei, D.; Yang, Y. Novel hybrid image compressive-encryption algorithm based on compressive sensing. Optik 2014, 125, 5075–5080. [Google Scholar] [CrossRef]
- Haupt, J.; Bajwa, W.U.; Raz, G.; Nowak, R. Toeplitz compressed sensing matrices with application to sparse channel estimation. IEEE Trans. Inf. Theory 2010, 56, 5862–5875. [Google Scholar] [CrossRef]
- Zhang, G.; Jiao, S.; Xu, X.; Wang, L. Compressed sensing and reconstruction with Bernoulli matrices. In Proceedings of the 2010 IEEE International Conference on Information and Automation (ICIA), Harbin, China, 20–23 June 2010; pp. 455–460. [Google Scholar]
- Unde, A.S.; Deepthi, P.P. Rate-distortion analysis of structured sensing matrices for block compressive sensing of images. Signal Process Image Commun. 2018, 65, 115–127. [Google Scholar] [CrossRef]
- Zymnis, A.; Boyd, S.; Candes, E. Compressed sensing with quantized measurements. IEEE Signal Process. Lett. 2010, 17, 149–152. [Google Scholar] [CrossRef]
- Wang, L.; Wu, X.; Shi, G. Binned progressive quantization for compressive sensing. IEEE Trans. Image Process. 2012, 21, 2980–2990. [Google Scholar] [CrossRef] [PubMed]
- Xue, L.; Wang, Y.; Wang, Z. Secure image block compressive sensing using complex Hadamard measurement matrix and bit-level XOR. IET Inf. Secur. 2022, 16, 417–431. [Google Scholar] [CrossRef]
- Shalaby, W.A.; Saad, W.; Shokair, M.; Dessouky, M.I. An efficient recovery algorithm using complex to real transformation of compressed sensing. In Proceedings of the 33rd National Radio Science Conference, Aswan, Egypt, 22–25 February 2016. [Google Scholar]
- Dai, W.; Milenkovic, O. Information theoretical and algorithmic approaches to quantized compressive sensing. IEEE Trans. Commun. 2011, 2011 59, 1857–1866. [Google Scholar] [CrossRef]
- Stanković, I.; Brajović, M.; Daković, M.; Ioana, C.; Stanković, L. Quantization in compressive sensing: A signal processing approach. IEEE Access 2020, 8, 50611–50625. [Google Scholar] [CrossRef]
- Huang, S.; Qiu, D.; Tran, T.D. Approximate message passing with parameter estimation for heavily quantized measurements. IEEE Trans. Signal Process. 2022, 70, 2062–2077. [Google Scholar] [CrossRef]
- Poberezhskiy, Y.S. Compressive quantization versus compressive sampling in image digitization. In Proceedings of the 2012 IEEE Aerospace Conference, Big Sky, MT, USA, 3–10 March 2012; pp. 1–20. [Google Scholar]
- Boufounos, P.; Baraniuk, R. Quantization of sparse representations. In Proceedings of the 2007 Data Compression Conference (DCC’07), Snowbird, Utah, USA, 27–29 March 2007; p. 390. [Google Scholar]
- Mahabadi, R.K.; Lin, J.; Cevher, V. A learning-based framework for quantized compressed sensing. IEEE Signal Process. Lett. 2019, 26, 883–887. [Google Scholar] [CrossRef]
- Candes, E.J.; Romberg, J.K.; Tao, T. Stable signal recovery from incomplete and inaccurate measurements. Commun. Pur. Appl. Math. 2006, 59, 1207–1223. [Google Scholar] [CrossRef]
- Elhamifar, E.; Vidal, R. Sparse subspace clustering: Algorithm, theory, and applications. IEEE Trans. Pattern Anal. Mach. Intell. 2013, 35, 2765–2781. [Google Scholar] [CrossRef]
- Tropp, J.A.; Gilbert, A.C. Signal recovery from random measurement via orthogonal matching pursuit. IEEE Trans. Inf. Theory 2007, 53, 4655–4666. [Google Scholar] [CrossRef]
- Kang, J.W.; Whang, Y.; Ko, B.H.; Kim, K.S. Generalized cross-correlation properties of Chu sequences. IEEE Trans. Inf. Theory 2012, 58, 438–444. [Google Scholar] [CrossRef]
- Kanso, A.; Smaoui, N. Logistic chaotic maps for binary numbers generations. Chaos Soliton. Fractals 2009, 40, 2557–2568. [Google Scholar] [CrossRef]
- Abolghasemi, V.; Ferdowsi, S.; Sanei, S. A gradient-based alternating minimization approach for optimization of the measurement matrix in compressive sensing. Signal Process. 2012, 92, 999–1009. [Google Scholar] [CrossRef]
- Wang, Z.; Bovik, A.C.; Sheikh, H.R.; Simoncelli, E.P. Image quality assessment: From error visibility to structural similarity. IEEE Trans. Image Process. 2004, 13, 600–612. [Google Scholar] [CrossRef] [PubMed]
- Horé, A.; Ziou, D. Image quality metrics: PSNR vs. SSIM. In Proceedings of the 2010 20th International Conference on Pattern Recognition, Washington, DC, USA, 23–26 August 2010; pp. 2366–2369. [Google Scholar]
- Park, C.; Zhao, W.; Park, I.; Sun, N.; Chae, Y. A 51-pJ/pixel 33.7-dB PSNR 4×compressive CMOS image sensor with column-parallel single-shot compressive sensing. IEEE J. Solid-State Circuits 2021, 56, 2503–2515. [Google Scholar] [CrossRef]
- Mohimani, H.; Babaie-Zadeh, M.; Jutten, C. A Fast Approach for Overcomplete Sparse Decomposition Based on Smoothed L0-Norm. IEEE Trans. Signal Process. 2009, 57, 289–301. [Google Scholar] [CrossRef]
- Goswami, H.; Kozaitis, S.P. Bit allocation considering mean absolute error for image compression. Proc. SPIE Int. Soc. Opt. Eng. 2000, 4041, 63–66. [Google Scholar]
- Stanković, M.; Brajović, M.; Daković, M.; Ioana, C. Gradient-descent algorithm performance with reduced set of quantized measurements. In Proceedings of the 2019 8th Mediterranean Conference on Embedded Computing (MECO), Budva, Montenegro, 10–14 June 2019; pp. 1–4. [Google Scholar]
- Mesiya, M.F. Contemporary Communication Systems; Publishing House of Electronics Industry: Beijing, China, 2013; pp. 444–446. [Google Scholar]














| Block Size | CR | Partial Zadoff–Chu | Partial Complex-Valued | Partial Real-Valued | Toeplitz Matrix | Bernoulli Matrix |
|---|---|---|---|---|---|---|
| Matrix (Our Scheme) | Hadamard Matrix [13] | Hadamard Matrix [7] | In [8] | In [9] | ||
| 256 × 256 | 0.2 | 0.0635 | 0.0831 | 0.0828 | 0.0995 | 0.1063 |
| 0.4 | 0.0331 | 0.0531 | 0.0569 | 0.0678 | 0.0786 | |
| 0.6 | 0.0177 | 0.0335 | 0.0438 | 0.0485 | 0.0639 | |
| 0.8 | 0.0095 | 0.0195 | 0.0340 | 0.0344 | 0.0553 | |
| 128 × 128 | 0.2 | 0.0938 | 0.1306 | 0.1289 | 0.1412 | 0.1502 |
| 0.4 | 0.0510 | 0.0797 | 0.0851 | 0.0975 | 0.1105 | |
| 0.6 | 0.0313 | 0.0508 | 0.0634 | 0.0706 | 0.0898 | |
| 0.8 | 0.0167 | 0.0290 | 0.0505 | 0.0510 | 0.0780 | |
| 64 × 64 | 0.2 | 0.1637 | 0.1936 | 0.2028 | 0.2027 | 0.2109 |
| 0.4 | 0.0895 | 0.1206 | 0.1388 | 0.1381 | 0.1535 | |
| 0.6 | 0.0521 | 0.0777 | 0.1040 | 0.1035 | 0.1263 | |
| 0.8 | 0.0273 | 0.0406 | 0.0769 | 0.0766 | 0.1088 | |
| 32 × 32 | 0.2 | 0.2987 | 0.3042 | 0.2891 | 0.2892 | 0.2995 |
| 0.4 | 0.1567 | 0.1788 | 0.1953 | 0.1962 | 0.2136 | |
| 0.6 | 0.0867 | 0.1125 | 0.1503 | 0.1501 | 0.1751 | |
| 0.8 | 0.0455 | 0.0616 | 0.1143 | 0.1142 | 0.1491 | |
| 16 × 16 | 0.2 | 0.3463 | 0.3799 | 0.3780 | 0.3783 | 0.3852 |
| 0.4 | 0.2367 | 0.2623 | 0.2902 | 0.2886 | 0.3100 | |
| 0.6 | 0.1148 | 0.1401 | 0.2011 | 0.2029 | 0.2345 | |
| 0.8 | 0.0679 | 0.0764 | 0.1628 | 0.1647 | 0.2014 |
| Block Size | CR | Zadoff–Chu Matrix | Complex Hadamard | Real Hadamard | Toeplitz | Bernoulli | |||||
|---|---|---|---|---|---|---|---|---|---|---|---|
| (Our Scheme) | Matrix in [13] | Matrix in [7] | Matrix in [8] | Matrix in [9] | |||||||
| PSNR (dB) | SSIM | PSNR (dB) | SSIM | PSNR (dB) | SSIM | PSNR (dB) | SSIM | PSNR (dB) | SSIM | ||
| 256 × 256 | 0.2 | 21.4729 | 0.8961 | 21.7178 | 0.901 | 18.2952 | 0.7875 | 18.1086 | 0.7822 | 18.4498 | 0.7978 |
| 0.4 | 25.8956 | 0.963 | 26.0531 | 0.9642 | 23.5468 | 0.9373 | 22.5806 | 0.9219 | 22.3629 | 0.9181 | |
| 0.6 | 29.3149 | 0.9833 | 29.2307 | 0.9829 | 27.1256 | 0.9725 | 25.9744 | 0.9641 | 25.5922 | 0.961 | |
| 0.8 | 31.9906 | 0.991 | 31.8765 | 0.9908 | 30.3874 | 0.987 | 28.7671 | 0.9812 | 28.1551 | 0.9783 | |
| 128 × 128 | 0.2 | 21.8151 | 0.902 | 21.9059 | 0.9051 | 19.3419 | 0.8356 | 18.328 | 0.7894 | 18.9155 | 0.8189 |
| 0.4 | 26.0156 | 0.9638 | 25.7342 | 0.9615 | 22.9897 | 0.9291 | 22.3794 | 0.9176 | 21.8435 | 0.907 | |
| 0.6 | 29.0475 | 0.9822 | 29.1152 | 0.9825 | 27.2894 | 0.9735 | 25.8591 | 0.9632 | 25.5869 | 0.9608 | |
| 0.8 | 31.5639 | 0.9901 | 31.4874 | 0.9899 | 30.9021 | 0.9884 | 28.3541 | 0.9793 | 28.1683 | 0.9784 | |
| 64 × 64 | 0.2 | 21.8576 | 0.9015 | 22.0131 | 0.9053 | 18.3449 | 0.7887 | 18.0126 | 0.7696 | 18.129 | 0.773 |
| 0.4 | 25.9802 | 0.9635 | 25.8222 | 0.9622 | 23.6725 | 0.9387 | 22.4263 | 0.9182 | 22.5498 | 0.9208 | |
| 0.6 | 28.4197 | 0.9794 | 28.6781 | 0.9805 | 27.1333 | 0.9724 | 25.3866 | 0.9587 | 24.7357 | 0.9522 | |
| 0.8 | 30.895 | 0.9884 | 30.7236 | 0.9879 | 29.9556 | 0.9856 | 28.1744 | 0.9783 | 27.7545 | 0.9762 | |
| 32 × 32 | 0.2 | 19.9996 | 0.8436 | 19.5274 | 0.8299 | 19.2267 | 0.8226 | 18.7532 | 0.794 | 19.2439 | 0.8133 |
| 0.4 | 25.5436 | 0.9594 | 24.7436 | 0.9516 | 23.7445 | 0.9399 | 22.0184 | 0.9089 | 21.9432 | 0.9087 | |
| 0.6 | 27.6229 | 0.975 | 27.3485 | 0.9735 | 26.5037 | 0.9679 | 24.847 | 0.953 | 24.0014 | 0.943 | |
| 0.8 | 29.8905 | 0.9853 | 30.0824 | 0.986 | 29.8765 | 0.9853 | 28.0976 | 0.9779 | 27.0891 | 0.9722 | |
| 16 × 16 | 0.2 | 15.5284 | 0.6342 | 22.3741 | 0.9134 | 19.1813 | 0.8321 | 21.0813 | 0.8849 | 21.1405 | 0.8873 |
| 0.4 | 22.5201 | 0.9158 | 22.3248 | 0.9123 | 21.3433 | 0.8946 | 21.1848 | 0.8863 | 21.4778 | 0.8943 | |
| 0.6 | 26.5552 | 0.9683 | 26.5286 | 0.9681 | 25.6645 | 0.9614 | 24.7753 | 0.9519 | 24.5238 | 0.9494 | |
| 0.8 | 29.6106 | 0.9843 | 29.565 | 0.9842 | 29.181 | 0.9827 | 26.9895 | 0.9707 | 26.0026 | 0.964 | |
| Block Size | CR | Zadoff–Chu Matrix | Complex Hadamard | Real Hadamard | Toeplitz | Bernoulli | |||||
|---|---|---|---|---|---|---|---|---|---|---|---|
| (Our Scheme) | Matrix in [13] | Matrix in [9] | Matrix in [10] | Matrix in [11] | |||||||
| PSNR (dB) | MAE | PSNR (dB) | MAE | PSNR (dB) | MAE | PSNR (dB) | MAE | PSNR (dB) | MAE | ||
| 256 × 256 | 0.2 | 22.6605 | 13.4937 | 22.9093 | 13.6029 | 19.3004 | 20.8691 | 19.8121 | 20.1697 | 19.8027 | 20.326 |
| 0.4 | 28.0981 | 6.5438 | 28.2923 | 7.1719 | 25.0153 | 10.665 | 24.8638 | 11.1451 | 24.6087 | 11.6662 | |
| 0.6 | 33.6027 | 3.3659 | 33.3965 | 3.9245 | 28.9548 | 6.6186 | 29.112 | 6.7379 | 28.9423 | 7.1203 | |
| 0.8 | 41.0839 | 1.3186 | 40.4934 | 1.7148 | 33.4708 | 3.7215 | 34.381 | 3.5896 | 34.3176 | 3.8214 | |
| 128 × 128 | 0.2 | 23.131 | 12.5434 | 23.0944 | 13.0996 | 20.2297 | 18.5022 | 19.8831 | 19.447 | 20.3421 | 18.573 |
| 0.4 | 28.9057 | 6.1362 | 28.3261 | 6.9565 | 24.4056 | 10.9798 | 23.7888 | 12.1519 | 24.6381 | 11.2894 | |
| 0.6 | 33.5164 | 3.3095 | 33.6502 | 3.7189 | 29.4794 | 6.0557 | 28.8448 | 6.7576 | 28.8565 | 6.8646 | |
| 0.8 | 41.0934 | 1.2557 | 40.4846 | 1.6479 | 35.3713 | 2.955 | 33.8719 | 3.6074 | 33.8764 | 3.8433 | |
| 64 × 64 | 0.2 | 22.5417 | 12.9205 | 23.3979 | 11.8427 | 19.7316 | 18.197 | 19.9574 | 18.5578 | 19.9684 | 18.4438 |
| 0.4 | 28.9637 | 5.6297 | 28.8002 | 6.0466 | 25.0808 | 9.6379 | 24.2559 | 10.958 | 24.141 | 11.263 | |
| 0.6 | 33.1252 | 3.1995 | 33.975 | 3.2579 | 29.3844 | 5.5229 | 27.372 | 7.127 | 28.8159 | 6.5165 | |
| 0.8 | 41.6295 | 1.1434 | 39.3808 | 1.507 | 33.8811 | 2.8266 | 34.2642 | 3.1852 | 33.6178 | 3.6169 | |
| 32 × 32 | 0.2 | 21.9497 | 12.3345 | 21.4686 | 13.4565 | 9.9053 | 64.1636 | 19.5569 | 17.6329 | 18.1682 | 21.2503 |
| 0.4 | 28.8353 | 5.3827 | 27.4663 | 6.572 | 24.7045 | 8.6407 | 23.7865 | 10.4418 | 24.2994 | 10.2425 | |
| 0.6 | 33.1936 | 2.9513 | 32.205 | 3.5738 | 28.8559 | 5.0865 | 27.17 | 6.8196 | 28.885 | 5.802 | |
| 0.8 | 37.778 | 1.2538 | 39.4997 | 1.289 | 35.5054 | 2.1386 | 32.111 | 3.4847 | 33.7978 | 3.0413 | |
| 16 × 16 | 0.2 | 9.391 | 72.484 | 8.1689 | 81.9014 | 8.8651 | 75.9757 | 9.1032 | 75.945 | 8.4494 | 82.0355 |
| 0.4 | 27.7557 | 5.3172 | 26.5717 | 6.1481 | 10.1027 | 62.0664 | 22.5496 | 10.9147 | 22.3399 | 11.0919 | |
| 0.6 | 31.8427 | 2.7285 | 31.5169 | 3.1158 | 28.2701 | 4.366 | 30.3832 | 4.18 | 28.3195 | 5.2354 | |
| 0.8 | 43.1952 | 0.8167 | 40.5837 | 0.9692 | 35.1107 | 1.9557 | 35.4961 | 2.0199 | 32.6849 | 2.9363 | |
Disclaimer/Publisher’s Note: The statements, opinions and data contained in all publications are solely those of the individual author(s) and contributor(s) and not of MDPI and/or the editor(s). MDPI and/or the editor(s) disclaim responsibility for any injury to people or property resulting from any ideas, methods, instructions or products referred to in the content. |
© 2023 by the authors. Licensee MDPI, Basel, Switzerland. This article is an open access article distributed under the terms and conditions of the Creative Commons Attribution (CC BY) license (https://creativecommons.org/licenses/by/4.0/).
Share and Cite
Xue, L.; Qiu, W.; Wang, Y.; Wang, Z. An Image-Based Quantized Compressive Sensing Scheme Using Zadoff–Chu Measurement Matrix. Sensors 2023, 23, 1016. https://doi.org/10.3390/s23021016
Xue L, Qiu W, Wang Y, Wang Z. An Image-Based Quantized Compressive Sensing Scheme Using Zadoff–Chu Measurement Matrix. Sensors. 2023; 23(2):1016. https://doi.org/10.3390/s23021016
Chicago/Turabian StyleXue, Linlin, Weiwei Qiu, Yue Wang, and Zhongpeng Wang. 2023. "An Image-Based Quantized Compressive Sensing Scheme Using Zadoff–Chu Measurement Matrix" Sensors 23, no. 2: 1016. https://doi.org/10.3390/s23021016
APA StyleXue, L., Qiu, W., Wang, Y., & Wang, Z. (2023). An Image-Based Quantized Compressive Sensing Scheme Using Zadoff–Chu Measurement Matrix. Sensors, 23(2), 1016. https://doi.org/10.3390/s23021016

