Control Method of the Dual-Winding Motor for Online High-Frequency Resistance Measurement in Fuel Cell Vehicle
Abstract
1. Introduction
1.1. Water Management of PEMFC
1.2. Measurement for the Internal Resistance of PEMFC
1.3. Conventional Method of HFR Measurement Based on DC/DC Converter
1.4. New Drive Architecture Based on Dual-Winding Motor without DC-DC Converter
1.5. Contributions and Organization
2. System Architecture
3. Modeling
3.1. PEMFC Model
3.2. Dual-Winding Motor Model
- The magnetic saturation and leakage inductance are neglected;
- Two winding sets have the same parameters and no electrical angular displacement in place () to maximize the mutual inductance and energy exchange efficiency;
- Two winding sets are wound on the same iron core with isolated neutral points;
- Current circulation between each phase is eliminated through certain winding design.
4. Control System and Method
4.1. High-Frequency Current Generation by Input Current Control
- The mechanical power is determined by the overall q-axis current (), and is the sum of the power generated by each winding set;
- The q-axis current, known as the active current, dominates the power exchange process;
- The input current from the PEMFC can be controlled by regulating the q-axis current ;
- Discharge power of PEMFC can be distributed to the vehicle and battery in different proportions by regulating the q-axis current .
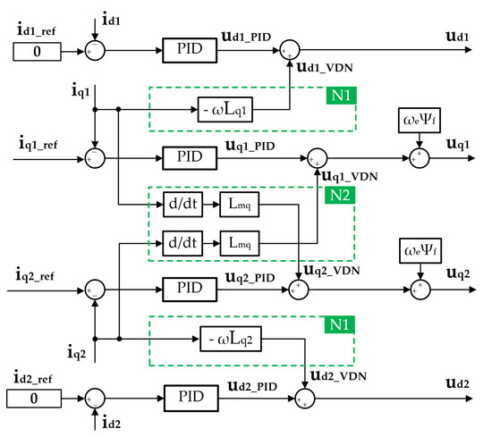
4.2. Torque Ripple Compensation Based on the Energy Exchange Principles of DWM
4.3. Decoupling Control for the Inner Loop
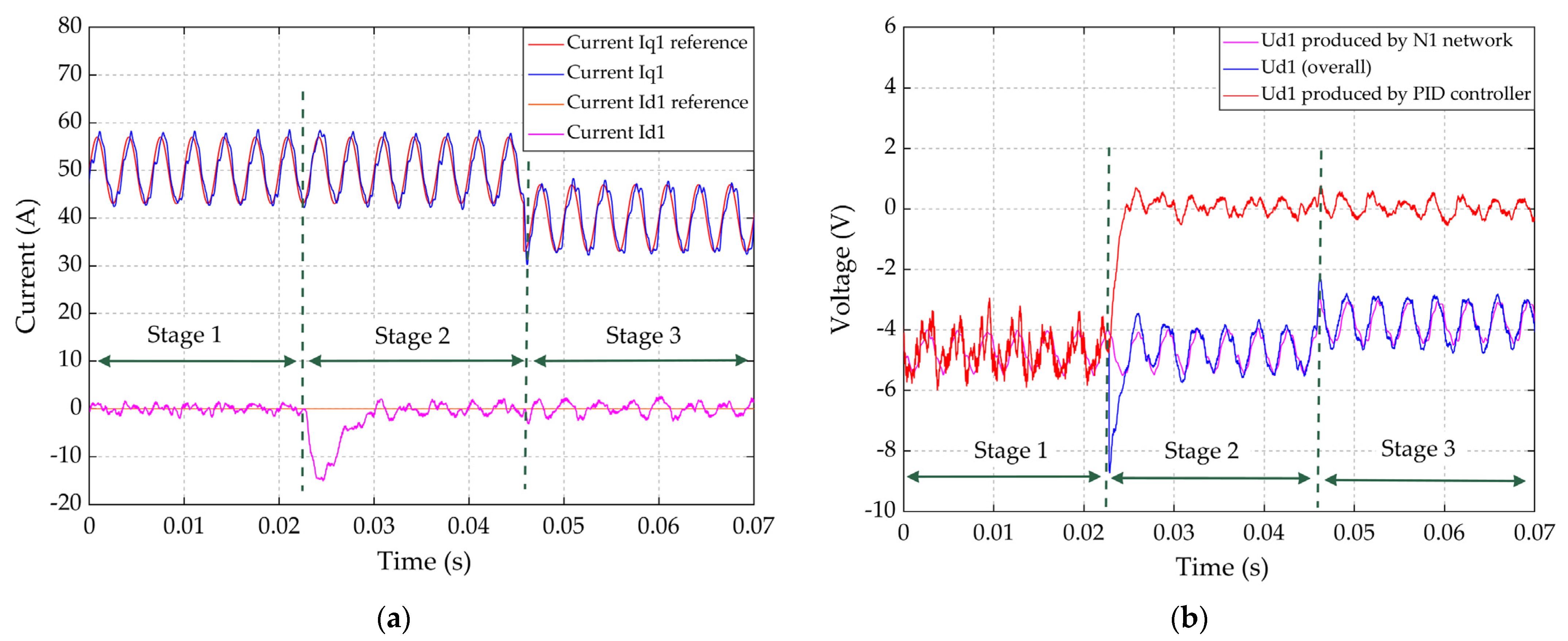
5. Simulation and Discussion
6. Conclusions
Author Contributions
Funding
Institutional Review Board Statement
Informed Consent Statement
Data Availability Statement
Conflicts of Interest
References
- Thounthong, P.; Chunkag, V.; Sethakul, P.; Davat, B.; Hinaje, M. Comparative Study of Fuel-Cell Vehicle Hybridization with Battery or Supercapacitor Storage Device. IEEE Trans. Veh. Technol. 2009, 58, 3892–3904. [Google Scholar] [CrossRef]
- Chen, H.; Pei, P.; Song, M. Lifetime prediction and the economic lifetime of Proton Exchange Membrane fuel cells. Appl. Energy 2015, 142, 154–163. [Google Scholar] [CrossRef]
- Debenjak, A.; Gašperin, M.; Pregelj, B.; Atanasijević-Kunc, M.; Petrovčič, J.; Jovan, V. Detection of flooding and drying inside a PEM fuel cell stack. J. Mech. Eng. 2013, 59, 56–64. [Google Scholar] [CrossRef]
- Yan, Q.; Toghiani, H.; Wu, J. Investigation of water transport through membrane in a PEM fuel cell by water balance experiments. J. Power Sources 2006, 158, 316–325. [Google Scholar] [CrossRef]
- Yuan, X.; Wang, H.; Sun, J.C.; Zhang, J. AC impedance technique in PEM fuel cell diagnosis—A review. Int. J. Hydrogen Energy 2007, 32, 4365–4380. [Google Scholar] [CrossRef]
- Wang, H.; Gaillard, A.; Hissel, D. A review of DC/DC converter-based electrochemical impedance spectroscopy for fuel cell electric vehicles. Renew. Energy 2019, 141, 124–138. [Google Scholar] [CrossRef]
- Emadi, A.; Rajashekara, K.; Williamson, S.S.; Lukic, S. Topological Overview of Hybrid Electric and Fuel Cell Vehicular Power System Architectures and Configurations. IEEE Trans. Veh. Technol. 2005, 54, 763–770. [Google Scholar] [CrossRef]
- Bethoux, O.; Hilairet, M.; Azib, T. A new on-line state-of-health monitoring technique dedicated to PEM fuel cell. In Proceedings of the 2009 Industrial Electronics Society Conference, Moulon, France, 3–5 November 2009. [Google Scholar]
- Kitamura, N.; Manabe, K.; Nonobe, Y.; Kizaki, M. Development of Water Content Control System for Fuel Cell Hybrid Vehicles Based on AC Impedance. In Proceedings of the SAE 2010 World Congress and Exhibition, Detroit, MI, USA, 12–15 April 2010. [Google Scholar]
- Hong, P.; Xu, L.; Jiang, H.; Li, J.; Ouyang, M. A new approach to online AC impedance measurement at high frequency of PEM fuel cell stack. Int. J. Hydrogen Energy 2017, 42, 19156–19169. [Google Scholar] [CrossRef]
- Bojoi, R.; Tenconi, A.; Profumo, F.; Farina, F. Dual-source fed multiphase induction motor drive for fuel cell vehicles: Topology and control. In Proceedings of the 36th IEEE Power Electronics Specialists Conference, Recife, Brazil, 12–16 June 2005. [Google Scholar]
- Demir, Y.; Aydin, M. A Novel Dual Three-Phase Permanent Magnet Synchronous Motor With Asymmetric Stator Winding. IEEE Trans. Magn. 2016, 52, 1–5. [Google Scholar] [CrossRef]
- Alberti, L.; Bianchi, N. Experimental Tests of Dual Three-Phase Induction Motor Under Faulty Operating Condition. IEEE Trans. Ind. Electron. 2012, 59, 2041–2048. [Google Scholar] [CrossRef]
- Krzysztof, P. Analysis and control of dual stator winding induction motor. Arch. Electr. Eng. 2012, 61, 421–438. [Google Scholar]
- Satake, A.; Okamoto, Y.; Kato, S. Design of Coupling Cancellation Control for a Double-winding PMSM. IEEJ J. Ind. Appl. 2017, 6, 29–35. [Google Scholar] [CrossRef][Green Version]
- Zoric, I.; Jones, M.; Levi, E. Arbitrary Power Sharing Among Three-Phase Winding Sets of Multiphase Machines. IEEE Trans. Ind. Electron. 2017, 65, 1128–1139. [Google Scholar] [CrossRef]
- Hu, S.; Liang, Z.; Zhang, W.; He, X. Research on the Integration of Hybrid Energy Storage System and Dual Three-Phase PMSM Drive in EV. IEEE Trans. Ind. Electron. 2017, 65, 6602–6611. [Google Scholar] [CrossRef]
- Ohto, Y.; Noguchi, T.; Sasaya, T. Space vector modulation of dual inverter with battery and capacitor across DC buses. In Proceedings of the 12th IEEE International Conference on Power Electronics and Drive Systems, Honolulu, HI, USA, 12–15 December 2017. [Google Scholar]
- Martinez, N.; Peng, Z.; Morin, A.; Porcar, L.; Gebel, G.; Lyonnard, S. Real time monitoring of water distribution in an operando fuel cell during transient states. J. Power Sources 2017, 365, 230–234. [Google Scholar] [CrossRef]
- Cooper, K.; Smith, M. Electrical test methods for on-line fuel cell ohmic resistance measurement. J. Power Sources 2006, 160, 1088–1095. [Google Scholar] [CrossRef]
- Kallio, S.; Andriollo, M.; Tortella, A.; Karttunen, J. Decoupled d-q model of double-star interior-permanent-magnet synchronous machines. IEEE Trans. Ind. Electron. 2012, 60, 2486–2494. [Google Scholar] [CrossRef]
- Clarke, E. Circuit Analysis of A–C Power Systems; John Wiley & Sons, Inc.: New York, NY, USA, 1950. [Google Scholar]
- Park, R.H. Two-reaction theory of synchronous machines—Part II. Electr. Eng. 1933, 52, 44–45. [Google Scholar] [CrossRef]
- Hong, P.; Li, J.; Xu, L.; Ouyang, M.; Fang, C. Modeling and simulation of parallel DC/DC converters for online AC impedance estimation of PEM fuel cell stack. Int. J. Hydrogen Energy 2016, 41, 3004–3014. [Google Scholar] [CrossRef]















| Operation Mode | Sub-Mode | PEMFC | Battery | Motor | Vehicle |
|---|---|---|---|---|---|
| Single-source mode | S1 | Null | O | I | Traction |
| S2 | Null | I | O | Braking | |
| Dual-source mode | D1 | O | O | I | Boost traction |
| Energy transfer mode | R1 | O | I | I | Charging-traction |
| R2 | O | I | O | Charging-braking |
| Parameter Description and Its Mathematical Notation | Value |
|---|---|
| 91.8 mΩ | |
| 0.5 mH | |
| Mutual inductance on d-axis and q-axis, Lmd, Lmq | 0.9 mH |
| 0.0832 Wb | |
| 4 | |
| 1.2 V | |
| 110 | |
| 0.91 mΩ | |
| 1.82 mΩ | |
| 0.85 | |
| 300 Hz | |
| 5 A |
| Parameters and the Work Mode | Stage 1 | Stage 2 | Stage 3 |
|---|---|---|---|
| Time range | 0–22 ms | 22–46 ms | 46–70 ms |
| ±4 A | ±4 A | ±4 A | |
| 300 Hz | 300 Hz | 300 Hz | |
| 50 A | 50 A | 40 A | |
| Voltage decoupling network N1 | Not activated | Activated | Activated |
| Parameters and the Work Mode | Stage 1 | Stage 2 |
|---|---|---|
| Time range | 0–20 ms | 20–40 ms |
| ±4 A | ±4 A | |
| 300 Hz | 300 Hz | |
| Activated | Activated | |
| Voltage decoupling network N1 | Not activated | Activated |
Publisher’s Note: MDPI stays neutral with regard to jurisdictional claims in published maps and institutional affiliations. |
© 2022 by the authors. Licensee MDPI, Basel, Switzerland. This article is an open access article distributed under the terms and conditions of the Creative Commons Attribution (CC BY) license (https://creativecommons.org/licenses/by/4.0/).
Share and Cite
Chang, C.; Zhou, Y.; Lian, J.; Liang, J. Control Method of the Dual-Winding Motor for Online High-Frequency Resistance Measurement in Fuel Cell Vehicle. Sensors 2022, 22, 2051. https://doi.org/10.3390/s22052051
Chang C, Zhou Y, Lian J, Liang J. Control Method of the Dual-Winding Motor for Online High-Frequency Resistance Measurement in Fuel Cell Vehicle. Sensors. 2022; 22(5):2051. https://doi.org/10.3390/s22052051
Chicago/Turabian StyleChang, Cheng, Yafu Zhou, Jing Lian, and Jicai Liang. 2022. "Control Method of the Dual-Winding Motor for Online High-Frequency Resistance Measurement in Fuel Cell Vehicle" Sensors 22, no. 5: 2051. https://doi.org/10.3390/s22052051
APA StyleChang, C., Zhou, Y., Lian, J., & Liang, J. (2022). Control Method of the Dual-Winding Motor for Online High-Frequency Resistance Measurement in Fuel Cell Vehicle. Sensors, 22(5), 2051. https://doi.org/10.3390/s22052051

