Real-Time Detection and Classification of Power Quality Disturbances
Abstract
1. Introduction
2. Related Work
Contributions
- The quick and accurate detection of PQDs in real-time; we propose a novel sequential, non-parametric, and supervised disturbance detector. The proposed detector, thanks to its multivariate nature, facilitates cooperative detection by multiple meters for coping with noisy measurements.
- The proposed detection method is proven to be asymptotically (as the training sets grow) optimal in the minimax sense in terms of minimizing the expected detection delay while satisfying a desired false alarm constraint.
- Extending the proposed detection method, a novel PQD detection and classification method is proposed, which is empirically shown to outperform the state-of-the-art techniques in terms of quickness and accuracy.
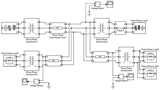
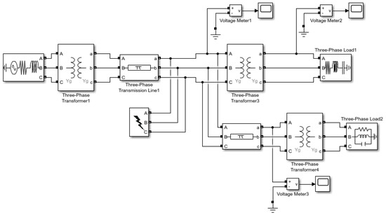
3. System Model
4. Sequential Detection of Power Quality Disturbances
4.1. Proposed Supervised Detection Method
4.2. Simulation Results
5. Classification of Power Quality Disturbances
5.1. Problem Formulation
5.2. Feature Extraction
5.3. Proposed Disturbance Classification Method: Vector-ODIT
| Algorithm 1 The proposed vector-ODIT procedure for PQD classification |
5.4. Simulation Results
6. Conclusions
Author Contributions
Funding
Institutional Review Board Statement
Informed Consent Statement
Data Availability Statement
Conflicts of Interest
References
- Kaselimi, M.; Protopapadakis, E.; Voulodimos, A.; Doulamis, N.; Doulamis, A. Towards Trustworthy Energy Disaggregation: A Review of Challenges, Methods, and Perspectives for Non-Intrusive Load Monitoring. Sensors 2022, 22, 5872. [Google Scholar] [CrossRef] [PubMed]
- Karimi, M.; Mokhtari, H.; Iravani, M.R. Wavelet based on-line disturbance detection for power quality applications. IEEE Trans. Power Deliv. 2000, 15, 1212–1220. [Google Scholar] [CrossRef]
- Lee, I.W.; Dash, P.K. S-transform-based intelligent system for classification of power quality disturbance signals. IEEE Trans. Ind. Electron. 2003, 50, 800–805. [Google Scholar] [CrossRef]
- Yılmaz, A.; Küçüker, A.; Bayrak, G. Automated classification of power quality disturbances in a SOFC&PV-based distributed generator using a hybrid machine learning method with high noise immunity. Int. J. Hydrogen Energy 2022, 47, 19797–19809. [Google Scholar]
- Lin, W.M.; Wu, C.H.; Lin, C.H.; Cheng, F.S. Detection and classification of multiple power-quality disturbances with wavelet multiclass SVM. IEEE Trans. Power Deliv. 2008, 23, 2575–2582. [Google Scholar] [CrossRef]
- Thirumala, K.; Prasad, M.S.; Jain, T.; Umarikar, A.C. Tunable-Q wavelet transform and dual multiclass SVM for online automatic detection of power quality disturbances. IEEE Trans. Smart Grid 2016, 9, 3018–3028. [Google Scholar] [CrossRef]
- Cecílio, I.M.; Ottewill, J.R.; Fretheim, H.; Thornhill, N.F. Multivariate detection of transient disturbances for uni-and multirate systems. IEEE Trans. Control. Syst. Technol. 2014, 23, 1477–1493. [Google Scholar] [CrossRef]
- Cecílio, I.M.; Ottewill, J.R.; Pretlove, J.; Thornhill, N.F. Nearest neighbors method for detecting transient disturbances in process and electromechanical systems. J. Process Control. 2014, 24, 1382–1393. [Google Scholar] [CrossRef]
- Liu, Y.; Jin, T.; Mohamed, M.A.; Wang, Q. A novel three-step classification approach based on time-dependent spectral features for complex power quality disturbances. IEEE Trans. Instrum. Meas. 2021, 70, 1–14. [Google Scholar] [CrossRef]
- Suganthi, S.; Vinayagam, A.; Veerasamy, V.; Deepa, A.; Abouhawwash, M.; Thirumeni, M. Detection and classification of multiple power quality disturbances in Microgrid network using probabilistic based intelligent classifier. Sustain. Energy Technol. Assessments 2021, 47, 101470. [Google Scholar] [CrossRef]
- Wang, J.; Zhang, D.; Zhou, Y. Ensemble deep learning for automated classification of power quality disturbances signals. Electr. Power Syst. Res. 2022, 213, 108695. [Google Scholar] [CrossRef]
- Gonzalez-Abreu, A.D.; Delgado-Prieto, M.; Osornio-Rios, R.A.; Saucedo-Dorantes, J.J.; Romero-Troncoso, R.d.J. A novel deep learning-based diagnosis method applied to power quality disturbances. Energies 2021, 14, 2839. [Google Scholar] [CrossRef]
- Mian Qaisar, S. Signal-piloted processing and machine learning based efficient power quality disturbances recognition. PLoS ONE 2021, 16, e0252104. [Google Scholar] [CrossRef] [PubMed]
- Monedero, I.; Leon, C.; Ropero, J.; Garcia, A.; Elena, J.M.; Montano, J.C. Classification of electrical disturbances in real time using neural networks. IEEE Trans. Power Deliv. 2007, 22, 1288–1296. [Google Scholar] [CrossRef]
- Valtierra-Rodriguez, M.; de Jesus Romero-Troncoso, R.; Osornio-Rios, R.A.; Garcia-Perez, A. Detection and classification of single and combined power quality disturbances using neural networks. IEEE Trans. Ind. Electron. 2013, 61, 2473–2482. [Google Scholar] [CrossRef]
- Mishra, S.; Bhende, C.; Panigrahi, B. Detection and classification of power quality disturbances using S-transform and probabilistic neural network. IEEE Trans. Power Deliv. 2007, 23, 280–287. [Google Scholar] [CrossRef]
- Salles, R.S.; Ribeiro, P.F. The use of deep learning and 2-D wavelet scalograms for power quality disturbances classification. Electr. Power Syst. Res. 2023, 214, 108834. [Google Scholar] [CrossRef]
- Chen, Y.C.; Berutu, S.S.; Hung, L.C.; Syamsudin, M. A New Approach for Power Signal Disturbances Classification Using Deep Convolutional Neural Networks. Int. J. Netw. Secur. 2022, 24, 765–775. [Google Scholar]
- He, S.; Li, K.; Zhang, M. A real-time power quality disturbances classification using hybrid method based on S-transform and dynamics. IEEE Trans. Instrum. Meas. 2013, 62, 2465–2475. [Google Scholar] [CrossRef]
- He, X.; Pun, M.O.; Kuo, C.C.J.; Zhao, Y. A change-point detection approach to power quality monitoring in smart grids. In Proceedings of the 2010 IEEE International Conference on Communications Workshops, Cape Town, South Africa, 23–27 May 2010; pp. 1–5. [Google Scholar]
- Li, S.; Wang, X. Cooperative change detection for voltage quality monitoring in smart grids. IEEE Trans. Inf. Forensics Secur. 2015, 11, 86–99. [Google Scholar] [CrossRef]
- Doshi, K.; Mozaffari, M.; Yilmaz, Y. RAPID: Real-time Anomaly-based Preventive Intrusion Detection. In Proceedings of the ACM Workshop on Wireless Security and Machine Learning, Miami, FL, USA, 14 May 2019; pp. 49–54. [Google Scholar]
- Lai, L.; Fan, Y.; Poor, H.V. Quickest detection in cognitive radio: A sequential change detection framework. In Proceedings of the IEEE GLOBECOM 2008 IEEE Global Telecommunications Conference, New Orleans, LA, USA, 30 November–4 December 2008; pp. 1–5. [Google Scholar]
- Yilmaz, Y.; Uludag, S. Mitigating IOT-based cyberattacks on the smart grid. In Proceedings of the 2017 16th IEEE International Conference on Machine Learning and Applications (ICMLA), Cancun, Mexico, 18–21 December 2017; pp. 517–522. [Google Scholar]
- Poor, H.V.; Hadjiliadis, O. Quickest Detection; Cambridge University Press: Cambridge, UK, 2008. [Google Scholar]
- Basseville, M.; Nikiforov, I.V. Detection of Abrupt Changes: Theory and Application; Prentice Hall: Englewood Cliffs, NJ, USA, 1993; Volume 104. [Google Scholar]
- Lorden, G. Procedures for reacting to a change in distribution. Ann. Math. Stat. 1971, 42, 1897–1908. [Google Scholar] [CrossRef]
- Yilmaz, Y. Online nonparametric anomaly detection based on geometric entropy minimization. In Proceedings of theEEE International Symposium on Information Theory, Aachen, Germany, 25–30 June 2017; pp. 3010–3014. [Google Scholar]
- Agresti, A. An Introduction to Categorical Data Analysis; Wiley: Hoboken, NJ, USA, 2018. [Google Scholar]
- Borges, F.A.; Fernandes, R.A.; Silva, I.N.; Silva, C.B. Feature extraction and power quality disturbances classification using smart meters signals. IEEE Trans. Ind. Inform. 2015, 12, 824–833. [Google Scholar] [CrossRef]
- Altın, C.; Er, O. Comparison of different time and frequency domain feature extraction methods on elbow gesture’s EMG. Eur. J. Interdiscip. Stud. 2016, 2, 35–44. [Google Scholar] [CrossRef]
- Bhattacharya, A.; Sarkar, A.; Basak, P. Time domain multi-feature extraction and classification of human hand movements using surface EMG. In Proceedings of the 2017 4th International Conference on Advanced Computing and Communication Systems (ICACCS), Coimbatore, India, 6–7 January 2017; pp. 1–5. [Google Scholar]
- Tkach, D.; Huang, H.; Kuiken, T.A. Study of stability of time-domain features for electromyographic pattern recognition. J. Neuroeng. Rehabil. 2010, 7, 21. [Google Scholar] [CrossRef] [PubMed]
- Oskiper, T.; Poor, H.V. Online activity detection in a multiuser environment using the matrix CUSUM algorithm. IEEE Trans. Inf. Theory 2002, 48, 477–493. [Google Scholar] [CrossRef]
- Li, J.; Teng, Z.; Tang, Q.; Song, J. Detection and classification of power quality disturbances using double resolution S-transform and DAG-SVMs. IEEE Trans. Instrum. Meas. 2016, 65, 2302–2312. [Google Scholar] [CrossRef]
- Borrás, M.D.; Bravo, J.C.; Montaño, J.C. Disturbance ratio for optimal multi-event classification in power distribution networks. IEEE Trans. Ind. Electron. 2016, 63, 3117–3124. [Google Scholar] [CrossRef]
- Manikandan, M.S.; Samantaray, S.; Kamwa, I. Detection and classification of power quality disturbances using sparse signal decomposition on hybrid dictionaries. IEEE Trans. Instrum. Meas. 2014, 64, 27–38. [Google Scholar] [CrossRef]
- Wang, S.; Chen, H. A novel deep learning method for the classification of power quality disturbances using deep convolutional neural network. Appl. Energy 2019, 235, 1126–1140. [Google Scholar] [CrossRef]
- Achlerkar, P.D.; Samantaray, S.R.; Manikandan, M.S. Variational mode decomposition and decision tree based detection and classification of power quality disturbances in grid-connected distributed generation system. IEEE Trans. Smart Grid 2016, 9, 3122–3132. [Google Scholar] [CrossRef]









| Feature | Equation | Window Size | |
|---|---|---|---|
| 1 | Distortion at time n | ||
| 2 | Root mean square (RMS) | ||
| 3 | Standard deviation | ||
| 4 | Autocorrelation | ||
| 5 | Entropy | ||
| 6 | Waveform length | ||
| 7 | Zero crossing | ||
| 8 | Average fluctuation |
| Disturbance Type | Classification Delay in Samples (and in Seconds) |
|---|---|
| Sag | 26.68 (0.0083 s) |
| Swell | 34.62 (0.0108 s) |
| Oscillatory transient | 45.59 (0.0142 s) |
| Harmonics | 51.23 (0.0160 s) |
| Overall average | 39.46 (0.0123 s) |
| Classification Accuracy/Average Delay (Cycle) | |||||||
|---|---|---|---|---|---|---|---|
| Classification Method | Sag | Swell | Transient | Harmonics | Average | Normal | SNR (dB) |
| ADALINE & FFNN [15] | 98/5.5 | 99/5.5 | 86/5.5 | 90/5.5 | 94.3/5.5 | - | 20 |
| ST & PNN [16] | 98/5.5 | 92/5.5 | 86/5.5 | 95/5.5 | 92/5.5 | 100 | 20 |
| FFT & ANN [30] | 91.64/0.84 | 96.46/0.84 | 92.37/0.84 | 97.74/0.84 | 93.49/0.84 | - | 35 |
| DRST & DAG-SVM [35] | 99/5.5 | 98.5/5.5 | 97.5/5.5 | 99.5/5.5 | 98.33/5.5 | 100 | 20 |
| Dynamics & ST [19] | 95/5.5 | 97/5.5 | 97/5.5 | 97/5.5 | 96.33/5.5 | 96 | 20 |
| TQWT & MSVM [6] | 98/5.5 | 100/5.5 | 94/5.5 | 100/5.5 | 97.33/5.5 | - | 20–50 |
| WT & SVM [36] | 89/5.5 | 89/5.5 | 98/5.5 | 97/5.5 | 92/5.5 | - | 20 |
| SSD Hybrid Dict. [37] | 100/5.5 | 100/5.5 | 100/5.5 | 100/5.5 | 100/5.5 | 100 | 30 |
| Deep CNN [38] | 99.20/5 | 100/5 | 99.50/5 | 100/5.5 | 99.56/5.5 | 97.70 | 20 |
| VMD & DT [39] | 98.2/5.5 | 97.6/5.5 | 98.2/5.5 | 98.5/5.5 | 98/5.5 | 100 | 30 |
| Proposed | 99/0.41 | 100/0.54 | 95.5/0.71 | 99/0.80 | 98.38/0.61 | 99.62 | 20 |
| 100/0.41 | 100/0.54 | 100/0.71 | 100/0.80 | 100/0.61 | 100 | 30 | |
Publisher’s Note: MDPI stays neutral with regard to jurisdictional claims in published maps and institutional affiliations. |
© 2022 by the authors. Licensee MDPI, Basel, Switzerland. This article is an open access article distributed under the terms and conditions of the Creative Commons Attribution (CC BY) license (https://creativecommons.org/licenses/by/4.0/).
Share and Cite
Mozaffari, M.; Doshi, K.; Yilmaz, Y. Real-Time Detection and Classification of Power Quality Disturbances. Sensors 2022, 22, 7958. https://doi.org/10.3390/s22207958
Mozaffari M, Doshi K, Yilmaz Y. Real-Time Detection and Classification of Power Quality Disturbances. Sensors. 2022; 22(20):7958. https://doi.org/10.3390/s22207958
Chicago/Turabian StyleMozaffari, Mahsa, Keval Doshi, and Yasin Yilmaz. 2022. "Real-Time Detection and Classification of Power Quality Disturbances" Sensors 22, no. 20: 7958. https://doi.org/10.3390/s22207958
APA StyleMozaffari, M., Doshi, K., & Yilmaz, Y. (2022). Real-Time Detection and Classification of Power Quality Disturbances. Sensors, 22(20), 7958. https://doi.org/10.3390/s22207958

