On the Design of a New Simulated Inductor Using a Contactless Electrical Tomography System as an Example
Abstract
1. Introduction
- (1)
- The analysis and discussions on the characteristics of the Riordan simulated inductors.
- (2)
- The requirements of the inductor module in CET system.
- (3)
- The design of the new simulated inductor module.
- (4)
- The experimental results with the new simulated inductor.
2. Riordan Simulated Inductor
2.1. The Characteristics of the Riordan Grounded Simulated Inductor
2.2. The Characteristics of the Riordan Floating Simulated Inductor
3. The Requirement of the Inductor Module in CET System
4. New Simulated Inductor Module
4.1. The Design of the New Simulated Inductor Module
- (1)
- The new simulated inductor module should have a simple circuit construction.
- (2)
- The new simulated inductor module should be regarded as an independent module and can be connected into the circuit flexibly.
- (3)
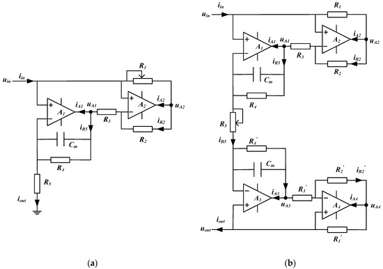
- The input current of the new simulated inductor should be equal to the output current, because the CET system implements the impedance measurements by measuring the current flowing through the detection path, as shown in Figure 3.
- (1)
- The output terminal (marked as ) is not connected to the ground directly. Instead, its output terminal is connected to the inverting input terminal of the operational amplifier of the I/V converter.
- (2)
- The operational amplifiers in the Riordan grounded simulated inductor are supplied by an independent power source, while other operational amplifiers are powered by the system power source. Meanwhile, the common node () of the independent power is connected to the output terminal.
- (1)
- By connecting the output terminal to the inverting input terminal of the operational amplifier, equivalent grounded is realized, which meets the requirement of pre-condition of the grounded simulated inductor. The equivalent inductance Leq of the new simulated inductor module is guaranteed to be fixed. It is not affected by the load of the succeeding circuit.
- (2)
- By connecting the common node of the independent power source to the main circuit, the currents which flow into the output terminals of the operational amplifiers and are compensated. The input current of the new simulated inductor module equals to the output current (). Further, the input impedance of the new simulated inductor equals to its output impedance .
4.2. Impedance Measurement Principle by Using the New Simulated Inductor Module
- (1)
- The input current is not equal to the output current ().
- (2)
- When the impedance elimination principle is realized, the phase difference between the input current and the output current is approximately 90° rather than 180°.
5. Experimental Results and Discussion
5.1. The Simulation Experiments
- (1)
- Group 1 used some different resistors to simulate the ERT system, the true values of the resistors were 10.06 kΩ, 20.16 kΩ, 30.42 kΩ, 39.64 kΩ, 47.58 kΩ, 57.73 kΩ, 76.65 kΩ, 83.30 kΩ and 100.36 kΩ.
- (2)
- Group 2 used some different capacitors to simulate ECT system, the true values of the capacitors were 2.12 pF, 5.52 pF, 9.97 pF, 15.32 pF and 33.87 pF.
- (3)
- Group 3 used some RC series combinations to simulate the EIT system, six kinds of RC series combinations were formed by resistors of 20.16 kΩ, 47.58 kΩ, 76.65 kΩ and capacitors of 5.52 pF, 15.32 pF.
5.2. The Practical Image Reconstruction Experiments
6. Conclusions
Author Contributions
Funding
Conflicts of Interest
References
- James, W.; Susan, A. Electric Circuits, 9th ed.; Pearson Education: Upper Saddle River, NJ, USA, 2011. [Google Scholar]
- William, H.; Jack, E.; Steven, M. Engineering Circuit Analysis, 7th ed.; McGraw Hill Companies: New York, NY, USA, 2007. [Google Scholar]
- Christiansen, D.; Alexander, C.; Jurgen, R. Standard Handbook of Electronic Engineering, 5th ed.; McGraw Hill Professional: Boston, MA, USA, 2004. [Google Scholar]
- Kumar, U.; Shukla, S.K. Analytical study of inductor simulation circuits. Act. Passive Electron. Compon. 1989, 13, 211–227. [Google Scholar] [CrossRef]
- Riordan, R.H.S. Simulated inductors using differential amplifiers. Electron. Lett. 1967, 3, 50–51. [Google Scholar] [CrossRef]
- Antoniou, A. Realisation of gyrators using operational amplifiers, and their use in RC-active-network synthesis. Proc. Inst. Electr. Eng. 1969, 116, 1838–1850. [Google Scholar] [CrossRef]
- Dutta Roy, S.C. A circuit for floating inductance simulation. Proc. IEEE 1974, 62, 521–523. [Google Scholar] [CrossRef]
- Susan, D.; Jayalalitha, S. Analog filters using simulated inductor. In Proceedings of the 2010 International Conference on Mechanical and Electrical Technology, Singapore, 10–12 September 2010. [Google Scholar]
- Fakhfakh, M.; Pierzchała, M.; Rodanski, B. On the design of active inductors with current-controlled voltage sources. Analog Digit. Signal Process. 2012, 73, 89–98. [Google Scholar] [CrossRef]
- Abuelma’atti, M.T. New grounded immittance function simulators using single current feedback operational amplifier. Analog Integr. Circuits Signal Process. 2012, 71, 95–100. [Google Scholar] [CrossRef]
- Jayalalitha, D.S.; Susan, D. Grounded simulated inductor-a review. Middle East J. Sci. Res. 2013, 15, 278–286. [Google Scholar]
- Yuce, E.; Minaei, S.; Cicekoglu, O. A novel grounded inductor realization using a minimum number of active and passive components. Etri J. 2005, 27, 427–432. [Google Scholar] [CrossRef]
- Soliman, A.M. On the realization of floating inductors. Nat. Sci. 2010, 8, 167–180. [Google Scholar]
- Reddy, M.A. Some new operational-amplifier circuits for the realization of the losses floating inductance. IEEE Trans. Circuits Syst. 1976, 23, 171–173. [Google Scholar] [CrossRef]
- Singh, V. On floating impedance simulation. IEEE Trans. Circuits Syst. 1989, 36, 161–162. [Google Scholar] [CrossRef]
- Crowe, C.T. Multiphase Flow Handbook; CRC Press: Boca Raton, FL, USA, 2006. [Google Scholar]
- Falcone, G.; Hewitt, G.F.; Alimonti, G.F. Multiphase Flow Metering; Elsevier Press: Oxford, UK, 2010. [Google Scholar]
- Wang, B.L.; Zhang, W.B.; Huang, Z.Y.; Ji, H.F.; Li, H.Q. Modeling and optimal design of sensor for capacitively coupled electrical resistance tomography system. Flow Meas. Instrum. 2013, 31, 3–9. [Google Scholar] [CrossRef]
- Wahab, Y.A.; Rahim, R.A.; Rahiman, M.H.F. Non-invasive process tomography in chemical mixtures—A review. Sens. Actuators B 2015, 210, 602–617. [Google Scholar] [CrossRef]
- Holder, D.S. Electracal Impedance Tomography: Methods, History and Applications; Institute of Physics Publishing: Bristol, UK, 2005. [Google Scholar]
- Rymarczyk, T.; Kłosowski, G.; Kozłowski, E.; Tchórzewski, P. Comparison of Selected Machine Learning Algorithms for Industrial Electrical Tomography. Sensors 2019, 19, 1521. [Google Scholar] [CrossRef] [PubMed]
- Rymarczyk, T.; Kłosowski, G.; Kozłowski, E. A Non-Destructive System Based on Electrical Tomography and Machine Learning to Analyze the Moisture of Buildings. Sensors 2018, 18, 2285. [Google Scholar] [CrossRef]
- Stefani, F.; Gundrum, T.; Gerbeth, G. Contactless inductive flow tomography. Phys. Rev. E 2004, 70, 056306. [Google Scholar] [CrossRef] [PubMed]
- Stefani, F.; Rüdiger, G.; Szklarski, J.; Gundrum, T.; Gerbeth, G.; Hollerbach, R. Experiments on the magnetorotational instability in helical magnetic fields. New J. Phys. 2007, 9, 10949. [Google Scholar] [CrossRef]
- Ziolkowski, M.; Gratkowski, S.; Żywica, A.R. Analytical and numerical models of the magnetoacoustic tomography with magnetic induction. COMPEL Int. J. Comput. Math. Electr. 2018, 37, 538–548. [Google Scholar] [CrossRef]
- Stawicki, K.; Gratkowski, S.; Komorowski, M.; Pietrusewicz, T. A new transducer for magnetic induction tomography. IEEE Trans. Magn. 2009, 45, 1832–1835. [Google Scholar] [CrossRef]
- Xie, C.G.; Huang, S.M.; Hoyle, B.S. Electrical capacitance tomography for flow imaging: System model for development of image reconstruction algorithms and design of primary sensors. IEE Proc. G 1992, 139, 89–98. [Google Scholar] [CrossRef]
- Huang, Z.Y.; Jiang, W.W.; Zhou, X.M.; Wang, B.L.; Ji, H.F.; Li, H.Q. A new method of capacitively coupled contactless conductivity detection based on series resonance. Sens. Actuators B Chem. 2009, 143, 239–245. [Google Scholar] [CrossRef]
- Lyu, Y.C.; Huang, J.C.; Huang, Z.Y.; Ji, H.F.; Wang, B.L.; Li, H.Q. Study on the application of simulated inductor technique to the design of C4D sensor. Sens. Actuators A 2017, 264, 195–204. [Google Scholar] [CrossRef]
- Lyu, Y.C.; Ji, H.F.; Yang, S.J.; Huang, Z.Y.; Wang, B.L.; Li, H.Q. New C4D Sensor with a Simulated Inductor. Sensors 2016, 16, 165. [Google Scholar] [CrossRef] [PubMed]
- Wang, Y.X.; Ji, H.F.; Huang, Z.Y.; Wang, B.L.; Li, H.Q. Online measurement of conductivity/permittivity of fluid by a new contactless impedance sensor. Rev. Sci. Instrum. 2017, 88, 055111. [Google Scholar] [CrossRef]
- Wang, Y.X.; Wang, B.L.; Huang, Z.Y.; Ji, H.F.; Li, H.Q. New capacitively coupled electrical resistance tomography (CCERT) system. Meas. Sci. Technol. 2018, 29, 104007. [Google Scholar] [CrossRef]
- Huijsing, J.H. Design and applications of the operational floating amplifier (OFA): The most universal operational amplifier. Analog Integr. Circuits Signal Process. 1993, 4, 115–129. [Google Scholar] [CrossRef]
- Huijsing, J.H.; Veelenturf, C.J. Monolithic class AB operational mirrored amplifier. Electron. Lett. 2007, 17, 119–120. [Google Scholar] [CrossRef]












| Rr (kΩ) | Cr (pF) | R (kΩ) | C (pF) | eR (%) | eC (%) | σR (kΩ) | σC (pF) |
|---|---|---|---|---|---|---|---|
| 20.16 | 5.52 | 21.11 | 5.63 | 4.74 | 2.01 | 0.44 | 0.01 |
| 20.16 | 15.32 | 20.33 | 15.70 | 0.89 | 2.51 | 0.03 | 0.03 |
| 47.58 | 5.52 | 47.55 | 5.64 | −0.04 | 2.20 | 0.20 | 0.02 |
| 47.58 | 15.32 | 46.98 | 15.74 | −1.25 | 2.78 | 0.09 | 0.06 |
| 76.65 | 5.52 | 74.35 | 5.39 | −2.99 | −2.21 | 0.27 | 0.02 |
| 76.65 | 15.32 | 75.81 | 14.59 | −1.09 | −4.77 | 0.14 | 0.07 |
| Rr (kΩ) | Cr (pF) | R (kΩ) | C (pF) | eR (%) | eC (%) | σR (kΩ) | σC (pF) |
|---|---|---|---|---|---|---|---|
| 20.16 | 5.52 | 20.81 | 5.60 | 3.26 | 1.47 | 0.43 | 0.01 |
| 20.16 | 15.32 | 20.83 | 15.84 | 3.37 | 3.45 | 0.03 | 0.03 |
| 47.58 | 5.52 | 47.43 | 5.61 | −0.31 | 1.66 | 0.21 | 0.02 |
| 47.58 | 15.32 | 47.18 | 15.78 | −0.83 | 3.04 | 0.08 | 0.07 |
| 76.65 | 5.52 | 74.47 | 5.45 | −2.84 | −1.12 | 0.30 | 0.02 |
| 76.65 | 15.32 | 75.52 | 14.57 | −1.47 | −4.84 | 0.14 | 0.08 |
| Image Reconstruction Results | (1) | (2) | (3) |
|---|---|---|---|
| MSE | 0.0142 | 0.0138 | 0.0138 |
| RIE | 0.4805 | 0.4376 | 0.4408 |
| ICC | 0.5389 | 0.5514 | 0.5484 |
© 2019 by the authors. Licensee MDPI, Basel, Switzerland. This article is an open access article distributed under the terms and conditions of the Creative Commons Attribution (CC BY) license (http://creativecommons.org/licenses/by/4.0/).
Share and Cite
Ye, X.; Wang, Y.; Tang, X.-Y.; Ji, H.; Wang, B.; Huang, Z. On the Design of a New Simulated Inductor Using a Contactless Electrical Tomography System as an Example. Sensors 2019, 19, 2463. https://doi.org/10.3390/s19112463
Ye X, Wang Y, Tang X-Y, Ji H, Wang B, Huang Z. On the Design of a New Simulated Inductor Using a Contactless Electrical Tomography System as an Example. Sensors. 2019; 19(11):2463. https://doi.org/10.3390/s19112463
Chicago/Turabian StyleYe, Xin, Yuxin Wang, Xiao-Yu Tang, Haifeng Ji, Baoliang Wang, and Zhiyao Huang. 2019. "On the Design of a New Simulated Inductor Using a Contactless Electrical Tomography System as an Example" Sensors 19, no. 11: 2463. https://doi.org/10.3390/s19112463
APA StyleYe, X., Wang, Y., Tang, X.-Y., Ji, H., Wang, B., & Huang, Z. (2019). On the Design of a New Simulated Inductor Using a Contactless Electrical Tomography System as an Example. Sensors, 19(11), 2463. https://doi.org/10.3390/s19112463

