A Terrestrial Microbial Fuel Cell for Powering a Single-Hop Wireless Sensor Network
Abstract
:1. Introduction
2. Results
2.1. Terrestrial Microbial Fuel Cell (TMFC) Performance
2.1.1. Voltage between Electrodes in the Inoculation Experiment
2.1.2. Open Circuit Voltage
2.1.3. Polarization and Power Curves
2.2. Relationship between the Proposed TMFC Properties and Environmental Factors
2.2.1. Soil Moisture Content
2.2.2. Temperature
2.3. Voltages on Super-Capacitors in the Power Management System (PMS) Board
2.4. Wireless Sensor Network (WSN) Application
3. Discussion
4. Materials and Methods
4.1. Terrestrial Microbial Fuel Cell Device
4.2. Performance Evaluation of the TMFC
4.2.1. Electrochemical Tests
4.2.2. Environmental Factors Effects on the Performance of TMFC
4.3. WSN Platform Implementation
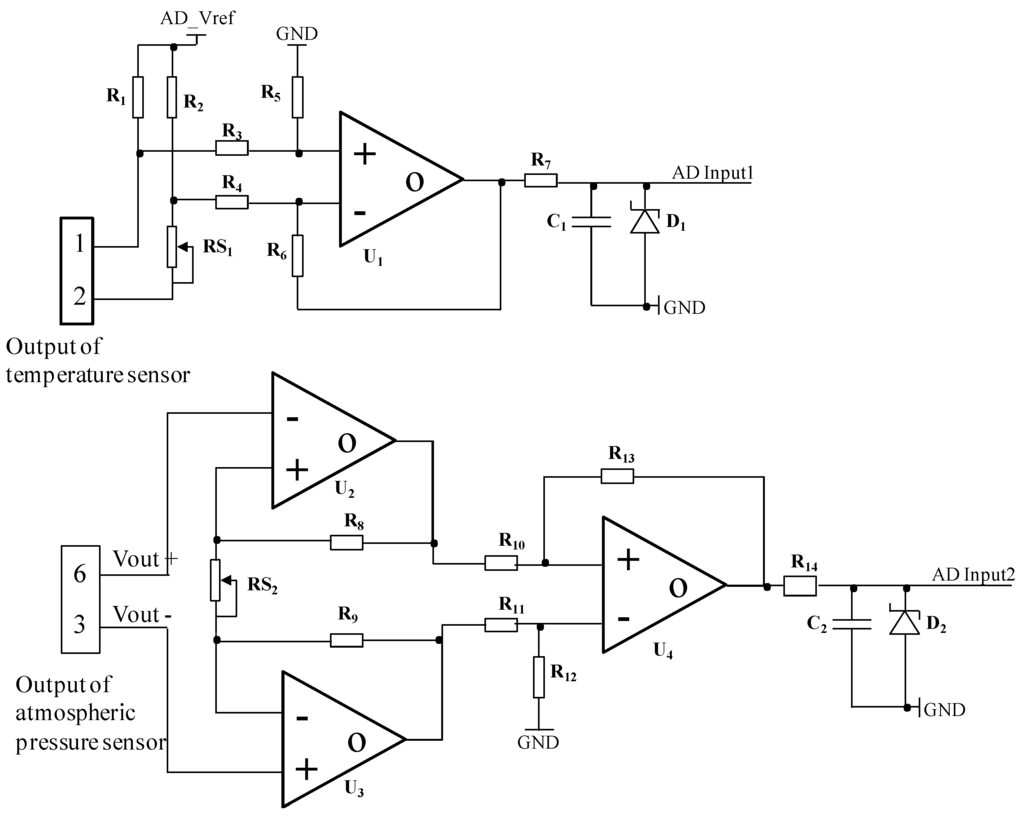
4.3.1. Sensors and Signal Processing Board
4.3.2. Controller and Radio Board
4.3.3. PMS Board
Acknowledgments
Author Contributions
Conflicts of Interest
Abbreviations
| MFCs | Microbial Fuel Cells |
| TMFCs | Terrestrial Microbial Fuel Cells |
| AMFCs | Aquatic Microbial Fuel Cells |
| WSNs | Wireless Sensor Networks |
| BESs | Bioelectrochemical Systems |
| OCV | Open Circuit Voltage |
| PMS | Power Management System |
| PC | Personal Computer |
| USB | Universal Serial Bus |
| JTAG | Joint Test Action Group |
| USART | Universal Synchronous Asynchronous Receiver Transmitter |
| RF | Radio Frequency |
| ADC | Analog to Digital Converter |
| DC/DC | Direct Current to Direct Current |
References
- Logan, B.E. Microbial Fuel Cells, 1st ed.; John Wiley & Sons Inc.: New York, NY, USA, 2008; pp. 1–11. [Google Scholar]
- Rabaey, K. Bioelectrochemical Systems: From Extracellular Electron Transfer to Biotechnological Application; IWA Publishing: London, UK, 2010; pp. 1–10. [Google Scholar]
- Sleutels, T.H.; Ter Heijne, A.; Buisman, C.J.; Hamelers, H.V. Bioelectrochemical systems: An outlook for practical applications. ChemSusChem 2012, 5, 1012–1019. [Google Scholar] [CrossRef] [PubMed]
- Kannan, M.V.; Gnana Kumar, G. Current status, key challenges and its solutions in the design and development of graphene based ORR catalysts for the microbial fuel cell applications. Biosens. Bioelectron. 2016, 77, 1208–1220. [Google Scholar] [CrossRef] [PubMed]
- Majumder, D.; Maity, J.P.; Tseng, M.J.; Nimje, V.R.; Chen, H.R.; Chen, C.C.; Chang, Y.F.; Yang, T.C.; Chen, C.Y. Electricity generation and wastewater treatment of oil refinery in microbial fuel cells using Pseudomonas putida. Int. J. Mol. Sci. 2014, 15, 16772–16786. [Google Scholar] [CrossRef] [PubMed]
- Shizas, I.; Bagley, D.M. Experimental determination of energy content of unknown organics in municipal wastewater streams. J. Energy Eng. 2004, 130, 45–53. [Google Scholar] [CrossRef]
- Potter, M.C. Electrical Effects Accompanying the Decomposition of Organic Compounds. In Proceedings of the Royal Society of London, Series B, Containing Papers of a Biological Character, London, UK, 14 September 1911; Royal Society: London, UK, 1911; pp. 260–276. [Google Scholar]
- Schröder, U. Discover the possibilities: Microbial bioelectrochemical systems and the revival of a 100-year-old discovery. J. Solid State Electron. 2011, 15, 1481–1486. [Google Scholar] [CrossRef]
- Logan, B.E. Essential data and techniques for conducting microbial fuel cell and other types of bioelectrochemical system experiments. ChemSusChem 2012, 5, 988–994. [Google Scholar] [CrossRef] [PubMed]
- Ghadge, A.N.; Jadhav, D.A.; Pradhan, H.; Ghangrekar, M.M. Enhancing waste activated sludge digestion and power production using hypochlorite as catholyte in clayware microbial fuel cell. Bioresour. Technol. 2015, 182, 225–231. [Google Scholar] [CrossRef] [PubMed]
- Wang, H.M.; Park, J.D.; Ren, Z.J. Practical energy harvesting for microbial fuel cells: A review. Environ. Sci. Technol. 2015, 49, 3267–3277. [Google Scholar] [CrossRef] [PubMed]
- Fang, F.; Zang, G.L.; Sun, M.; Yu, H.Q. Optimizing multi-variables of microbial fuel cell for electricity generation with an integrated modeling and experimental approach. Appl. Energy 2013, 110, 98–103. [Google Scholar] [CrossRef]
- Rajesh, P.P.; Jadhav, D.A.; Ghangrekar, M.M. Improving performance of microbial fuel cell while controlling methanogenesis by Chaetoceros pretreatment of anodic inoculum. Bioresour. Technol. 2015, 180, 66–71. [Google Scholar] [CrossRef] [PubMed]
- Park, J.D.; Ren, Z.Y. Hysteresis-Controller-based energy harvesting scheme for microbial fuel cells with parallel operation capability. IEEE Trans. Energy Convers. 2012, 27, 715–724. [Google Scholar] [CrossRef]
- Janicek, A.; Fan, Y.Z.; Liu, H. Performance and stability of different cathode base materials for use in microbial fuel cells. J. Power Sources 2015, 280, 159–165. [Google Scholar] [CrossRef]
- Selvan, K.V.; Ali, M.S.M. Micro-scale energy harvesting devices: Review of methodological performances in the last decade. Renew. Sustain. Energy Rev. 2016, 54, 1035–1047. [Google Scholar] [CrossRef]
- Santoro, C.; Soavi, F.; Serov, A.; Arbizzani, C.; Atanassov, P. Self-powered supercapacitive microbial fuel cell: The ultimate way of boosting and harvesting power. Biosens. Bioelectron. 2016, 78, 229–235. [Google Scholar] [CrossRef] [PubMed]
- Pandey, P.; Shinde, V.N.; Deopurkar, R.L.; Kale, S.P.; Patil, S.A.; Pant, D. Recent advances in the use of different substrates in microbial fuel cells toward wastewater treatment and simultaneous energy recovery. Appl. Energy 2016, 168, 706–723. [Google Scholar] [CrossRef]
- Yang, F.; Zhang, D.X.; Shimotori, T.; Wang, K.C.; Huang, Y. Study of transformer-based power management system and its performance optimization for microbial fuel cells. J. Power Sources 2012, 205, 86–92. [Google Scholar] [CrossRef]
- Del Campo, A.G.; Lobato, J.; Canizares, P.; Rodrigo, M.A.; Morales, F.J.F. Short-term effects of temperature and COD in a microbial fuel cell. Appl. Energy 2013, 101, 213–217. [Google Scholar] [CrossRef]
- Dallago, E.; Barnabei, A.L.; Liberale, A.; Torelli, G.; Venchi, G. A 300-mV low-power management system for energy harvesting applications. IEEE Trans. Power Electron. 2016, 31, 2273–2281. [Google Scholar] [CrossRef]
- Khaled, F.; Ondel, O.; Allard, B. Microbial fuel cells as power supply of a low-power temperature sensor. J. Power Sources 2016, 306, 354–360. [Google Scholar] [CrossRef]
- Dewan, A.; Ay, S.U.; Karim, M.N.; Beyenal, H. Alternative power sources for remote sensors: A review. J. Power Sources 2014, 245, 129–143. [Google Scholar] [CrossRef]
- Thomas, Y.R.J.; Picot, M.; Carer, A.; Berder, O.; Sentieys, O.; Barrière, F. A single sediment-microbial fuel cell powering a wireless telecommunication system. J. Power Sources 2013, 241, 703–708. [Google Scholar] [CrossRef]
- Zhang, D.X.; Yang, F.; Shimotori, T.; Wang, K.C.; Huang, Y. Performance evaluation of power management systems in microbial fuel cell-based energy harvesting applications for driving small electronic devices. J. Power Sources 2012, 217, 65–71. [Google Scholar] [CrossRef]
- Han, Y.; Yu, C.; Liu, H. A microbial fuel cell as power supply for implantable medical devices. Biosens. Bioelectron. 2010, 25, 2156–2160. [Google Scholar] [CrossRef] [PubMed]
- Tommasi, T.; Chiolerio, A.; Crepaldi, M.; Demarchi, D. A microbial fuel cell powering an all-digital piezoresistive wireless sensor system. Microsyst. Technol. 2014, 20, 1023–1033. [Google Scholar] [CrossRef]
- Carreon-Bautista, S.; Erbay, C.; Han, A.; Sanchez-Sinencio, E. Power management system with integrated maximum power extraction algorithm for microbial fuel cells. IEEE Trans. Energy Convers. 2015, 30, 262–272. [Google Scholar] [CrossRef]
- Meehan, A.; Gao, H.W.; Lewandowski, Z. Energy harvesting with microbial fuel cell and power management system. IEEE Trans. Power Electron. 2011, 26, 176–181. [Google Scholar] [CrossRef]
- Bandyopadhyay, P.R.; Thivierge, D.P.; McNeilly, F.M.; Fredette, A. An electronic circuit for trickle charge harvesting from littoral microbial fuel cells. IEEE J. Ocean. Eng. 2013, 38, 32–42. [Google Scholar] [CrossRef]
- Zhang, F.; Tian, L.; He, Z. Powering a wireless temperature sensor using sediment microbial fuel cells with vertical arrangement of electrodes. J. Power Sources 2011, 196, 9568–9573. [Google Scholar] [CrossRef]
- Knight, C.; Cavanagh, K.; Munnings, C.; Moore, T.; Cheng, K.Y.; Kaksonen, A.H. Application of microbial fuel cells to power sensor networks for ecological monitoring. In Wireless Sensor Networks and Ecological Monitoring; Springer: Berlin/Heidelberg, Germany, 2013; Volume 3, pp. 151–178. [Google Scholar]
- Zheng, Q.; Xiong, L.; Mo, B.; Lu, W.; Kim, S.; Wang, Z. Temperature and humidity sensor powered by an individual microbial fuel cell in a power management system. Sensors 2015, 15, 23126–23144. [Google Scholar] [CrossRef] [PubMed]
- Cooke, K.G.; Gay, M.O.; Radachowsky, S.E.; Guzman, J.J.; Chiu, M.A. BackyardNet(TM): Distributed sensor network powered by terrestrial microbial fuel cell technology. In Proceedings of the SPIE Defense, Security, and Sensing, Orlando, FL, USA, 12 May 2010; International Society for Optics and Photonics: Orlando, FL, USA, 2010; pp. 1–11. [Google Scholar]
- Zhang, D.X.; Ge, Y.B.; Wang, W.D. Study of a terrestrial microbial fuel cell and the effects of its power generation performance by environmental factors. In Proceedings of the 2013 IEEE International Conference on Advanced Mechatronic Systems (ICAMechS), Luoyang, China, 25–27 September 2013; pp. 445–448.
- Pietrelli, A.; Micangeli, A.; Ferrara, V.; Raffi, A. Wireless sensor network powered by a terrestrial microbial fuel cell as a sustainable land monitoring energy system. Sustainability 2014, 6, 7263–7275. [Google Scholar] [CrossRef]
- Dargie, W.; Poellabauer, C. Fundamentals of Wireless Sensor Networks: Theory and Practice; John Wiley & Sons: New York, NY, USA, 2010; pp. 9–13. [Google Scholar]
- Seah, W.K.; Eu, Z.A.; Tan, H.P. Wireless sensor networks powered by ambient energy harvesting (WSN-HEAP)-Survey and challenges. In Proceedings of the 1st International Conference on Wireless Communication, Vehicular Technology, Information Theory and Aerospace & Electronic Systems Technology, Wireless VITAE 2009, Aalborg, Denmark, 17–20 May 2009; IEEE: Aalborg, Denmark, 2009; pp. 1–5. [Google Scholar]
- Peng, S.; Low, C.P. Prediction free energy neutral power management for energy harvesting wireless sensor nodes. Ad Hoc Netw. 2014, 13, 351–367. [Google Scholar] [CrossRef]
- Escolar, S.; Chessa, S.; Carretero, J. Energy-neutral networked wireless sensors. Simul. Model. Pract. Theory 2014, 43, 1–15. [Google Scholar] [CrossRef]













| Name | Symbol | Value/Name of the Component |
|---|---|---|
| Variable Resistor | RS1, RS2 | 500 Ω |
| R1, R2 | 500 Ω | |
| R3, R4 | 25 KΩ | |
| Resistor | R5, R6, R8, R9 | 100 KΩ |
| R7, R14 | 1 KΩ | |
| R10, R11, R12, R13 | 10 KΩ | |
| Capacitor | C1, C2 | 10 nF |
| Zener Diode | D1, D2 | IN4733 |
| Amplifier | U1, U2, U3, U4 | OPA2340 |
© 2016 by the authors; licensee MDPI, Basel, Switzerland. This article is an open access article distributed under the terms and conditions of the Creative Commons Attribution (CC-BY) license (http://creativecommons.org/licenses/by/4.0/).
Share and Cite
Zhang, D.; Zhu, Y.; Pedrycz, W.; Guo, Y. A Terrestrial Microbial Fuel Cell for Powering a Single-Hop Wireless Sensor Network. Int. J. Mol. Sci. 2016, 17, 762. https://doi.org/10.3390/ijms17050762
Zhang D, Zhu Y, Pedrycz W, Guo Y. A Terrestrial Microbial Fuel Cell for Powering a Single-Hop Wireless Sensor Network. International Journal of Molecular Sciences. 2016; 17(5):762. https://doi.org/10.3390/ijms17050762
Chicago/Turabian StyleZhang, Daxing, Yingmin Zhu, Witold Pedrycz, and Yongxian Guo. 2016. "A Terrestrial Microbial Fuel Cell for Powering a Single-Hop Wireless Sensor Network" International Journal of Molecular Sciences 17, no. 5: 762. https://doi.org/10.3390/ijms17050762
APA StyleZhang, D., Zhu, Y., Pedrycz, W., & Guo, Y. (2016). A Terrestrial Microbial Fuel Cell for Powering a Single-Hop Wireless Sensor Network. International Journal of Molecular Sciences, 17(5), 762. https://doi.org/10.3390/ijms17050762
