Sign in to use this feature.

Years

Between: -

Subjects

remove_circle_outline
remove_circle_outline
remove_circle_outline

Journals

Article Types

Countries / Regions

Search Results (1)

Search Parameters:
Keywords = trans-inverse converter

Order results
Result details
Results per page
Select all
Export citation of selected articles as:
25 pages, 11847 KB  
Article
A Trans-Inverse Magnetic Coupling Single-Phase AC-AC Converter
by Soroush Esmaeili, Kasra Ghobadi, Hassan Zare, Mohsin Jamil, Ashraf Ali Khan and Amin Mahmoudi
Energies 2022, 15(12), 4319; https://doi.org/10.3390/en15124319 - 13 Jun 2022
Cited by 4 | Viewed by 2657
Abstract
This paper introduces a new single-phase AC-AC converter based on an impedance source circuit. Like the existing single-phase impedance source AC-AC converters, it has the buck-boost ability and direct ac conversion. The input and output voltage possesses the same ground, and the phase [...] Read more.
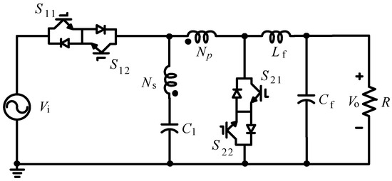
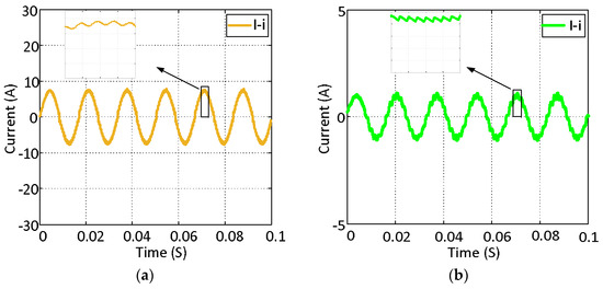
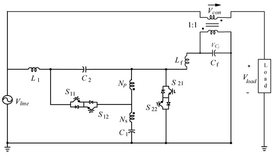
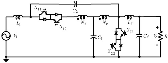
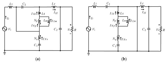
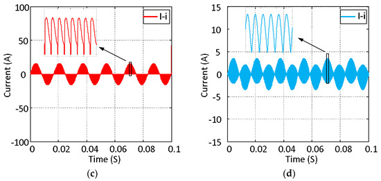
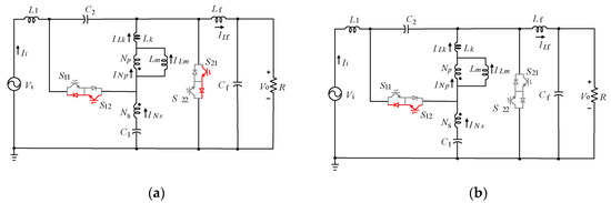
This paper introduces a new single-phase AC-AC converter based on an impedance source circuit. Like the existing single-phase impedance source AC-AC converters, it has the buck-boost ability and direct ac conversion. The input and output voltage possesses the same ground, and the phase angle is maintained and reversed smoothly. The presented converter utilizes a coupled transformer which allows the designer to exploit the transformer’s turns ratio as a variable to attain the desired output voltage. Additionally, the used transformer provides an option to obtain higher voltage gain by decreasing the turns ratio. Hence, smaller size of the coupled inductors is required for the higher voltage cases. To eliminate the switching voltage and current spikes on the power switches, a safe commutation strategy is used instead of utilizing snubber circuits. Furthermore, the input current is continuous and sinusoidal with low harmonics thanks to embedding the input inductor in series with the input source. Additionally, a dynamic voltage restorer is presented based on the proposed converter to compensate the voltage sag and swell faults. Simulation results are provided to evaluate the theoretical analysis. Finally, a laboratory prototype has been fabricated to demonstrate the validation of the presented converter. Full article
Show Figures

Figure 1

Back to TopTop