Sign in to use this feature.

Years

Between: -

Subjects

remove_circle_outline
remove_circle_outline

Journals

Article Types

Countries / Regions

Search Results (1)

Search Parameters:
Keywords = sloping face of the punch

Order results
Result details
Results per page
Select all
Export citation of selected articles as:
16 pages, 9348 KB  
Article
Analysis of the Influence of Blanking Clearance on the Wear of the Punch, the Change of the Burr Size and the Geometry of the Hook Blanked in the Hardened Steel Sheet
by Jacek Mucha and Jacek Tutak
Materials 2019, 12(8), 1261; https://doi.org/10.3390/ma12081261 - 17 Apr 2019
Cited by 19 | Viewed by 6049
Abstract
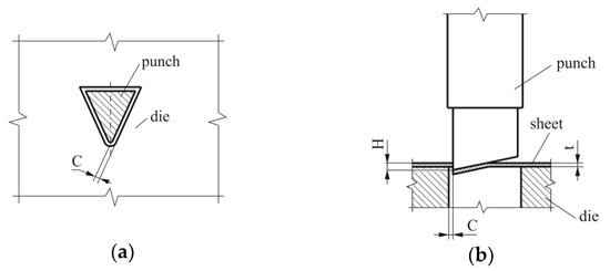
In this thesis, the results of an experimental analysis of blanking angled hooks with a punch of a sloping face in a thin steel sheet with a hardness of 55 HRC are presented. The blanking punch was made of K340 cold-work tool steel. [...] Read more.
In this thesis, the results of an experimental analysis of blanking angled hooks with a punch of a sloping face in a thin steel sheet with a hardness of 55 HRC are presented. The blanking punch was made of K340 cold-work tool steel. Tests were carried out for three values of clearance, 5%, 10%, and 15% of sheet thickness. The results of the analysis of the influence of the number of cuts made by the punch on the growth of the burr at the sheet edge were presented. Moreover, the influences of the clearance on the initial values of burr (bh), deflection (Hb), and the bending radius (Rb) of the hook have been shown. The influence of the friction path on the intensity of degradation of working surfaces and the blanking edges of the punch was also demonstrated. The obtained results allow the selection of the proper clearance and new tool materials for blanking blades working in particularly difficult tribological conditions. Full article
(This article belongs to the Section Manufacturing Processes and Systems)
Show Figures

Figure 1

Back to TopTop