Next Article in Journal
Parameter Tuning Method for a Lattice Compensated Wireless Power Transfer System
Previous Article in Journal
Enhancing Fault Location Accuracy in Transmission Lines Using Transient Frequency Spectrum Analysis: An Investigation into Key Factors and Improvement Strategies
 
 
Font Type:
Arial Georgia Verdana
Font Size:
Aa Aa Aa
Line Spacing:
Column Width:
Background:
Article

Quadratic Boost Converter with Optimized Switching Ripple Based on the Selection of Passive Components

by
Edgar D. Silva-Vera
1,
Julio C. Rosas-Caro
2,*,
Jesus E. Valdez-Resendiz
1,
Avelina Alejo-Reyes
2,
Omar F. Ruiz-Martinez
3,*,
Johnny Posada Contreras
4 and
Pedro Martín García-Vite
5
1
School of Engineering and Sciences, Tecnologico de Monterrey, Av. Eugenio Garza Sada 2501, Monterrey 64849, Mexico
2
Facultad de Ingenieria, Universidad Panamericana, Alvaro del Portillo 49, Zapopan 45010, Mexico
3
Facultad de Ingeniería, Universidad Panamericana, Jose María Escrivá de Balaguer 101, Villas Bonaterra, Aguascalientes 20296, Mexico
4
Programa de Ingeniería Eléctrica, Grupo de Investigación en Energía, GIEN, Facultad de Ingeniería, Universidad Autónoma de Occidente, Cali 760001, Colombia
5
Tecnológico Nacional de México, Instituto Tecnológico de Ciudad Madero, Av. 1o. de Mayo esq. Sor Juana Inés de la Cruz S/N Col., Los Mangos, Ciudad Madero 89440, Mexico
*
Authors to whom correspondence should be addressed.
Electricity 2024, 5(4), 877-894; https://doi.org/10.3390/electricity5040044
Submission received: 2 September 2024 / Revised: 2 November 2024 / Accepted: 6 November 2024 / Published: 9 November 2024

Abstract

This work introduces a boost converter with quadratic gain. Its main advantage compared to well-known similar quadratic boost converters is that it requires capacitors with a relatively small capacitance and inductors with small inductance, leading to a reduction in the size or stored energy while performing a power conversion of similar power rating and the same switching ripples in both the input current and the output voltage. It is inspired by the recently introduced ISB converter and uses a specific PWM method. This results in achieving switching ripple constraints while using smaller energy storage elements (capacitors and inductors). The updated converter offers the same voltage gain compared to the conventional quadratic boost topology with the benefit of compact component sizes. While it has more passive elements, they are of reduced size. An analysis of energy storage revealed that this new converter uses only half the energy in inductors and 14% in capacitors when compared to specific design parameters.

1. Introduction

Renewable energy sources have become a promising solution in the transition toward sustainable and low-carbon electric energy generation [1,2]. However, the variability of some sources, i.e., the energy delivered by solar panels and their voltage levels, presents challenges in delivering stable and efficient energy. Addressing these challenges is crucial to maximizing the efficiency and reliability of PV systems and integrating them into the power grid effectively [1,2].
One possible solution to this challenge is the use of switching power converters based on power electronics [1,2,3,4,5]. Switching power converters are circuits that are used to condition power for different sources and loads [3,4,5], like the electric energy produced by renewable energy sources. Figure 1 shows the basic family of dc-dc converters, also called second-order converters. Since each converter has one capacitor and one inductor [5], this leads to a second-order model.
Energy from renewable sources sometimes needs a voltage boost and regulation depending on its end use, such as powering a grid-tie inverter. Converters performing this function are termed step-up converters, and several contributions have been recently reported in this topic [6,7].
These step-up converters function by exchanging energy between certain storage elements, namely inductors and capacitors, known as passive elements. Through transistors in a switched mode (non-linear format), the links between these passive elements change, causing the converter to function in varied switching stages. This allows energy to be transferred from inductors to capacitors and vice versa [3,4,5,6,7,8].
A conventional boost topology (shown in Figure 1b) has one capacitor and one inductor, classifying it as a second-order converter.
There are other converter configurations like the Cuk converter, the SEPIC (Single-ended primary-inductor converter), and the ZETA converter. These possess four energy storage elements (two capacitors and two inductors); hence, we can call them fourth-order converters. Figure 2 shows this family of fourth-order dc-dc converters.
In addition to fourth-order converter families, it is possible to connect converters of the same type in a cascaded connection, for example, the traditional boost. Figure 3a shows the way two converters may be cascade-connected, which leads to a fourth-order converter but also a converter with the quadratic boost.
There is a fourth-order converter called the quadratic boost topology [9,10,11]. It works similarly to the cascaded boost in Figure 3a, but it has only one semiconductor. Like other fourth-order topologies, the quadratic boost converter has two inductors and two capacitors, but its voltage gain is given by a quadratic relationship, allowing it to achieve significantly higher voltage levels than traditional boost converters. Such high-gain capability makes the quadratic boost converter particularly suitable for applications requiring substantial voltage step-up [9,10,11].
The traditional quadratic boost converter, illustrated in Figure 3, is among the most explored step-up converter topologies. This single-switch converter gives substantial voltage gains, essentially being a squared version of the standard boost, and it boasts the benefit of having a continuous input current, initially proposed in [9]. Several research works have been focused on this topology [9,10,11].
Numerous innovations have been documented in power electronics, covering both the single-stage boost topology and its quadratic extension [9,10,11,12,13]. A notable recent addition is what is called the ISB converter (Improved Super Boost) [13]. The design presented in [13] mirrors the super boost [14,15] converter but stands out due to its diminished input current ripple, hence earning its “improved” title.
In this paper, we introduce a quadratic-type boost converter that takes inspiration from the Improved Super Boost topology and incorporates a unique PWM approach. The converter was preliminarily introduced in [16] with initial experimental results and a short explanation; the article includes the full modeling, explanation, and experimental verification. While the proposed converter mirrors the functionality of other converters, like the conventional quadratic boost topology, it integrates more passive elements but demands less energy storage within these components. The energy held by these components directly correlates to their size. A decrease in this stored energy implies capacitors can work with reduced capacitance to maintain a specific voltage ripple, while inductors can function with minimal inductance to regulate input current ripples. For a comparative analysis, two converters were crafted and simulated against certain ripple design criteria. When both models were tested, it was revealed that the new converter needs just half the energy storage in inductors and 14% in capacitors, in contrast to the conventional model. Comprehensive theoretical insights and simulation outcomes are furnished.

2. The Conventional Quadratic Boost Converter

This section offers a concise overview and examination of the classic quadratic boost topology, aiding in drawing comparisons between various converters. As previously highlighted, the conventional quadratic boost topology operates with a single transistor, meaning its operation is governed by one duty cycle. When in CCM, this converter transitions between two circuital states, as depicted in Figure 4.
The quadratic boost converter steady-state or equilibrium model is derived using the conventional averaging method [3]. The circuit’s non-linear model, often referred to as the large-signal model, can be articulated through Equations (1)–(4).
L a d i L a d t = v i n 1 d v C a .
L b d i L b d t = v C a 1 d v C b .
C a d v C a d t = 1 d i L a i L b .
C b d v C b d t = 1 d i L b v o u t R .
In this case, “d” represents the duty ratio, which is the average time when the switch is on. Using the large-signal model, represented by Equations (1) through (4), one can determine the equilibrium operating state as described by Equations (5)–(8).
V C a = V i n 1 D .
V C b = V C a 1 D = V i n 1 D 2 .
I L b = V o u t R 1 1 D .
I L a = I L b 1 1 D = V o u t R 1 1 D 2 .
where Vout/R represents the load current or output current, and capital letters represent signal values at equilibrium, which corresponds to the DC component. Analyzing the converter in steady state shows that VCa (5) matches the formula of the output voltage of a standard boost converter. Meanwhile, the expression for the voltage at the output (6) showcases a squared version of that expression.
To define the values of inductance and capacitance, one should consider the intended maximum switching ripple. This encompasses current ripple for inductors and voltage ripple for capacitors. Notably, the currents through inductors and voltages across capacitors adopt a triangular shape influenced by the state of the transistor. Adhering to the methodology in reference [3], the values for inductors and capacitors can be ascertained, as delineated by Equations (9) through (12).
L a = V i n D 2 Δ i L a f S .
L b = V C a D 2 Δ i L b f S .
C a = I L b D 2 Δ v C a f S .
C b = V C b D R 2 Δ v C a f S .
Let Vin symbolize the voltage at the input port, D represent the steady-state duty cycle, and fS denote the switching frequency. The desired switching ripple in the current through inductors La and Lb are ΔiLa and ΔiLb, while ΔvCa and ΔvCb indicate the desired voltage ripple in the voltage of capacitors Ca and Cb, respectively.

Stored Energy Specification

Converters designed with specific switching ripple parameters might exhibit dual specifications for the maximum amount of switching ripple. One pertains to the output voltage, and the other to the input current. In both cases, the switching ripple is related to the power quality of the converter signals.
Regarding the standard quadratic boost topology, as visualized in Figure 3, calculating the switching ripples can be straightforward. The ripple in input current mirrors that in La, given La’s series alignment with the voltage source. Similarly, the output voltage ripple parallels the fluctuation in Cb, as Cb is connected across the output port.
Moreover, stored energy in the inductors can be computed as shown in Equation (13).
W s L = L a I P e a k L a 2 2 + L b I P e a k L b 2 2 .
where IPeak-La and IPeak-Lb denote the inductor’s peak values, which include the current ripple and DC value. The stored energy in the capacitor can be computed as shown in Equation (14).
W s C = C a V P e a k C a 2 2 + C b V P e a k C b 2 2 .
In this context, VPeak-Ca and VPeak-Cb signify the utmost voltage experienced across the capacitors. When dealing with capacitors, it is essential to determine the RMS (root mean square) current for component selection. Similarly, while picking the wire, the RMS current passing through the inductors is vital, though it is typically smaller than the maximum value.

3. The Proposed Quadratic Boost Topology

In Figure 5, the proposed quadratic converter is shown. It incorporates four inductors labeled as La to Ld and four capacitors named Ca to Cd. Additionally, it has four semiconductors: two controlled switches sα and sβ, along with two diodes, sαn and sβn. If one wishes for two-way power flow, these diodes can be replaced with switches. The diode sαn functions in tandem with the switch sα, meaning that when sα is activated, sαn is not and vice versa. A similar relationship exists between diode sβn and switch sβ.
Based on the design in Figure 5, Equations (15) and (16) can detail the output voltage and input current, respectively.
v o u t = v i n + v C b + v C d .
i i n = i L a + i L c + i o u t .
It is noteworthy that the current at the input port can be calculated as a combination of the current at the output port and the inductor’s currents. The current at the input, termed ig, maintains a steady flow without pulsations. The output current, sourced from the capacitors, also lacks pulsation, reducing the risk of unwanted EMI noise. Additionally, the magnitude of the current through the inductors remains consistently below the input current, which differentiates it from the behavior seen in the traditional QBC. Adjusting the values of inductance in La and Lc can help control this aspect.

3.1. Steady-State Model of the Converter

While the introduced circuit appears intricate due to its substantial number of inductors and capacitors, understanding it becomes more straightforward when recognizing it as two identical circuits in a series. This implies that the output from the initial converter acts as the input for the subsequent one.
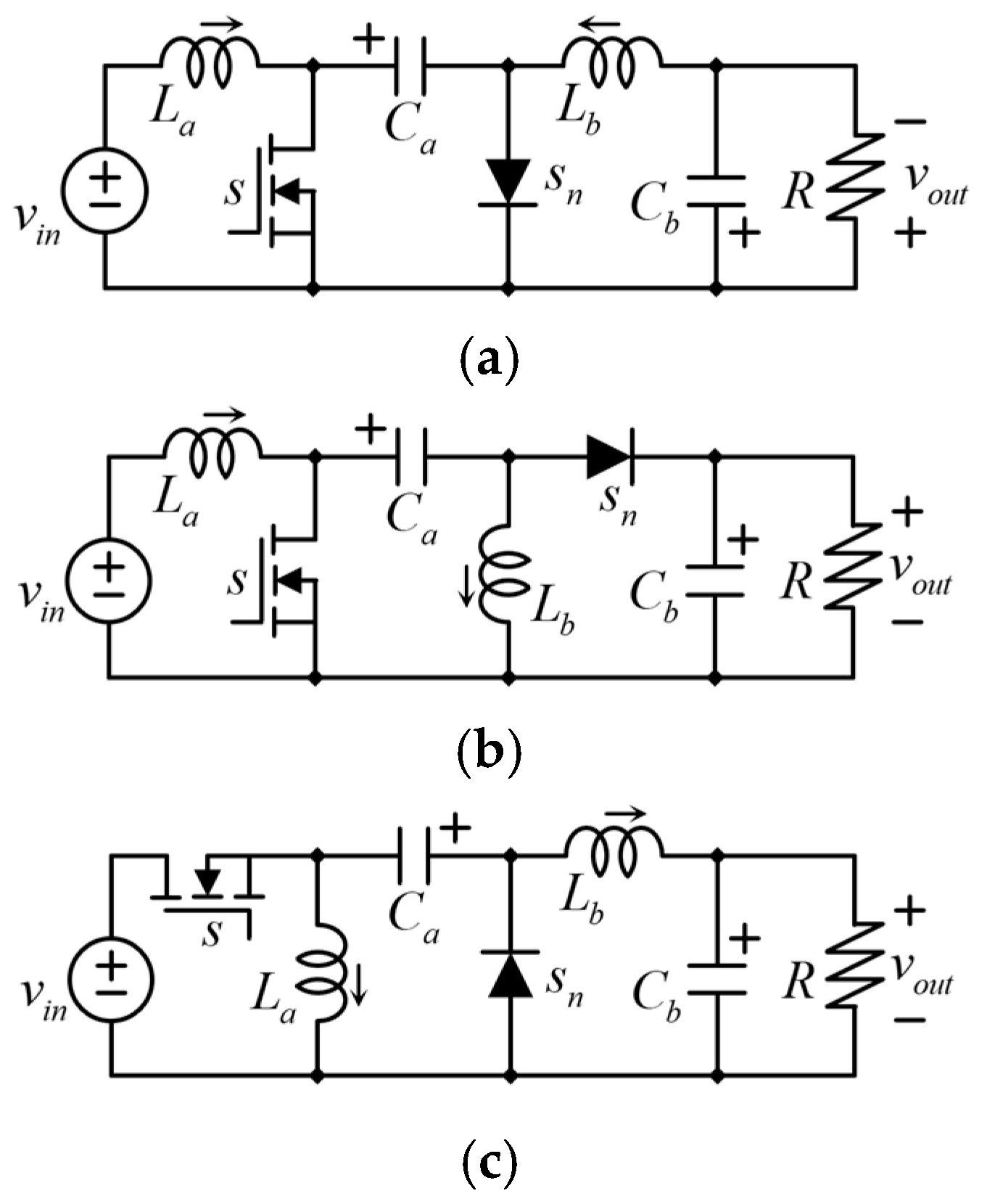
To delve deeper, let us break down one segment. When operating in a continuous conduction mode, this segment presents two corresponding circuits or switching phases, as depicted in Figure 6.
Employing the conventional averaging method, the broad-signal model for this individual power segment can be articulated using Equations (17) through (20).
L x d i L x d t = v g 1 d v C x .
L y d i L y d t = d v C x v C y .
C x d v C x d t = 1 d i L x d i L y .
C y d v C y d t = i L y i z .
Equations (17)–(20) represent the large-signal non-linear model; by using this model, the steady-state equations for currents through inductors and voltages across capacitors can be derived, as it is shown in Equations (21)–(24).
V C x = 1 1 D V g .
V C y = D 1 D V g .
I L y = I z .
I L x = D 1 D I z .
Utilizing uppercase terms signifies values at a steady state. The voltage at the output port of one power stage is articulated as Equation (25).
V y = 1 1 D V i n .
Now, if we take two cascaded power stages (Figure 5), the initial power stage, with vin as its input voltage (labeled as vg in Figure 6), has an output current that can be represented as iz = iLc + iout. For the subsequent power stage, its input voltage becomes vin + vCb, and the current at its output port would be the converter output current iout. Assume that the duty cycles for both cascaded power stages are identical, denoted by d. It will be detailed further that these transistors, while having matching duty cycles, exhibit switching operations that are offset by 180°. Given these stipulations, the converter’s steady-state operational point can be outlined through Equations (26)–(33).
V C a = V i n 1 D .
V C b = D 1 D V i n .
V C c = 1 1 D 2 V i n .
V C d = D 1 D 2 V i n .
I L a = D 1 D 2 I o u t .
I L b = 1 1 D I o u t .
I L c = D 1 D I o u t .
I L d = I o u t .
The choice of inductors’ inductance and capacitors’ capacitance can be determined by the targeted switching ripple, the intended current fluctuation in inductors, and the sought-after voltage variation in capacitors. The selection process for these passive components is detailed in Equations (34) through (41).
L a = V i n 2 Δ i L a D T S .
L b = V C b 2 Δ i L b 1 D T S .
L c = V i n T S 2 Δ i L c D 1 D .
L d = V C d 2 Δ i L d 1 D T S .
C a = I L b 2 Δ v C a D T S .
C b = Δ i L b + Δ i L c T s 8 Δ v C b .
C c = I L c 2 Δ v C c D T S .
C d = Δ i L d T s 8 Δ v C d .

3.2. Modulation Pattern (PWM)

The PWM setup for the quadratic boost is shown in Figure 7 (for the converter depicted in Figure 3), mirroring the pattern of the standard (non-quadratic) boost converter. The PWM generator circuit consists basically of a comparator with a triangular waveform as a carrier and a constant reference as a modulating signal. The result is the trigger signal sα = sβ. This signal activates both transistors sα and sβ when D momentarily exceeds T. The pulse width in transistors depends on D’s magnitude.
Figure 8 illustrates the PWM design for the converter outlined in Figure 5.
This scheme is reminiscent of the PWM design found in a two-phase interleaved boost. In this scheme, two comparators are used to generate the PWM signals. Both comparators receive the same duty cycle; however, the carriers are different for each of them to produce different firing pulses for each switch. Although these firing signals maintain an identical duty cycle, meaning that they spend the same average time being active, their phases are offset by 180°. This phase displacement is achieved by adjusting the positions of the triangular signals Tα and Tβ.
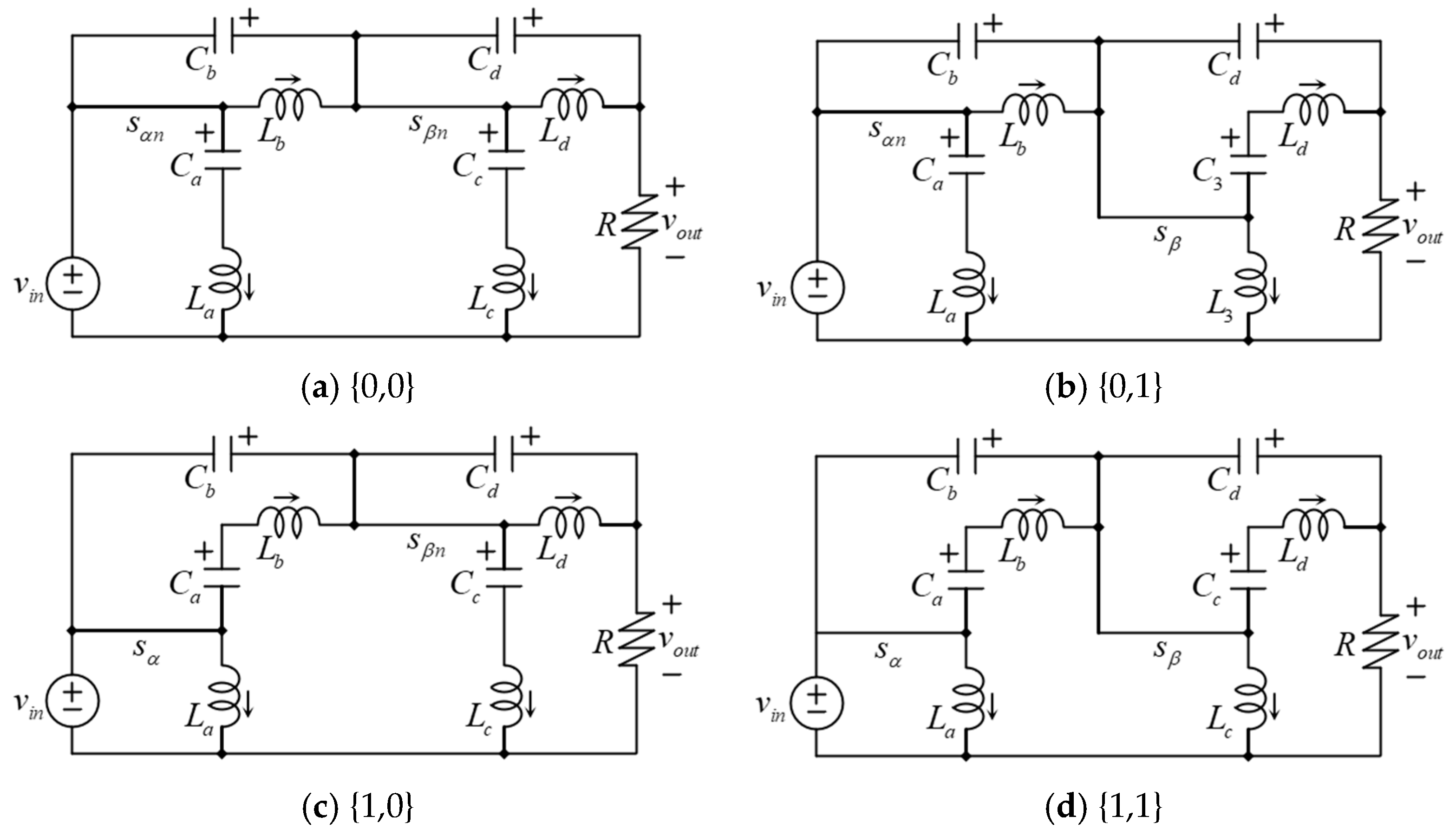
The switching cycle described in Figure 8 produces three equivalent circuits distributed during four intervals of time within the cycle. The combinations of {0, 1}, {1, 1}, and {1, 0} are shown in the bottom part of Figure 8. It is worth noticing that for duty cycles smaller than 50%, we will have a {0, 0} state instead of {1, 1}.

3.3. The Switching Ripple at the Converter Ports

From Figure 5, it can be seen that the input current ripple can be determined by considering Equation (16) or by observing the ground node; the resistive load has the same ripple in its current as in its voltage (since its current is proportional to its voltage). The voltage at the output port of a converter is designed to have a small switching ripple (i.e., 0.1%), and then the switching ripple at the input current is determined by the inductors. The current ripple at the input port can be determined as (42) when the states of switches are {sα, sβ} = {1, 0}.
Δ i i n = 1 D 2 f S V i n L a + V i n + V C b V C c L c .
For the case of the voltages, VCb and VCd (which are the capacitors whose voltages contribute to the output voltage) are not a DC signal plus a triangular waveform (like it is common in some dc-dc converters). Instead, the capacitor voltage waveform is formed by a sinusoidal AC component plus a DC offset, similar to the case of a Cuk or a Buck converter [3]. This effect has been previously studied in the Cuk and the Buck converters. Their voltage ripple (or their capacitance) can be calculated with (39) and (41). Considering the phase difference between ripples is 180 degrees, it is possible to express the output voltage ripple as (43).
Δ v o u t = Δ i L b + Δ i L c T s 8 C b Δ i L d T s 8 C d .
Nevertheless, the deviation in the instantaneous slope within the ripple might cause a smaller magnitude, approximately 18% of the voltage ripple in Cb and Cd (assuming they are the same size). A simple rule to calculate the capacitance of these two capacitors is to choose them in a way that the voltage ripple specified for the output voltage multiplied by five (both capacitors must have the same voltage ripple to minimize the output voltage ripple).
Lastly, we can determine the passive components’ (inductors and capacitors) stored energy with (44) and (45), respectively.
W s L = L a I P e a k L a 2 2 + L b I P e a k L b 2 2 + L c I P e a k L c 2 2 + L d I P e a k L d 2 2 .
W s C = C a V P e a k C a 2 2 + C b V P e a k C b 2 2 + C c V P e a k C c 2 2 + C d V P e a k C d 2 2 .

4. Optimization of the Switching Ripples

Although the switching ripple at the current in the input port (42) and the one for the voltage at the output port (43) are important for applying an optimization technique, we must observe that the switching ripple could be determined at different times or in different states of the switches. Figure 9 shows all four possible states of the switches in the converter. Note that each power stage may have two switching states (see Figure 6), depending on its switching signal, which can take values of {0} or {1}. In combination, the two switching states may have up to four switching states ({0,0}, {0,1}, {1,0}, and {1,1}), as seen in Figure 9.
During a normal operation, three of the switching states may appear; for example, if the duty cycle is larger than 0.5, the switching signals would look like in Figure 10, and three switching states would appear: {0,1}, {1,0}, and {1,1}. Equation (42) corresponds to state {1,0}; we can call this Δiin1, as expressed in (46).
Δ i g 1 = 1 D 2 f S V i n L a + V i n + V C b V C c L c .
We can also express the ripple during time {1,1} as Δiin2 in (47).
Δ i i n 2 = D 0.5 2 f S V i n L a + V i n + V C b L c .
The maximum input current ripple can be present in any of the states, or in {0,1}, which can be expressed as (48).
Δ i i n 3 = 1 D 2 f S V i n V C a L a + V i n + V C b L c .
Among the three switching states, {1,1} is the time in which the input current rises, while the other two states are the states in which the input current decreases. In our experience, if we make the rising state equal to any of the dropping states, all states become equal in amplitude, and then we can define optimization as minimizing the square difference among two states, as expressed in (49).
min Δ i D i f f = Δ i i n 1 Δ i i n 2 2 .
Furthermore, to reduce the number of parameters, we can write the inductors in terms of a single inductance L and a parameter γL (gamma) in a way that
L c = L .
L a = γ L L .
This simplification allows the use of gradient-based methods, like the gradient descendent method. Similarly, the output voltage can be defined in any of the three switching states, and the definition of the parameter γC (gamma) and a single capacitance C can be used in the following manner:
C b = C .
C d = γ C C .

The Gradient Descendent Optimization Method

Gradient descent is an optimization technique primarily used to minimize differentiable functions, finding widespread use in machine learning and artificial intelligence, especially in training regression models and neural networks. Its main goal is to identify a local minimum of a given function.
The core idea behind gradient descent is straightforward: starting from an initial point in the parameter space, one iterates in the direction of the negative gradient of the function, which is the steepest downward slope. By doing so, one hopes to reach a local minimum.
The general equation for gradient descent is (54).
θ i + 1 = θ i α f θ i .
where θi is the current parameter; θi+1 is the next parameter value; α is the learning rate, a hyperparameter dictating the step size in each iteration; and ∇ f(θi) is the gradient of function f evaluated at θi.
The gradient ∇ f is defined as the vector of partial derivatives of the function concerning each of its parameters. If the function has just one parameter, the gradient simply becomes the derivative of the function regarding that parameter.
The value of α, known as the learning rate, is pivotal. If it is too small, the algorithm may take excessively long to converge or may even stall. If it is too large, it might overshoot the minimum and diverge, increasingly deviating from the optimum. It often requires experimentation with various learning rates to find one that is effective for a specific problem.

5. Case Study for Given Specifications

To assess the benefits of the suggested structure, a comparison using a case study with given specifications was carried out between the conventional quadratic boost converter and the proposed configuration. The findings presented in this segment can be readily replicated using computer simulation software. This comparative analysis will be based on the operating conditions listed in Table 1. Both the classical quadratic boost and the proposed topology must be designed to meet the specifications in Table 1.
In Figure 11, the design using the traditional QBC is shown, whereas the one using the proposed quadratic converter is illustrated in Figure 12. Although the proposed converter has a larger component count, it necessitates significantly less capacitance in capacitors and less inductance in inductors. Moreover, the current drawn from the inductors is smaller.
As can be seen from Figure 11 and Figure 12, the proposed converter uses more passive components—four inductors and four capacitors—in contrast with the quadratic boost converter, which has only two inductors and two capacitors. This may apparently increase the size of the converter, but we can choose small values for inductance and capacitance in the proposed converter and large values on the traditional converter to have a smaller size in the proposed one. Still, that would lead to an unfair comparison. Even in the traditional converter, we can also reduce the capacity of components to reduce the volume, but that would increase the switching ripples (input current ripple and output voltage ripple).
In order to make a fair comparison, we designed both converters to have the same switching ripples (input current ripple and output voltage ripple) and compared the size by calculating the input current ripple and output voltage ripple. The result is shown in Figure 11 and Figure 12. Both converters are designed to have equivalent switching ripples.
The results show the proposed converter requires very small components, like 4 μF and 8 μF capacitors. Then, we can calculate the stored energy in components, which is proportional to the size of passive components.
For the traditional quadratic boost converter, inductor La is selected to be 150 µH. The smallest inductance required to meet the specification is 133.37 µH, which is not a standard commercial value. The chosen inductor leads to a current ripple at the input port equal to 0.85 A or 1.7 A peak–peak in the proposed topology; the inductors are La = Lb = 80 µH and La = Lb = 240 µH, and they give a ripple of 0.8 A or 1.6 A peak-to-peak.
In Figure 11, we show the peak currents through inductors, considering both the DC component and the ripple. The peak current value is a critical parameter for inductor design, unless the root mean square (RMS) current surpasses it, which is quite rare. For capacitors, on the other hand, the values shown represent the RMS current, essential for capacitor selection.
It is noticeable that in the proposed converter design, the capacitor sizes are significantly smaller. The capacitor handling the highest amount of energy is Ca in both cases, designed to withstand 60 V plus ripple. Ca handles a current greater than 6 A, yet the capacitance is considerably lower in the proposed topology.
As previously mentioned, there’s a strong correlation between physical size and the amount of energy stored in the energy storage elements (inductors and capacitors) [17,18]. One way to evaluate component size is by calculating the stored energy.
In the conventional QBC, the stored energy in inductors is 12.9 millijoules (mJ). In contrast, the proposed converter stores only 6.5 mJ in its inductors, which means that it requires only half of the energy for the same input current ripple when compared to the traditional QBC.
Concerning capacitors, the energy storage in the traditional design is 848.7 mJ, which is substantially reduced to 117.8 mJ for the proposed topology. This represents a reduction of about 85% of the required energy storage capacity in the capacitors when compared to the classical quadratic boost.
One drawback of the proposed converter is the increase in an additional controllable switch. Still, the semiconductors in the proposed converters are rated to a smaller current, as can be seen from Figure 11; it has two diodes that drain the 10.88 A inductor current (in different switching states), while the maximum current drained by semiconductors in the proposed converter is 8.33 A.

6. Results of the Simulation of Both Converters

The two converters underwent simulations using the Synopsys Saber software to validate the results derived from the theoretical assessments. The parameters mirror those used in the comparative analysis, as depicted in Table 1, Figure 11 and Figure 12.
Figure 13 illustrates the voltage at the output port for both designs, providing a closer look to gauge the switching ripple. The blue line highlights the proposed converter’s output voltage, whereas the standard quadratic boost topology is depicted in black.
For both designs, the voltage hovers slightly under 180 V, a deviation attributable to minor energy losses. The output voltage ripple for the new design measures at 0.2822 V, while the traditional design records 0.3278 V. Notably, the ripples in both instances remain beneath the 0.36 V ceiling set by the design specs. Both models meet the criteria, but the new converter utilizes smaller capacitor capacitance and conserves energy more efficiently.
Figure 14 provides a visualization of the input current for both designs, offering a detailed view to assess the input current ripple.
The input current for the new converter is highlighted by the blue line, while the input current for the standard quadratic boost converter is denoted in black. The ripple in input current for the new converter measures 1.63 A, whereas the traditional one registers 1.725 A. Importantly, in both scenarios, the ripples stay below the 2 A threshold defined by the design parameters. Both versions adhere to the set standards, but the updated converter benefits from reduced inductor inductance and more efficient energy conservation.

7. Experimental Validation

The converter shown in Figure 12 was built to corroborate the working principle of the proposed converter. The same parameters used for the analysis and design shown in Table 1 were employed in the experimental prototype. In Figure 15, the input current of the converter is shown; as it can be seen, its average value is 10.3 A with a current ripple around 0.9 Ap. The currents through the inductors of the input stage (ILa and ILb) are also shown.
It can be observed in Figure 15 that the ripple magnitude of both currents is bigger than the input current (2 Ap vs. 0.9 Ap); this is an advantage of this topology given that the converters are usually specified for a given input current ripple. The voltage across the input stage transistor Sa is also plotted as a reference to better appreciate the frequency and duty cycle.
Figure 16 shows a similar comparative of current ripples, this time considering the output stage inductors (ILc and ILd) against the input current. As it can be observed, the ripple in the input current is also smaller than the ripple in the output inductors. In this figure, the voltage across the output stage transistor Sb is also plotted, and as can be seen, the duty cycle is the same as in the input stage.
Figure 17 can be used to compare the waveforms of input and output stage inductors. For instance, in this figure, currents ILa and ILd are shown. It can be observed that the ripples of both currents have similar magnitude; it is also worth noticing the 180° phase shift produced by the modulation technique.
The waveforms of the energy storage devices (inductors and capacitors) of the input stage of the converter are shown in Figure 18. The required voltage ratings for capacitors are relatively small compared to the rated output voltage of the whole converter (180 V), which allows a compact and low-profile design. Figure 19 shows the waveforms corresponding to the components of the output stage of the converter. It can be noticed that very small voltage ripples can be achieved using small components.
Finally, in Figure 20, the output voltage of the converter is shown along with the voltage across capacitors Ca, Cb, and Cd. All these capacitors are rated for a portion of the output voltage. It can be observed that the output voltage ripple is very small and smaller than the voltage ripple across the capacitors.

8. Conclusions

This paper presents a dc-dc boost converter with quadratic gain that is inspired by the single-transistor ISBC and employs an interleaved-like PWM pattern. While the proposed converter has similar capabilities to its conventional counterpart, it offers a significant advantage, demanding less energy storage compared to the classic boost converter. The energy held by these passive elements corresponds to their physical dimensions. A decrease in this stored energy means that capacitors can operate with diminished capacitance to sustain a specific voltage ripple, while inductors can work with minimal inductance to regulate input current ripples. An analysis was conducted comparing both the conventional and new converter designs against distinct ripple design criteria. The outcomes revealed that the new design conserves half the energy in inductors and 14% in capacitors relative to the older model. Comprehensive theoretical insights and test results are shared.

Author Contributions

Authors J.C.R.-C. and J.E.V.-R. contributed with the conceptualization of the article; A.A.-R. and P.M.G.-V. contributed to the methodology and validation; E.D.S.-V. contributed with the software and investigation; O.F.R.-M. and J.P.C. contributed with the formal analysis; and E.D.S.-V., J.C.R.-C. and J.E.V.-R. wrote the draft and prepared the manuscript. All authors have read and agreed to the published version of the manuscript.

Funding

The authors would like to thank the funding from CONAHCYT (through the project CF-2023-G-1344 Desarrollo de nuevos enfoques para análisis, modelado y control de convertidores electrónicos), Universidad Panamericana, and the Tecnológico de Monterrey.

Institutional Review Board Statement

Not applicable.

Informed Consent Statement

Not applicable.

Data Availability Statement

Data are contained within the article.

Acknowledgments

The authors would like to thank Universidad Panamericana, the Tecnológico de Monterrey, the Tecnológico Nacional de México Campus Cd. Madero in Mexico, Universidad de Occidente in Colombia, and the Mexican CONAHCYT.

Conflicts of Interest

The authors declare no conflicts of interest.

References

  1. Jansen, L.A.; Botha, M.G.; van Schoor, G.; Uren, K.R. Increasing Renewable Energy Penetration on Low-Voltage Networks: An Expert Knowledge Approach. Electricity 2024, 5, 804–825. [Google Scholar] [CrossRef]
  2. Alharbi, Y.; Darwish, A.; Ma, X. Cascaded Multi-Input Single-Output Boost Inverter for Mismatch Mitigation at PV Submodule Level. Electricity 2024, 5, 93–111. [Google Scholar] [CrossRef]
  3. Erickson, R.W.; Maksimovic, D. Fundamentals of Power Electronics, 2nd ed.; Kluwer: Boston, MA, USA, 2004. [Google Scholar]
  4. Rashid, M. Power Electronics: Circuits, Devices and Applications, 3rd ed.; Prentice Hall: London, UK, 2004; p. 762. [Google Scholar]
  5. Undeland, M.N.; Robbins, W.P.; Mohan, N. Power Electronics in Converters, Applications, and Design, 3rd ed.; John Whiley & Sons: Hoboken, NJ, USA, 1995; p. 763. [Google Scholar]
  6. Ríos, S.J.; Sánchez, G.E.; Intriago, A.; Falcones, S. Harnessing Field-Programmable Gate Array-Based Simulation for Enhanced Predictive Control for Voltage Regulation in a DC-DC Boost Converter. Electricity 2024, 5, 622–641. [Google Scholar] [CrossRef]
  7. Farajzadeh, K.; Mohammadian, L.; Shahmohammadi, S.; Abedinzadeh, T. A novel bidirectional DC–DC converter with high voltage conversion ratio and capability of cancelling input current ripple. IET Power Electron. 2024, 17, 375–393. [Google Scholar] [CrossRef]
  8. Mohammadi, F.; Khorsandi, A. Dual-input single-output high step-up DC–DC converter forrenewable energy applications. IET Power Electron. 2024, 17, 337–349. [Google Scholar] [CrossRef]
  9. Luo, F.L.; Ye, H. Positive output cascade boost converters. IEE Proc. Electr. Power Appl. 2004, 151, 590–606. [Google Scholar] [CrossRef]
  10. Gholizadeh, H.; Ben-Brahim, L. A New Non-Isolated High-Gain Single-Switch DC–DC Converter Topology with a Continuous Input Current. Electronics 2022, 11, 2900. [Google Scholar] [CrossRef]
  11. de Sá, F.L.; Ruiz-Caballero, D.; Dal’Agnol, C.; da Silva, W.R.; Mussa, S.A. High Static Gain DC–DC Double Boost Quadratic Converter. Energies 2023, 16, 6362. [Google Scholar] [CrossRef]
  12. Kumar, M.; Panda, K.P.; Naayagi, R.T.; Thakur, R.; Panda, G. A Critical Analysis of Quadratic Boost Based High-Gain Converters for Electric Vehicle Applications: A Review. Sensors 2024, 24, 2186. [Google Scholar] [CrossRef] [PubMed]
  13. Garza-Arias, E.; Rosas-Caro, J.C.; Valdez-Resendiz, J.E.; Mayo-Maldonado, J.C.; Escobar-Valderrama, G.; Guillen, D.; Rodríguez, A. The Fourth-Order Single-Switch Improved Super-Boost Converter with Reduced Input Current Ripple. Electronics 2021, 10, 2379. [Google Scholar] [CrossRef]
  14. White, J.L.; Muldoon, W.J. Two-inductor boost and buck converters. In Proceedings of the 1987 IEEE Power Electronics Specialists Conference, Blacksburg, VA, USA, 21–26 June 1987; pp. 387–392. [Google Scholar]
  15. Sammaljarvi, T.; Lakhdari, F.; Karppanen, M.; Suntio, T. Modelling and dynamic characterisation of peak-current-mode-controlled superboost converter. IET Power Electron. 2008, 1, 527–536. [Google Scholar] [CrossRef]
  16. Mayo-Maldonado, J.C.; Valdez-Resendiz, J.E.; Alejo-Reyes, A.; Rosas-Caro, J.C.; Valderrabano-Gonzalez, A. Quadratic improved super-boost (ISB) converter with low stored energy in components. In Proceedings of the 11th International Conference on Power Electronics, Machines and Drives (PEMD 2022), Hybrid Conference, Newcastle, UK, 21–23 June 2022; pp. 505–511. [Google Scholar]
  17. Ponniran, A.B.; Orikawa, K.; Itoh, J. Minimum Flying Capacitor for N-Level Capacitor DC/DC Boost Converter. IEEE Trans. Ind. Appl. 2016, 52, 3255–3266. [Google Scholar] [CrossRef]
  18. Lefevre, G.; Mollov, S.V. A Soft-Switched Asymmetric Flying-Capacitor Boost Converter With Synchronous Rectification. IEEE Trans. Power Electron. 2016, 31, 2200–2212. [Google Scholar] [CrossRef]
Figure 1. The family of second-order converters: (a) buck, (b) boost, and (c) buck–boost.
Figure 1. The family of second-order converters: (a) buck, (b) boost, and (c) buck–boost.
Electricity 05 00044 g001
Figure 2. The basic family of fourth-order converters: (a) Cuk, (b) SEPIC, and (c) ZETA.
Figure 2. The basic family of fourth-order converters: (a) Cuk, (b) SEPIC, and (c) ZETA.
Electricity 05 00044 g002
Figure 3. (a) Two cascaded boost converters; (b) the quadratic boost topology.
Figure 3. (a) Two cascaded boost converters; (b) the quadratic boost topology.
Electricity 05 00044 g003
Figure 4. Quadratic boost converter’s equivalent circuits corresponding to the operation of the switch: (a) when the switch is on; (b) when the switch is off.
Figure 4. Quadratic boost converter’s equivalent circuits corresponding to the operation of the switch: (a) when the switch is on; (b) when the switch is off.
Electricity 05 00044 g004
Figure 5. The proposed quadratic boost converter.
Figure 5. The proposed quadratic boost converter.
Electricity 05 00044 g005
Figure 6. Depiction of the single power stage’s switching phases: (a) transistor activated; (b) transistor deactivated.
Figure 6. Depiction of the single power stage’s switching phases: (a) transistor activated; (b) transistor deactivated.
Electricity 05 00044 g006
Figure 7. PWM method for the standard quadratic boost topology (Figure 3).
Figure 7. PWM method for the standard quadratic boost topology (Figure 3).
Electricity 05 00044 g007
Figure 8. PWM method in the proposed topology (Figure 5).
Figure 8. PWM method in the proposed topology (Figure 5).
Electricity 05 00044 g008
Figure 9. Equivalent circuits according to the switching state for the proposed topology.
Figure 9. Equivalent circuits according to the switching state for the proposed topology.
Electricity 05 00044 g009
Figure 10. Time distribution of switching signals in the proposed converter.
Figure 10. Time distribution of switching signals in the proposed converter.
Electricity 05 00044 g010
Figure 11. The standard quadratic boost topology design.
Figure 11. The standard quadratic boost topology design.
Electricity 05 00044 g011
Figure 12. The proposed topology design.
Figure 12. The proposed topology design.
Electricity 05 00044 g012
Figure 13. Voltage at the output port of both the standard quadratic boost and the proposed converter.
Figure 13. Voltage at the output port of both the standard quadratic boost and the proposed converter.
Electricity 05 00044 g013
Figure 14. Current at the input port of both the traditional quadratic boost and the proposed converter.
Figure 14. Current at the input port of both the traditional quadratic boost and the proposed converter.
Electricity 05 00044 g014
Figure 15. Input current and currents through the inductors of the input stage, La and Lb.
Figure 15. Input current and currents through the inductors of the input stage, La and Lb.
Electricity 05 00044 g015
Figure 16. The input current and the currents through the inductors of the output stage, Lc and Ld.
Figure 16. The input current and the currents through the inductors of the output stage, Lc and Ld.
Electricity 05 00044 g016
Figure 17. Input and output stage inductor currents.
Figure 17. Input and output stage inductor currents.
Electricity 05 00044 g017
Figure 18. Important waveforms of the converter input stage.
Figure 18. Important waveforms of the converter input stage.
Electricity 05 00044 g018
Figure 19. Important waveforms of the converter output stage.
Figure 19. Important waveforms of the converter output stage.
Electricity 05 00044 g019
Figure 20. Output voltage waveform and voltage across capacitors of input and output stages.
Figure 20. Output voltage waveform and voltage across capacitors of input and output stages.
Electricity 05 00044 g020
Table 1. Case study parameters.
Table 1. Case study parameters.
Voltage at the input port20 V
Voltage at the output port180 V
Input-to-output voltage gain9
Power at the output port200 W
Maximum switching ripple in the current at the input port1 A peak
Maximum switching ripple in the voltage at the output port0.18 V peak
Commutation Frequency50 kHz
Disclaimer/Publisher’s Note: The statements, opinions and data contained in all publications are solely those of the individual author(s) and contributor(s) and not of MDPI and/or the editor(s). MDPI and/or the editor(s) disclaim responsibility for any injury to people or property resulting from any ideas, methods, instructions or products referred to in the content.

Share and Cite

MDPI and ACS Style

Silva-Vera, E.D.; Rosas-Caro, J.C.; Valdez-Resendiz, J.E.; Alejo-Reyes, A.; Ruiz-Martinez, O.F.; Posada Contreras, J.; García-Vite, P.M. Quadratic Boost Converter with Optimized Switching Ripple Based on the Selection of Passive Components. Electricity 2024, 5, 877-894. https://doi.org/10.3390/electricity5040044

AMA Style

Silva-Vera ED, Rosas-Caro JC, Valdez-Resendiz JE, Alejo-Reyes A, Ruiz-Martinez OF, Posada Contreras J, García-Vite PM. Quadratic Boost Converter with Optimized Switching Ripple Based on the Selection of Passive Components. Electricity. 2024; 5(4):877-894. https://doi.org/10.3390/electricity5040044

Chicago/Turabian Style

Silva-Vera, Edgar D., Julio C. Rosas-Caro, Jesus E. Valdez-Resendiz, Avelina Alejo-Reyes, Omar F. Ruiz-Martinez, Johnny Posada Contreras, and Pedro Martín García-Vite. 2024. "Quadratic Boost Converter with Optimized Switching Ripple Based on the Selection of Passive Components" Electricity 5, no. 4: 877-894. https://doi.org/10.3390/electricity5040044

APA Style

Silva-Vera, E. D., Rosas-Caro, J. C., Valdez-Resendiz, J. E., Alejo-Reyes, A., Ruiz-Martinez, O. F., Posada Contreras, J., & García-Vite, P. M. (2024). Quadratic Boost Converter with Optimized Switching Ripple Based on the Selection of Passive Components. Electricity, 5(4), 877-894. https://doi.org/10.3390/electricity5040044

Article Metrics

Back to TopTop