Iterative Dynamic Programming—An Efficient Method for the Validation of Power Flow Control Strategies
Abstract
1. Introduction
- Primary control (microseconds): Local supervision, voltage and current control, power sharing control.
- Secondary control (milliseconds): Voltage/frequency control restoration, voltage unbalance, harmonic compensation.
- Tertiary control (minutes, hourly): Economic dispatching and optimization.
- Application of the DP on a multistate, heterogenous BESS for the benchmarking of PFCS;
- Development of the iDP for the efficient computation of the multistate optimization problem;
- Analysis of the computation times and comparison against conventional DP for the metaparameters of the iDP;
- Benchmarking of conventional PFCS through iDP and discussion of the optimal trajectories for different use cases.
2. System Description
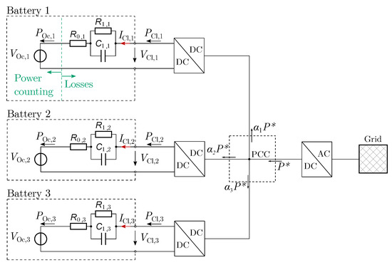
2.1. Model Design
2.2. Power Flow Control Strategies
2.3. Target Indicator
2.4. Load Profiles
3. Dynamic Programming
4. Iterative Dynamic Programming Approach
- 1
- Perform a standard DP for the selected load profile as a pre-loop of the iDP with a defined coarse discretization, using the optimal states as input signal for the iDP;
- 2
- Determine the calculation boundaries with a defined bandwidth based on the optimal states of the previous DP (or iDP). The bandwidth size can be chosen as a variable, which is a multiple of the state-space discretization. The bandwidth directly influences the globality and computing time of the solution. A detailed discussion of the influences is given in Section 5;
- 3
- Constrain the time step-dependent state space through the upper and lower values of the calculation boundaries. In terms of batteries, a range of the is given;
- 4
- Discretize more finely the constrained, time step-dependent state space. In this work, the discretization of power is chosen to be twice as high for each iteration. According to Equation (23), the discrete state space is also changed;
- 5
- Check whether the termination criterion is met. For example, the number of iteration steps, the change of the value of the objective function, or the calculation time can be used for this purpose. If the criterion is met, the algorithm is stopped and the results are transferred. If this is not the case, it continues with step 6;
- 6
- Perform a DP with the previously defined constraints on the state space. Subsequently, the algorithm jumps back to step 2.
5. Verification and Computing Speed
5.1. Verification
5.2. Computing Speed
6. Validation of Power Flow Control Strategies
6.1. Results
6.2. Discussion
7. Conclusions
Author Contributions
Funding
Institutional Review Board Statement
Informed Consent Statement
Data Availability Statement
Acknowledgments
Conflicts of Interest
Abbreviations
| BESS | Battery energy storage system |
| DP | Dynamic programming |
| ECM | Equivalent circuit model |
| EMS | Energy management system |
| iDP | Iterative dynamic programming |
| LCOE | Levelized cost of electricity |
| LCOS | Levelized cost of storage |
| PCC | Point of common coupling |
| PFCS | Power flow control strategies |
| SoC | State of charge |
| SoE | State of energy |
Appendix A. Paramters and Efficiency Maps

| Parameter | Determination |
|---|---|
| Open circuit voltage | Incremental method at 25 inside a climate chamber |
| ECM Parameters | Puls test with a current of 2C and a pulse time of
10
. Determination of the parameters by the voltage relaxation and a lsqnonlin fit to the ECM. |


Appendix B. Boundary Value Test

References
- International Renewable Energy Agency (IRENA). Innovation Landscape for a Renewable-Powered Future: Solutions to Integrate Variable Renewables. Summary for Policy Makers; Technical Report; IRENA: Abu Dhabi, United Arab Emirates, 2019. [Google Scholar]
- Hesse, H.; Schimpe, M.; Kucevic, D.; Jossen, A. Lithium-Ion Battery Storage for the Grid—A Review of Stationary Battery Storage System Design Tailored for Applications in Modern Power Grids. Energies 2017, 10, 2107. [Google Scholar] [CrossRef]
- Mühlbauer, M.; Bohlen, O.; Danzer, M.A. Analysis of power flow control strategies in heterogeneous battery energy storage systems. J. Energy Storage 2020, 30, 101415. [Google Scholar] [CrossRef]
- Li, X.; Wang, S. A review on energy management, operation control and application methods for grid battery energy storage systems. CSEE J. Power Energy Syst. 2019, 7, 1026–1040. [Google Scholar] [CrossRef]
- Bauer, M.; Muehlbauer, M.; Bohlen, O.; Danzer, M.A.; Lygeros, J. Power flow in heterogeneous battery systems. J. Energy Storage 2019, 25, 100816. [Google Scholar] [CrossRef]
- Jiang, X.; Jin, Y.; Zheng, X.; Hu, G.; Zeng, Q. Optimal configuration of grid-side battery energy storage system under power marketization. Appl. Energy 2020, 272, 115242. [Google Scholar] [CrossRef]
- Abedi, S.; Alimardani, A.; Gharehpetian, G.B.; Riahy, G.H.; Hosseinian, S.H. A comprehensive method for optimal power management and design of hybrid RES-based autonomous energy systems. Renew. Sustain. Energy Rev. 2012, 16, 1577–1587. [Google Scholar] [CrossRef]
- Kumar, J.; Agarwal, A.; Agarwal, V. A review on overall control of DC microgrids. J. Energy Storage 2019, 21, 113–138. [Google Scholar] [CrossRef]
- Meng, L.; Sanseverino, E.R.; Luna, A.; Dragicevic, T.; Vasquez, J.C.; Guerrero, J.M. Microgrid supervisory controllers and energy management systems: A literature review. Renew. Sustain. Energy Rev. 2016, 60, 1263–1273. [Google Scholar] [CrossRef]
- Byrne, R.H.; Nguyen, T.A.; Copp, D.A.; Chalamala, B.R.; Gyuk, I. Energy Management and Optimization Methods for Grid Energy Storage Systems. IEEE Access 2018, 6, 13231–13260. [Google Scholar] [CrossRef]
- Hosseinzadeh, M.; Salmasi, F.R. Robust Optimal Power Management System for a Hybrid AC/DC Micro-Grid. IEEE Trans. Sustain. Energy 2015, 6, 675–687. [Google Scholar] [CrossRef]
- MansourLakouraj, M.; Shahabi, M.; Shafie-khah, M.; Ghoreishi, N.; Catalão, J.P. Optimal power management of dependent microgrid considering distribution market and unused power capacity. Energy 2020, 200, 117551. [Google Scholar] [CrossRef]
- Guerrero, J.M.; Vasquez, J.C.; Teodorescu, R. Hierarchical control of droop-controlled DC and AC microgrids—A general approach towards standardization. In Proceedings of the 2009 35th Annual Conference of IEEE Industrial Electronics, Porto, Portugal, 3–5 November 2009; pp. 4305–4310. [Google Scholar] [CrossRef]
- Lu, X.; Sun, K.; Guerrero, J.M.; Vasquez, J.C.; Huang, L.; Teodorescu, R. SoC-based droop method for distributed energy storage in DC microgrid applications. In Proceedings of the International Symposium on Industrial Electronics (ISIE), Hangzhou, China, 28–31 May 2012; pp. 1640–1645. [Google Scholar] [CrossRef]
- Diaz, N.L.; Dragicevic, T.; Vasquez, J.C.; Guerrero, J.M. Fuzzy-logic-based gain-scheduling control for state-of-charge balance of distributed energy storage systems for DC microgrids. In Proceedings of the Twenty-Ninth Annual IEEE Applied Power Electronics Conference and Exposition (APEC), Fort Worth, TX, USA, 16–20 March 2014; pp. 2171–2176. [Google Scholar] [CrossRef]
- Marcelino, F.L.F.; Sathler, H.H.; Silva, W.W.A.G.; de Oliveira, T.R.; Donoso-Garcia, P.F. A comparative study of Droop Compensation Functions for State-of-Charge based adaptive droop control for Distributed Energy Storage Systems. In Proceedings of the 2017 IEEE 8th International Symposium on Power Electronics for Distributed Generation Systems (PEDG), Florianopolis, Brazil, 17–20 April 2017; pp. 1–8. [Google Scholar] [CrossRef]
- Wang, Y.; Wang, L.; Li, M.; Chen, Z. A review of key issues for control and management in battery and ultra-capacitor hybrid energy storage systems. eTransportation 2020, 4, 100064. [Google Scholar] [CrossRef]
- Fortenbacher, P.; Andersson, G.; Mathieu, J.L. Optimal real-time control of multiple battery sets for power system applications. In Proceedings of the 2015 IEEE Eindhoven PowerTech, Eindhoven, The Netherlands, 29 June–2 July 2015; pp. 1–6. [Google Scholar] [CrossRef]
- Fortenbacher, P.; Mathieu, J.L.; Andersson, G. Modeling, identification, and optimal control of batteries for power system applications. In Proceedings of the 2014 Power Systems Computation Conference, Wrocław, Poland, 18–22 August 2014; pp. 1–7. [Google Scholar] [CrossRef]
- Liu, C.; Wang, C.; Yin, Y.; Yang, P.; Jiang, H. Bi-level dispatch and control strategy based on model predictive control for community integrated energy system considering dynamic response performance. Appl. Energy 2022, 310, 118641. [Google Scholar] [CrossRef]
- Mühlbauer, M.; Rang, F.; Palm, H.; Bohlen, O.; Danzer, M.A. Pareto-optimal power flow control in heterogeneous battery energy storage systems. J. Energy Storage 2022, 48, 103803. [Google Scholar] [CrossRef]
- Li, X.; Zhang, D. Coordinated Control and Energy Management Strategies for Hundred Megawatt-level Battery Energy Storage Stations Based on Multi-agent Theory. In Proceedings of the 2018 International Conference on Advanced Mechatronic Systems (ICAMechS), Zhengzhou, China, 30 August–2 September 2018; pp. 1–5. [Google Scholar] [CrossRef]
- Zhang, X.; Wang, Z.; Lu, Z. Multi-objective load dispatch for microgrid with electric vehicles using modified gravitational search and particle swarm optimization algorithm. Appl. Energy 2022, 306, 118018. [Google Scholar] [CrossRef]
- Ikeda, S.; Ooka, R. Application of differential evolution-based constrained optimization methods to district energy optimization and comparison with dynamic programming. Appl. Energy 2019, 254, 113670. [Google Scholar] [CrossRef]
- Li, J.; Danzer, M.A. Optimal charge control strategies for stationary photovoltaic battery systems. J. Power Sources 2014, 258, 365–373. [Google Scholar] [CrossRef]
- Chen, Z.; Mi, C.C.; Xu, J.; Gong, X.; You, C. Energy Management for a Power-Split Plug-in Hybrid Electric Vehicle Based on Dynamic Programming and Neural Networks. IEEE Trans. Veh. Technol. 2014, 63, 1567–1580. [Google Scholar] [CrossRef]
- Santucci, A.; Sorniotti, A.; Lekakou, C. Power split strategies for hybrid energy storage systems for vehicular applications. J. Power Sources 2014, 258, 395–407. [Google Scholar] [CrossRef]
- Riffonneau, Y.; Bacha, S.; Barruel, F.; Ploix, S. Optimal Power Flow Management for Grid Connected PV Systems With Batteries. IEEE Trans. Sustain. Energy 2011, 2, 309–320. [Google Scholar] [CrossRef]
- An, L.N.; Quoc-Tuan, T. Optimal energy management for grid connected microgrid by using dynamic programming method. In Proceedings of the 2015 IEEE Power & Energy Society General Meeting, Denver, CO, USA, 26–30 July 2015. [Google Scholar] [CrossRef]
- Jeddi, B.; Mishra, Y.; Ledwich, G. Dynamic programming based home energy management unit incorporating PVs and batteries. In Proceedings of the 2017 IEEE Power & Energy Society General Meeting, Chicago, IL, USA, 16–20 July 2017. [Google Scholar] [CrossRef]
- Li, M.; Wang, L.; Wang, Y.; Chen, Z. Sizing Optimization and Energy Management Strategy for Hybrid Energy Storage System Using Multiobjective Optimization and Random Forests. IEEE Trans. Power Electron. 2021, 36, 11421–11430. [Google Scholar] [CrossRef]
- Kossmann, D.; Stocker, K. Iterative dynamic programming. ACM Trans. Database Syst. 2000, 25, 43–82. [Google Scholar] [CrossRef]
- Shekita, E.J.; Young, H.C. Iterative dynamic programming system for query optimization with bounded complexity. U.S. Patent 5,671,403, 23 September 1997. [Google Scholar]
- Liu, D.; Zhang, Y.; Zhang, H. A Self-Learning Call Admission Control Scheme for CDMA Cellular Networks. IEEE Trans. Neural Netw. 2005, 16, 1219–1228. [Google Scholar] [CrossRef]
- Huang, T.; Liu, D. Residential energy system control and management using adaptive dynamic programming. In Proceedings of the 2011 International Joint Conference on Neural Networks, San Jose, CA, USA, 31 July–5 August 2011. [Google Scholar] [CrossRef]
- Fuselli, D.; Angelis, F.D.; Boaro, M.; Squartini, S.; Wei, Q.; Liu, D.; Piazza, F. Action dependent heuristic dynamic programming for home energy resource scheduling. Int. J. Electr. Power Energy Syst. 2013, 48, 148–160. [Google Scholar] [CrossRef]
- Driesse, A.; Jain, P.; Harrison, S. Beyond the curves: Modeling the electrical efficiency of photovoltaic inverters. In Proceedings of the 2008 33rd IEEE Photovolatic Specialists Conference, San Diego, CA, USA, 11–16 May 2008; pp. 1–6. [Google Scholar] [CrossRef]
- Mikhaylov, K.; Tervonen, J.; Fadeev, D. Development of Energy Efficiency Aware Applications Using Commercial Low Power Embedded Systems. In Embedded Systems—Theory and Design Methodology; InTech: London, United Kingdom, 2012. [Google Scholar] [CrossRef][Green Version]
- Yang, F.; Wang, D.; Zhao, Y.; Tsui, K.L.; Bae, S.J. A study of the relationship between coulombic efficiency and capacity degradation of commercial lithium-ion batteries. Energy 2018, 145, 486–495. [Google Scholar] [CrossRef]
- Piller, S.; Perrin, M.; Jossen, A. Methods for state-of-charge determination and their applications. J. Power Sources 2001, 96, 113–120. [Google Scholar] [CrossRef]
- Rivera-Barrera, J.; Muñoz-Galeano, N.; Sarmiento-Maldonado, H. SoC Estimation for Lithium-ion Batteries: Review and Future Challenges. Electronics 2017, 6, 102. [Google Scholar] [CrossRef]
- Zhou, W.; Zheng, Y.; Pan, Z.; Lu, Q. Review on the Battery Model and SOC Estimation Method. Processes 2021, 9, 1685. [Google Scholar] [CrossRef]
- Espedal, I.B.; Jinasena, A.; Burheim, O.S.; Lamb, J.J. Current Trends for State-of-Charge (SoC) Estimation in Lithium-Ion Battery Electric Vehicles. Energies 2021, 14, 3284. [Google Scholar] [CrossRef]
- Lu, X.; Sun, K.; Guerrero, J.M.; Vasquez, J.C.; Huang, L. Double-Quadrant State-of-Charge-Based Droop Control Method for Distributed Energy Storage Systems in Autonomous DC Microgrids. IEEE Trans. Smart Grid 2015, 6, 147–157. [Google Scholar] [CrossRef]
- Lu, X.; Sun, K.; Guerrero, J.M.; Vasquez, J.C.; Huang, L. Droop-control-based state-of-charge balancing method for charging and discharging process in autonomous DC microgrids. In Proceedings of the 2014 IEEE 23rd International Symposium on Industrial Electronics (ISIE), Istanbul, Turkey, 1–4 June 2014; pp. 2359–2364. [Google Scholar] [CrossRef][Green Version]
- Hu, R.; Weaver, W.W. Dc microgrid droop control based on battery state of charge balancing. In Proceedings of the 2016 IEEE Power and Energy Conference at Illinois (PECI), Urbana, IL, USA, 19–20 February 2016; pp. 1–8. [Google Scholar] [CrossRef]
- Domschke, W.; Drexl, A.; Klein, R.; Scholl, A. Einführung in Operations Research, 9th ed.; Lehrbuch; Springer Gabler: Berlin/Heidelberg, Germany, 2015. [Google Scholar]
- Bellman, R. Dynamic programming. Science 1966, 153, 34–37. [Google Scholar] [CrossRef] [PubMed]
- Papageorgiou, M.; Leibold, M.; Buss, M. Optimierung; Springer: Berlin/Heidelberg, Germany, 2015. [Google Scholar] [CrossRef]
- Marano, V.; Rizzo, G.; Tiano, F.A. Application of dynamic programming to the optimal management of a hybrid power plant with wind turbines, photovoltaic panels and compressed air energy storage. Appl. Energy 2012, 97, 849–859. [Google Scholar] [CrossRef]
- Schuster, S.F.; Brand, M.J.; Berg, P.; Gleissenberger, M.; Jossen, A. Lithium-ion cell-to-cell variation during battery electric vehicle operation. J. Power Sources 2015, 297, 242–251. [Google Scholar] [CrossRef]
- Danzer, M.A.; Liebau, V.; Maglia, F. Aging of lithium-ion batteries for electric vehicles. In Advances in Battery Technologies for Electric Vehicles; Elsevier: Amsterdam, The Netherlands, 2015; pp. 359–387. [Google Scholar] [CrossRef]
- Barcellona, S.; Piegari, L. Effect of current on cycle aging of lithium ion batteries. J. Energy Storage 2020, 29, 101310. [Google Scholar] [CrossRef]
- Tröltzsch, U.; Kanoun, O.; Tränkler, H.R. Characterizing aging effects of lithium ion batteries by impedance spectroscopy. Electrochim. Acta 2006, 51, 1664–1672. [Google Scholar] [CrossRef]
- Gao, Y.; Jiang, J.; Zhang, C.; Zhang, W.; Ma, Z.; Jiang, Y. Lithium-ion battery aging mechanisms and life model under different charging stresses. J. Power Sources 2017, 356, 103–114. [Google Scholar] [CrossRef]
- Spagnol, P.; Onori, S.; Madella, N.; Guezennec, Y.; Neal, J. Aging and Characterization of Li-Ion Batteries in a HEV Application for Lifetime Estimation. IFAC Proc. Vol. 2010, 43, 186–191. [Google Scholar] [CrossRef]
- Vilsen, S.B.; Kaer, S.K.; Stroe, D.I. Log-Linear Model for Predicting the Lithium-ion Battery Age Based on Resistance Extraction from Dynamic Aging Profiles. IEEE Trans. Ind. Appl. 2020, 56, 6937–6948. [Google Scholar] [CrossRef]





| Bandwidth | Total Time | Mean Value | Standard Deviation |
|---|---|---|---|
| 1 | 2 | ||
| 2 | |||
| 3 | |||
| 4 | |||
| 5 | |||
| 6 | |||
| 7 | |||
| 8 | |||
| 9 | |||
| 10 |
| System I | System II | System III | System IV | |
|---|---|---|---|---|
| Battery 1 | 1 p.u. | 0.8 p.u. | 1 p.u. | 0.8 p.u. |
| Battery 2 | 1 p.u. | 1 p.u. | 1.25 p.u. | 1.25 p.u. |
| Battery 3 | 1 p.u. | 1 p.u. | 1.5 p.u. | 1.5 p.u. |
| PFCS | System I | System II | System III | System IV |
|---|---|---|---|---|
| Equal power share | ‰ | ‰ | ‰ | ‰ |
| Rated energy | ‰ | ‰ | ‰ | ‰ |
| SoE balancing | ‰ | ‰ | ‰ | ‰ |
| iDP | ‰ | ‰ | ‰ | ‰ |
| PFCS | System I | System II | System III | System IV |
|---|---|---|---|---|
| Equal power share | 10‰ | ‰ | ‰ | ‰ |
| Rated energy | 10‰ | ‰ | ‰ | ‰ |
| SoE balancing | 10‰ | ‰ | ‰ | ‰ |
| iDP | ‰ | ‰ | ‰ | ‰ |
Publisher’s Note: MDPI stays neutral with regard to jurisdictional claims in published maps and institutional affiliations. |
© 2022 by the authors. Licensee MDPI, Basel, Switzerland. This article is an open access article distributed under the terms and conditions of the Creative Commons Attribution (CC BY) license (https://creativecommons.org/licenses/by/4.0/).
Share and Cite
Rüther, T.; Mößle, P.; Mühlbauer, M.; Bohlen, O.; Danzer, M.A. Iterative Dynamic Programming—An Efficient Method for the Validation of Power Flow Control Strategies. Electricity 2022, 3, 542-562. https://doi.org/10.3390/electricity3040027
Rüther T, Mößle P, Mühlbauer M, Bohlen O, Danzer MA. Iterative Dynamic Programming—An Efficient Method for the Validation of Power Flow Control Strategies. Electricity. 2022; 3(4):542-562. https://doi.org/10.3390/electricity3040027
Chicago/Turabian StyleRüther, Tom, Patrick Mößle, Markus Mühlbauer, Oliver Bohlen, and Michael A. Danzer. 2022. "Iterative Dynamic Programming—An Efficient Method for the Validation of Power Flow Control Strategies" Electricity 3, no. 4: 542-562. https://doi.org/10.3390/electricity3040027
APA StyleRüther, T., Mößle, P., Mühlbauer, M., Bohlen, O., & Danzer, M. A. (2022). Iterative Dynamic Programming—An Efficient Method for the Validation of Power Flow Control Strategies. Electricity, 3(4), 542-562. https://doi.org/10.3390/electricity3040027

