Mathematical Modeling of Electrical Circuits and Practical Works of Increasing Difficulty with Classical Spreadsheet Software
Abstract
1. Introduction
1.1. Literature Review on Remote Teaching and Practical Works
1.2. Advantages of Remote Teaching
- (i)
- There is much interest in developing practical work online. As far as practical work is concerned, until now, it was not possible to perform it anywhere else than behind wires and a mock-up. Thanks to remote teaching tools, it is now possible to use computer programs for teaching purposes.
- (ii)
- The safety of the students is ensured. This point is very important, because practical work in power electronics is very often performed in the presence of dangerous voltages. Obviously, the teachers who supervise these sessions are always very vigilant, and the sense of responsibility they feel during these sessions is something that is rarely taken into consideration. Nevertheless, this point can be improved through this system of remote practical works.
- (iii)
- In addition, the study and analysis of curves, which usually tends to be overlooked by students, can take on an increasing role in the work that can be asked of students. The mere wiring does not risk being considered as a sufficient output. Indeed, during conventional practice sessions, the teacher’s attention is much more focused on the aspects of practical accomplishments in the session than on the study and comments of the curves that can be drawn from the practical work sessions. Students’ working hours can be focused on spending the necessary time to understand the considered phenomena. During the scheduled synchronous activities initially devoted to “real” practical works, collaboration among students and one-on-one or small group discussions between students and faculty member, as recommended by Seabra, Teixeira, Abelha, and Aires, are possible [45].
- (iv)
- Moreover, this new work organization gives to the students and to their teachers a new flexibility parameter: the opportunity to work asynchronously, i.e., not necessarily at the same time as during the teacher’s time online. With the matter contained in this paper, the purpose of which is to be widely disseminated, copied, and distributed to the students who need it, one can imagine that the teacher gives this reference to the students and asks them to study it, to try to perform the proposed work alone, and finally, to meet remotely in the classroom to ask any remaining and useful questions. Ideally, the goal of this paper is to reduce these remaining questions to their minimum.
- (v)
- Furthermore, with asynchronous work, students can deepen the topics and are no longer limited by the duration of the sessions as when they take place in a face-to-face context. They will be able to keep track of this paper to deepen the points that they may not have had time to deepen during the session [46].
- (vi)
- In the long term, writing this practical work tutorial paper and proposing it to the world will provide a basis for the standardization of electrical engineering teaching practices, thus being a seminal work for international online university standards’ creation.
1.3. Drawbacks of Remote Teaching
- (i)
- Of course, the main drawback of this new pedagogical method is the impossibility for the student to practice on electrical circuits “with hands”. This disadvantage is major, but it is a presupposition of the work proposed in this paper. To the extent that nobody knows whether a crisis like the COVID-19 will ever be repeated, it is prudent to provide alternatives to the classical and traditional teaching methods, as we have known for more than a century. On the other hand, as this method is totally new, it is difficult to imagine any other drawbacks today.
- (ii)
- As is often the case with education, Good Practices are acquired through experience. Since this method is completely new, we have no data from experiments. Thanks to the feedback that will be communicated to me by colleagues who would have put this new teaching method into practice, it will be possible in a few years to write a new paper with a feedback synthesis about this practice.
1.4. Justification for the Use of Excel (or an “Excel-like”) Spreadsheet Software
- (i)
- The first one is the feasibility of the work proposed in this paper. To this aim, the accessibility to a spreadsheet software is crucial. We assumed that all the students to whom we will offer to perform this work remotely have, on the one hand, Internet access so as to be able to download the article and, on the other hand, an Excel-type software in order to be able to validly download the attached example file and, above all, to be able to work on it.
- (ii)
- Excel is a spreadsheet software that is found in the office suite Microsoft Office. This software is designed and distributed by Microsoft to run on digital devices of almost all major manufacturers. It includes facilities in terms of numerical calculation, data analysis, graphic presentation, and programming.Excel is the best-known spreadsheet software by professional companies, and it has real advantages for all users, including the less experienced, because it is very quick to set up and very easy to use. Therefore, more than the indubitable advantages offered by its ubiquity and availability, the offered possibility to progress on your own is very interesting also.More, since many people are experienced in using this software, a remote student is able to find any help around (parents, brothers and sisters, friends, etc.). Finding help to progress is not as difficult for a spreadsheet software as any other software used by fewer people.
- (iii)
- In addition, the special characteristics of these software support their use. All data are available on a single page, for simplicity. Furthermore, the modulation of the form and content are easy to perform, for the flexibility of both presentation and management of the data. Moreover, no additional user license cost needs to be paid, because Excel is generally part of the Office license, which is furthermore free for students. This support the universal use of the software and universal access to modeling.
- (iv)
- The modeling results obtained by the students after their work can be directly evaluated, precisely because this software is used and easily understood by a majority of professionals. Therefore, students are encouraged to work beyond the limits of the practical work proposed in this paper and to evaluate their work with a demonstration during a job meeting, for example.
- (a)
- The follow-up of a project can be difficult with such a software, even if the addition of several lines of comments is possible. It is clearly not enough, both for the follow-up of a modeling and its instantiating on multiple projects based on the same model. In addition, each new comment is unfortunately not dated automatically, hence the difficulty of having a scrupulous follow-up of the history of a model.
- (b)
- When working with an Excel-like spreadsheet software, one is nearly obliged to create a file per each need. Thus, with each new industrial need, whether in terms of quotes, purchases, invoices, follow-up management, project management, or time management, it is necessary to create a new file, which causes a loss of time to find the files and fill them in.
- (c)
- The interface of such a software is limited. The more information you want to save, the more columns or spreadsheets there are, which with use ends up losing readability. This is all the more limited as data reading can only be performed in a table format.
- (d)
- To conclude, when this software is practical for specific needs, the Excel software is quickly overtaken by professional software, specifically designed to meet certain needs that are much more suitable for professional everyday needs. They automatically perform calculations and automatically generate the documents that companies need. Sometimes, they can send email notifications or highlight the most relevant information.
1.5. Frequently Asked Questions from the Students and Typical Answers
- -
- “Sir, we’re not going to make it!”
- -
- “This is normal, you’ve never made professional files on a computational software. It is not only okay, but it’s a chance for you to get the opportunity to start in school. This file, you do it for yourself. You give me your job at the end, but it is more with a goal of verifying the amount of personal work you have invested in it than to evaluate your work... Not only you do keep the file at the end of the practical works series, but most importantly you keep the ability to improve it throughout the rest of your life, in the way you deem useful”.
- -
- “Just as employees share information in the company to evolve the tools they create for it, you can share information you deem appropriate, to help you to progress in your work”.
- -
- “I give this tutorial work to show you how the knowledge you have learned in courses and tutorials is articulated between the different parts of the spreadsheet software”.
- -
- “It would be better for us to practice with real material. This distance from the practical work room will put us at a disadvantage compared to students who have worked on “real material”.
- -
- “This given job gives you a plus for your resume. Indeed, in front of a recruiter, you will be able to present the result of your personal work, which you can specify that it was initiated in the school setting.”
1.6. Contributions of This Paper
- (i)
- This paper gives a positive example of what can actually be done in terms of remote learning with a class. Indeed, the papers published in the literature deal with social or exploratory aspects, but very few give examples of what a teaching sequence should look like.
- (ii)
- Additionally, a real model of what this paper deals with is given alongside this paper. The experiment reported in this paper is illustrated with an Excel file, available on the MDPI website database.
- (iii)
- This paper is a “do it yourself” proposition made to the students. Indeed, this paper can be loaded as a subject of remote practical works or also possibly a project supervised by a tutor. This proposition is also an originality of this paper, and the promise of autonomy contained in this project further motivates the students, who want to get involved in such projects, which become personal to them. They usually enjoy this kind of proposition and take it to prove what they are able to do.
- (iv)
- Additionally, the “keep it yourself” pledge is given to the students. The model given in the database is indeed completely loadable by anybody, but its complete understanding, control, and modification possibilities are directly linked to the skills that will be developed by each student, not only during the practical work activity, but even after, if the student decides to keep, maintain, and improve this file.
2. First Approach: Series and Parallel RLC Circuit Modeling
2.1. RLC Series Circuit Simulation
2.1.1. Problem Description and Equations
2.1.2. Excel Formulation and Results
2.2. RLC Parallel Circuit Simulation
2.2.1. Problem Description and Equations
2.2.2. Excel Formulation and Results
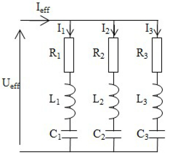
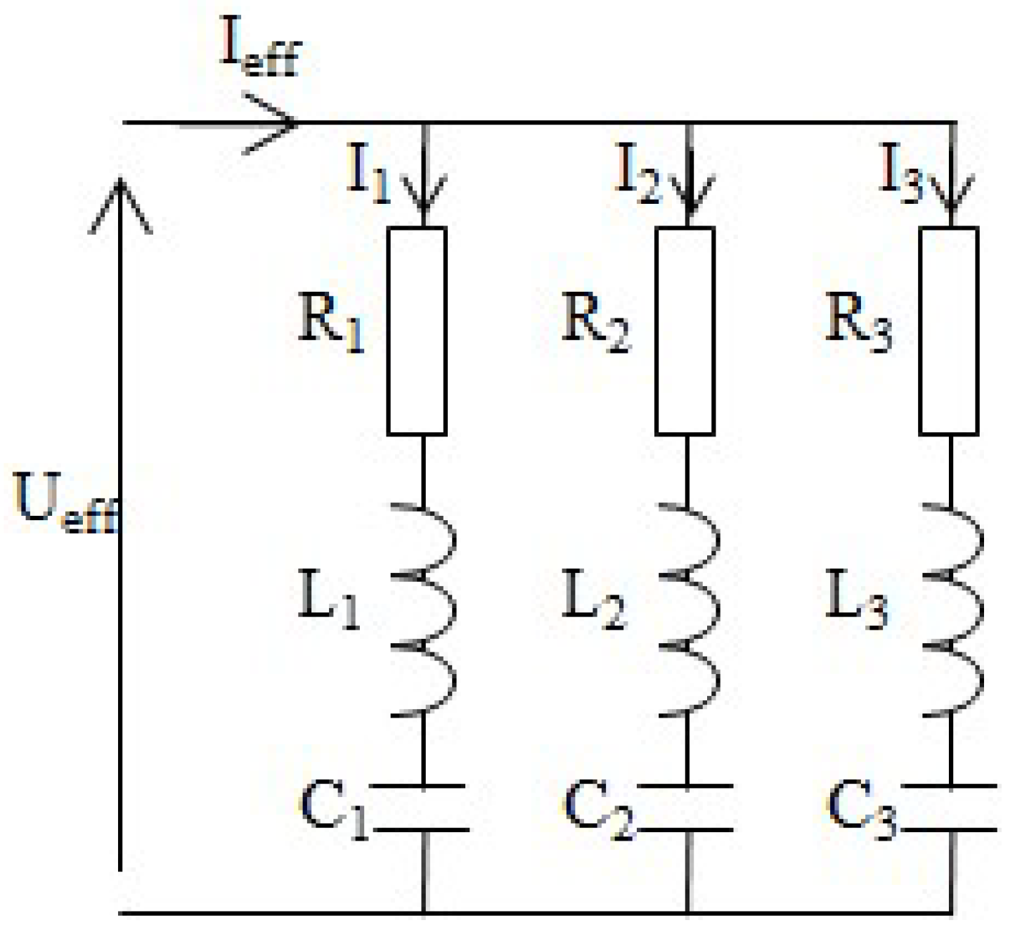
3. Three Parallel RLC Branches’ Circuit Simulation
3.1. Problem Description and Equations
3.2. Excel Formulation and Results
3.3. Results
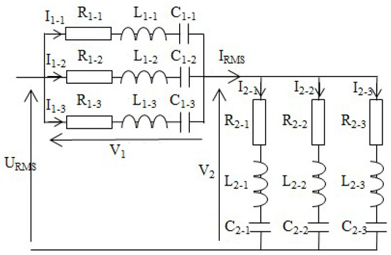
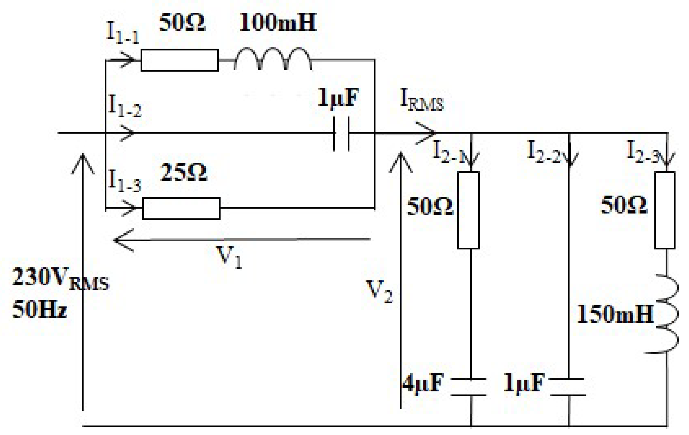
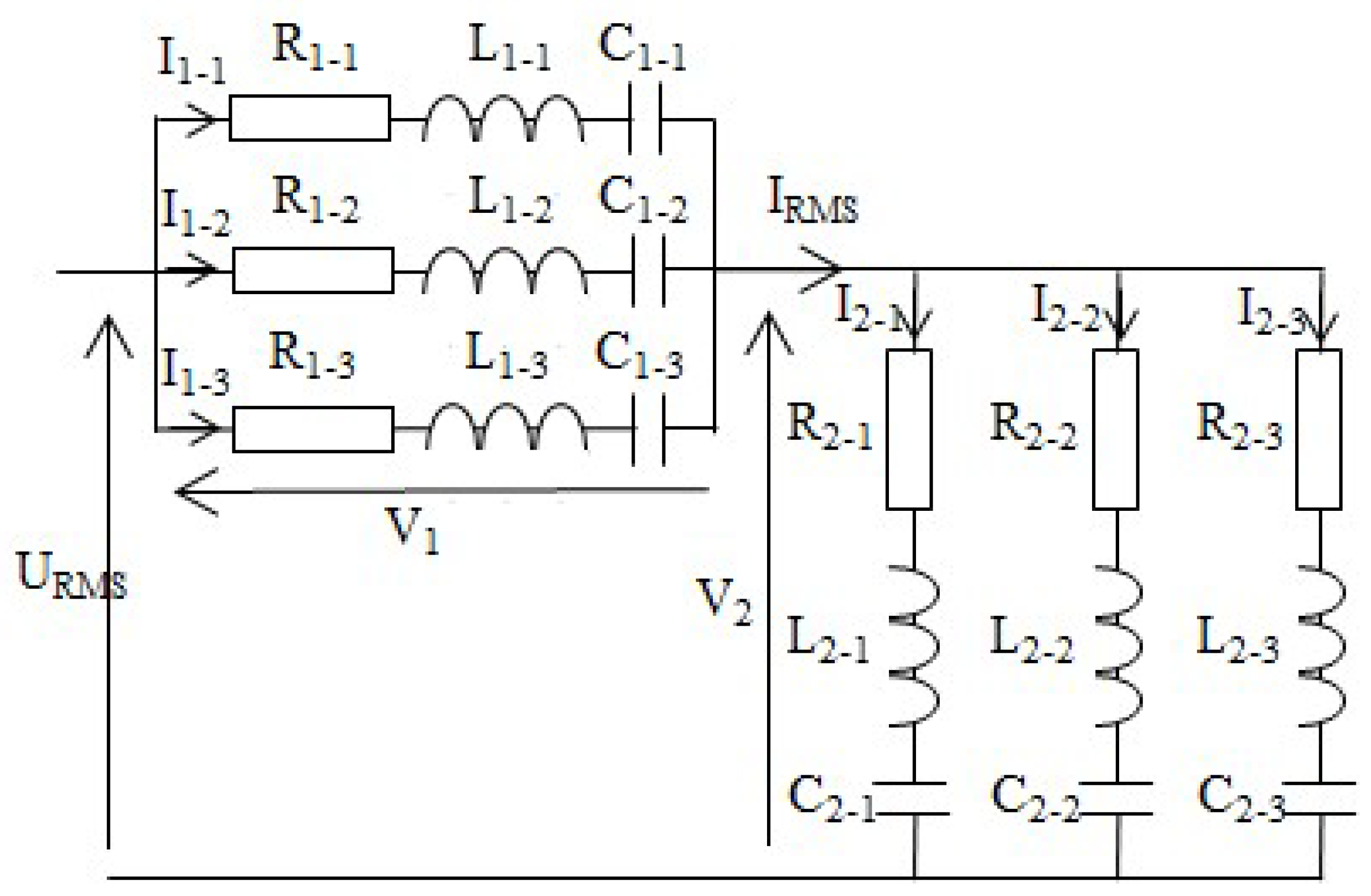
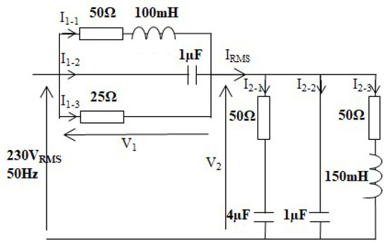
4. Three RLC Branches Associated in Series with Three Other Parallel RLC Branches’ Circuit Simulation
- (i)
- The power of the results obtainable with a computer, as long as it is well programmed with a correct and precise model;
- (ii)
- The increasing difficulty of correctly designing a model when the problem is becoming more and more difficult;
- (iii)
- Thus, the relative confidence one can have about the results, as function of the working power invested.
4.1. Problem Presentation and Equations
4.2. Excel Formulation and Results
4.3. Particular Case Study and Results
5. Conclusions and Perspectives
5.1. Conclusions
- (i)
- These sheets put theory into practice by using the different formulas learned in classical courses and allow them to check their good understanding of the notions and to deepen their knowledge.
- (ii)
- After this experiment, some students have declared having strengthened their curiosity, as well as having worked on this project more than for any other, because they “felt free”.
- (iii)
- Moreover, the students were proud of their results. They managed to create a useful tool to calculate, without the possibility of error after a serious check, the solutions of any complicated electronic circuit problem.
- (iv)
- As a result of this momentum, they are greatly encouraged and inspired to create new sheets for very different problems in the future. Likewise, they recognize having acquired a new way of working.
- (v)
- This paper gives one teaching material, ready-to-use, for the next dreaded precipitated transition to emergency remote learning, thus answering a point raised by Tsai et al. [49].
5.2. Limitations
- (i)
- The classical remote teaching drawbacks are all globally applicable to the project proposed in this paper. We can here mainly recall the darkest ones: technology obstacles, social and educational inequalities being exacerbated and amplified [48], and mental health problems.
- (ii)
- For the proposed practical work by itself, even if it comes from the remote work hypothesis on which this paper is based, a second limitation deals with the fact that students will thus not practice on an actual electrical circuit, nor experience actual dangers linked to electricity cabling and measuring activities.
- (iii)
- A third limitation deals with the limits of a model itself. In essence, a model is strictly only able to model what it is supposed to. Thus, even the last model is not able to model an electrical circuit composed of two R-C filters in cascade. When one disposes of a model, it becomes always possible and easy to find the cases that are not taken into account. One of the objectives of this paper is to give to the students the keys to model any other electrical circuit they will come to during their professional career.
- (iv)
- The fourth limitation I can see to this work is a threat to the higher education system of Western countries, trying to save money by relying on the new technologies and innovations. Indeed, if this idea were to work too well and exceed the legitimate expectations related to the training of students, as well as the improvement of the modeling skills of readers, institutional decision-makers could be tempted and decide to replace face-to-face courses with these remote practical works, even under the normal operation of the education system. Worse, since this paper claims to be written in a pedagogical way and to be self-sufficient, they might as well be tempted to suppress even the presence of the teacher. This hypothesis would be one that turns a good initial idea into a catastrophic end result.
5.3. Perspectives
- (i)
- The first one concerns the diversity of topics of the engineering sciences. For example, a power electronics simulator is currently being tested, as well as an electrical motor practical work. A mathematical probabilistic simulator is being also considered.
- (ii)
- The second research axis deals with the variation of the modeled data. For example, concerning the practical work presented in this paper, after having modeled a complete electrical circuit, it could be interesting to propose a continuation of this spreadsheet consisting of varying the frequency and automatically drawing the Bode diagram. Thus, it would become easy to illustrate the effects generated by the different passive components on the frequency response of a circuit. This was not the goal of this first paper, but this axis seems to be interesting, for engineering degrees for example.
- (iii)
- This work and this file can also be completed for any other sheet dealing with electronics issues. For example, for digital or analogical electronic circuits, copy/paste the last module from two to n times in the cascade assembly, taking into account operational amplifiers, and many other ideas. The possibilities are infinite.
Supplementary Materials
Funding
Data Availability Statement
Acknowledgments
Conflicts of Interest
Sample Availability
References
- Mazlan, A.F.; Mohamad, M.; Reesha, A.; Kassim, R.; Othman, Z.; Kummin, S. Challenges and strategies to enhance online remote teaching and learning by tertiary institution educators: A literature review. Creat. Educ. 2021, 12, 718–726. [Google Scholar] [CrossRef]
- Stewart, W.H. A global crash-course in teaching and learning online: A thematic review of empirical Emergency Remote Teaching (ERT) studies in higher education during Year 1 of COVID-19. Open Prax. 2021, 13, 89–102. [Google Scholar] [CrossRef]
- Hamilton, L.S.; Kaufman, J.H.; Diliberti, M. Teaching and Leading through a Pandemic: Key Findings from the American Educator Panels Spring 2020 COVID-19 Surveys; RAND Corporation: Santa Monica, CA, USA, 2020. [Google Scholar]
- Ferri, F.; Grifoni, P.; Guzzo, T. Online learning and emergency remote teaching: Opportunities and challenges in emergency situations. Societies 2020, 10, 86. [Google Scholar] [CrossRef]
- Greenhow, C.; Galvin, S. Teaching with social media: Evidence-based strategies for making remote higher education less remote. Inf. Learn. Sci. 2020, 121, 513–524. [Google Scholar] [CrossRef]
- Bond, M.; Bedenlier, S.; Marín, V.I.; Händel, M. Emergency remote teaching in higher education: Mapping the first global online semester. Int. J. Educ. Technol. High. Educ. 2021, 18, 1–24. [Google Scholar] [CrossRef]
- Ali, W. Online and remote learning in higher education institutes: A necessity in light of COVID-19 pandemic. High. Educ. Stud. 2020, 10, 16–25. [Google Scholar] [CrossRef]
- van Wyk, B.; Mooney, G.; Duma, M.; Faloye, S. Emergency Remote Learning in the times of COVID: A higher education innovation strategy. In Proceedings of the European Conference on e-Learning, Berlin, Germany, 1 October 2020; pp. 28–30. [Google Scholar]
- Oliveira, G.; Grenha Teixeira, J.; Torres, A.; Morais, C. An exploratory study on the emergency remote education experience of higher education students and teachers during the COVID-19 pandemic. Br. J. Educ. Technol. 2021, 52, 1357–1376. [Google Scholar] [CrossRef]
- Ghazi-Saidi, L.; Criffield, A.; Kracl, C.L.; McKelvey, M.; Obasi, S.N.; Vu, P. Moving from face-to-face to remote instruction in a higher education institution during a pandemic: Multiple case studies. Int. J. Technol. Educ. Sci. 2020, 4, 370–383. [Google Scholar] [CrossRef]
- Nesenbergs, K.; Abolins, V.; Ormanis, J.; Mednis, A. Use of augmented and Virtual Reality in remote higher education: A systematic umbrella review. Educ. Sci. 2021, 11, 8. [Google Scholar] [CrossRef]
- Tzafilkou, K.; Perifanou, M.; Economides, A.A. Development and validation of a students’ remote learning attitude scale (RLAS) in higher education. Educ. Inf. Technol. 2021, 26, 7279–7305. [Google Scholar] [CrossRef] [PubMed]
- Senel, S.; Senel, H.C. Remote assessment in higher education during COVID-19 pandemic. Int. J. 2021, 8, 181–199. [Google Scholar]
- Guangul, F.M.; Suhail, A.H.; Khalit, M.I.; Khidhir, B.A. Challenges of remote assessment in higher education in the context of COVID-19: A case study of Middle East College. Educ. Assess. Eval. Account. 2020, 32, 519–535. [Google Scholar] [CrossRef] [PubMed]
- Churiyah, M.; Basuki, A.; Dharma, B.A.; Sakdiyyah, D.A.; Filianti. Design Mobile Learning Application with Performance-Based Authentic Assessment as A Remote Learning Tool for Higher Education. Ilkogr. Online 2021, 20, 550–559. [Google Scholar]
- Serhan, D. Transitioning from face-to-face to remote learning: Students’ attitudes and perceptions of using Zoom during COVID-19 pandemic. Int. J. Technol. Educ. Sci. 2020, 4, 335–342. [Google Scholar] [CrossRef]
- Hodges, C.B.; Fowler, D.J. The COVID-19 Crisis and Faculty Members in Higher Education: From Emergency Remote Teaching to Better Teaching through Reflection. Int. J. Multidiscip. Perspect. High. Educ. 2020, 5, 118–122. [Google Scholar] [CrossRef]
- Hodges, C.B.; Moore, S.; Lockee, B.B.; Trust, T.; Bond, M.A. The difference between emergency remote teaching and online learning. Educ. Rev. 2020. Available online: https://er.educause.edu/articles/2020/3/the-difference-between-emergency-remote-teaching-and-online-learning (accessed on 16 November 2022).
- Eder, R. The remoteness of remote learning: A policy lesson from COVID19. J. Interdiscip. Stud. Educ. 2020, 9, 168–171. [Google Scholar] [CrossRef]
- Post, L.S.; Guo, P.; Saab, N.; Admiraal, W. Effects of remote labs on cognitive, behavioral, and affective learning outcomes in higher education. Comput. Educ. 2019, 140, 103596. [Google Scholar] [CrossRef]
- June, A.W. Did the scramble to remote learning work? Here’s what higher ed thinks. Chron. High. Educ. 2020. Available online: https://www.chronicle.com/article/Did-the-Scramble-to-Remote/248928 (accessed on 16 November 2022).
- Abrahams, I.; Reiss, M.J. Practical work: Its effectiveness in primary and secondary schools in England. J. Res. Sci. Teach. 2012, 49, 1035–1055. [Google Scholar] [CrossRef]
- Abrahams, I.; Millar, R. Does practical work really work? A study of the effectiveness of practical work as a teaching and learning method in school science. Int. J. Sci. Educ. 2008, 30, 1945–1969. [Google Scholar] [CrossRef]
- Millar, R.; Abrahams, I. Practical work: Making it more effective. Sch. Sci. Rev. 2009, 91, 59–64. [Google Scholar]
- Bauer, P.; Dudak, J.; Maga, D.; Hajek, V. Distance practical education for power electronics. Int. J. Eng. Educ. 2007, 23, 1210–1218. [Google Scholar]
- Max, L.; Thiringer, T.; Undeland, T.; Karlsson, R. Power electronics design laboratory exercise for final-year M. Sc. students. IEEE Trans. Educ. 2009, 52, 524–531. [Google Scholar] [CrossRef]
- Cieślik, S. Mathematical modeling of the dynamics of linear electrical systems with parallel calculations. Energies 2021, 14, 2930. [Google Scholar] [CrossRef]
- Popenda, A.; Lis, M.; Nowak, M.; Blecharz, K. Mathematical modeling of drive system with an elastic coupling based on formal analogy between the transmission shaft and the electric transmission line. Energies 2020, 13, 1181. [Google Scholar] [CrossRef]
- Schultz, R.B.; DeMers, M.N. Transitioning from emergency remote learning to deep online learning experiences in geography education. J. Geogr. 2020, 119, 142–146. [Google Scholar] [CrossRef]
- Affouneh, S.; Salha, S.; Khlaif, Z.N. Designing quality e-learning environments for emergency remote teaching in coronavirus crisis. Interdiscip. J. Virtual Learn. Med Sci. 2020, 11, 135–137. [Google Scholar]
- Magdalena, R.; Serrano, A.J.; MartÍn-Guerrero, J.D.; Rosado, A.; Martinez, M. A teaching laboratory in analog electronics: Changes to address the Bologna requirements. IEEE Trans. Educ. 2008, 51, 456–460. [Google Scholar] [CrossRef]
- Karakasidis, T. Virtual and remote labs in higher education distance learning of physical and engineering sciences. In Proceedings of the 2013 IEEE Global Engineering Education Conference (EDUCON), Berlin, Germany, 13–15 March 2013; pp. 798–807. [Google Scholar]
- Scorretti, R. Coupling of external electric circuits with computational domains. J 2021, 4, 865–880. [Google Scholar] [CrossRef]
- Grout, I. Supporting access to STEM subjects in higher education for students with disabilities using remote laboratories. In Proceedings of the 2015 12th International Conference on Remote Engineering and Virtual Instrumentation (REV), Bangkok, Thailand, 25–28 February 2015; pp. 7–13. [Google Scholar]
- Perales, M.; Pedraza, L.; Moreno-Ger, P. Work-in-progress: Improving online higher education with virtual and remote labs. In Proceedings of the 2019 IEEE Global Engineering Education Conference (EDUCON), Dubai, United Arab Emirates, 8–11 April 2019; pp. 1136–1139. [Google Scholar]
- Chen, X.; Gao, H. A remote PLC laboratory design and realization. Procedia Eng. 2012, 31, 1168–1172. [Google Scholar] [CrossRef]
- Sauter, M.; Uttal, D.H.; Rapp, D.N.; Downing, M.; Jona, K. Getting real: The authenticity of remote labs and simulations for science learning. Distance Educ. 2013, 34, 37–47. [Google Scholar] [CrossRef]
- Geaney, G.; O’Mahony, T. Design and evaluation of a remote PLC laboratory. Int. J. Electr. Eng. Educ. 2016, 53, 212–223. [Google Scholar] [CrossRef]
- Tirado-Morueta, R.; Sánchez-Herrera, R.; Márquez-Sánchez, M.A.; Mejías-Borrero, A.; Andujar-Márquez, J.M. Exploratory study of the acceptance of two individual practical classes with remote labs. Eur. J. Eng. Educ. 2018, 43, 278–295. [Google Scholar] [CrossRef]
- Barrios, A.; Panche, S.; Duque, M.; Grisales, V.H.; Prieto, F.; Villa, J.L.; Chevrel, P.; Canu, M. A multi-user remote academic laboratory system. Comput. Educ. 2013, 62, 111–122. [Google Scholar] [CrossRef]
- Boix, O.; Gomis, O.; Montesinos, D.; Galceran, S.; Sudrià, A. Comparative experiences in remote automation laboratories with real plants. Int. J. Electr. Eng. Educ. 2008, 45, 310–320. [Google Scholar] [CrossRef]
- Jara, C.A.; Candelas, F.A.; Puente, S.T.; Torres, F. Hands-on experiences of undergraduate students in Automatics and Robotics using a virtual and remote laboratory. Comput. Educ. 2011, 57, 2451–2461. [Google Scholar] [CrossRef]
- Luthon, F.; Larroque, B. LaboREM—A remote laboratory for game-like training in electronics. IEEE Trans. Learn. Technol. 2015, 8, 311–321. [Google Scholar] [CrossRef]
- Tho, S.W.; Yeung, Y.Y. Technology-enhanced science learning through remote laboratory: System design and pilot implementation in tertiary education. Australas. J. Educ. Technol. 2016, 32, 96–111. [Google Scholar] [CrossRef][Green Version]
- Seabra, F.; Teixeira, A.; Abelha, M.; Aires, L. Emergency remote teaching and learning in Portugal: Preschool to secondary school Teachers’ perceptions. Educ. Sci. 2021, 11, 349. [Google Scholar] [CrossRef]
- Schlesselman, L.S. Perspective from a teaching and learning center during emergency remote teaching. Am. J. Pharm. Educ. 2020, 84, ajpe8142. [Google Scholar] [CrossRef]
- Abel Jr, A. The phenomenon of learning at a distance through emergency remote teaching amidst the pandemic crisis. Asian Journal of Distance Education 2020, 15, 127–143. [Google Scholar]
- Shin, M.; Hickey, K. Needs a little TLC: Examining college students’ emergency remote teaching and learning experiences during COVID-19. J. Furth. High. Educ. 2021, 45, 973–986. [Google Scholar] [CrossRef]
- Tsai, C.H.; Rodriguez, G.R.; Li, N.; Robert, J.; Serpi, A.; Carroll, J.M. Experiencing the Transition to Remote Teaching and Learning during the COVID-19 Pandemic. IxD&A 2020, 46, 70–87. [Google Scholar]









| Variable | Value | Unit |
|---|---|---|
| 24 | V | |
| 5 | A | |
| f | 50 | Hz |
| R | 10 | |
| L | 150 | mH |
| C | 100 | µF |
Publisher’s Note: MDPI stays neutral with regard to jurisdictional claims in published maps and institutional affiliations. |
© 2022 by the author. Licensee MDPI, Basel, Switzerland. This article is an open access article distributed under the terms and conditions of the Creative Commons Attribution (CC BY) license (https://creativecommons.org/licenses/by/4.0/).
Share and Cite
Sauvey, C. Mathematical Modeling of Electrical Circuits and Practical Works of Increasing Difficulty with Classical Spreadsheet Software. Modelling 2022, 3, 445-463. https://doi.org/10.3390/modelling3040029
Sauvey C. Mathematical Modeling of Electrical Circuits and Practical Works of Increasing Difficulty with Classical Spreadsheet Software. Modelling. 2022; 3(4):445-463. https://doi.org/10.3390/modelling3040029
Chicago/Turabian StyleSauvey, Christophe. 2022. "Mathematical Modeling of Electrical Circuits and Practical Works of Increasing Difficulty with Classical Spreadsheet Software" Modelling 3, no. 4: 445-463. https://doi.org/10.3390/modelling3040029
APA StyleSauvey, C. (2022). Mathematical Modeling of Electrical Circuits and Practical Works of Increasing Difficulty with Classical Spreadsheet Software. Modelling, 3(4), 445-463. https://doi.org/10.3390/modelling3040029
