Next Article in Journal
Review of Image Processing Methods for Surface and Tool Condition Assessments in Machining
Next Article in Special Issue
Procedure for Reconstruction, Modeling, and Fabrication Using Additive and Rapid Tooling Methods of a Training Model for Transsphenoidal Surgery
Previous Article in Journal
Synchronized Multi-Laser Powder Bed Fusion (M-LPBF) Additive Manufacturing: A Technique for Controlling the Microstructure of Ti–6Al–4V
 
 
Font Type:
Arial Georgia Verdana
Font Size:
Aa Aa Aa
Line Spacing:
Column Width:
Background:
Article

Polymer Tools Produced by Fused Filament Fabrication for Steel-Bending Process: Effect of Layering Orientation

Advanced Prototyping Laboratory, Department of Mechanical and Industrial Engineering, University of Brescia, 25121 Brescia, Italy
*
Author to whom correspondence should be addressed.
J. Manuf. Mater. Process. 2024, 8(6), 243; https://doi.org/10.3390/jmmp8060243
Submission received: 8 October 2024 / Revised: 28 October 2024 / Accepted: 28 October 2024 / Published: 31 October 2024
(This article belongs to the Special Issue Innovative Rapid Tooling in Additive Manufacturing Processes)

Abstract

Rapid tooling with polymer tools produced via additive manufacturing offers significant benefits in sheet metal forming processes as it allows for the production of parts with high accuracy while reducing tool production costs. In this research, the authors evaluate the performance of polymer punches and dies in the sheet metal bending of 2 mm thick AISI 314 stainless steel. The tools were made using nylon filled with carbon fiber and produced through Fused Filament Fabrication. Two different print orientations—horizontal and vertical—were compared. This experimental study focused on the accuracy of the sheet’s bending angle and thickness while also measuring the deformation induced in the tools. A new methodology was proposed combining both tools and sheet measures to highlight not only the sheet’s accuracy but also the behavior of the polymer tools. The results demonstrate that despite the permanent deformation of the tools, they were able to produce sheets with a geometry accuracy of less than 0.5%

Graphical Abstract

1. Introduction

The industrial sector is undergoing a transformative switch driven by the increasing demand for lightweight, cost-efficient, and customizable tooling solutions. In sectors such as the automotive, aerospace, and consumer electronics sectors, the trend of replacing traditional metal tools with plastic counterparts is gaining momentum. This transition is motivated by the significant advantages that plastic tools offer, including reduced tooling costs, faster production times, and greater adaptability to complex geometries [1,2,3,4]. While metal tools have long dominated sheet metal forming processes and other high-stress applications due to their strength and wear resistance, advances in polymer composites are opening new avenues for using plastic tools in specific scenarios like prototype production and small-batch manufacturing [5,6,7,8].
One of the key drivers of this trend is the rise in additive manufacturing (AM) technologies, which have revolutionized rapid tooling. AM processes, particularly Fused Filament Fabrication (FFF), enable the creation of complex, customized tooling components with shorter lead times compared to traditional manufacturing methods like casting or machining. These technologies offer the flexibility to experiment with layer-by-layer fabrication, which makes it possible to manufacture polymer-based tools for a wide range of applications, including sheet metal forming processes, injection molding, and die casting [2,9,10].
Recent research highlights the increasing use of polymer-based materials in rapid tooling, particularly in cases where metal tools are over-engineered [11,12,13]. Advances in material science have produced composites that incorporate metallic or ceramic fillers into polymer matrices, improving the mechanical properties and wear resistance. Materials such as carbon fiber-reinforced polymers (CFRP), aluminum oxide (Al2O3), and silicon carbide (SiC) are now used to increase the durability and strength of plastic tools, making them suitable for sheet metal forming processes previously reserved for metal tools. These polymer composites provide advantages like weight reduction, cost savings, and easier manufacturing [14,15,16,17,18,19].
In the context of rapid tooling, FFF has been shown to be an effective method for creating injection molds and sheet metal forming tools. Studies have demonstrated that using metal–polymer composites in FFF can significantly reduce the cost and time required for tooling [8]. The flexibility in post-processing and the ability to create complex geometries in a single print make FFF a key technology for rapid tooling [20].
Despite these advancements, the full potential of polymer-based rapid tooling is still being explored, particularly regarding the influence of printing parameters on the performance of 3D-printed tools. One of the critical factors that affects the mechanical properties of printed tools is the printing orientation. In additive manufacturing, the alignment of layers during printing can have a significant impact on the tool’s strength, dimensional accuracy, and surface quality [21,22,23].
In the present study, the focus is on evaluating the performance of 3D-printed dies and punches made from polymer composites in the sheet metal V-bending process. Specifically, this study investigates the impact of printing orientation on the mechanical properties, dimensional accuracy, and surface quality of the tools. The aim of this study is to identify the optimal configuration for producing high-quality tools using AM technologies by comparing tools printed in horizontal and vertical orientations. The bending tests are conducted using AISI 304 stainless steel sheets, and the results will provide insights into the feasibility of using polymer-based tools for rapid tooling in sheet metal forming applications. This study contributes to the growing body of research on AM for rapid tooling, offering practical insights into the use of polymer composites in industrial settings.

2. Materials and Methods

2.1. Materials

AISI 304 stainless steel sheets were used as bending material. The dimensions of each sheet were 100 mm in length, 2 mm in thickness, and 20 mm in width. The width and length of the specimens were chosen in such a way that the sheet stripes are wide enough to avoid plain stress condition while maintaining tool dimensions small enough that it could be printed simultaneously in a reasonable time. Die and punch sets were fabricated using additive manufacturing with Fused Filament Fabrication (FFF) technology. Onyx, a nylon–carbon microfiber composite, was used as a material for the die and punch. Table 1 shows the mechanical properties of the sheet and tool materials.
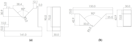
The die and punch sets were produced with two different orientations—horizontal and vertical—to evaluate their effects on the bending performance. The punch and die were designed to achieve a 90° bend in the AISI 304 stainless steel sheets. The die features a V-shaped cavity with a radius of 5 mm at the base. The punch is designed to complement the geometry of the die. It has a similar V shape with a 90° angle at the bottom and a radius of 5 mm, matching the die’s curvature, as shown in Figure 1. Both the punch and die were designed for 3D printing using Fused Filament Fabrication (FFF) technology, and each dimension was chosen to be at least one order of magnitude larger than the layer height to prevent any potential damage arising from a loss of accuracy due to the production process. Since in the bending process established in this research, the sheet will never contact the lowest part of the die, the die radius was set to 5 mm to prevent any stress concentration due to potential tool deformation. The die and punch were designed for two printing orientations: horizontal (Sample H) and vertical (Sample V). Both tools were printed using an infill that consists of alternating layers with a density equal to 100% and an orientation equal to 45° and −45°. The wall layer thickness was set to 2 layers, and the layer height was 0.1 mm for both configurations.
For each orientation, the tools were printed together; Figure 2 and Table 2 detail the tools’ positions on the print plate, the design parameters, and the production time.
Each set was printed with a full infill strategy using a ±45° layer pattern, 100% density, 2 wall layers, and a layer height of 0.1 mm. The printing time for the horizontal configuration was 1 day and 14 h, while the vertical configuration required 2 days and 4 h (Table 2). The resulting surface structures of the horizontally and vertically printed samples are shown in Figure 3. These figures show a detailed zone on the bending area where for the horizontal orientation, it can be clearly observed that the presence of the two-wall layers on the tools contour, while for the vertical orientation, there is a layering effect.

2.2. Sheet-Bending Process and Methods for Data Acquisition

The bending tests were carried out using an RPRIC/80 hydraulic press (max load 80 tons) provided by Galdabini. The dies were mounted on the stationary lower platform of the press, while the punches were attached to the movable upper platform. Each sheet was placed on the die, and the punch was applied at a controlled speed of 1 mm/s. The test aimed to achieve a 90° bend in the steel sheet, with 10 tests being conducted for each configuration (horizontal and vertical). A gap of 2.5 mm was maintained between the punch and die at the end of the stroke to prevent the over-compression of the printed tools.
After the bending tests, the profiles of the bent sheets were measured using a Renishaw Cyclone 2 CMM, with 180 data points being captured on both the internal and external surfaces, including 150 points in the bending area. These data points were then imported into SolidWorks, where a spline was created by connecting all 180 points. Finally, an extrusion feature was applied to generate a 3D digital model of the bent sheet. The same procedure was followed to digitize the die and punch geometry after the bending process.
From the digital files, the following measurements were obtained for the sheet: three internal angles were measured at different distances from the bending area—near the bending area, in a middle zone, and at the end of the sheet (Figure 4a). Additionally, five thickness measurements were taken in the bending area to monitor the sheet’s behavior during bending (Figure 4b). For the punch and die, single measurements of their height, width, and angle were taken before and after use in production to ensure that the printed components matched the design specifications (Figure 4c,d).

3. Results

3.1. Sheet Analysis

This section presents the main results of the sheet analysis. A visual inspection confirmed that all sheets were produced with high accuracy, successfully achieving the desired bending angles. For instance, Figure 5a illustrates the 10th sheet produced using vertically oriented tools. Additionally, all sheets were assembled for further inspection. Figure 5b,c display the sheets in numerical order from lowest to highest. The inspection revealed that all sheets were correctly produced with no visible defects, abrasions, or cracks in the bending areas or any other sections.
As shown, a gap appears when the bent sheets are aligned, which is caused by variations in the bending angle. When the angle is not constant, it results in gaps between consecutive aligned sheets. A closer inspection revealed that these gaps are more pronounced in the horizontal configuration. Regarding the thickness, no significant observations were made.
Figure 6 illustrates the individual value plot of the sheet-bending angle as a function of the sheet number and tools’ orientation on the print plate.
The bending angles of the horizontally printed tools showed notable deviations, particularly for the fifth test (Figure 6a). The bending angles recorded for the 1st, 5th, and 10th bent cups were 91.25°, 89.69°, and 90.20°, respectively (Table 3). These variations indicate that the horizontally printed tools may suffer from wear or deformation, leading to inconsistent results over repeated uses [24,25,26].
In contrast, the vertically printed tools maintained better consistency across the tests. The bending angles for the 1st, 5th, and 10th cups were 90.08°, 90.26°, and 90.14°, respectively (Table 3). The more stable bending angles observed in the vertically printed tools suggest that this orientation provides greater structural integrity, maintaining closer adherence to the intended 90° angle.
Concerning the sheet thickness analysis reported in Figure 6b, these measurements provide insights into how the material thickness behaved under different tool orientations. By observing the graph, it can be seen that the thickness is not affected by the tools’ orientation and sheet number; generally, a value of 1.93 ± 0.01 mm (average and standard deviation evaluated from all values reported in Table 3) can be achieved at the end of the bending process, showing that the thickness undergoes a reduction in the bending angle due to punch compression.

3.2. Punch and Die Analysis

The main results related to the geometry measurements acquired for the punch and die tools after the sheet-bending process are illustrated in Figure 7 and detailed in Table 4. To correlate all measurements, the value Δ is introduced as the percentage deviation of the measured value with respect to the CAD.
The results clearly indicate which values underwent deformation during the bending process. As shown, the punch height and die width deviated from the CAD geometry by approximately 2.4% and 10%, respectively (Figure 7). These values remained consistent regardless of whether the tools were produced vertically or horizontally. All other measured data show variations within a range of −0.3% to 0.3% (Table 4).

4. Discussion

The findings of this study provide a comprehensive comparison of the bending performance and durability of tools printed in horizontal and vertical orientations. As presented in Figure 8, the graph depicting the bending angles of the 10th and final bent cups, along with the final states of both the horizontally and vertically printed punches, shows that both orientations exhibit bending angles slightly above the target of 90 degrees. The increase in the bending angle is attributed to the compression of the punch height during the bending process. Since the sheet is always in contact with the punch during bending, as the punch height decreases, the punch angle increases, resulting in a corresponding increase in the sheet’s bending angle. As shown in Figure 8, the vertical punch and the corresponding sheet exhibit values closer to the CAD geometry. However, when observing the y-axis, the precision achieved is within a range of tenths of millimeters.
Comparing the sheet and tool analyses allows for another observation: the results show that the die width is also subject to deformation, particularly expansion. This expansion not only alters the die angle (as shown in Figure 7, with variations below 0.3%) but also affects the die’s inclination, causing the sheet to undergo a slightly different bending inclination. In Figure 4a, the angle was measured at different distances and is influenced by different tools; the inner measurement is in contact with the punch, while the outer measurement is in contact with the die. Since the punch and die deform differently, the bending angles differ, explaining the deviation observed in Figure 6a, particularly for the horizontal tools, while the vertical tools demonstrate better stability. A photograph of the punch, die, and 10th sheet assembled together is shown in Figure 9, where the gap between them, caused by permanent tool deformation, is visible.
To enhance the robustness of the final analysis, an ANOVA (Analysis of Variance) test, with a confidence interval of 95%, was used to compare the effect of the tool axis parameter. The p-values obtained for the tool axis are shown in Table 5. A p-value below 0.05 indicates that the tool axis has a statistically significant effect on the measured values, while a p-value above 0.05 suggests that it does not.
In summary, it can be concluded that print orientation is not significant for the process’s performance, although vertical tools provide better stability.
However, it is important to consider the time required for printing each tool. The horizontal tool took 1 day and 14 h to print, whereas the vertical tool required a significantly longer duration of 2 days and 4 h. This longer printing time for the vertical tool suggests a more complex printing process or potentially greater material consumption, which might contribute to the observed deformation issues.
In summary, while vertically printed tools offer advantages in precision and stability, horizontally printed tools allow for a reduction in production time.

5. Conclusions

In this study, the authors investigate the performance of nylon reinforced with short carbon fibers in the fabrication of V-bending punches and dies using Fused Filament Fabrication (FFF). Two sets of tools were produced, differing in their orientation on the print plate: horizontal and vertical. Ten sheets of 2 mm thick AISI 304 stainless steel were bent, and the geometry accuracy of the sheets, as well as the deformation of the tools, were measured using a Coordinate Measuring Machine (CMM).
A statistical analysis of the data indicated that tool orientation did not significantly affect performance, even as the production volume increased. However, the results show that despite the punch experiencing a height reduction of 2.4% and the die exhibiting a width enlargement of 10%, the accuracy of the sheet geometry remained within 0.5%. The vertically oriented tools demonstrated greater stability, whereas the horizontally oriented tools required a shorter production time.
Moreover, it was found that these polymer tools undergo deformation during the bending phase. It has been observed and demonstrated that this deformation mainly occurs in areas far from the actual working zone, where the tool is free to deform; this means that in the bending area, there were no deformations, so it is possible to produce a 90° angle.
Future research will aim to better analyze the elastic recovery of the sheet and the elastic deformation of tools with an FEM approach.

Author Contributions

Conceptualization, L.G.; methodology, L.G.; validation, L.G; investigation, L.G.; data curation, L.G. and K.I.D.; writing—original draft preparation, L.G. and K.I.D.; writing—review and editing, L.G. and K.I.D.; supervision, L.G. All authors have read and agreed to the published version of the manuscript.

Funding

This research received no external funding.

Data Availability Statement

The data presented in this study are available on request from the corresponding author.

Acknowledgments

The authors are grateful to R. Pinti of Pinti Inox S.p.a.—Sarezzo (Brescia) for providing support in the experimental campaign and the CMM analysis.

Conflicts of Interest

The authors declare no conflict of interest.

References

  1. De Souza, J.H.C.; Liewald, M. Analysis of the tribological behaviour of polymer composite tool materials for sheet metal forming. Wear 2010, 268, 241–248. [Google Scholar] [CrossRef]
  2. Masood, S.H.; Song, W.Q. Development of new metal/polymer materials for rapid tooling using fused deposition modelling. Mater. Des. 2004, 25, 587–594. [Google Scholar] [CrossRef]
  3. Udroiu, R.; Braga, I.C. Polyjet technology applications for rapid tooling. In MATEC Web of Conferences; EDP Sciences: Les Ulis, France, 2017; Volume 112, p. 03011. [Google Scholar]
  4. Veiga, F.; Bhujangrao, T.; Suárez, A.; Aldalur, E.; Goenaga, I.; Gil-Hernandez, D. Validation of the Mechanical Behavior of an Aeronautical Fixing Turret Produced by a Design for Additive Manufacturing (DfAM). Polymers 2022, 14, 2177. [Google Scholar] [CrossRef] [PubMed]
  5. Huzaim, N.H.M.; Rahim, S.Z.A.; Musa, L.; Abdellah, A.E.H.; Abdullah, M.M.A.B.; Rennie, A.; Rahman, R.; Garus, S.; Błoch, K.; Sandu, A.V.; et al. Potential of rapid tooling in rapid heat cycle molding: A review. Materials 2022, 15, 3725. [Google Scholar] [CrossRef]
  6. Giorleo, L.; Ceretti, E. Deep drawing punches produced using fused filament fabrication technology: Performance evaluation. J. Manuf. Process. 2022, 84, 1–9. [Google Scholar] [CrossRef]
  7. Giorleo, L.; Ceretti, E. Aluminium deep drawing with additive manufacturing polymer punches: Analysis of performance in small batch production. Int. J. Adv. Manuf. Technol. 2023, 128, 2175–2185. [Google Scholar] [CrossRef]
  8. Noble, J.; Walczak, K.; Dornfeld, D. Rapid tooling injection molded prototypes: A case study in artificial photosynthesis technology. Procedia CIRP 2024, 14, 251–256. [Google Scholar] [CrossRef]
  9. Afonso, D.; Pires, L.; de Sousa, R.A.; Torcato, R. Direct rapid tooling for polymer processing using sheet metal tools. Procedia Manuf. 2017, 13, 102–108. [Google Scholar] [CrossRef]
  10. Pancha, U.B. Analysis of the Viability of Additive Manufacturing for Rapid Tooling: A Case Study for the Plastic Industry. Master’s Thesis, Durban University of Technology, Durban, South Africa, 2022. [Google Scholar]
  11. Giorleo, L.; Stampone, B.; Trotta, G. Micro injection moulding process with high-temperature resistance resin insert produced with material jetting technology: Effect of part orientation. Addit. Manuf. 2022, 56, 102947. [Google Scholar] [CrossRef]
  12. Stampone, B.; Deniz, K.I.; Foscarini, A.; Turco, A.; Chiriacò, M.S.; Ferrara, F.; Giorleo, L.; Trotta, G. Rapid Tooling for Microinjection Moulding of Proof-of-Concept Microfluidic Device: Resin Insert Capability and Preliminary Validation. Appl. Sci. 2024, 14, 3157. [Google Scholar] [CrossRef]
  13. Foster, J.; Cullen, C.; Fitzpatrick, S.; Payne, G.; Hall, L.; Marashi, J. Remanufacture of hot forging tools and dies using laser metal deposition with powder and a hard-facing alloy Stellite 21®. J. Remanuf. 2019, 9, 189–203. [Google Scholar] [CrossRef]
  14. Frohn-Sörensen, P.; Geueke, M.; Engel, B.; Löffler, B.; Bickendorf, P.; Asimi, A.; Bergweiler, G.; Schuh, G. Design for 3D printed tools: Mechanical material properties for direct polymer additive tooling. Polymers 2022, 14, 1694. [Google Scholar] [CrossRef] [PubMed]
  15. King, D.; Tansey, T. Alternative materials for rapid tooling. J. Mater. Process. Technol. 2002, 121, 313–317. [Google Scholar] [CrossRef]
  16. Rajaguru, J.; Duke, M.; Au, C. Development of rapid tooling by rapid prototyping technology and electroless nickel plating for low-volume production of plastic parts. Int. J. Adv. Manuf. Technol. 2015, 78, 31–40. [Google Scholar] [CrossRef]
  17. Gunasekaran, K.N.; Aravinth, V.; Kumaran, C.M.; Madhankumar, K.; Kumar, S.P. Investigation of mechanical properties of PLA printed materials under varying infill density. Mater. Today Proc. 2021, 45, 1849–1856. [Google Scholar] [CrossRef]
  18. Khan, W.A.; Hassan, M.; Ahmed, I.; Xiao, M.; Faraz, M.I.; Li, K.; Khan, I.; Muhammad, R.; Wu, H.; Hussain, G. Insights into Flexural and Impact Properties of Polymer Based Materials Printed Through Fused Filament Fabrication: Progress in the Last Decade. Int. J. Lightweight Mater. Manuf. 2024, 7, 925–957. [Google Scholar] [CrossRef]
  19. Zaragoza, V.G.; Rane, K.; Strano, M.; Monno, M. Manufacturing and performance of 3D printed plastic tools for air bending applications. J. Manuf. Process. 2021, 66, 460–469. [Google Scholar] [CrossRef]
  20. Sola, A.; Chong, W.J.; Simunec, D.P.; Li, Y.; Trinchi, A.; Kyratzis, I.L.; Wen, C. Open challenges in tensile testing of additively manufactured polymers: A literature survey and a case study in fused filament fabrication. Polym. Test. 2023, 117, 107859. [Google Scholar] [CrossRef]
  21. Sanford, L.T.; Jaafar, I.H.; Seibi, A.; Gohn, A. The effect of infill angle, build orientation, and void fraction on the tensile strength and fracture of 3D printed ASA via fused filament fabrication. Manuf. Lett. 2022, 33, 569–573. [Google Scholar] [CrossRef]
  22. Mohd Khairul Nizam, M.A.N.B.; Ismail, K.I.B.; Yap, T.C. The effect of printing orientation on the mechanical properties of FDM 3D printed parts. In Enabling Industry 4.0 Through Advances in Manufacturing and Materials: Selected Articles from iM3F 2021, Malaysia; Springer Nature: Singapore, 2022; pp. 75–85. [Google Scholar]
  23. Duflou, J.R.; Váncza, J.; Aerens, R. Computer aided process planning for sheet metal bending: A state of the art. Comput. Ind. 2005, 56, 747–771. [Google Scholar] [CrossRef]
  24. Damon, A.; Clifton, W.; Valero-Moreno, F.; Nottmeier, E. Orientation planning in the fused deposition modeling 3D printing of anatomical spine models. Cureus 2020, 12, e7081. [Google Scholar] [CrossRef] [PubMed]
  25. Nakamura, N.; Mori, K.I.; Abe, Y. Applicability of plastic tools additively manufactured by fused deposition modelling for sheet metal forming. Int. J. Adv. Manuf. Technol. 2020, 108, 975–985. [Google Scholar] [CrossRef]
  26. Eryıldız, M. Effect of build orientation on mechanical behaviour and build time of FDM 3D-printed PLA parts: An experimental investigation. Eur. Mech. Sci. 2021, 5, 116–120. [Google Scholar] [CrossRef]
Figure 1. Design of punch (a) and die (b).
Figure 1. Design of punch (a) and die (b).
Jmmp 08 00243 g001
Figure 2. The tools’ positions on the print plate for horizontal (a) and vertical (b) orientations.
Figure 2. The tools’ positions on the print plate for horizontal (a) and vertical (b) orientations.
Jmmp 08 00243 g002
Figure 3. A comparison of the surface structures of the horizontally and vertically printed die and punch samples.
Figure 3. A comparison of the surface structures of the horizontally and vertically printed die and punch samples.
Jmmp 08 00243 g003
Figure 4. Measurement of cup angle (a); cup thickness evaluated in bend area (b); punch height width and angle (c); die height width and angle (d).
Figure 4. Measurement of cup angle (a); cup thickness evaluated in bend area (b); punch height width and angle (c); die height width and angle (d).
Jmmp 08 00243 g004
Figure 5. Photographs of stainless steel bent sheets demonstrating high quality and defects after the bending process: an example of the sheet accuracy (10th sheet, vertical orientation) (a) and a detailed view of the sheet produced in the cases of (b) vertical orientation and (c) horizontal orientation.
Figure 5. Photographs of stainless steel bent sheets demonstrating high quality and defects after the bending process: an example of the sheet accuracy (10th sheet, vertical orientation) (a) and a detailed view of the sheet produced in the cases of (b) vertical orientation and (c) horizontal orientation.
Jmmp 08 00243 g005
Figure 6. Individual value plot of cup angle (a) and interval plot of cup thickness evaluated in bending area (b).
Figure 6. Individual value plot of cup angle (a) and interval plot of cup thickness evaluated in bending area (b).
Jmmp 08 00243 g006
Figure 7. Individual value plot of percentage deviation from CAD value of tool angle, height, and width.
Figure 7. Individual value plot of percentage deviation from CAD value of tool angle, height, and width.
Jmmp 08 00243 g007
Figure 8. An individual value plot of the bending angle for the 10th cup and for the punch after the bending process.
Figure 8. An individual value plot of the bending angle for the 10th cup and for the punch after the bending process.
Jmmp 08 00243 g008
Figure 9. Deformation of horizontally (a) and vertically (b) printed tools after bending process.
Figure 9. Deformation of horizontally (a) and vertically (b) printed tools after bending process.
Jmmp 08 00243 g009
Table 1. Mechanical properties of sheet and tool materials [7].
Table 1. Mechanical properties of sheet and tool materials [7].
OnyxAISI 304
Tensile Modulus, GPa2.4193
Tensile Stress at Yield, MPa37190
Tensile Stress at Break, MPa40500–700
Tensile Strain at Break, %2540
Compression Modulus, GPa1.16
Density, g/cm31.28
Table 2. Detailed printing parameters and production times for horizontal and vertical samples.
Table 2. Detailed printing parameters and production times for horizontal and vertical samples.
Printing DirectionInfillInfill StrategyWall LayerLayer Height [mm]Punch and Die Time Production [Day/Hour]
HorizontalFull±45°20.11 d/14 h
VerticalFull±45°20.12 d/4 h
Table 3. Comparison of captured measurements for sheet analysis.
Table 3. Comparison of captured measurements for sheet analysis.
Tool AxisCupSheet Angle [°]Sheet Thickness in the Bending Area [mm]
Horizontal190.071.92
Horizontal589.491.93
Horizontal1090.201.93
Vertical190.081.93
Vertical590.251.94
Vertical1090.131.93
Table 4. Punch and die dimensions after bending for horizontal and vertical printing directions.
Table 4. Punch and die dimensions after bending for horizontal and vertical printing directions.
ToolTool AxisParameterValueCADΔ [%]
DieHorizontalAngle [°]90.06900.1%
DieVerticalAngle [°]90.00900.0%
DieHorizontalHeight [mm]84.7885−0.3%
DieVerticalHeight [mm]85.00850.0%
DieHorizontalWidth [mm]110.821019.7%
DieVerticalWidth [mm]111.001019.9%
PunchHorizontalAngle [°]90.26900.3%
PunchVerticalAngle [°]90.21900.2%
PunchHorizontalHeight [mm]61.4062.9−2.4%
PunchVerticalHeight [mm]61.4762.9−2.3%
PunchHorizontalWidth [mm]100.021000.0%
PunchVerticalWidth [mm]99.76100−0.2%
Table 5. The p-value of the tool axis parameters evaluated from the ANOVA test.
Table 5. The p-value of the tool axis parameters evaluated from the ANOVA test.
Parameter Measuredp-Value
Sheet-bending angle0.056
Sheet thickness in bending area0.140
Tool height0.880
Tool width0.817
Tool angle0.666
Disclaimer/Publisher’s Note: The statements, opinions and data contained in all publications are solely those of the individual author(s) and contributor(s) and not of MDPI and/or the editor(s). MDPI and/or the editor(s) disclaim responsibility for any injury to people or property resulting from any ideas, methods, instructions or products referred to in the content.

Share and Cite

MDPI and ACS Style

Giorleo, L.; Deniz, K.I. Polymer Tools Produced by Fused Filament Fabrication for Steel-Bending Process: Effect of Layering Orientation. J. Manuf. Mater. Process. 2024, 8, 243. https://doi.org/10.3390/jmmp8060243

AMA Style

Giorleo L, Deniz KI. Polymer Tools Produced by Fused Filament Fabrication for Steel-Bending Process: Effect of Layering Orientation. Journal of Manufacturing and Materials Processing. 2024; 8(6):243. https://doi.org/10.3390/jmmp8060243

Chicago/Turabian Style

Giorleo, Luca, and Kudret Irem Deniz. 2024. "Polymer Tools Produced by Fused Filament Fabrication for Steel-Bending Process: Effect of Layering Orientation" Journal of Manufacturing and Materials Processing 8, no. 6: 243. https://doi.org/10.3390/jmmp8060243

APA Style

Giorleo, L., & Deniz, K. I. (2024). Polymer Tools Produced by Fused Filament Fabrication for Steel-Bending Process: Effect of Layering Orientation. Journal of Manufacturing and Materials Processing, 8(6), 243. https://doi.org/10.3390/jmmp8060243

Article Metrics

Back to TopTop