Energy Storage for Peak Shaving in a Microgrid in the Context of Brazilian Time-of-Use Rate †
Abstract
:1. Introduction
2. Brazilian Scenario and Perspectives
2.1. Distributed Generation and Energy Storage in Brazil
- Increased self-consumption of microgeneration distributed;
- Change to the White Rate;
- Replacement of diesel generation at the peak.
2.2. White Rate Scenario
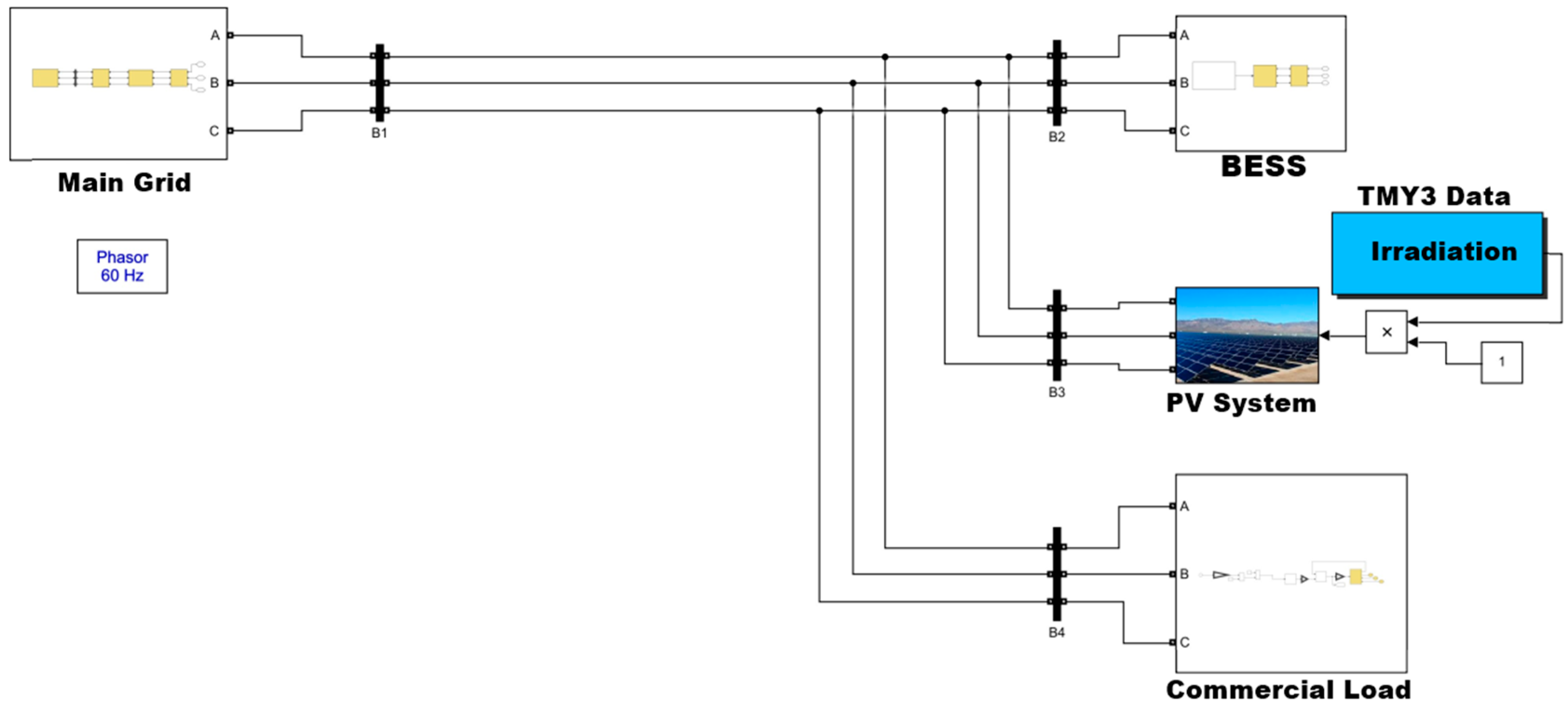
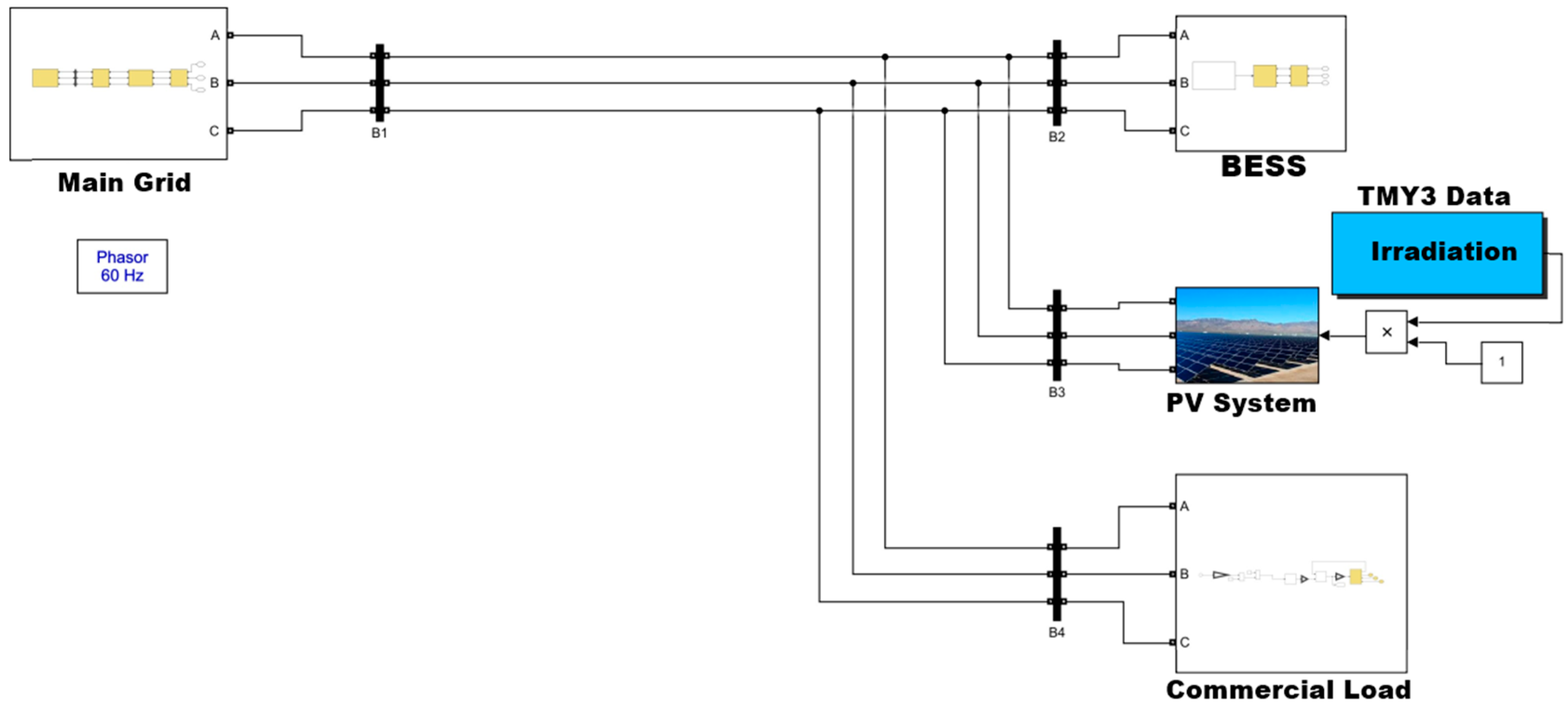
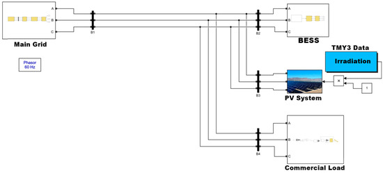
3. Microgrid Components and Simulation
3.1. PV Generation System
3.2. Load Profile
3.3. Battery Energy Storage
4. Peak Load Shaving Strategy
5. Results
5.1. Microgrid Peak Shaving Operation
5.2. Energy and Economical Analysis
6. Conclusions
Acknowledgments
Conflicts of Interest
References
- Mehta, VK.R.M. Principles of Power System, 4th ed.; S. Chand: New Delhi, India, 2005. [Google Scholar]
- Nourai, A.; Kogan, V.; Schafer, C. Load Leveling Reduces T&D Line Losses. IEEE Trans. Power Deliv. 2008, 23, 2168–2173. [Google Scholar] [CrossRef]
- Uddin, M.; Romlie, M.; Abdullah, M.F.; Halim, S.A.; Abu Bakar, A.H.; Kwang, T.C. A review on peak load shaving strategies. Renew. Sustain. Energy Rev. 2018, 82, 3323–3332. [Google Scholar] [CrossRef]
- Akhil, A.A.; Huff, G.; Currier, A.B.; Kaun, B.C.; Rastler, D.M.; Chen, S.B.; Cotter, A.L.; Bradshaw, D.T.; Gauntlett, W.D. DOE/EPRI Electricity Storage Handbook in Collaboration with NRECA; Sandia National Laboratories: Albuquerque, NM, USA, 2015.
- Omer, M.; Ibrahim, M.; Pillay, P.; Athienitis, A. Design and Control of a Peak Load Shaving System for the Louis-Hippolyte-La Fontaine Tunnel. In Proceedings of the 2018 IEEE Canadian Conference on Electrical & Computer Engineering (CCECE), Quebec, QC, Canada, 13–16 May 2018; pp. 1–4. [Google Scholar]
- LobatoMiguelez, E.; Sigrist, L.; Rouco, L. Use of Energy Storage Systems for Peak Shaving in the Spanish Canary Islands; Institute of Electrical and Electronics Engineers (IEEE): Piscataway, NJ, USA, 2013; pp. 1–5. [Google Scholar]
- Jeong, H.C.; Jung, J.; Kang, B.O. Development of Operational Strategies of Energy Storage System Using Classification of Customer Load Profiles under Time-of-Use Tariffs in South Korea. Energies 2020, 13, 1723. [Google Scholar] [CrossRef]
- Papadopoulos, V.; Knockaert, J.; Develder, C.; Desmet, J. Peak Shaving through Battery Storage for Low-Voltage Enterprises with Peak Demand Pricing. Energies 2020, 13, 1183. [Google Scholar] [CrossRef]
- Finotti, A.S.; Almeida, M.P.; Zille, R. Simulation of Battery Usage Adopting the White Rate for a Residential Class Photovoltaic Microgeneration. In Proceedings of the VII Brazilian Congress of Solar Energy, Gramado, Brazil, 17–20 April 2018. [Google Scholar]
- Santos, L.L.C. Methodology for the Analysis of the White Rate and Distributed Generation of Small Size in Low Voltage Residential Consumers. Master’s thesis, UFSM, Santa Maria, Brazil, 2014. [Google Scholar]
- Bernardes, J.P.S.; Mello, A.P.C. Minimizing the Impact of the White Rate Using Distributed Generation to Low Voltage Consumers, Ann. In Proceedings of the VII International Salon Teaching, Research and Extension, Brazil; 2015. [Google Scholar]
- Salamanca, H.L.L.; Arruda, L.V.R.; Magatao, L. Using a MILP Model for Baterry Bank Operation in the White Rate Brazilian Context. In Proceedings of the Fifth International Renewable Energy Congress, Hammamet, Tunisia, 25–27 March 2014. [Google Scholar]
- Costa, V.; De Souza, A.C.Z.; Ribeiro, P.F. Economic Analysis of Energy Storage Systems in the Context of Time-of-Use Rate in Brazil. In Proceedings of the 2019 IEEE Power & Energy Society General Meeting (PESGM), Atlanta, GA, USA, 4–8 August 2019. [Google Scholar]
- Normative Resolution Nº482, 17 April 2012. Available online: http://www2.aneel.gov.br/cedoc/bren2012482.pdf (accessed on 15 March 2020).
- 10-Year Energy Expansion Plan 2029. Available online: http://www.epe.gov.br/pt/publicacoes-dados-abertos/publicacoes/plano-decenal-de-expansao-de-energia-2029 (accessed on 23 April 2020).
- De Andrade, J.V.B.; Rodrigues, B.N.; Dos Santos, I.F.S.; Haddad, J.; Filho, G.L.T. Constitutional aspects of distributed generation policies for promoting Brazilian economic development. Energy Policy 2020, 143, 143. [Google Scholar] [CrossRef]
- ESMAP, I.A.; Energy Storage Trends and Opportunities. Conference Report; 2017. Available online: https://www.esmap.org/node/57868 (accessed on 15 March 2020).
- Ribeiro, P.; Johnson, B.; Crow, M.L.; Arsoy, A.; Liu, Y.; P.F., R.; B.K., J.; M.L., C.; A., A.; Y., L. Energy storage systems for advanced power applications. Proc. IEEE 2001, 89, 1744–1756. [Google Scholar] [CrossRef]
- Battery Storage Systems—Applications and Relevant Planning Issues. Available online: http://www.epe.gov.br/pt/publicacoes-dados-abertos/publicacoes/plano-decenal-de-expansao-de-energia-2029 (accessed on 23 April 2020).
- ANEEL—National Agency of Eletric Energy, 2019. Available online: http://www.aneel.gov.br/tarifa-branca (accessed on 15 January 2020).











| White Rate | Rate Value (USD/kWh) | Class |
|---|---|---|
| Off-Peak | 0.1370875 | Non-residential |
| Intermediary | 0.188515 | Non-residential |
| Peak | 0.2827075 | Non-residential |
| Features | Values |
|---|---|
| Nominal Power | 500 kW |
| SOC Range | 20–90 % |
| Rated Capacity | 1675 kWh |
| Efficiency | 96% |
| Model | Annual Cost Only Main Grid (US$) | Annual Cost PV + BESS (US$) | Annual Savings (US$) |
|---|---|---|---|
| Simulink | 472,175.00 | 316,500.00 | 155,675.00 |
| Homer | 415,520.00 | 280,976.00 | 170,550.00 |
Publisher’s Note: MDPI stays neutral with regard to jurisdictional claims in published maps and institutional affiliations. |
© 2020 by the authors. Licensee MDPI, Basel, Switzerland. This article is an open access article distributed under the terms and conditions of the Creative Commons Attribution (CC BY) license (https://creativecommons.org/licenses/by/4.0/).
Share and Cite
Salles, R.S.; Souza, A.C.Z.d.; Ribeiro, P.F. Energy Storage for Peak Shaving in a Microgrid in the Context of Brazilian Time-of-Use Rate. Proceedings 2020, 58, 16. https://doi.org/10.3390/WEF-06913
Salles RS, Souza ACZd, Ribeiro PF. Energy Storage for Peak Shaving in a Microgrid in the Context of Brazilian Time-of-Use Rate. Proceedings. 2020; 58(1):16. https://doi.org/10.3390/WEF-06913
Chicago/Turabian StyleSalles, Rafael S., A. C. Zambroni de Souza, and Paulo F. Ribeiro. 2020. "Energy Storage for Peak Shaving in a Microgrid in the Context of Brazilian Time-of-Use Rate" Proceedings 58, no. 1: 16. https://doi.org/10.3390/WEF-06913
APA StyleSalles, R. S., Souza, A. C. Z. d., & Ribeiro, P. F. (2020). Energy Storage for Peak Shaving in a Microgrid in the Context of Brazilian Time-of-Use Rate. Proceedings, 58(1), 16. https://doi.org/10.3390/WEF-06913
