Next Article in Journal
A Material–Structure Integrated Approach for Soft Rock Roadway Support: From Microscopic Modification to Macroscopic Stability
Previous Article in Journal
Coupling Bayesian Optimization with Generalized Linear Mixed Models for Managing Spatiotemporal Dynamics of Sediment PFAS
 
 
Due to scheduled maintenance work on our servers, there may be short service disruptions on this website between 11:00 and 12:00 CEST on March 28th.
Font Type:
Arial Georgia Verdana
Font Size:
Aa Aa Aa
Line Spacing:
Column Width:
Background:
Article

Sustainable Functionalization of Natural Fibers Using Biochar: Structural and Evaporation Studies

by
Juan José Quiroz Ramírez
1,*,
Reinier Abreu-Naranjo
2,
Oscar M. Rodriguez-Narvaez
3,
Sergio Alonso Romero
3 and
Alejandro Suarez Toriello
4
1
Dirección de Investigación Aplicada y Desarrollo, Secretaría de Ciencia, Humanidades, Tecnología e Innovación-Centro de Innovación Aplicada en Tecnologías Competitivas (SECIHTI-CIATEC), Calle Omega 201, León 37545, Guanajuato, Mexico
2
Campus Puyo, Universidad Estatal Amazónica, Vía Tena km 2 ½, Puyo 160150, Ecuador
3
Dirección de Investigación y Soluciones Tecnológicas, Centro de Innovación Aplicada en Tecnologías Competitivas (CIATEC), Calle Omega 201, León 37545, Guanajuato, Mexico
4
Departamento de Ingeniería de Procesos e Hidráulica, Secretaría de Ciencia, Humanidades, Tecnología e Innovación-Universidad Autónoma Metropolitana (SECIHTI-UAM), Av. FFCC R. Atlixco 186, Iztapalapa, Ciudad de México 09340, Mexico
*
Author to whom correspondence should be addressed.
Processes 2026, 14(3), 415; https://doi.org/10.3390/pr14030415
Submission received: 28 November 2025 / Revised: 20 January 2026 / Accepted: 21 January 2026 / Published: 24 January 2026
(This article belongs to the Special Issue Advances in Biochar and Biobased Carbonaceous Materials)

Abstract

The sustainable valorization of lignocellulosic biomass offers a promising route for developing low-cost photothermal materials for solar water purification. This study investigates natural fibers from Opuntia ficus-indica, Agave sisalana, and cellulose sponge, which were chemically purified through alkaline–peroxide pretreatment and subsequently functionalized with biochar via immersion and crosslinking-assisted deposition. Structural analyses (SEM, FTIR, XRD, CHNS/O) confirmed the transition from heterogeneous lignocellulosic matrices to cellulose-rich scaffolds and finally to hierarchical composites in which crystalline cellulose cores are coated with amorphous carbon structures containing aromatic domains typically formed during biomass carbonization. The NaOH/urea/citric acid crosslinking system significantly improved biochar adhesion, producing uniform and mechanically stable photothermal layers. Under 500 W m−2 illumination, the biochar-modified fibers exhibited rapid thermal response and enhanced surface heating, resulting in increased water evaporation rates, with cellulose sponge achieving the highest performance (1.12–1.25 kg m−2 h−1). Water-quality analysis of the condensate showed >97% TDS removal, complete rejection of hardness, fluoride, nitrates, arsenic, and barium, and turbidity <0.2 NTU, meeting NOM-127-SSA1-2021 standards. Overall, the findings demonstrate that biochar-functionalized natural fibers constitute a scalable, environmentally benign strategy for efficient solar-driven purification, supporting their potential for sustainable clean-water technologies in resource-limited settings.

1. Introduction

Fresh water is one of the most essential resources for sustaining human life and economic development. However, less than 3% of the total water available on Earth is fresh water, and nearly 70% of that is trapped in glaciers, permanent snow, or deep aquifers, making it unavailable for direct use [1]. The small fraction of accessible fresh water is unevenly distributed globally and has been increasingly threatened by rapid population growth, industrial expansion, agricultural intensification, and climate change [2,3,4]. As a consequence, the growing scarcity of clean water has triggered serious ecological, social, and geopolitical challenges in many regions. These conditions highlight the urgent need for water purification technologies that are not only effective but also low-cost, scalable, and compatible with resource-limited environments [5].
The sun provides abundant, renewable energy to Earth every day [6]. Owing to its sustainability and environmental compatibility, solar steam generation has emerged as a promising technique for water purification, seawater desalination, and sterilization [7,8,9]. Compared with conventional solar evaporation systems that rely on bulk heating, solar-driven interfacial evaporation has recently attracted increasing interest due to its ability to confine heat at the air–water interface, significantly reducing energy losses to the bulk liquid [10,11,12]. A typical two-dimensional (2D) interfacial steam generator consists of three functional components: (a) a photothermal absorber with strong broadband light absorption, (b) a thermal management layer with low thermal conductivity, and (c) a porous hydrophilic substrate to deliver continuous water transport to the evaporation surface [13,14,15]. With this configuration, state-of-the-art 2D interfacial evaporators have achieved photothermal conversion efficiencies of 80–95% under one sun illumination (AM 1.5 G, 1000 W m−2) [16,17,18]. However, conventional and emerging interfacial evaporation systems still face limitations related to scalability, material cost, and environmental compatibility, which hinder their practical deployment [19].
These limitations have motivated growing interest in environmentally benign, biomass-derived photothermal materials capable of combining efficient light absorption with sustainable and scalable fabrication. Many existing photothermal materials are based on plasmonic metals, graphene, graphene oxide, or semiconductor nanomaterials, which are costly and often unsuitable for large-scale production [20,21,22]. In contrast, biochar, a carbon-rich material produced by the pyrolysis of biomass under limited oxygen conditions, is naturally abundant, low-cost, and environmentally friendly [23]. Due to its tunable porosity, high light absorption, and stable physicochemical properties, biochar has been widely investigated in catalysis, carbon sequestration, energy storage, and environmental remediation [24,25,26]. Recent studies have explored biochar-based functional materials derived from agricultural residues such as rice husk, coconut shell, bamboo, and wood, demonstrating their potential as low-cost light-absorbing materials for solar steam generation [27,28,29]. Biochar-based photothermal coatings are moreover commonly reported to display broadband optical absorption across the UV–Vis–NIR region owing to their carbonized aromatic structures; this behaviour has been consistently observed in lignocellulosic biochars under solar illumination and is compatible with the photothermal response obtained in this work [30,31]. In addition, biochar production contributes to carbon cycle regulation by converting atmospheric CO2 into stable carbon, thus mitigating greenhouse gas emissions [23,26]. Importantly, biochar performance in functional applications is strongly governed by surface area, pore-size distribution, and pore connectivity, which can be engineered through processing and activation routes [27,28]. Recent reviews specifically highlight biochar and other biomass-derived carbons as scalable photothermal absorbers for interfacial evaporation technologies [16].
Natural fibers such as sisal, cactus fibers, and cellulose are abundant lignocellulosic materials with hierarchical porous structures and excellent water transport properties [32,33]. These renewable substrates are lightweight, biodegradable, and widely available as agricultural byproducts. Owing to their intrinsic hydrophilicity and capillary-driven wicking ability, natural fibers have been widely explored as water-delivery scaffolds in interfacial solar evaporation systems [34]. However, pristine fibers exhibit limited light absorption and poor photothermal conversion efficiency, which restricts their direct application. To overcome this limitation, several studies have demonstrated that coupling lignocellulosic scaffolds with carbon-based photothermal coatings—such as biochar, carbon black, or biomass-derived carbons—effectively integrates broadband light absorption with capillary-driven water transport, significantly enhancing interfacial evaporation performance [17,19,34,35]. In these systems, the porous fiber network ensures continuous water supply, while the carbonaceous phase serves as the photothermal conversion layer, highlighting the importance of substrate architecture, surface chemistry, and coating adhesion.
Despite recent advances in biochar-based photothermal materials and biomass-derived evaporators, most reported systems rely on powders, rigid carbon foams, or high-temperature processing routes that limit scalability and sustainability. In particular, the combined effects of chemical purification of natural fibers and controlled biochar functionalization on structural order, interfacial adhesion, and evaporation performance remain insufficiently explored. Moreover, reviews on biomass-based photothermal systems point out that scalable fabrication requires robust coating–substrate adhesion and stable interfacial wetting to sustain high evaporation rates under practical conditions [16,19].
The scientific novelty of this work lies in establishing an integrated, fully biomass-derived design principle that couples cellulose purification with chemically reinforced biochar–fiber interfacial anchoring and comparative performance evaluation, enabling scalable and low-temperature interfacial solar evaporation.
In this work, we propose a sustainable and scalable strategy to functionalize cellulose-rich natural fibers—Opuntia ficus-indica, Agave sisalana, and cellulose sponge—using biochar derived from lignocellulosic biomass through a low-temperature chemical pretreatment and NaOH/urea/citric-acid-assisted deposition route. Unlike previous studies, this approach integrates cellulose purification, enhanced biochar adhesion, and comparative photothermal and evaporation performance analysis under controlled irradiance, together with comprehensive water-quality validation.
The objective of this study is to determine how chemical pretreatment and biochar deposition alter the structural, optical, and interfacial properties of natural fibers to improve light absorption, heat localization, and solar-driven water evaporation efficiency, thereby advancing low-cost and environmentally compatible materials for scalable solar water purification technologies.

2. Materials and Methods

2.1. Materials and Reagents

Natural lignocellulosic substrates were used as structural and water-wicking components in the solar evaporators. These included Opuntia ficus-indica (nopal trunk), Agave sisalana (sisal fiber), cellulose sponge, cotton, jute, and wood. The natural fibers (Opuntia ficus-indica and Agave sisalana) were locally sourced from León, Guanajuato, Mexico. Commercial cellulose sponge was obtained from a local supplier in León, Guanajuato, Mexico. Among them, cellulose sponge and sisal fiber were selected as the primary substrates for biochar coating and impregnation due to their high porosity, hydrophilicity, and mechanical robustness—characteristics that facilitate rapid capillary water transport and strong interfacial interaction with photothermal coatings [32,33]. The cellulose sponge, in particular, provides an interconnected, three-dimensional macroporous network, while sisal fibers offer longitudinal microchannels and a high aspect ratio, both of which are favorable for directional water flow. These structural features have been widely recognized as advantageous in biomass-based evaporators designed for interfacial solar steam generation [34].
Biochar was used as the main photothermal agent owing to its broadband solar absorption, tunable aromaticity, and environmentally benign nature, consistent with previous work highlighting biochar’s potential in low-cost solar evaporation systems [22,27]. Baseline physicochemical properties of the biochar material, including moisture content, ash content, surface area, pore characteristics, pH, and fixed carbon, were obtained from the manufacturer’s technical datasheet, whereas all subsequent structural, morphological, photothermal, and evaporation analyses were conducted by the authors.

2.2. Biochar Characterization

The coconut-shell biochar (BioCar™, Carbotecnia S.A. de C.V., Guadalajara, Jalisco, Mexico) employed as photothermal precursor was characterized in terms of particle size, surface chemistry, morphology, and specific surface area, as summarized in Table 1 [35]. Prior to use, the biochar was oven-dried to remove residual moisture and dispersed during the impregnation and coating procedures. These parameters provide direct evidence of its biomass-derived carbonaceous nature and determine its optical and interfacial performance [22,24,36].
Values correspond to reference physicochemical properties of the biochar used in this work. Supplier datasheet values are reported as specification limits.
The values reported in Table 1 correspond to reference physicochemical properties of the biochar used in this study, compiled with reference to the supplier technical datasheet (BioCar, Carbotecnia S.A. de C.V., Guadalajara, Jalisco, Mexico) [36]. The manufacturer specifications are provided as allowable limits and are included to contextualize the material characteristics relevant to photothermal performance.
The biochar shows a high fixed carbon content (~80 wt%), alkaline pH (8–9) and low ash/volatile fractions (≤4 wt% and ≤18 wt%, respectively), features that indicate moderate carbonization typical of lignocellulosic precursors [22,24,36,37,38]. FTIR analysis indicated aromatic carbon functionalities that are commonly associated with partially graphitized domains in lignocellulosic biochars, whereas SEM confirmed granular morphology with interconnected porous domains. The specific surface area (~80 m2 g−1), although moderate, lies within the range reported for agricultural biochars and facilitates broadband absorption through micro/mesoporous scattering.
The overall physicochemical profile—aromatic structure, biomass-derived elemental signature, alkaline functionalities and micro/mesoporosity—supports the identification of this material as a mid-temperature lignocellulosic biochar suitable for broadband photothermal absorption and interfacial evaporation. In particular, typical coconut-based biochars prepared at intermediate carbonization temperatures (450–600 °C) exhibit 75–85 wt% carbon, consistent with the BioCar™ composition, and have demonstrated comparable photothermal performance in interfacial evaporation systems [17].

2.3. Sample Preparation and Conditioning

The absorbent substrates were first cut to pieces of 4 × 2 cm and subsequently trimmed to 2 × 2 cm for the solar evaporation experiments in order to maintain a well-defined projected area. The thickness was approximately 10 mm for cellulose sponge and slightly lower for fibrous substrates such as sisal and Opuntia ficus-indica (nopal trunk), reflecting their native morphology. For elemental analysis, wood, nopal trunk, and biochar samples were finely ground in a drum mill and an agate mortar, while small portions of cotton, jute, sponge and sisal fibers were collected for measurement. Prior to the coating procedures, the materials were washed in deionized water (30 min) or boiled (~98 °C for 5 min), ethanol-rinsed (30 min), and oven-dried at 100 °C for 24 h to remove residual impurities and moisture [14,17,18,27].
For the coated substrates, the mass per unit area was determined by normalizing the dry mass to the projected surface, yielding values of approximately 8–12 mg·cm−2, which are typical loadings for thin carbonaceous finishing layers. The porosity (ε) was estimated from bulk density (ρ_b) using a theoretical lignocellulosic density of 1.50 g·cm−3, resulting in ≈90–95% for the cellulose sponge and ≈60–75% for sisal fibers, consistent with the highly porous and wicking nature reported for these biomass-derived supports [22,24,27,28]. Comparable porosity is expected for Opuntia ficus-indica due to its intrinsic vascular structure and high void fraction. These structural features are essential to sustain capillary transport and a stable photothermal interface during solar evaporation measurements.

2.4. Chemical Pretreatment for Lignin and Hemicellulose Extraction

A chemical pretreatment was applied to all lignocellulosic substrates—except the commercial cellulose sponge—to selectively remove lignin and hemicellulose, yielding cellulose-enriched fibers with higher surface accessibility and improved interaction with biochar during functionalization. Alkaline extraction using NaOH/Na2SO3 is a widely employed delignification strategy, as strong alkali disrupts ester and ether linkages within lignin and hemicellulose, facilitating their solubilization [33,37,38]. In this work, the pretreatment began with a Soxhlet-based alkaline extraction step using a mixed solution of sodium hydroxide (2.5 M) and sodium sulfite (0.4 M). Dried samples were placed in cellulose extraction thimbles, lightly covered with cotton to prevent particle loss, and immersed in approximately 160 mL of the alkaline mixture. The Soxhlet apparatus was assembled and heated to boiling (~90 °C) to allow continuous solvent reflux for 12 h. This prolonged exposure under controlled conditions effectively promoted cleavage of lignin–carbohydrate complexes and removal of amorphous polysaccharides, consistent with previous reports on alkaline delignification of lignocellulosic biomass [33,37,38].
Following alkaline treatment, the samples were thoroughly washed with deionized water until the rinse water became colorless, confirming the removal of solubilized lignin fragments and hemicellulosic sugars. The fibers were subsequently subjected to an oxidative bleaching step using hydrogen peroxide. Hydrogen peroxide (1.5 M), heated to ~85 °C for 1.5 h, promotes oxidative cleavage of chromophoric groups and residual phenolic structures, yielding a lighter and more purified cellulose matrix [31,33]. This bleaching stage is essential in removing residual aromatic moieties that are not fully solubilized by alkaline extraction and is widely applied in cellulose purification protocols for biocomposites and nanocellulose production [33,37,38].
After bleaching, the samples were either dried in a convection oven at 60 °C for 24 h or freeze-dried at −40 °C for 24 h, depending on the structural integrity requirements for subsequent functionalization. Both drying methods ensured complete moisture removal and preservation of the microstructure. Overall, the combined alkaline–peroxide treatment effectively removed non-cellulosic components and generated cellulose-rich fibers with enhanced porosity, cleanliness, and surface reactivity. These chemical transformations are consistent with the increase in crystallinity and the disappearance of lignin- and hemicellulose-associated bands observed in FTIR and XRD analyses, in agreement with the established behavior of chemically delignified lignocellulosic substrates [33,37,38].

2.5. Photothermal Coating and Functionalization with Biochar

Liquid Deposition Method. Biochar suspensions were prepared at concentrations ranging from 15 to 40 g L−1 in deionized water and ultrasonicated (70% amplitude, 50% duty cycle) for 30 min to ensure homogeneity. Samples (cellulose sponge, sisal fiber, and nopal trunk) were immersed in the suspensions and further subjected to ultrasonication for 2 h to promote uniform impregnation.
The impregnation was tested at ambient temperature (~30 °C) and at 50 °C, with the higher temperature resulting in greater biochar retention [14,17,18,27]. Initially, samples were washed to remove excess non-adhered particles; however, this step was later omitted as it reduced the biochar content on the surface.
An enhanced crosslinking coating strategy based on a NaOH/urea/citric acid system was developed to improve biochar adhesion and retention on the substrate. A solution containing 7 wt% NaOH, 12 wt% urea, and 81 wt% deionized water was prepared, frozen at −20 °C, thawed to room temperature, and stirred for 30 min. Citric acid (20 wt%) was then added dropwise as a crosslinking agent. The required amount of biochar was incorporated, and the samples were immersed and sonicated for 2 h to complete the coating process [17,18,26,27,28]. The liquid deposition method provides a baseline impregnation of biochar within the porous substrates, primarily governed by physical adsorption and capillary infiltration. In contrast, the NaOH/urea/citric-acid-assisted route introduces chemical crosslinking and interfacial bridging effects that enhance particle retention and coating durability under wet operating conditions. The combined use of both approaches enables a direct comparison between physical impregnation and chemically reinforced biochar anchoring mechanisms, which is essential for elucidating the role of interfacial stability in solar-driven evaporation performance.

2.6. Material Characterization

Chemical and Structural Characterization. Elemental composition (C, H, N, and S) was determined by combustion-based CHNS elemental analysis using a Flash 2000 Series elemental analyzer (Thermo Fisher Scientific, Milan, Italy). Approximately 2–3 mg of dried and finely ground sample was sealed in tin capsules together with 10 mg of V2O5 as a combustion catalyst and analyzed under a pure oxygen atmosphere. The generated combustion gases were quantified using a thermal conductivity detector (TCD). Oxygen content was calculated by difference. The analysis was carried out following the procedures specified in ASTM D5373 for the determination of carbon, hydrogen, and nitrogen in carbonaceous materials [39]. All measurements were performed in triplicate, and the reported values correspond to average compositions.
Fourier-transform infrared (FTIR) spectroscopy was employed to identify surface functional groups and chemical bonding environments in pristine and functionalized biochar as well as in lignocellulosic substrates. FTIR spectra were recorded using a Nicolet iS10 spectrometer (Thermo Fisher Scientific, Madison, WI, USA) equipped with a diamond attenuated total reflectance (ATR) accessory. Spectra were collected over the range 400–4000 cm−1 with a spectral resolution of 6 cm−1, averaging 100 scans per sample to improve signal-to-noise ratio. A fresh background spectrum was acquired prior to each measurement.
X-Ray diffraction (XRD) analysis was performed to assess the crystalline structure and crystallinity evolution of the lignocellulosic substrates before and after chemical pretreatment and biochar functionalization. Diffraction patterns were obtained using an X-Ray diffractometer (Rigaku MiniFlex 600, Rigaku Corp., Tokyo, Japan) equipped with Cu Kα radiation (λ = 1.5406 Å), operating at 40 kV and 30 mA. Data were collected in the 2θ range of 5–40° with a step size of 0.02° and a scanning rate of 2° min−1. The crystallinity index (CI) of cellulose-based substrates was estimated using the Segal method [40], which remains widely applied for comparative evaluation of cellulose crystallinity.
Surface morphology, pore structure, and biochar coating distribution were examined by scanning electron microscopy (SEM) using a field-emission scanning electron microscope (JEOL JSM-7600F, JEOL Ltd., Tokyo, Japan). Prior to SEM observation, samples were sputter-coated with a thin gold layer (~5 nm) using a sputter coater (Quorum Q150R ES, Quorum Technologies, Lewes, UK) to ensure surface conductivity. SEM images were acquired at accelerating voltages between 5 and 15 kV. Considering the micrometer-scale thickness of the biochar coatings studied, SEM was selected as an appropriate technique to directly correlate morphological features with photothermal response and evaporation performance. Given the micrometer-scale nature of the biochar coatings investigated in this work, bulk and mesoscale characterization techniques were prioritized to directly relate structural and compositional features to photothermal evaporation performance.

2.7. Evaluation of Solar-Driven Water Evaporation Performance

Solar evaporation experiments were carried out by vertically positioning the biochar-coated substrates (cellulose sponge, sisal fiber, and Opuntia ficus-indica trunk) in glass beakers placed on an analytical balance, with their lower portion partially immersed in tap water to ensure continuous capillary supply. Illumination was provided using a commercial solar simulator (Hönle SOL-500, Hoenle AG, Gilching, Germany), and the irradiance at the sample plane was calibrated prior to each measurement using a calibrated pyranometer (DS05 Daystar-1331, DayStar Inc., Newington, NH, USA) positioned at the same height and geometry as the sample surface, confirming a net irradiance of 500 ± 10 W m−2. The measurements were conducted indoors under stable laboratory conditions (22 ± 2 °C; 45 ± 5% RH) without forced convection, ensuring a consistent ambient environment among specimens. Mass loss was continuously recorded for 3 h. Each evaporation experiment was repeated three times using independent specimens. Evaporation rates were obtained from the gravimetric data and expressed in kg m−2 h−1, calculated using the projected illuminated area (2 × 2 cm) and not the total wetted or wicking area, whereas the surface temperature of the photothermal interface was monitored by infrared thermography to assess the light-to-heat conversion efficiency [10,11,12,41].
Water quality evaluation was performed by comparing untreated tap water with the condensed fraction collected after solar evaporation. All samples were analyzed in accordance with NOM-127-SSA1-2021 [42], including pH, turbidity, total hardness, fluoride, nitrate, total dissolved solids, arsenic, barium and trihalomethanes, and compared with permissible regulatory limits. A schematic overview of the complete experimental workflow, encompassing substrate preparation, chemical pretreatment, biochar functionalization, and solar evaporation evaluation, is presented in Figure 1.

3. Results and Discussion

The combined chemical pretreatment and biochar-based functionalization markedly modified the elemental composition, porosity, surface chemistry, and overall morphology of the lignocellulosic substrates, and these transformations are clearly reflected in their improved impregnation behavior and carbon enrichment. These results are discussed herein to establish a structure–property–performance relationship across different biomass-derived substrates. A visual comparison of the materials before and after functionalization (Figure 2) reveals substantial morphological changes. The untreated substrates—nopal fiber, cellulose sponge, sisal fiber, and jute fiber—exhibit the characteristic macroporous and fibrillar architectures typical of lignocellulosic biomass, where cellulose microfibrils are embedded within a heterogeneous matrix of hemicellulose and lignin. After functionalization, all samples exhibit pronounced darkening and a rough, carbon-rich surface, confirming the deposition of biochar particles. Similar morphological transitions have been reported for biochar-coated biomass-based evaporators, where increased surface roughness and optical density enhance light absorption and accelerate photothermal conversion [14,16,17,18,19,27,28].
The effect of impregnation temperature and biochar concentration on carbon loading is shown in Figure 3. All materials displayed increased impregnation capacity as the concentration of the biochar suspension rose from 10 to 40 g L−1. More importantly, samples treated at 50 °C consistently achieved higher loading levels than those processed at 30 °C. This temperature dependence arises from the combined effects of reduced suspension viscosity and enhanced biochar particle mobility at elevated temperature, which promote deeper penetration into hierarchical pore networks [14,17,18,26,27,28].
As shown in Figure 3, the increase in impregnation loading is particularly pronounced for the cellulose sponge substrate when the temperature is raised from 30 °C to 50 °C. The cellulose sponge (CS-BC) exhibited the highest impregnation loading, reaching approximately 1.6 mg cm−2 at 30 g L−1 and 50 °C, a behavior consistent with its large internal surface area and open macroporous structure. Similar observations have been reported for wood-based and 3D porous cellulose evaporators, where enhanced porosity strongly correlates with superior carbon uptake [17,18].
The impregnation behavior of biochar within the cellulose-rich substrates is strongly influenced by both processing temperature and the intrinsic pore architecture of the support materials. As shown in Figure 3, all substrates exhibit increased biochar uptake as the suspension temperature is raised from 30 °C to 50 °C, particularly at intermediate biochar concentrations (20–30 g L−1). This temperature dependence is well documented in impregnation and coating processes involving porous lignocellulosic matrices, where elevated temperature reduces suspension viscosity and enhances carbon particle mobility, thereby facilitating deeper penetration into hierarchical pore networks and improving interfacial contact between the carbon particles and the fiber surface.
Among the investigated substrates, the cellulose sponge (CS-BC) consistently exhibited the highest impregnation loading. This behavior can be attributed to its highly open, three-dimensional macroporous architecture, which provides a large internal surface area and interconnected channels that promote capillary-driven transport and particle retention. Previous studies on biomass-derived carbon materials have shown that pore architecture, connectivity, and accessible surface area play a decisive role in mass transport, adsorption, and functionalization efficiency [27,28]. In contrast, fibrous substrates such as sisal and Opuntia ficus-indica possess predominantly longitudinal microchannels and more compact cell-wall structures, which limit transversal particle diffusion and reduce overall impregnation capacity. These architectural differences directly explain the significantly higher biochar loading observed for CS-BC at 50 °C compared to 30 °C and confirm that the temperature dependence originates from intrinsic transport and structural effects rather than experimental variability.

3.1. Elemental Composition (CHNS/O Analysis)

Elemental analysis (Table 2) confirms the chemical transformations occurring at each processing stage. The untreated substrates contained 43–44 wt% carbon and 5.8–6.2 wt% hydrogen, values consistent with typical lignocellulosic biomass containing cellulose, hemicellulose, and lignin [36,37,38,41,43,44]. Following the alkaline–peroxide pretreatment, the carbon content decreased to 38–41 wt%, reflecting the partial removal of lignin and hemicellulose, which possess higher aromatic and oxygenated carbon fractions. This delignification and oxidative bleaching step is well known to generate a more cellulose-dominated matrix by selectively dissolving phenolic lignin and hemicellulosic sugars [37,38,41,43,44,45].
Biochar functionalization produced the most significant compositional changes. As summarized in Table 2, carbon contents increased markedly to 62–68 wt% across all substrates, accompanied by a decrease in hydrogen and oxygen fractions. This compositional evolution results in lower H/C and O/C ratios, indicative of increased aromaticity and condensed carbon structures characteristic of lignocellulosic biochars and directly associated with enhanced broadband light absorption and improved photothermal conversion efficiency [27,28].
Samples functionalized using the NaOH/urea/citric acid system showed a modest but consistent increase in nitrogen content (0.8–1.2 wt%), likely due to the incorporation of urea-derived nitrogenous functionalities. Nitrogen doping has been reported to influence surface polarity, hydrophilicity, and electronic structure in carbon materials, thereby improving performance at water–carbon interfaces in solar evaporators [22,24,27,28,35,36,37,38,43,46].
The progressive carbon enrichment and concurrent nitrogen incorporation establish the chemical foundation for the enhanced photothermal and evaporation performance observed in subsequent sections. Carbon contents of 65–67 wt% are consistent with medium-temperature biochars, in which dehydration and decarboxylation reactions during biomass carbonization reduce hydrogen- and oxygen-containing functional groups and promote the formation of condensed aromatic domains [22,24,37,38,43,46]. The reduced H/C ratios further indicate the development of more thermally stable and graphitic carbon structures favorable for photothermal applications.
Overall, the combined alkaline–peroxide pretreatment and biochar functionalization produced a systematic transformation of the lignocellulosic substrates, yielding materials with significantly higher carbon content, increased aromaticity, and enhanced chemical functionality. These compositional modifications generate carbon-rich and optically absorbent surfaces capable of more efficient light-to-heat conversion and improved water–carbon interfacial interactions, directly supporting the superior photothermal behavior observed in the modified substrates.

3.2. FTIR Spectroscopy

Fourier-transform infrared spectroscopy provided insight into the chemical characteristics of the chemically treated and biochar-functionalized natural fibers, as shown in Figure 4. The FTIR spectra exhibit vibrational features typically associated with cellulose-rich lignocellulosic materials and carbonaceous phases. The broad O–H stretching band centered near 3350 cm−1 reflects extensive hydrogen bonding, while the C–H stretching near 2890 cm−1 corresponds to aliphatic groups associated with polysaccharide backbones. In the mid-infrared region, absorptions in the 1000–1200 cm−1 range are attributed to C–O–C skeletal vibrations of cellulose, and bands near 895–900 cm−1 correspond to β-1,4-glycosidic linkages, consistent with cellulose-dominated structures reported in the literature [33,37,38,45,47].
Biochar functionalization resulted in spectral features characteristic of carbon-rich and partially aromatized domains. All coated samples exhibit broadened absorptions across the 1000–1800 cm−1 region, characteristic of disordered sp2/sp3 hybridized carbon networks, including aromatic C=C stretching, C–O–C contributions, and defect-related vibrational modes. The intensified bands observed near 1435–1450 cm−1 and 1230–1240 cm−1 are associated with condensed aromatic structures typical of pyrolyzed carbon frameworks [22,23,24,38,43]. The pronounced absorption around 1020 cm−1 in the cellulose-sponge composite further suggests interfacial coupling between biochar particles and residual polysaccharide ether linkages.
Fibers treated using the NaOH/urea/citric-acid formulation display additional absorptions near 1640–1660 cm−1, attributed to amide-type C=O stretching or urea-derived carbonyl functionalities. These nitrogen-related spectral features are consistent with the elemental analysis results, which indicate an increase in nitrogen content after functionalization, in agreement with reports on urea-assisted nitrogen incorporation in carbon materials [26,27,28].
Overall, the FTIR spectra indicate a progressive transformation toward cellulose-dominated scaffolds coated with aromatic carbon structures. In this work, FTIR spectroscopy is used to identify functional groups present after chemical treatment and biochar functionalization, rather than to provide a direct before–after comparison with untreated samples. The spectral interpretation is therefore considered in conjunction with CHNS/O, XRD, and SEM analyses, which together provide convergent evidence of successful biochar functionalization and structural evolution.

3.3. XRD Analysis

Figure 5 shows X-Ray diffraction (XRD) diffractograms of cellulose-based fibers after chemical pretreatment and biochar functionalization (CS-BC, SF-BC, NF-BC, JF-BC). The diffraction patterns exhibit the characteristic cellulose Iβ reflections at approximately 2θ ≈ 14.8–16° (110/110), 20–22.6° (110/200), and around 26° (020), confirming that the semicrystalline cellulose framework remains preserved in the treated and biochar-functionalized samples. The crystallinity index (CrI), calculated from XRD patterns, is commonly used to quantify the relative degree of crystalline order in cellulose-based materials. In this study, CrI values are used as a relative indicator of the structural order of the cellulose scaffold present in the treated and biochar-functionalized samples, rather than as a direct measure of changes relative to untreated fibers. CrI values were estimated using the Segal method, based on the intensity difference between the (200) crystalline reflection and the amorphous background at ~18°, and are therefore used as a relative rather than absolute measure of cellulose structural order [40,48].
It is important to note that CrI reflects the structural order of the cellulose scaffold rather than the crystallinity of the biochar, which remains predominantly amorphous. Following biochar functionalization, a moderate decrease in apparent CrI (to approximately 55–58%) is observed.
This attenuation arises from the deposition of amorphous carbon on the fiber surface, which contributes a broad, diffuse scattering background and partially masks cellulose diffraction peaks without altering their positions or the underlying cellulose Iβ lattice. The coexistence of well-preserved cellulose Iβ reflections with an amorphous carbon halo indicates the formation of a hierarchical hybrid structure, in which crystalline cellulose microfibrils serve as the structural core while the externally deposited carbon layer enhances broadband light absorption. Variations in CrI in this work are therefore used to assess the structural integrity and ordering of the cellulose framework rather than to characterize the structure of the biochar phase itself. Such behavior is consistent with previous reports on chemically purified cellulose and biomass-derived carbon composites [27,28,29,40,48].
This structural interpretation is consistent with the compositional changes identified by CHNS/O analysis and supports the improved photothermal response observed in the biochar-functionalized fibers, demonstrating a coherent structure–function relationship driven by cellulose framework preservation and amorphous carbon deposition.

3.4. Morphological Analysis (SEM)

Scanning electron microscopy (SEM) revealed clear and progressive morphological transformations in the cellulose sponge and nopal fibers during the sequential processing stages. In their untreated or bleached state (Figure 6a,c and Figure 7a,c,e), both materials exhibited clean, open porosity and well-defined fibrillar or vascular wall structures. The bleached cellulose sponge retained its reticulated, interconnected pore network with smooth channel walls and minimal structural obstruction, while the bleached nopal fibers showed ordered parenchymatous domains, intact lumen walls, and clearly resolved vascular channels. These clean architectures are consistent with the removal of hemicellulose, lignin residues, waxes, and growth-derived impurities, as evidenced by the disappearance of lignin-associated aromatic signals in the FTIR and by XRD peak sharpening associated with increased crystallinity after alkaline–peroxide pretreatment. Similar purification effects have been reported in previous studies on delignified lignocellulosic biomaterials, where pretreatment selectively disrupts amorphous domains and exposes the underlying cellulose microfibrils, thereby improving surface accessibility and structural uniformity [33,36,37,45,47]. SEM analysis was employed as a qualitative technique to elucidate the morphological evolution of the natural fibers following chemical pretreatment and biochar functionalization. As shown in Figure 6 and Figure 7, untreated fibers exhibit relatively smooth and compact surfaces, whereas functionalized samples display increased surface roughness, heterogeneous particle attachment, and partial pore-wall coverage by biochar, particularly in the cellulose sponge substrate. This comparative morphological analysis highlights the decisive role of substrate architecture in determining biochar coating distribution, interfacial anchoring, and subsequent photothermal efficiency.
It is important to note that the biochar coating does not form a continuous uniform film but rather a discontinuous and hierarchically distributed photothermal layer. Under these conditions, quantitative image-processing-based analysis would not provide reliable metrics and could lead to misleading interpretations. Therefore, SEM observations are interpreted in conjunction with elemental composition (CHNS/O), crystallographic analysis (XRD), and chemical characterization (FTIR), which together confirm successful biochar deposition and functionalization. These morphological features are consistent with the impregnation behavior and carbon loading trends discussed in Section 3.1 and directly contribute to the enhanced photothermal evaporation performance observed for the biochar-functionalized samples.
Following biochar functionalization, both cellulose sponge and nopal fibers underwent distinctive morphological changes (Figure 6b,d and Figure 7b,d,f). The treated cellulose sponge displayed roughened surfaces, partially coated pore walls, and heterogeneous clusters of carbon particles anchored along the fibrillar framework. In the nopal fibers, the biochar layer generated more dramatic modifications, with extensive carbon deposition covering the outer surfaces, partial lumen obstruction, and irregular aggregates distributed across vascular channels and microfibrillar ridges. These adhered particles ranged from submicron carbon fragments to larger aggregates of up to ~10–15 μm, forming a heterogeneous but continuous carbonaceous network. Such behavior correlates with the increased carbon content detected by CHNS/O analysis and agrees with the literature, which describes strong carbon–cellulose interactions facilitated by the abundance of hydroxyl groups exposed after delignification [33,35,37,46].
The adhesion strength and distribution uniformity of the carbon layer were further enhanced by the NaOH/urea/citric acid crosslinking system employed during functionalization. SEM images revealed compact biochar clusters embedded into microfibril grooves, an arrangement commonly associated with polymer-assisted interfacial bridging and improved coating durability. This morphological anchoring mechanism is consistent with previous reports describing carbon–cellulose interactions in biomass-derived photothermal materials, where hierarchical roughness and amorphous carbon coatings synergistically enhance surface light absorption and water transport [17,18,26,27,28].
These combined morphological features—greater fibril exposure, cleaned and interconnected porosity, and robust carbon anchoring—constitute the structural basis for enhanced photothermal behavior. The increased surface roughness improves light scattering and photon trapping, the hierarchical pore networks facilitate rapid capillary water transport toward the evaporation interface, and the carbon layer provides broadband optical absorption and localized heating. Thus, the observed SEM characteristics directly support the chemical and structural transitions established by FTIR, XRD, and CHNS/O, and they explain the improved evaporation performance measured in the functionalized fibers.

3.5. Photothermal Performance and Surface Temperature Response

The photothermal performance of the biochar-functionalized natural fibers was evaluated by monitoring their surface temperature response under simulated solar illumination (500 W m−2). As shown in Figure 8, untreated and chemically pretreated fibers exhibited only modest increases in surface temperature, reaching 34–38 °C within the first 15 min of irradiation. This limited thermal response is attributed to their low optical absorption and the reduced aromatic content following delignification, consistent with the diminished UV–visible absorbance characteristic of bleached lignocellulosic materials [15].
In stark contrast, the biochar-coated fibers demonstrated a significantly enhanced photothermal effect. The incorporation of carbonaceous particles onto cellulose fibers treated via NaOH/urea and citric-acid crosslinking resulted in significantly enhanced interfacial adhesion, consistent with the formation of ester linkages and reinforced hydrogen bonding reported in similar cellulose–citric acid systems [49,50,51,52]. The resulting composite shows markedly higher optical absorption and photothermal response. The biochar-functionalized cellulose sponge reached surface temperatures of 48–54 °C, while sisal and nopal fibers reached 46–52 °C, depending on coating density and carbon loading. Samples functionalized at 50 °C using 30 g L−1 biochar suspensions consistently obtained the highest temperature rise, indicating improved coating uniformity and stronger light–matter interaction, in agreement with previous reports on carbon-based photothermal materials [21,27].
Thermal imaging confirmed that biochar-functionalized substrates exhibited homogeneous temperature fields across their surfaces, demonstrating uniform deposition and effective heat localization. This uniformity is beneficial, as heterogeneous heating typically increases thermal losses and reduces the energy available for vapor generation [53]. The rapid thermal ramp-up observed in the biochar-coated fibers—reaching near-steady-state temperatures within minutes—highlights their suitability for real-world solar evaporators, where intermittent cloud cover demands rapid photothermal responsiveness. Similar rapid-heating behavior has been reported in lightweight carbon aerogels and biomass-derived solar steam generators [21].
The enhanced photothermal response of the biochar-functionalized fibers results from the synergy between their hierarchical porosity, improved light absorption, and efficient heat localization. These characteristics make them promising materials for solar-driven water evaporation applications. Importantly, the operating temperatures reached during solar-driven interfacial evaporation (<60 °C under 500 W m−2) are far below the onset temperatures of thermal degradation typically reported for lignocellulosic substrates and biochar-based materials. These observations demonstrate that the surface temperature increase achieved under solar illumination directly governs the amount of energy available for vapor generation at the air–water interface.

3.6. Evaporation Performance

The solar-driven evaporation performance of the biochar-functionalized substrates was markedly improved compared with untreated and chemically pretreated fibers. As shown in Figure 9, evaporation behavior was quantified by monitoring mass loss over a 3 h illumination period at a constant irradiance of 500 W m−2, enabling direct comparison of water transport efficiency, heat localization, and photothermal conversion across the different material configurations.
Chemically pretreated but uncoated fibers exhibited modest evaporation rates, consistent with their limited photothermal capability and reduced light absorption. Among these, untreated cellulose sponge delivered the highest values (0.42–0.55 kg m−2 h−1) owing to its interconnected three-dimensional pore structure, which promotes rapid capillary-driven water supply but lacks sufficient photothermal heating. Sisal and nopal fibers showed slightly lower evaporation rates (0.30–0.45 kg m−2 h−1), reflecting their predominantly longitudinal pore channels that restrict vertical water flow and reduce the accessible evaporative surface area.
Biochar functionalization significantly enhanced the evaporation performance of all substrates. The carbon-coated cellulose sponge achieved the highest evaporation rate, reaching 1.12–1.25 kg m−2 h−1. This enhancement results from the synergy between broadband solar absorption provided by the biochar layer, high porosity, and efficient wicking behavior. Biochar-coated sisal fibers also exhibited substantial improvements, with rates of 0.78–0.89 kg m−2 h−1, attributable to effective heat localization along the exposed microfibrils and improved surface roughness resulting from chemical pretreatment, as observed in SEM analyses. Nopal fiber biochar functionalized materials achieved intermediate evaporation rates (0.65–0.72 kg m−2 h−1), outperforming untreated material but remaining lower than those of cellulose sponge due to their less uniform macrostructure.
Samples functionalized using the NaOH/urea/citric acid crosslinking system consistently exhibited evaporation rates 12–18% higher than those coated via simple immersion. This enhancement aligns with the denser biochar deposition observed in SEM images, the improved surface temperature response (Figure 8), and the enhanced adhesion of carbon particles during repeated wetting cycles. Crosslinked coatings likely reduce interfacial thermal resistance while increasing micro- to nano-scale surface roughness, a mechanism previously reported to enhance evaporation efficiency in polymer–carbon hybrid photothermal materials [21,27,41]
A strong correlation was observed between surface temperature (Figure 8) and evaporation rate (Figure 9). The biochar-coated cellulose sponge reached the highest steady-state temperatures (≈54–55 °C) and consequently delivered the greatest evaporation rates, confirming the critical role of heat confinement at the air–water interface. Effective light absorption by the biochar layer and localized heating minimize conductive heat loss to the bulk water, thereby enhancing vapor generation efficiency [12,21,27,41].
Although a fully quantitative correlation between pore size distribution and evaporation performance was not established, the observed trends are consistent with capillary-driven water transport in hierarchical porous media. In lignocellulosic substrates, micro- and mesoporous domains enhance capillary pressure, while macropores facilitate continuous replenishment of the evaporating interface, in agreement with the superior wicking behavior of cellulose sponge relative to sisal and Opuntia ficus-indica [14,17,18,26,27,28].
To contextualize the evaporation performance, the biochar-functionalized fibers developed in this work were compared with representative biomass-based interfacial solar evaporators reported in the literature. Wood- and cellulose-derived evaporators typically exhibit evaporation rates of ~0.6–1.0 kg m−2 h−1 under one-sun illumination, whereas systems incorporating carbonized layers or biochar-based photothermal coatings commonly reach ~0.8–1.3 kg m−2 h−1 due to enhanced broadband absorption and improved heat localization [16,17,19].
Within this performance window, several high-efficiency systems have been reported. Li et al. [17] developed a mesoporous wood-based evaporator fabricated by partial high-temperature carbonization, achieving evaporation rates of ~1.3 kg m−2 h−1 under one sun, enabled by anisotropic water transport and localized heat confinement. Zhao et al. [15] reported hierarchically nanostructured polymer–gel evaporators reaching ~1.2–1.4 kg m−2 h−1, albeit requiring synthetic polymer networks and multistep fabrication processes. Similarly, Xie et al. [18] demonstrated a three-dimensional carbonized wood cone evaporator with evaporation rates of ~1.1 kg m−2 h−1, relying on carbonization temperatures exceeding 500 °C to achieve sufficient photothermal conversion.
Biochar-based evaporators employing carbon coatings on natural biomass substrates generally operate in a moderate but competitive range. Ibrahim et al. [16] summarized that biochar-derived interfacial evaporators typically achieve ~0.8–1.2 kg m−2 h−1, depending on substrate architecture and interfacial stability, while Jia et al. [29] reported biomass-supported carbon photothermal layers delivering ~0.9–1.1 kg m−2 h−1, emphasizing the importance of coating uniformity and capillary-driven water transport.
In this context, the biochar-functionalized lignocellulosic fibers presented here achieved evaporation rates of ≈0.9–1.25 kg m−2 h−1 under a reduced irradiance of 500 W m−2, placing their normalized performance within the upper range of reported biomass-derived systems. Unlike many previous approaches based on rigid carbonized monoliths, synthetic polymers, or energy-intensive processing routes, the present strategy combines low-temperature chemical pretreatment, flexible natural fiber substrates, and chemically reinforced biochar anchoring. This demonstrates that efficient interfacial solar evaporation can be achieved without compromising scalability or sustainability, while maintaining performance comparable to state-of-the-art biomass-based evaporators.
Overall, these results confirm that evaporation enhancement is governed not solely by photothermal material selection, but by the coupled design of substrate architecture, capillary-driven water transport, and interfacial coating stability. Although long-term durability under repeated wetting–drying cycles was not evaluated in this study, the improved coating adhesion achieved through NaOH/urea/citric-acid crosslinking suggests enhanced interfacial stability, which will be systematically investigated in future work.

3.7. Water Quality Assessment

The untreated tap water exhibited typical characteristics of municipal supply in semi-urban regions, with measurable concentrations of TDS, turbidity, total hardness, fluoride, nitrates, and trace metals such as arsenic and barium. These values frequently approached or exceeded guideline thresholds, a trend widely documented in regional water quality studies across Latin America [1,2,3,4]. The detailed physicochemical composition of the influent and the condensate obtained after solar evaporation is summarized in Table 3.
Following solar evaporation through biochar-functionalized substrates, all quantified parameters showed substantial improvement. Turbidity decreased from 1.8–2.5 NTU to <0.2 NTU, representing a reduction greater than 90% and demonstrating the effective removal of suspended solids during phase-change purification. Total hardness, associated with dissolved calcium and magnesium species, decreased from 110–150 mg L−1 to undetectable levels, confirming complete rejection of non-volatile ions. TDS diminished sharply from 350–480 mg L−1 to <10 mg L−1, consistent with the nearly complete exclusion of ionic species during vapor condensation. Fluoride and nitrate concentrations were reduced below detectable limits, demonstrating the system’s effectiveness in eliminating dissolved salts and oxyanions. Particularly significant was the complete removal of trace toxic contaminants such as arsenic and barium, which were entirely absent in the distillate—aligning with established principles of solar steam purification, where non-volatile inorganic species do not co-evaporate under atmospheric pressure [12,28,41,49].
The pH of the purified water remained within 6.7–7.1, confirming that the biochar-functionalized materials introduced no acidic or alkaline residues. This observation is consistent with the chemical inertness demonstrated by the crosslinked coatings during operation, as well as the absence of carbonaceous leachates. The system thus produces chemically stable, high-purity condensate without secondary contamination.
A sustainability perspective is also relevant considering that the alkaline–peroxide pretreatment and the citric-acid crosslinking introduce a non-negligible chemical footprint. In practical terms, the reaction media are used in moderate concentrations, NaOH solutions can be partially neutralized and recycled, and citric acid is a biodegradable crosslinker frequently adopted in green processing of lignocellulosic materials. Moreover, the conversion of agricultural residues at relatively low temperature contributes to carbon retention compared with direct combustion. Although a full life-cycle assessment lies beyond the scope of this work, future studies could quantify the environmental trade-offs between chemical input, carbon sequestration potential and long-term scalability [22].
From a techno-economic perspective, the commercial biochar used in this work has a market cost of approximately 2–5 USD kg−1, which corresponds to ≈0.08–0.20 USD per functionalized m2 for the deposition amounts employed here. The wet-chemical pretreatment and citric-acid crosslinking operate at ≤100 °C and therefore introduce substantially lower embodied energy compared with the production of high-temperature activated carbons (typically >700–900 °C), a trend also emphasized in recent assessments of biomass-derived carbon materials for environmental and energy applications [16,24,25]. Although a full techno-economic and carbon-footprint assessment lies beyond the scope of this work, future analyses should quantify embodied energy and greenhouse-gas intensity for large-scale deployment.
Overall, the results highlight the dual functional advantage of the biochar–fiber composites: in addition to enhancing solar evaporation rates through efficient photothermal conversion, they produce distilled water that consistently meets or exceeds national and international drinking-water standards. Their purification effectiveness aligns with advanced interfacial solar steam generators reported in recent literature, which similarly achieve near-complete removal of salts, heavy metals, and suspended solids [12,28,41,49]. The high removal efficiency, combined with low fabrication cost and environmental compatibility, positions these materials as promising candidates for decentralized solar-driven water purification technologies.

4. Conclusions

This work introduces a scalable design principle for biomass-based interfacial solar evaporators based on the synergistic integration of cellulose purification and chemically anchored biochar coatings. By implementing this design strategy, biochar-functionalized substrates exhibited rapid photothermal response and significantly enhanced evaporation performance, achieving rates of up to 1.25 kg m−2 h−1 under 500 W m−2 illumination while producing high-quality condensate that meets drinking-water standards. Subsequent biochar functionalization produced a hierarchical hybrid architecture—crystalline cellulose scaffolds wrapped by an amorphous carbon shell—confirmed by XRD persistence of cellulose peaks with mild intensity attenuation and by SEM observation of strongly adhered carbon aggregates along pore walls and microfibril grooves. The NaOH/urea/citric acid strategy further improved coating cohesion and interfacial anchoring.
The structural synergy translated directly into performance gains. Under 500 W m−2 illumination, biochar-coated substrates exhibited rapid thermal ramp-up and stable surface heating, reaching ~48–54 °C compared with ~34–38 °C for uncoated fibers, which is consistent with the enhanced optical absorption provided by aromatic carbon domains typically formed during biomass carbonization [22,24,27,43]. These thermal improvements drove substantial evaporation enhancement: CS-BC achieved the highest rates (1.12–1.25 kg m−2 h−1), followed by SF-BC (0.78–0.89 kg m−2 h−1) and NF-BC (0.65–0.72 kg m−2 h−1), all markedly above untreated/pretreated baselines. Crosslinked coatings delivered an additional 12–18% rate increase, indicating that coating uniformity and interfacial thermal resistance are critical levers for optimization. Importantly, the system provided high-quality condensate that consistently met NOM-127-SSA1-2021 limits, with >90% turbidity removal, >97% TDS reduction, complete hardness rejection, and non-detectable arsenic and barium, mirroring the strong ion-rejection behavior expected in phase-change interfacial distillation [12,28,41,49].
Biochar-functionalized natural fibers emerge as a scalable, low-cost, and environmentally compatible platform for solar-driven water purification. By valorizing agricultural biomass into both a photothermal absorber (biochar) and a wicking scaffold (cellulose-rich fibers), this work advances circular-economy material design while achieving evaporation performance comparable to that of state-of-the-art biomass/carbon evaporators.

Author Contributions

Conceptualization, J.J.Q.R.; methodology, J.J.Q.R. and R.A.-N.; formal analysis, J.J.Q.R. and O.M.R.-N.; investigation, J.J.Q.R., R.A.-N. and S.A.R.; resources, S.A.R. and A.S.T.; data curation, O.M.R.-N.; writing—original draft preparation, J.J.Q.R.; writing—review and editing, J.J.Q.R., O.M.R.-N. and A.S.T.; supervision, S.A.R.; project administration and funding acquisition, J.J.Q.R. All authors have read and agreed to the published version of the manuscript.

Funding

This research was funded by SECIHTI, project number CF-2023-I-1906. The APC was funded by CIATEC, A.C.

Data Availability Statement

The original contributions presented in the study are included in the article. Further inquiries can be directed to the corresponding author.

Acknowledgments

The authors thank CIATEC, A.C. and the Universidad Autónoma Metropolitana (UAM) for the technical and institutional support provided throughout the development of this project. During the preparation of this manuscript, the authors used ChatGPT (OpenAI GPT-5.1) for text editing and language refinement. The authors have reviewed and edited all AI-generated content and take full responsibility for the final version of this publication.

Conflicts of Interest

The authors declare no conflicts of interest. The funders had no role in the design of the study; in the collection, analyses, or interpretation of data; in the writing of the manuscript; or in the decision to publish the results.

Abbreviations

The following abbreviations are used in this manuscript:
2DTwo-dimensional
AM 1.5GAir mass 1.5 global solar spectrum
APCArticle Processing Charge
BCBiochar
CSCellulose sponge
CS-BCCellulose sponge functionalized with biochar
SFSisal fiber
SF-BCSisal fiber functionalized with biochar
NFNopal (Opuntia ficus-indica) fiber
NF-BCNopal fiber functionalized with biochar
JFJute fiber
JF-BCJute fiber functionalized with biochar
CHNS/OCarbon, hydrogen, nitrogen, sulfur andoxygen elemental analysis
SEMScanning electron microscopy
FTIRFourier-transform infrared spectroscopy
XRDX-Ray diffraction
TDSsTotal dissolved solids
NTUNephelometric Turbidity Unit
NOM-127-SSA1-2021Mexican Official Standard for drinking water quality

References

  1. Gleick, P.H. Water in Crisis: A Guide to the World’s Fresh Water Resources; Oxford University Press: New York, NY, USA, 1993. [Google Scholar]
  2. Vörösmarty, C.J.; Green, P.; Salisbury, J.; Lammers, R.B. Global water resources: Vulnerability from climate change and population growth. Science 2000, 289, 284–288. [Google Scholar] [CrossRef] [PubMed]
  3. Mekonnen, M.M.; Hoekstra, A.Y. Four billion people facing severe water scarcity. Sci. Adv. 2016, 2, e1500323. [Google Scholar] [CrossRef] [PubMed]
  4. Rodell, M.; Famiglietti, J.S.; Wiese, D.N.; Reager, J.T.; Beaudoing, H.K.; Landerer, F.W.; Lo, M.-H. Emerging trends in global freshwater availability. Nature 2018, 557, 651–659. [Google Scholar] [CrossRef] [PubMed]
  5. Elimelech, M.; Phillip, W.A. The future of seawater desalination: Energy, technology, and the environment. Science 2011, 333, 712–717. [Google Scholar] [CrossRef]
  6. Lewis, N.S. Toward cost-effective solar energy use. Science 2007, 315, 798–801. [Google Scholar] [CrossRef]
  7. Zhang, P.; Liao, Q.; Yao, H.; Huang, Y.; Cheng, H.; Qu, L. Direct solar steam generation system for clean water production. Energy Storage Mater. 2019, 18, 429–446. [Google Scholar] [CrossRef]
  8. Ni, G.; Li, G.; Boriskina, S.V.; Li, H.; Yang, W.; Zhang, T.; Chen, G. Steam generation under one sun enabled by a floating structure with thermal concentration. Nat. Energy 2016, 1, 16126. [Google Scholar] [CrossRef]
  9. Xu, N.; Hu, X.; Xu, W.; Li, X.; Zhou, L.; Zhu, S.; Zhu, J. Mushrooms as efficient solar steam-generation devices. Adv. Mater. 2017, 29, 1606762. [Google Scholar] [CrossRef]
  10. Zhang, L.; Tang, B.; Wu, J.; Li, R.; Wang, P. Hydrophobic light-to-heat conversion membranes for interfacial solar steam generation. Adv. Mater. 2015, 27, 4889–4894. [Google Scholar] [CrossRef]
  11. Chen, C.; Li, Y.; Song, J.; Yang, Z.; Kuang, Y.; Hitz, E.; Jia, C.; Gong, A.; Jiang, F.; Zhu, J.Y.; et al. Highly flexible and efficient solar steam generation device. Adv. Mater. 2017, 29, 160572. [Google Scholar] [CrossRef]
  12. Li, X.; Xu, W.; Tang, M.; Zhou, L.; Zhu, B.; Zhu, S.; Zhu, Z. Graphene oxide-based efficient solar desalination under one sun. Proc. Natl. Acad. Sci. USA 2016, 113, 13953–13958. [Google Scholar] [CrossRef] [PubMed]
  13. Bae, K.; Kang, G.; Cho, S.K.; Park, W.; Kim, K.; Padilla, W.J. Flexible thin-film black gold membranes for efficient solar vapour generation. Nat. Commun. 2015, 6, 10103. [Google Scholar] [CrossRef]
  14. Xu, C.; Zhang, J.; Shahriari-Khalaji, M.; Gao, M.; Yu, X.; Ye, C.; Cheng, Y.; Zhu, M. Fibrous aerogels for solar vapor generation. Front. Chem. 2022, 10, 843070. [Google Scholar] [CrossRef]
  15. Zhao, F.; Zhou, X.; Shi, Y.; Qian, X.; Alexander, M.; Zhao, X.; Mendez, S.; Yang, R.; Qu, L.; Yu, G. Highly efficient solar vapour generation via hierarchically nanostructured gels. Nat. Nanotechnol. 2018, 13, 489–495. [Google Scholar] [CrossRef]
  16. Ibrahim, I.; Bhoopal, V.; Seo, D.H.; Afsari, M.; Shon, H.K.; Tijing, L.D. Biomass-based photothermal materials for interfacial solar steam generation: A review. Mater. Today Energy 2021, 21, 100716. [Google Scholar] [CrossRef]
  17. Li, T.; Liu, H.; Zhao, X.; Chen, G.; Dai, J.; Pastel, G.; Jia, C.; Chen, C.; Hitz, E.; Siddhartha, D.; et al. Scalable and highly efficient mesoporous wood-based solar steam generation device: Localized heat, rapid water transport. Adv. Funct. Mater. 2018, 28, 1707134. [Google Scholar] [CrossRef]
  18. Xie, M.; Zhang, P.; Cao, Y.; Yan, Y.; Wang, Z.; Jin, C. A three-dimensional antifungal wooden cone evaporator for highly efficient solar steam generation. npj Clean Water 2023, 6, 12. [Google Scholar] [CrossRef]
  19. Zhao, F.; Zhou, X.; Zhou, X.; Shi, W.; Yu, G. Materials for solar-powered water evaporation. Nat. Rev. Mater. 2020, 5, 388–401. [Google Scholar] [CrossRef]
  20. Atwater, H.; Polman, A. Plasmonics for improved photovoltaic devices. Nat. Mater. 2010, 9, 205–213. [Google Scholar] [CrossRef]
  21. Pati, A.R.; Ko, Y.S.; Bae, C.; Choi, I.; Heo, Y.J.; Lee, C. Highly porous hydrogels for efficient solar water evaporation. Soft Matter 2024, 20, 4988–4997. [Google Scholar] [CrossRef]
  22. Nikpourian, H.; Allahbakhsh, A. Mechanisms involved in solar steam generation via graphene-based photothermal active materials. Chem. Eng. J. 2025, 512, 162457. [Google Scholar] [CrossRef]
  23. Lehmann, J.; Joseph, S. Biochar for Environmental Management: Science, Technology and Implementation, 2nd ed.; Routledge–Earthscan: London, UK, 2015. [Google Scholar]
  24. Skic, K.; Adamczuk, A.; Gryta, A.; Boguta, P.; Tóth, T.; Jozefaciuk, G. Surface areas and adsorption energies of biochars estimated from nitrogen and water vapour adsorption isotherms. Sci. Rep. 2024, 14, 30362. [Google Scholar] [CrossRef]
  25. Afshar, M.; Mofatteh, S. Biochar for a sustainable future: Environmentally friendly production and diverse applications. Results Eng. 2024, 23, 102433. [Google Scholar] [CrossRef]
  26. Lehmann, J.; Cowie, A.; Masiello, C.A.; Kammann, C.; Woolf, D.; Amonette, J.E.; Cayuela, M.L.; Whitman, T. Biochar in climate change mitigation. Nat. Geosci. 2021, 14, 883–892. [Google Scholar] [CrossRef]
  27. Leng, L.; Xiong, Q.; Yang, L.; Li, H.; Zhou, Y.; Zhang, W.; Huang, H. An overview on engineering the surface area and porosity of biochar. Sci. Total Environ. 2021, 763, 144204. [Google Scholar] [CrossRef]
  28. Wang, Q.; Luo, B.; Wang, Z.; Hu, Y.; Du, M. Pore engineering in biomass-derived carbon materials for enhanced energy, catalysis, and environmental applications. Molecules 2024, 29, 5172. [Google Scholar] [CrossRef] [PubMed]
  29. Jia, X.; Niu, Y.; Zhu, S.; He, H.; Yan, X. Recent advances in carbon-based interfacial photothermal converters for seawater desalination: A review. C 2024, 10, 86. [Google Scholar] [CrossRef]
  30. Zhang, Z.; Jiang, S.; Chen, H.; Qi, H.; Chen, Y.; Chen, Y.; Liu, H.; Wang, S. Efficient solar-driven water purification based on biochar with multi-level pore bundle structure for preparation of drinking water. Foods 2021, 10, 3087. [Google Scholar] [CrossRef] [PubMed]
  31. Wang, L.; O’Connor, D.; Rinklebe, J.; Ok, Y.S.; Tsang, D.C.; Shen, Z.; Hou, D. Biochar aging: Mechanisms, physicochemical changes, assessment, and implications for field applications. Environ. Sci. Technol. 2020, 54, 14797–14814. [Google Scholar] [CrossRef]
  32. Mohanty, A.K.; Misra, M.; Drzal, L.T. Sustainable bio-composites from renewable resources. J. Polym. Environ. 2002, 10, 19–26. [Google Scholar] [CrossRef]
  33. Dansereau, L.P.; El-Halwagi, M.; Chambost, V.; Stuart, P. Methodology for biorefinery portfolio assessment using supply-chain fundamentals of bioproducts. Biofuels Bioprod. Biorefin. 2014, 8, 716–727. [Google Scholar] [CrossRef]
  34. Chen, H. Lignocellulose Biorefinery Engineering: Principles and Applications; Woodhead Publishing: Cambridge, UK, 2015. [Google Scholar]
  35. Pielsticker, S.; Gövert, B.; Umeki, K.; Kneer, R. Flash pyrolysis kinetics of extracted lignocellulosic biomass components. Front. Energy Res. 2021, 9, 737011. [Google Scholar] [CrossRef]
  36. Carbotecnia, S.A.d.C.V. BioCar—Agricultural Biochar: Technical Datasheet; Carbotecnia: Guadalajara, Mexico, 2023; Available online: https://www.carbotecnia.info/producto/biochar/ (accessed on 15 October 2025).
  37. Ong, H.C.; Yu, K.L.; Chen, W.-H.; Pillejera, M.K.; Bi, X.; Tran, K.-Q.; Pétrissans, A.; Pétrissans, M. Variation of lignocellulosic biomass structure from torrefaction: A critical review. Renew. Sustain. Energy Rev. 2021, 152, 111698. [Google Scholar] [CrossRef]
  38. Pickering, K.L.; Efendy, M.G.A.; Le, T.M. Recent developments in natural fibre composites. Compos. Part A 2016, 83, 98–112. [Google Scholar] [CrossRef]
  39. ASTM D5373; Standard Test Methods for Determination of Carbon, Hydrogen and Nitrogen in Analysis Samples of Coal and Carbon in Analysis Samples of Coal and Coke. ASTM International: West Conshohocken, PA, USA, 2021.
  40. French, A.D. Idealized powder diffraction patterns for cellulose polymorphs. Cellulose 2014, 21, 885–896. [Google Scholar] [CrossRef]
  41. Crestini, C.; Lange, H.; Sette, M.; Argyropoulos, D.S. On the structure of softwood kraft lignin. Green Chem. 2017, 19, 4104–4121. [Google Scholar] [CrossRef]
  42. NOM-127-SSA1-2021; Water for Human Use and Consumption. Permissible Limits of Water Quality [Agua Para Uso y Consumo humano. Límites Permisibles de la Calidad del Agua]. Secretariat of the Interior [Secretaría de Gobernación]: Mexico City, Mexico, 2021.
  43. Poletto, M.; Zattera, A.J.; Forte, M.M.C.; Santana, R.M.C. Thermal decomposition of wood: Influence of cellulose crystallinity and lignin content. Bioresour. Technol. 2012, 109, 148–153. [Google Scholar] [CrossRef]
  44. Harvey, O.R.; Kuo, L.J.; Zimmerman, A.R.; Louchouarn, P.; Amonette, J.E.; Herbert, B.E. An index-based approach to assessing recalcitrance and soil carbon sequestration potential of engineered black carbons (biochars). Environ. Sci. Technol. 2012, 46, 1415–1421. [Google Scholar] [CrossRef]
  45. Barbalini, M.; Bartoli, M.; Tagliaferro, A.; Malucelli, G. Phytic acid and biochar: An effective all bio-sourced flame retardant formulation for cotton fabrics. Polymers 2020, 12, 811. [Google Scholar] [CrossRef]
  46. Yang, H.; Yan, R.; Chen, H.; Lee, D.H.; Zheng, C. Characteristics of hemicellulose, cellulose and lignin pyrolysis. Fuel 2007, 86, 1781–1788. [Google Scholar] [CrossRef]
  47. Xiao, X.; Chen, B. A direct observation of the fine aromatic clusters and molecular structures of biochars. Environ. Sci. Technol. 2017, 51, 5473–5482. [Google Scholar] [CrossRef]
  48. Segal, L.; Creely, J.J.; Martin, A.E., Jr.; Conrad, C.M. An Empirical Method for Estimating the Degree of Crystallinity of Native Cellulose Using the X-Ray Diffractometer. Text. Res. J. 1959, 29, 786–794. [Google Scholar] [CrossRef]
  49. Wu, X.; Lu, X.; Ren, X.; Wu, P.; Chu, D.; Yang, X.; Xu, H. Interfacial solar evaporation: From fundamentals research to applications. Adv. Mater. 2024, 36, 2313090. [Google Scholar] [CrossRef]
  50. Poletto, M.; Ornaghi Júnior, H.L.; Zattera, A.J. Native Cellulose: Structure, Characterization and Thermal Properties. Materials 2014, 7, 6105–6119. [Google Scholar] [CrossRef]
  51. Yang, X.; Li, J.; Zhang, S.; Liu, Y. Citric-acid-assisted crosslinking of cellulose fibers for enhanced wet stability and interfacial adhesion. Cellulose 2024, 31, 1123–1138. [Google Scholar]
  52. Tesoro, G.C. The role of crosslinking in enhancing wet crease recovery of cellulosic fabrics. J. Appl. Polym. Sci. 1961, 5, 721–733. [Google Scholar] [CrossRef]
  53. Ralph, J.; Lundquist, K.; Brunow, G.; Lu, F.; Kim, H.; Schatz, P.F.; Marita, J.M.; Hatfield, R.D.; Ralph, S.A.; Christensen, J.H.; et al. Lignins: Natural polymers from oxidative coupling of 4-hydroxyphenyl-propanoids. Phytochem. Rev. 2004, 3, 29–60. [Google Scholar] [CrossRef]
Figure 1. Methodology for biochar-based photothermal materials.
Figure 1. Methodology for biochar-based photothermal materials.
Processes 14 00415 g001
Figure 2. Visual comparison of lignocellulosic substrates before and after biochar functionalization: (a) Untreated nopal fiber; (b) NF-BC (Nopal Fiber Functionalized with Biochar); (c) Untreated cellulose sponge; (d) CS-BC (Cellulose Sponge Functionalized with Biochar); (e) Untreated sisal fiber; (f) SF-BC (Sisal Fiber Functionalized with Biochar); (g) Untreated Jute fiber; (h) JF-BC (Jute Fiber Functionalized with Biochar).
Figure 2. Visual comparison of lignocellulosic substrates before and after biochar functionalization: (a) Untreated nopal fiber; (b) NF-BC (Nopal Fiber Functionalized with Biochar); (c) Untreated cellulose sponge; (d) CS-BC (Cellulose Sponge Functionalized with Biochar); (e) Untreated sisal fiber; (f) SF-BC (Sisal Fiber Functionalized with Biochar); (g) Untreated Jute fiber; (h) JF-BC (Jute Fiber Functionalized with Biochar).
Processes 14 00415 g002
Figure 3. Temperature effect on impregnation uptake of biochar-based composites at different solution concentrations.
Figure 3. Temperature effect on impregnation uptake of biochar-based composites at different solution concentrations.
Processes 14 00415 g003
Figure 4. FTIR spectra of biochar-functionalized natural fibers (BC, CS-BC, SF-BC, NF-BC, JF-BC). Characteristic vibrational bands illustrate the structural modifications induced by bleaching and biochar deposition.
Figure 4. FTIR spectra of biochar-functionalized natural fibers (BC, CS-BC, SF-BC, NF-BC, JF-BC). Characteristic vibrational bands illustrate the structural modifications induced by bleaching and biochar deposition.
Processes 14 00415 g004
Figure 5. X-Ray diffraction (XRD) diffractograms of untreated, chemically pretreated, and biochar-functionalized cellulose-based fibers (CS-BC, SF-BC, NF-BC, JF-BC). The highlighted Type I and Type II cellulose reflections illustrate peak sharpening after delignification and bleaching, followed by partial attenuation due to amorphous carbon deposition during biochar loading.
Figure 5. X-Ray diffraction (XRD) diffractograms of untreated, chemically pretreated, and biochar-functionalized cellulose-based fibers (CS-BC, SF-BC, NF-BC, JF-BC). The highlighted Type I and Type II cellulose reflections illustrate peak sharpening after delignification and bleaching, followed by partial attenuation due to amorphous carbon deposition during biochar loading.
Processes 14 00415 g005
Figure 6. SEM analysis of untreated cellulose sponge (a,c) and biochar-functionalized CS (b,d). The untreated samples exhibit clean, open microchannels and well-defined fibrillar walls, whereas the treated samples display roughened surfaces and partially coated pore structures associated with biochar loading.
Figure 6. SEM analysis of untreated cellulose sponge (a,c) and biochar-functionalized CS (b,d). The untreated samples exhibit clean, open microchannels and well-defined fibrillar walls, whereas the treated samples display roughened surfaces and partially coated pore structures associated with biochar loading.
Processes 14 00415 g006
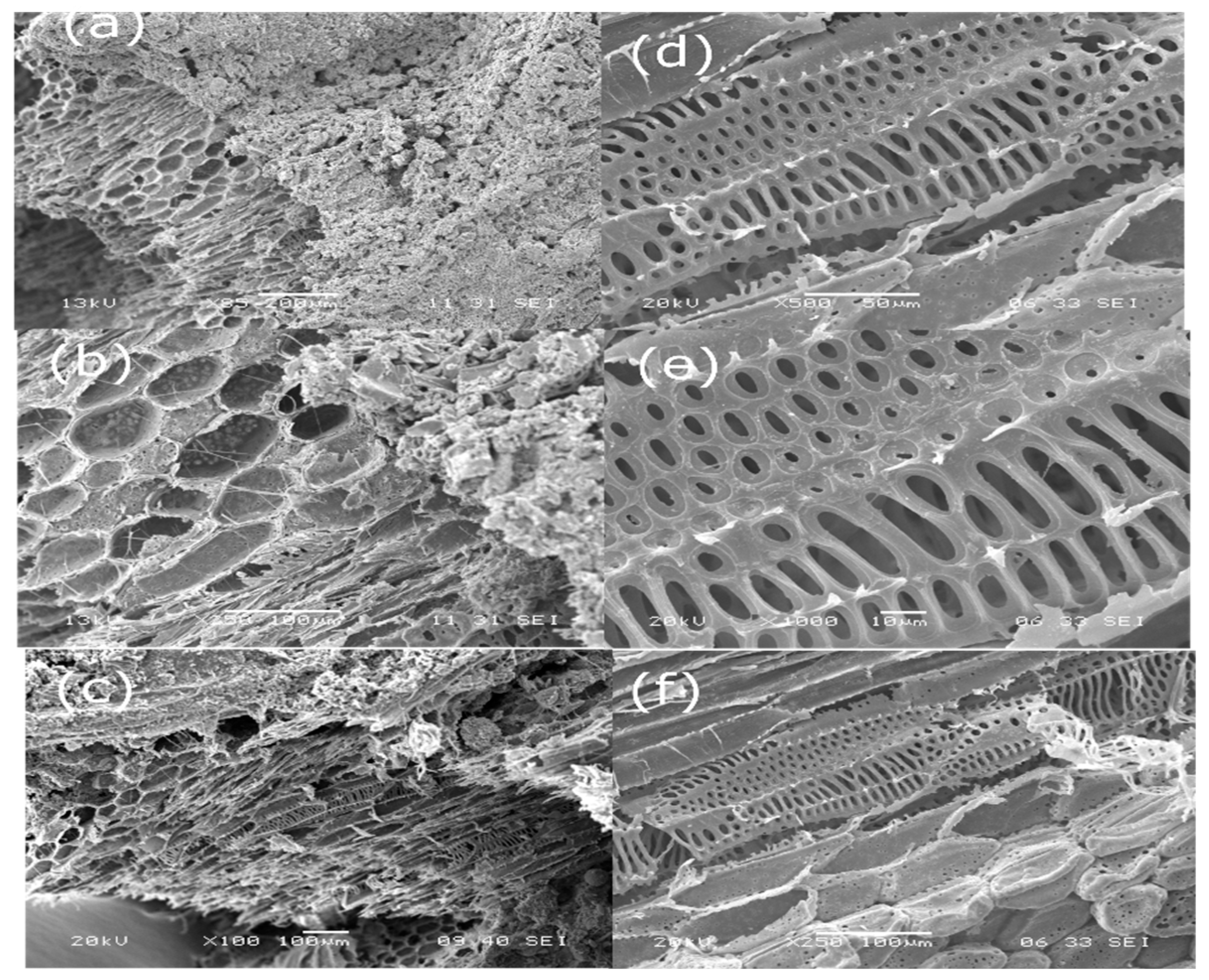
Figure 7. SEM micrographs illustrating the structural transformation of bleached nopal fiber before and after biochar functionalization: (a) Bleached nopal fiber with clean vascular channels and intact cell-wall layers; (b) NF-BC (Nopal Fiber Functionalized with Biochar) showing extensive carbon deposition on the outer surface; (c) Bleached nopal fiber displaying open, well-defined pores and smooth lumen walls; (d) NF-BC exhibiting partial lumen obstruction and heterogeneous carbon coverage; (e) Bleached nopal fiber highlighting the ordered internal architecture; (f) NF-BC presenting adhered biochar aggregates and pronounced surface roughening.
Figure 7. SEM micrographs illustrating the structural transformation of bleached nopal fiber before and after biochar functionalization: (a) Bleached nopal fiber with clean vascular channels and intact cell-wall layers; (b) NF-BC (Nopal Fiber Functionalized with Biochar) showing extensive carbon deposition on the outer surface; (c) Bleached nopal fiber displaying open, well-defined pores and smooth lumen walls; (d) NF-BC exhibiting partial lumen obstruction and heterogeneous carbon coverage; (e) Bleached nopal fiber highlighting the ordered internal architecture; (f) NF-BC presenting adhered biochar aggregates and pronounced surface roughening.
Processes 14 00415 g007
Figure 8. Surface temperature evolution of untreated, chemically pretreated, and biochar-coated natural fibers under 500 W m−2 illumination. (a) untreated cellulose sponge; (b) biochar-functionalized jute fiber (JF-BC); (c) biochar-functionalized nopal fiber (NF-BC); (d) biochar-functionalized sisal fiber (SF-BC). Temperature boxes indicate the maximum, minimum, and average surface temperatures within the selected region.
Figure 8. Surface temperature evolution of untreated, chemically pretreated, and biochar-coated natural fibers under 500 W m−2 illumination. (a) untreated cellulose sponge; (b) biochar-functionalized jute fiber (JF-BC); (c) biochar-functionalized nopal fiber (NF-BC); (d) biochar-functionalized sisal fiber (SF-BC). Temperature boxes indicate the maximum, minimum, and average surface temperatures within the selected region.
Processes 14 00415 g008
Figure 9. Solar evaporation rates of untreated, chemically pretreated, and biochar-functionalized natural fibers under 500 W m−2 illumination. (a) Evaporation rate as a function of time for the blank control, untreated cellulose sponge, and biochar-functionalized substrates (JF-BC, NF-BC, SF-BC, and CS-BC) under simulated solar illumination; (b) time-dependent mass change of the corresponding samples during solar evaporation.
Figure 9. Solar evaporation rates of untreated, chemically pretreated, and biochar-functionalized natural fibers under 500 W m−2 illumination. (a) Evaporation rate as a function of time for the blank control, untreated cellulose sponge, and biochar-functionalized substrates (JF-BC, NF-BC, SF-BC, and CS-BC) under simulated solar illumination; (b) time-dependent mass change of the corresponding samples during solar evaporation.
Processes 14 00415 g009
Table 1. Physicochemical properties of the biochar used in this study and their functional relevance to photothermal behavior, with reference to supplier specifications [36].
Table 1. Physicochemical properties of the biochar used in this study and their functional relevance to photothermal behavior, with reference to supplier specifications [36].
PropertyValue
OriginCoconut shell (BioCar™)
Particle size<US 30 mesh
Fixed carbon≈80 wt%
Surface area≈80 m2 g−1
Ash content≤4 wt%
Volatile matter<18 wt%
Moisture11 wt%
Bulk density0.55–0.70 g cm−3
pH8.0–9.0
Soluble fraction<3 wt%
Average pore radius0.78 nm
Table 2. Elemental composition (CHNS/O) of untreated, chemically pretreated and biochar-functionalized natural fibers.
Table 2. Elemental composition (CHNS/O) of untreated, chemically pretreated and biochar-functionalized natural fibers.
SampleC (wt%)H (wt%)N (wt%)S (wt%)O (wt%)
BioChar (BioCar™)80.02.00.50.0517.45
CS-Untreated43.56.00.10.0550.35
CS-Pretreated39.55.90.10.0554.45
CS-BC65.05.51.00.0528.45
SF-Untreated43.06.10.10.0550.75
SF-Pretreated39.05.80.10.0555.05
SF-BC66.05.41.10.0527.45
NF-Untreated44.06.00.10.0549.85
NF-Pretreated40.05.70.10.0554.15
Table 3. Physicochemical and inorganic parameters of influent (tap water) and condensed water obtained after solar evaporation using biochar-functionalized natural fibers.
Table 3. Physicochemical and inorganic parameters of influent (tap water) and condensed water obtained after solar evaporation using biochar-functionalized natural fibers.
ParameterUnitTap Water
(Influent)
Distilled Water
(After Solar Evaporation)
NOM-127-SSA1-2021 LimitRemoval
Efficiency (%)
TurbidityNTU1.8–2.5<0.2≤590–95%
Total Dissolved Solids (TDS)mg L−1350–480<10≤1000>97%
Total Hardnessmg L−1 (as CaCO3)110–150Not detectable100%
Fluoride (F)mg L−10.8–1.2<0.1≤1.5>85%
Nitrates (NO3)mg L−115–25<1≤10>90%
Arsenic (As)mg L−10.010–0.015Not detectable≤0.025100%
Barium (Ba)mg L−10.40–0.65Not detectable≤0.70100%
pH7.2–7.56.7–7.16.5–8.5
Disclaimer/Publisher’s Note: The statements, opinions and data contained in all publications are solely those of the individual author(s) and contributor(s) and not of MDPI and/or the editor(s). MDPI and/or the editor(s) disclaim responsibility for any injury to people or property resulting from any ideas, methods, instructions or products referred to in the content.

Share and Cite

MDPI and ACS Style

Quiroz Ramírez, J.J.; Abreu-Naranjo, R.; Rodriguez-Narvaez, O.M.; Alonso Romero, S.; Suarez Toriello, A. Sustainable Functionalization of Natural Fibers Using Biochar: Structural and Evaporation Studies. Processes 2026, 14, 415. https://doi.org/10.3390/pr14030415

AMA Style

Quiroz Ramírez JJ, Abreu-Naranjo R, Rodriguez-Narvaez OM, Alonso Romero S, Suarez Toriello A. Sustainable Functionalization of Natural Fibers Using Biochar: Structural and Evaporation Studies. Processes. 2026; 14(3):415. https://doi.org/10.3390/pr14030415

Chicago/Turabian Style

Quiroz Ramírez, Juan José, Reinier Abreu-Naranjo, Oscar M. Rodriguez-Narvaez, Sergio Alonso Romero, and Alejandro Suarez Toriello. 2026. "Sustainable Functionalization of Natural Fibers Using Biochar: Structural and Evaporation Studies" Processes 14, no. 3: 415. https://doi.org/10.3390/pr14030415

APA Style

Quiroz Ramírez, J. J., Abreu-Naranjo, R., Rodriguez-Narvaez, O. M., Alonso Romero, S., & Suarez Toriello, A. (2026). Sustainable Functionalization of Natural Fibers Using Biochar: Structural and Evaporation Studies. Processes, 14(3), 415. https://doi.org/10.3390/pr14030415

Note that from the first issue of 2016, this journal uses article numbers instead of page numbers. See further details here.

Article Metrics

Back to TopTop