Next Article in Journal
Catalytic Dehydrogenation on Ultradisperse Sn-Promoted Ir Catalysts Supported on MgAl2O4 Prepared by Different Techniques
Previous Article in Journal
Effect of Extruder Configuration and Extrusion Cooking Processing Parameters on Selected Characteristics of Non-Starch Polysaccharide-Rich Wheat Flour as Hybrid Treatment with Xylanase Addition
 
 
Font Type:
Arial Georgia Verdana
Font Size:
Aa Aa Aa
Line Spacing:
Column Width:
Background:
Article

Multi-Objective Optimization of a Two-Stage Helical Gearbox with Second Stage Double Gear-Sets Using TOPSIS Method

1
Electronics and Electrical Department, East Asia University of Technology, Trinh Van Bo Street, Hanoi City 12000, Vietnam
2
Faculty of Mechanical Engineering, Vinh Long University of Technology Education, 73 Nguyen Hue Street, Ward 2, Vinh Long City 85110, Vietnam
3
Faculty of Mechanical Engineering, University of Transport and Communications, 3 Cau Giay Street, Ward Lang Thuong, Hanoi City 12000, Vietnam
4
Faculty of Mechanical Engineering, Viet Tri University of Industry, 09 Tien Son Street, Viet Tri City 35100, Vietnam
5
School of Engineering and Technology, Duy Tan University, 03 Quang Trung Street, Hai Chau Ward, Da Nang City 550000, Vietnam
6
Faculty of Mechanical Engineering, Thai Nguyen University of Technology, 3/2 street, Tich Luong Ward, Thai Nguyen City 251750, Vietnam
*
Author to whom correspondence should be addressed.
Processes 2024, 12(6), 1160; https://doi.org/10.3390/pr12061160
Submission received: 15 April 2024 / Revised: 23 May 2024 / Accepted: 25 May 2024 / Published: 5 June 2024
(This article belongs to the Section Sustainable Processes)

Abstract

The multi-criteria decision-making (MCDM) method was applied in a novel way in this study to the multi-objective optimization problem (MOOP) of designing a two-stage helical gearbox with double gear-sets in the second stage. Finding the best fundamental components to increase gearbox efficiency and decrease gearbox cross-section area was the aim of this study. Three main design factors were chosen for investigation in this work: the first stage gear ratio and the first and second stage coefficients of wheel face width (CWFW). Phase 1 solves the single-objective optimization problem to reduce the gap between variable levels, and phase 2 solves the MOOP to determine the optimal critical design factors. This additionally splits the MOOP into two phases. Additionally, the TOPSIS method was used as an MCDM approach to address the multi-objective optimization issue, and the entropy approach was used to compute the weight criteria. In this study, gearbox efficiency is calculated by considering power losses during idle motion. The multi-objective optimization of a helical gearbox with second stage double gear-sets is addressed using the TOPSIS technique for the first time.

1. Introduction

A gearbox is the most important part of a mechanical drive system. It makes it simpler to transfer speed and torque from the motor shaft to the working shaft. This is why a large number of specialists work on gearbox optimization. When two or more objective functions are being simultaneously optimized in an optimization problem, it is referred to as multi-objective optimization. Optimizing multiple performance dimensions together, including efficiency, size, mass, and load bearing capacity, can be difficult and complex. To solve these issues, numerous optimization strategies were created recently.
D. and Sachin J. [1] used the Non-Dominated Sorting Genetic Algorithm II (NSGA-II) technique to solve a multi-speed gearbox design optimization problem with four competing design objectives. The investigation revealed that a larger module is required for greater provided power in order to achieve the same output speed requirement. Additionally, wear stress failure is more critical than bending stress failure for gearboxes with low power, and the inverse is true for gearboxes with high power. D. Miller et al. [2] also utilized the NSGA-II in a multi-objective spur gear pair optimization study. The project aimed to reduce gear volume and increase gear efficiency. It was found that efficiency and volume must be traded off, and that in order to accomplish this, a lower gear module, a lower face width, higher profile shift coefficients, and a higher pinion teeth count all work well together. Additionally, R. Ananthapadmanabhan et al. [3] addressed the simultaneous optimization of gearbox dimensions and power, which have opposing natures. Many innovative limitations, including the critical scoring criterion number, flash temperature, minimum film thickness, implicit interference, and contact ratio, received careful consideration in this work. In order to get the best results, different methods were also compared, including the Genetic Algorithm (GA), NSGA-II, fmincon (constrained nonlinear minimization), etc. R. C. Sanghvi et al. [4] employed three different methods for the multi-objective optimization of a two-stage helical gear train: NSGA-II, MATLAB optimization toolbox, and GA. Additionally, this effort examined two distinct goals: the load carrying capacity and the smallest gearbox volume. M. Patil et al. also presented a multi-objective optimization of a two-stage spur gearbox using the NSGA-II method [5]. This attempt involved two goal functions: minimum gearbox power losses and minimum gearbox volume. The results of the study indicate that there is a high probability of wear failure in solutions that are obtained using single objective minimization. Furthermore, the total power loss is reduced by half when multi-goal optimization is used instead of single objective optimization. Emna B.Y. et al. [6] conducted a multi-objective optimization analysis of a gear unit using the NSGA-II method in a multi-scale approach that goes from gear contact to complete transmission in order to reduce power loss and vibrational excitation caused by meshing. The findings suggest that employing macro- and micro-geometry factors simultaneously in multi-objective optimization produces different results compared to selecting macro-geometry parameters over micro-geometry parameters. In order to solve a multi-objective optimization of a lightweight gearbox with three objectives—the gearbox volume, the power output, and the center distance—the NSGA-II was combined with the TOPSIS (Technique for Order of Preference by Similarity to Ideal Solution) technique in [7].
H. Wang et al. carried out a multi-objective optimization study for the helical gear in a centrifugal compressor using the response surface method [8]. For this project, the lowest gear mass and the lowest gear stress were the two specific objectives that were selected. Reports state that the mass of the helical gear dropped by 27.4% and that its maximum stress was within allowable limits. An ideal multi-objective analysis of a cycloid pin gear planetary reducer is presented in [9]. To reduce all three of these goals, Pareto optimal solutions were used to analyze the reducer volume, turning arm bearing force, and pin maximum bending stress. The study’s conclusions show that the modified algorithm is capable of producing Pareto optimal solutions that are superior to those generated by the routine design. In [10], a MOOP was carried out to evaluate a trade-off between three functions, including overall mass, assemblability score, and axle stiffness. In this work, an accurate and efficient trade-off between the gearbox design objectives may be made by building the Pareto front, allowing one to rationally select the optimum gearbox design. In [11], the optimization of tooth modifications for spur and helical gears was solved using a mono-objective self-adaptive algorithm technique. This strategy is based on the particle swarm optimization (PSO) method. The maximal contact pressures and root mean square values of the transmission error signal were improved by the multi-objective optimization. A multi-objective optimization of a two-stage helical gearbox was carried out by M. Patil et al. [12]. The lowest gearbox volume and the least gearbox overall power loss were the two goal functions considered in this work. Several tribological and design constraints were also applied to this study. The multi-objective approach was found to cut the gearbox’s overall power loss in half, while solutions obtained through single-objective minimization without tribological restrictions had a high likelihood of wear failure.
The MCDM method was utilized by Chrystopher V.T. et al. [13] to determine the optimal gear material for a gearbox with the goal of improving wear resistance and surface fatigue. The objective of this study was to optimize the efficiency of surface fatigue resistance when applied to a gearbox. The helical gear pair transmission’s multi-objective design was examined in [14]. Gear volumes and the opposing number of overlap ratio are examples of the objective functions. In this study, the optimization problem was solved using the Parameter Adaptive Harmony Search Algorithm (PAHS). Grey relation analysis (GRA) and the Taguchi technique were recently used by X.H. Le and N.P. Vu [15] to investigate the MOOP of building a two-stage helical gearbox. The aim of this study was to determine the ideal fundamental design parameters that enhance gearbox efficiency while decreasing gearbox mass. In [16], a two-stage bevel helical gearbox was also built using the combination of Taguchi and GRA methods. The fundamental design parameters of the gearbox were to be determined by maximizing gearbox efficiency and minimizing gearbox mass. Furthermore, in order to improve efficiency and lower gearbox mass, these techniques were used to solve the optimization of a two-stage helical gearbox with second stage double gear-sets in [17].
Analysis shows that numerous investigations on MOOP of the helical gearbox have been conducted up to this point. Power loss in gears has been the subject of numerous studies [2,5,12,15,16], etc. But the study previously stated did not take into consideration the power loss that occurs while a gear is idling or when it is immersed in lubricant during bath lubrication. In addition, a range of methods were used to solve MOOPs, such as the NSGA-II method [1,2,3,4,5,6,7], response surface methods [8], the PSO method [11], Taguchi and GRA [15,16,17] etc. Among them, the NSGA-II approach is more frequently employed to solve the MOOP. Nevertheless, a set of solutions is typically obtained when the MOOP is solved using the NSGA-II approach; for instance, 389 Pareto optimum solutions when the input power is 10.5 kW and 286 solutions when the input power is 8.95 kW, as in [4]. As a result, to get the final results, it is required to combine the NSGA-II approach with another method, like TOPSIS, as in [7].
Despite extensive research on multi-objective optimization for helical gearboxes, it can be found from prior studies that the optimal primary design parameters for helical gearboxes have not been found using the MCDM technique. Moreover, the research indicated above did not account for the power loss that occurs when a gear is in an idle state or when a gear is immersed in lubricant during bath lubrication. In order to achieve two specific objectives—improving gearbox efficiency and reducing gearbox cross-section area—a multi-objective optimization research was conducted for a two-stage helical gearbox with second stage double gear-sets. The gear ratio of the first stage and the CWFW of both stages—the three optimal major design features for the gearbox—were investigated in the study. In addition, the MOOP was solved using the TOPSIS approach, and the weights of the criteria were determined using the entropy methodology. The main research findings suggest that multi-objective optimization issues, as well as single- and multi-objective problems, should be solved by utilizing an MCDM technique in conjunction with a two-step problem solution. The utilization of the MCDM technique in conjunction with two-step problem solving to address effectively the aforementioned MOOPs for gearboxes is what makes this research successful.

2. Optimization Problem

This section first calculates the gearbox efficiency and cross-section areas in order to build the optimization problem. Next, the stated objective functions and constraints are given. To facilitate calculations, Table 1 describes the nomenclatures utilized in the optimization problem.

2.1. Calculating Gearbox Cross-Section Area

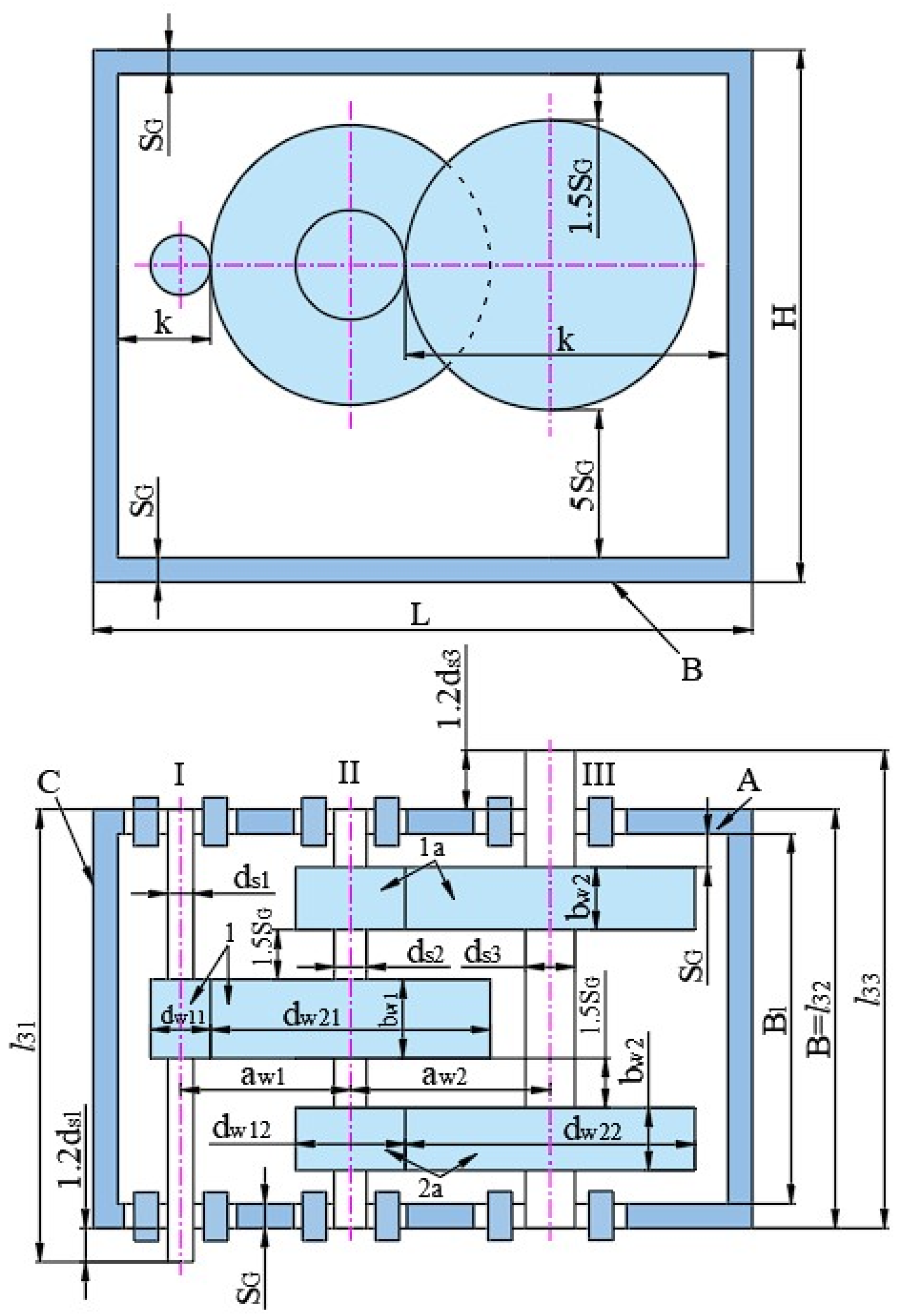
The cross-section area of the gearbox, A g b , can be found by (Figure 1):
A g b = L · H
In which, L, and H are determined by the following [18]:
L = ( d w 11 + d w 21 / 2 + d w 12 / 2 + d w 22 / 2 + 22.5 ) / 0.975
H = m a x d w 21 ; d w 22 + 8.5 · S G
S G = 0.005 · L + 4.5
In the above Equations:
d w 1 i = 2 · a w i / u i + 1
d w 2 i = 2 · a w i · u i · / u i + 1
where, a w i can be determined by [16,19]:
a w i = k a · u i + 1 · T 1 i · k H β / A S i 2 · u i · X b a i 3
With T 1 i (i = 1 ÷ 2) can be found by the following equations:
T 11 = T o u t / u g b ·   η h g 2 · η b 3
T 12 = T o u t / 2 · u 2 · η h g · η b e 2

2.2. Calculating Gearbox Efficiency

The efficiency of the gearbox (%) is determined by the following:
η g b = 100 100 · P l P i n
In which, Pl is found by [20],
P l = P l g + P l b + P l s + P Z 0
Wherein, Plg, Plb, Pls, and Pzo are determined by the following:
+) Calculating Plg:
P l g = i = 1 2 P lgi
With
P l g i = P g i · 1 η g i
In which η g i can be found by [21]:
η g i = 1 1 + 1 / u i β ai + β ri · f i 2 · β ai 2 + β ri 2
Wherein β ai and β ri are calculated by [21]:
β ai = R e 2 i 2 R 02 i 2 1 / 2 R 2 i · sin α R 01 i
β ri = R e 1 i 2 R 01 i 2 1 / 2 R 1 i · sin α R 01 i
In (14), f is calculated by [13]:
- If v ≤ 0.424 (m/s):
f = 0.0877 · v + 0.0525
- If v > 0.424 (m/s):
f = 0.0028 · v + 0.0104
+) Calculating Plb [20]:
P l b = i = 1 6 f b · F i · v i
where, i = 1 ÷ 6 and f b = 0.0011 (in this case, the radial ball bearings with angular contact are used) [17].
+) Calculating Pls [20]:
P ls = i = 1 2 P si
In which, i is the seal ordinal number (i = 1 ÷ 2); and P s i is found by:
P s i = 145 1.6 · t o i l + 350 · l o g   l o g V G 40 + 0.8 · d s 2 · n · 10 7
+) Calculating Pzo:
P Z 0 = i = 1 k T H i · π · n i 30
Wherein, k = 2 is the gear pair number; n is the revolution number of driven gear; T Hi is determined by [20]:
T H i = C S p i · C 1 i · e C 2 · v v t 0
In which, C Spi = 1 in the case of the involved oil mast to pass till the mesh and in other case C Spi is determined by the following (Figure 2):
C S p i = 4 · e m a x 3 · h C i 1.5 · 2 · h C i l h i
where, lhi is calculated by [20]:
l hi = 1.2 ÷ 2.0 · d a 2 i
In (23), C1i and C2i (i = 1 ÷ 2) can be found by [20]:
C 1 i = 0.063 · e 1 i + e 2 i e 0 + 0.0128 · b wi b 0
C 2 i = e 1 i + e 2 i 80 · e 0 + 0.2
where, e0 = b0 = 10 (mm); and b w i is calculated as follows:
b w i = X b a i · a w i

2.3. Objective Functions and Constraints

2.3.1. Objectives Functions

In this study, the MOOP has two single objectives:
- Minimizing the gearbox cross-section area:
min f 1 X = V g b
- Maximizing the gearbox efficiency:
min f 2 X = η gb
In this case, the vector X stands for the design variables. The five primary design parameters of a two-stage helical gearbox are typically u1, Xba1, Xba2, AS1, and AS2. Furthermore, it was shown that AS1 and AS2’ maximum values match with their ideal values [15]. Thus, the three primary design factors in this work—u1, Xba1, and Xba2—were chosen as variables for the optimization problem. As a result, we have the following:
X = u 1 , X b a 1 , X b a 2

2.3.2. Constraints

For a helical gear stage, u1 can have values from 1 to 9; Xba1 and Xba2 can vary from 0.24 to 0.4 [19]. Therefore, the following constraints must apply to the multi-objective function:
1 u 1 9   and   1 u 2 9
0.25 X b a 1 0.4   and   0.25 X b a 2 0.4

3. Methodology

3.1. Method to Solve the Multi-Objective Optimization

The two goals of the MOOP in this work were the best gearbox efficiency and the lowest gearbox cross-section area. Additionally, as mentioned in Section 2, the optimization problem chooses three primary design factors to be variables. Table 2 includes a list of these variables as well as their lowest and maximum values. In actuality, it is challenging to address the MOO (multi-objective optimization) problem using an MCDM (or TOPSIS in this case) approach. The reason is because there are a lot of options or potential solutions when it comes to addressing a MOO problem. In this study, with the main design factors and their limits as in Table 2, the step between variables needs to be 0.01 (to warrant the accuracy of factors and avoid missing solutions of MOOP). Therefore, the number of options (or run numbers of the simulation experiment) that must be determined and compared is 9 1 / 0.01 · 0.4 0.25 / 0.01 · 0.4 0.25 / 0.01 = 180 , 000 (options). Hence, it is not viable to deal with the OMO problem using the MCDM method directly due to the large amount of options. The MCDM problem was solved in this study using the TOPSIS approach, and the criterion weights were determined using the entropy methodology. A simulation experiment was constructed to provide the input data for the MOOP for the gearbox in the MCDM challenge. Since this is a simulation experiment, there is no limit to the number of experiments that can be carried out by utilizing the full factorial design. Because there are three experimental variables (as previously specified) and five levels for each variable, there will be a total of 53 = 125 experiments. The u1 in Table 2, which has a range of 1 to 9, is the variable with the most spread out of the three variables given. This is why, even with five levels, there was a significant variation in the levels of this variable in this case, ((9 − 1)/4 = 2). To reduce this discrepancy, save time, and improve the accuracy of the results, a strategy for addressing multi-objective issues was introduced (Figure 3). Phase 1 factors solve the single-objective optimization problem to reduce the distance between levels, and phase 2 factors solve the MOOP to determine the optimal primary design. This procedure is split into two steps. Additionally, in order to address the multi-objective problem, the TOPSIS issue is rerun using the smaller distance between two levels of the u1 if the levels of the variable are not sufficiently close to one another, or if the best answer is not appropriate for the requirement (see Figure 3).

3.2. Method for Solving MCDM Problem the TOPSIS Approach Must Be Applied Using the Following Procedures [22]

- Creating initial decision-making matrix:
X = x 11 x 1 n x 21 x 2 n x m n x m n
where, n and m are the criterion and alternative numbers.
- Finding normalized values kij by the following:
k i j = x i j i = 1 m x i j 2
- Determining the weighted normalized decision matrix by the following:
l i j = w j × k i j
- Calculating the best alternative A+ and the worst s alternative A by the following:
A + = l 1 + , l 2 + ,   ,   l j + , ,   l n +
A = l 1 ,   l 2 ,   ,   l j , ,   l n
In which, l j + and l j are the best and worst criterion values j (j = 1, 2, …, n).
- Determining better options D i + and worse options D i as follows:
D i + = j = 1 n l i j l j + 2
D i = j = 1 n l i j l j 2
- Calculating closeness coefficient Ri of each alternative by the following:
R i = D i D i + D i +  
- In order to rank the alternatives, maximize the value of R.

3.3. Method for Finding the Weight of Criteria

The entropy technique was used to establish the weights of the criteria in this study. The procedures listed below can be used to put this strategy into practice [23].
- Calculating indicator normalized values:
p ij = x ij m + i = 1 m x ij 2
- Determining the entropy for each indicator:
m e j = i = 1 m p i j × l n p i j 1 i = 1 m p i j × l n 1 i = 1 m p i j
- Finding the weight of each indicator:
w j = 1 me j j = 1 m 1 me j

4. Single-Objective Optimization

In this study, the direct search algorithm was used to solve the single-objective optimization problem. Additionally, a Microsoft Excel (Version 16.50) computer program was used to explore two single-objective problems: increasing gearbox efficiency and minimizing gearbox cross-section area. The program outcomes led to the following observations being made. In Figure 4, the relationship between ηgb and u1 is shown (calculated for ugb = 10). It is evident from the figure that ηgb achieves its maximum at an optimal value of u1. Figure 5 shows the link between u1 and Agb (calculated for ugb = 10). When u1 is at its optimal value, Agb reaches its lowest value (Figure 4). Figure 6 and Figure 7 show the connections between Xba1 and Xba2 and ηgb and Agb, respectively. It is evident from the figures that an increase in Xba1 and Xba2 will result in a decrease in Agb and ηgb. This is because, according to Equation (7), awi decreases as bai grows. As a result, dw1i and dw2i will decrease due to Equations (5) and (6). L (Equation (2)) and Agb (Equation (1)) will subsequently drop as a result. Furthermore, Equation (28) demonstrates that as Xbai increases, bwi also rises. As a result, C1i (Equation (26)) will rise, and Thi (Equation (23)) and Pzo (Equation (22)) will also climb. As a result, pl (Equation (11)) will increase and ηgb (Equation (10)) will reduce.
Table 3 displays the ideal main design factor values for the two single-objective functions, Agb and ηgb. This table clearly shows that the optimal values of Xba1 and Xba2 are determined by the Agb function to be the maximum values of Xba1 and Xba2 (Xba1 = 0.4 and Xba2 = 0.4). This is due to the fact that dw21 and dw22, which are found using Formula (6), must likewise be the least in order for Agb to be the smallest. Xba1 and Xba2 are now required to be at their greatest levels in order to decrease aw1 and aw2 (Equation (7)). Xba1 and Xba2 have the smallest values (Xba1 = 0.25 and Xba2 = 0.25), while the ηgb function has the largest (ideal) value when compared to the Agb function. This is due to the fact that, according to Equations (10) and (11), the highest value of the ηgb function corresponds to the smallest values of Plg, Plb, Pls, and Pzo. C1i must likewise be modest for Pzo to be small (Equations (22) and (23)). Since bw1 and bw2 in this instance must be small (Equation (26)), Xbai must also have modest values (Equation (28)).
Figure 8 shows the link between the ideal u1 and ugb for both single objectives Agb and ηgb based on Table 3. Moreover, Table 4 displays newly computed constraints for the variable u1.

5. Multi-Objective Optimization

Based on the optimization problem in Section 2, a computer program was built to perform simulation experiments. The gearbox ratios 10, 15, 20, 25, 30, 35, and 40 were all considered for the analysis. The following displays the solutions to the ugb = 40 problem. This overall gearbox ratio was used for 125 initial testing runs (as specified in Section 3). The experiment’s output values, the gearbox cross-section area, and efficiency, were sent to TOPSIS for use in resolving the MOOP. The process of finding the best main design values when applying the TOPSIS method is shown in Figure 9. With each run of the TOPSIS program (corresponding to one step), the distance between the two levels of each variable is reduced. For example, for the first step, with ugb = 40, u1 changes from 4.93 to 9.07 (Table 4). Therefore, the distance between the two levels of u1 is (9.07 − 4.93)/4 = 1.035. This method is continued until the difference between two levels of variables is less than 0.01 (the final step). The primary design parameters and output responses for ugb = 40 in the final run of the TOPSIS experiment are shown in Table 5. The weights of the criterion were established in the following ways using the entropy approach (see Section 3.3): First, use Equation (42) to find the normalized values of pij. Equation (43) is used to determine each indicator mej’s entropy value. Finally, use Equation (44) to find the weight of the condition wj. The weights of mgb and ηgb for the most recent TOPSIS work run were determined to be 0.5875 and 0.4125, respectively. Guidelines for using the TOPSIS technique in multi-objective decision making are given in Section 3.2. Consequently, the normalized values of kij and the normalized weighted values of lij are obtained by Equation (35) and Equation (36), respectively. For mgb and ηgb, the A+ and A values are obtained using Equations (37) and (38), correspondingly. It is noted that mgb and ηgb for A+ and A, respectively, equal 0.0511 and 0.0370 and 0.0541 and 0.0368. In addition, Di+ and Di values were calculated by Formulas (39,40). Finally, the ratio Ri was obtained by using Equation (41). Table 6 (for the final run of TOPSIS work) shows the outcomes of the option ranking and the computing of numerous parameters using the TOPSIS approach. Out of all the possibilities given, option 105 is the most ideal one, according to the table. The optimal values for the main design elements are therefore u1 = 8.28, Xba1 = 0.32, and Xba2 = 0.4 (see Table 4).
Building on the previous discussion, Table 7 shows the optimal values for the main design parameters, which are 10, 20, 25, 30, 35, and 40 for the remaining ugb values. The following conclusions are possible with the data in this table:
+) When ut grows, Xba1 gradually falls (Figure 10), but Xba2 always selects the highest value (Xba2 = 0.4). It is observed that the ideal values of u1 and ut have a first-order connection. Furthermore, it was discovered that the following regression equation (with R2 = 0.9818) may be used to determine the optimal values of u1:
X b a 1 = 0.0027 · u g b + 0.4279
+) The ideal values of u1 and ugb have a clear first-order relationship (Figure 11). Furthermore, it was shown that the following regression equation (with R2 = 0.9902) may be used to determine the optimal values of u1:
u 1 = 0.1546 · u g b + 2.2339
Once u1 is known, the equation that follows can be used to determine the optimal value of u2:
u 2 = u g b / u 1

6. Conclusions

In this study, the multi-objective optimization issue regarding the design of a two-stage helical gearbox with second stage double gear-sets was solved using the TOPSIS technique. The objective of the study was to identify the key design parameters that minimize gearbox cross-section area while maximizing gearbox efficiency. In order to achieve this, the first stage gear ratio and the CWFW for the first and second stages were selected as the three primary design factors. The procedure of solving a multi-objective optimization issue also consists of two stages. Phase 2 is concerned with identifying the ideal fundamental design factors, while Phase 1 is focused on resolving the single-objective optimization problem of minimizing the difference between variable values. The work produced the following conclusions outlined below.
By bridging the gap between variable levels, the single-objective optimization problem improves and simplifies the MOOP solution. In addition, two distinct objectives, the lowest gearbox cross-section area and the best gearbox efficiency, were evaluated in relation to the primary design components.
Moreover, a more accurate solution to the MOOP can be obtained by repeatedly applying the TOPSIS technique until the desired outcomes are obtained (variables have an accuracy of less than 0.01). The study results led to the recommendation that the three primary design parameters for a two-stage helical gear gearbox with second stage double gear-sets, Equations (45) and (46), and Table 7, have the best possible values. The remarkable degree of agreement between the experimental data and the u1 model suggests that the data are reliable.

Author Contributions

All authors discussed the initial concept, which was laid out by N.-P.V.; N.-P.V. dealt with the optimization problem with the help of T.-T.-H.T. All authors carried out the simulation design, the experimental data analysis, and the experimental result analysis from the simulation. N.-P.V. and T.-T.-H.T. collaborated to write the manuscript. All authors has reviewed and approved the manuscript.

Funding

This research received no external funding.

Data Availability Statement

All data contained within the manuscript.

Acknowledgments

This work was supported by Thai Nguyen University of Technology.

Conflicts of Interest

The authors declare that they have no conflicts of interest.

References

  1. Deb, K.; Jain, S. Multi-speed gearbox design using multi-objective evolutionary algorithms. J. Mech. Des. 2003, 125, 609–619. [Google Scholar] [CrossRef]
  2. Miler, D.; Zezelj, D.; Loncar, A.; Vuckovic, K. Multi-objective spur gear pair optimization focused on volume and efficiency. Mech. Mach. Theory 2018, 125, 185–195. [Google Scholar] [CrossRef]
  3. Ananthapadmanabhan, R.; Babu, S.A.; Hareendranath, K.R.; Krishnamohan, C.; Krishnapillai, S.; Krishnan, A. Investigation on multiple algorithms for multi-objective optimization of gear box. In IOP Conference Series: Materials Science and Engineering; IOP Publishing: Bristol, UK, 2016. [Google Scholar]
  4. Sanghvi, R.C.; Vashi, A.S.; Patolia, H.P.; Jivani, R.G. Multi-objective optimization of two-stage helical gear train using NSGA-II. J. Optim. 2014, 2014, 670297. [Google Scholar] [CrossRef]
  5. Patil, M.; Ramkumar, P.; Shankar, K. Multi-objective optimization of spur gearbox with inclusion of tribological aspects. J. Frict. Wear 2017, 38, 430–436. [Google Scholar] [CrossRef]
  6. Younes, E.B.; Changenet, C.; Bruyère, J.; Rigaud, E.; Perret-Liaudet, J. Multi-objective optimization of gear unit design to improve efficiency and transmission error. Mech. Mach. Theory 2022, 167, 104499. [Google Scholar] [CrossRef]
  7. Maputi, E.S.; Arora, R. Multi-objective optimization of a 2-stage spur gearbox using NSGA-II and decision-making methods. J. Braz. Soc. Mech. Sci. Eng. 2020, 42, 477. [Google Scholar] [CrossRef]
  8. Wang, H.; Chen, D.; Pan, F.; Yu, D. Multi-objective Optimization Design of Helical Gear in Centrifugal Compressor Based on Response Surface Method. In IOP Conference Series: Materials Science and Engineering; IOP Publishing: Bristol, UK, 2018. [Google Scholar]
  9. Wang, Y.; Qian, Q.; Chen, G.; Jin, S.; Chen, Y. Multi-objective optimization design of cycloid pin gear planetary reducer. Adv. Mech. Eng. 2017, 9, 1687814017720053. [Google Scholar] [CrossRef]
  10. Eremeev, P.; De Cock, A.; Devriendt, H.; Melckenbeeck, I.; Desmet, W. Single and multi-objective optimization of a gearbox considering dynamic performance and assemblability. Procedia CIRP 2022, 106, 76–83. [Google Scholar] [CrossRef]
  11. Lagresle, C.; Guingand, M.; de Vaujany, J.-P.; Fulleringer, B. Optimization of tooth modifications for spur and helical gears using an adaptive multi-objective swarm algorithm. Proc. Inst. Mech. Eng. Part C J. Mech. Eng. Sci. 2019, 233, 7292–7308. [Google Scholar] [CrossRef]
  12. Patil, M.; Ramkumar, P.; Shankar, K. Multi-objective optimization of the two-stage helical gearbox with tribological constraints. Mech. Mach. Theory 2019, 138, 38–57. [Google Scholar] [CrossRef]
  13. Terán, C.V.; Martínez-Gómez, J.; Milla, J.C.L. Material selection through of multi-criteria decisions methods applied to a helical gearbox. Int. J. Math. Oper. Res. 2020, 17, 90–109. [Google Scholar] [CrossRef]
  14. Sabarinath, P.; Thansekhar, M.; Jeganathan, R.; Saravanan, R. Multi objective Design Optimization of Helical gear pair using Adaptive parameter Harmony search Algorithm. Appl. Mech. Mater. 2015, 813, 1032–1036. [Google Scholar] [CrossRef]
  15. Le, X.-H.; Vu, N.-P. Multi-objective optimization of a two-stage helical gearbox using taguchi method and grey relational analysis. Appl. Sci. 2023, 13, 7601. [Google Scholar] [CrossRef]
  16. Tran, H.-D.; Le, X.-H.; Nguyen, T.-T.; Hoang, X.-T.; Trieu, Q.-H.; Vu, N.-P. Application of the Taguchi Method and Grey Relational Analysis for Multi-Objective Optimization of a Two-Stage Bevel Helical Gearbox. Machines 2023, 11, 716. [Google Scholar] [CrossRef]
  17. Huy, T.Q.; Van Binh, N.; Van Thanh, D.; Danh, T.H.; Van Trang, N. Optimization of a Two-stage Helical Gearbox with Second Stage Double Gear Sets to Reduce Gearbox Mass and Increase Gearbox Efficiency. WSEAS Trans. Appl. Theor. Mech. 2023, 18, 287–298. [Google Scholar] [CrossRef]
  18. Römhild, I.; Linke, H. Gezielte Auslegung Von Zahnradgetrieben mit minimaler Masse auf der Basis neuer Berechnungsverfahren. Konstruktion 1992, 44, 229–236. [Google Scholar]
  19. Chat, T.; Van Uyen, L. Design and Calculation of Mechanical Transmissions Systems; Educational Republishing House: Hanoi, Vietnam, 2007; Volume 1. [Google Scholar]
  20. Jelaska, D.T. Gears and Gear Drives; John Wiley & Sons: Hoboken, NJ, USA, 2012. [Google Scholar]
  21. Buckingham, E. Analytical Mechanics of Gears; Courier Corporation: North Chelmsford, MA, USA, 1988. [Google Scholar]
  22. Hwang, C.-L.; Lai, Y.-J.; Liu, T.-Y. A new approach for multiple objective decision making. Comput. Oper. Res. 1993, 20, 889–899. [Google Scholar] [CrossRef]
  23. Hieu, T.T.; Thao, N.X.; Thuy, L. Application of MOORA and COPRAS models to select materials for mushroom cultivation. Vietnam. J. Agric. Sci. 2019, 17, 32–2331. [Google Scholar]
Figure 1. For determination of gearbox cross-section area Agb.
Figure 1. For determination of gearbox cross-section area Agb.
Processes 12 01160 g001
Figure 2. For determining parameters of bath lubrication.
Figure 2. For determining parameters of bath lubrication.
Processes 12 01160 g002
Figure 3. The procedure to solve the multi-objective problem.
Figure 3. The procedure to solve the multi-objective problem.
Processes 12 01160 g003
Figure 4. Gearbox efficiency versus first stage gear ratio.
Figure 4. Gearbox efficiency versus first stage gear ratio.
Processes 12 01160 g004
Figure 5. Gearbox cross-section area versus first stage gear ratio.
Figure 5. Gearbox cross-section area versus first stage gear ratio.
Processes 12 01160 g005
Figure 6. Xba1 versus gearbox efficiency (a) and gearbox cross-section area (b).
Figure 6. Xba1 versus gearbox efficiency (a) and gearbox cross-section area (b).
Processes 12 01160 g006
Figure 7. Xba2 versus gearbox cross-section area (a) and gearbox efficiency (b).
Figure 7. Xba2 versus gearbox cross-section area (a) and gearbox efficiency (b).
Processes 12 01160 g007
Figure 8. Optimum gear ratio of the first stage versus gearbox ratio.
Figure 8. Optimum gear ratio of the first stage versus gearbox ratio.
Processes 12 01160 g008
Figure 9. Strategy to determine the best value by TOPSIS.
Figure 9. Strategy to determine the best value by TOPSIS.
Processes 12 01160 g009
Figure 10. Wheel face width coefficient of the first stage versus total gearbox ratio.
Figure 10. Wheel face width coefficient of the first stage versus total gearbox ratio.
Processes 12 01160 g010
Figure 11. Optimum gear ratio of the first stage versus total gearbox ratio.
Figure 11. Optimum gear ratio of the first stage versus total gearbox ratio.
Processes 12 01160 g011
Table 1. Nomenclatures used in the study.
Table 1. Nomenclatures used in the study.
ParameterNomenclatureUnits
Allowable contact stress of stages i (i = 1 ÷ 2)ASiMPa
Arc of approach on i stage β ai -
Arc of recess on i stage β ri -
Base-circle radius of the pinion R 01 i mm
Base-circle radius of the gear R 02 i mm
Center distance of stage i (i = 1 ÷ 2)awimm
Coefficient of wheel face width of stage i (i = 1 ÷ 2)Xbai-
Coefficient of gear materialkaMPa1/3
Contacting load ratio for pitting resistancek-
Diameter of shaft idsimm
Efficiency of a helical gearboxηhb-
Efficiency of the i stage of the gearboxηgi-
Efficiency of a helical gear unitηhg-
Efficiency of a rolling bearing pairηb-
Friction coefficientf-
Friction coefficient of bearingfb-
Gearbox cross-section areaAgbdm2
Gearbox lengthLdm
Gearbox heightHdm
Gearbox ratiougb-
Gear ratio of stage 1u1-
Gear ratio of stage 2u2-
Gear width of stage i (i = 1 ÷ 2)bwimm
Hydraulic moment of power lossesTHNm
ISO Viscosity Grades number.VG40-
Input powerPinkW
Load of bearing iFiN
Outside radius of the pinion R e 1 i mm
Outside radius of the gear R e 2 i mm
Output torqueToutNmm
Pitch diameter of the pinion of stage 1dw11mm
Pitch diameter of the gear of stage 2dw21mm
Pitch diameter of the pinion of stage 2dw12mm
Pitch diameter of the gear of stage 2dw22mm
Power loss in the gearsPlgkW
Power loss in the bearingsPlbkW
Power loss in the sealsPlskW
Power loss in the idle motionPzokW
Pressure angleαrad.
Peripheral speed of bearingvbm/s
Sliding velocity of gearvm/s
Total power loss in the gearboxPl-
Torque on the pinion of stage i (i = 1 ÷ 2)T1iNmm
Volume of gearboxVdm3
Table 2. Input parameters.
Table 2. Input parameters.
ParmetersSymbolLower LimitUpper Limit
Gearbox ratio of first stageu119
CWFW of stage 1Xba10.250.4
CWFW of stage 2Xba20.250.4
Table 3. Optimum main design factors of Agb and ηgb.
Table 3. Optimum main design factors of Agb and ηgb.
ObjectiveFactorugb
10152025303540
u13.564.665.656.567.418.218.97
AgbXba10.40.40.40.40.40.40.4
Xba20.40.40.40.40.40.40.4
u12.32.893.423.864.294.685.03
ηgbXba10.250.250.250.250.250.250.25
Xba20.250.250.250.250.250.250.25
Table 4. New constraints of u1.
Table 4. New constraints of u1.
ugbu1
Lower LimitUpper Limit
102.23.66
152.794.76
203.325.75
253.766.66
304.197.51
354.588.31
404.939.07
Table 5. Main design parameters and output results for ugb = 40 in the final run of TOPSIS.
Table 5. Main design parameters and output results for ugb = 40 in the final run of TOPSIS.
Trial.u1Xba1Xba2Agb (kg)ηgb (%)
18.270.320.3611.5188.86
28.270.320.3711.3588.84
38.270.320.3811.288.83
48.270.320.3911.0688.81
58.270.320.410.9288.8
68.270.320.3611.588.74
268.270.320.3611.5188.85
278.270.320.3711.3588.84
288.270.320.3811.288.82
518.280.320.3611.5188.85
528.280.320.3711.3588.83
538.280.320.3811.288.82
768.280.320.3611.5188.84
778.280.320.3711.3588.83
788.280.320.3811.288.81
1048.280.320.3911.0588.79
1058.280.320.410.9188.78
1068.280.32250.3611.588.71
1238.280.330.3811.1688.31
1248.280.330.3911.0188.3
1258.280.330.410.8888.29
Table 6. Several calculated results and ranking of options by TOPSIS for ugb = 40.
Table 6. Several calculated results and ranking of options by TOPSIS for ugb = 40.
Trial.kijlijSi+SiRiRank
AgbηgbAgbηgb
10.09200.08970.05410.03700.00300.00020.0743101
20.09070.08970.05330.03700.00220.00080.262597
30.08950.08970.05260.03700.00150.00150.495071
40.08840.08970.05190.03700.00080.00210.715349
50.08730.08970.05130.03700.00020.00280.936217
60.09190.08960.05400.03700.00290.00020.0622111
260.09200.08970.05410.03700.00300.00020.0731103
270.09070.08970.05330.03700.00220.00080.262596
280.08950.08970.05260.03700.00150.00150.494973
510.09200.08970.05410.03700.00300.00020.0731102
520.09070.08970.05330.03700.00220.00080.262299
530.08950.08970.05260.03700.00150.00150.494972
760.09200.08970.05410.03700.00300.00020.0719104
770.09070.08970.05330.03700.00220.00080.262298
780.08950.08970.05260.03700.00150.00150.494874
1040.08830.08970.05190.03700.00080.00220.730944
1050.08720.08970.05120.03700.00010.00280.95133
1060.09190.08960.05400.03690.00290.00020.0585115
1230.08920.08920.05240.03680.00130.00160.551955
1240.08800.08920.05170.03680.00070.00230.782326
1250.08700.08920.05110.03680.00020.00300.925724
Table 7. Optimum main design parameters.
Table 7. Optimum main design parameters.
No.ut
10152025303540
u13.524.65.566.196.977.588.28
Xba10.40.390.370.360.350.330.32
Xba20.40.40.40.40.40.40.4
Disclaimer/Publisher’s Note: The statements, opinions and data contained in all publications are solely those of the individual author(s) and contributor(s) and not of MDPI and/or the editor(s). MDPI and/or the editor(s) disclaim responsibility for any injury to people or property resulting from any ideas, methods, instructions or products referred to in the content.

Share and Cite

MDPI and ACS Style

Dinh, V.-T.; Tran, H.-D.; Bui, T.-D.; Vu, D.-B.; Vu, D.; Vu, N.-P.; Truong, T.-T.-H. Multi-Objective Optimization of a Two-Stage Helical Gearbox with Second Stage Double Gear-Sets Using TOPSIS Method. Processes 2024, 12, 1160. https://doi.org/10.3390/pr12061160

AMA Style

Dinh V-T, Tran H-D, Bui T-D, Vu D-B, Vu D, Vu N-P, Truong T-T-H. Multi-Objective Optimization of a Two-Stage Helical Gearbox with Second Stage Double Gear-Sets Using TOPSIS Method. Processes. 2024; 12(6):1160. https://doi.org/10.3390/pr12061160

Chicago/Turabian Style

Dinh, Van-Thanh, Huu-Danh Tran, Thanh-Danh Bui, Duc-Binh Vu, Duong Vu, Ngoc-Pi Vu, and Thi-Thu-Huong Truong. 2024. "Multi-Objective Optimization of a Two-Stage Helical Gearbox with Second Stage Double Gear-Sets Using TOPSIS Method" Processes 12, no. 6: 1160. https://doi.org/10.3390/pr12061160

APA Style

Dinh, V.-T., Tran, H.-D., Bui, T.-D., Vu, D.-B., Vu, D., Vu, N.-P., & Truong, T.-T.-H. (2024). Multi-Objective Optimization of a Two-Stage Helical Gearbox with Second Stage Double Gear-Sets Using TOPSIS Method. Processes, 12(6), 1160. https://doi.org/10.3390/pr12061160

Note that from the first issue of 2016, this journal uses article numbers instead of page numbers. See further details here.

Article Metrics

Back to TopTop