Intensification of Hydrogen Production: Pd–Ag Membrane on Tailored Hastelloy-X Filter for Membrane-Assisted Steam Methane Reforming
Abstract
:1. Introduction
2. Materials and Methods
2.1. Support and Membrane Preparation
2.2. Characterization
- The surface roughness of the untreated and pre-treated filters was measured via contact profilometry (MarSurf PS 10, Mahr Gmbh, Esslingen, Germany). The media grade and elemental composition were provided by the supplier.
- The N2 permeance of untreated and pre-treated filters was measured in a gas permeation setup, which is described in our previous work [23].
- The presence of α-Al2O3 filler particles embedded in the treated filter was studied via scanning electron microscopy (SEM, Phenom Pro, ThermoFisher, Waltham, MA, USA) of a twin-filled filter’s cross-section (S2). To preserve the metallographic structure of the porous metal, the samples were prepared via scoring and breakage of the tube and observed as is.
- The pore size distribution evolution of M2’s support during the reproduction procedure was measured via capillary flow porometry (CFP) [53] in a specifically designed setup described in our previous work [24] (See Supplementary Materials).
- The superficial morphology of M2’s support filter was observed via optical-laser confocal microscopy (VKX-3000, Keyence, Osaka, Japan), both before and after interdiffusion layer deposition.
- The thickness of the Pd–Ag layer was measured on S3 via SEM imaging with the SEM, Fei-Quanta- FEG250- 3D (FEI Company, Hillsboro, Oregon, USA).
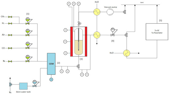
2.3. Experimental Setup for Permeation and Methane Steam Reforming
2.4. Experimental Methods
3. Results and Discussion
3.1. Support and Membrane Preparation
3.2. Membrane Testing
4. Conclusions
Supplementary Materials
Author Contributions
Funding

Data Availability Statement
Conflicts of Interest
References
- Bockris, J.O. The hydrogen economy: Its history. Int. J. Hydrogen Energy 2013, 38, 2579–2588. [Google Scholar] [CrossRef]
- Aasberg-Petersen, K.; Hansen, J.-H.B.; Christensen, T.; Dybkjaer, I.; Christensen, P.; Nielsen, C.S.; Madsen, S.W.; Rostrup-Nielsen, J. Technologies for large-scale gas conversion. Appl. Catal. A Gen. 2001, 221, 379–387. [Google Scholar] [CrossRef]
- Dybkjaer, I. Tubular reforming and autothermal reforming of natural gas—An overview of available processes. Fuel Process. Technol. 1995, 42, 85–107. [Google Scholar] [CrossRef]
- Kim, C.-H.; Han, J.-Y.; Lim, H.; Lee, K.-Y.; Ryi, S.-K. Hydrogen production by steam methane reforming in membrane reactor equipped with Pd membrane deposited on NiO/YSZ/NiO multilayer-treated porous stainless steel. J. Membr. Sci. 2018, 563, 75–82. [Google Scholar] [CrossRef]
- Jokar, S.; Farokhnia, A.; Tavakolian, M.; Pejman, M.; Parvasi, P.; Javanmardi, J.; Zare, F.; Gonçalves, M.C.; Basile, A. The recent areas of applicability of palladium based membrane technologies for hydrogen production from methane and natural gas: A review. Int. J. Hydrogen Energy 2023, 48, 6451–6476. [Google Scholar] [CrossRef]
- Iulianelli, A.; Basile, A. Fuel and hydrogen treatment and production by membranes. In Current Trends and Future Developments on (Bio-) Membranes; Elsevier: Amsterdam, The Netherlands, 2020; pp. 91–108. [Google Scholar] [CrossRef]
- Bernardo, P.; Barbieri, G.; Drioli, E. Evaluation of membrane reactor with hydrogen-selective membrane in methane steam reforming. Chem. Eng. Sci. 2010, 65, 1159–1166. [Google Scholar] [CrossRef]
- Bernardo, G.; Araújo, T.; Lopes, T.d.S.; Sousa, J.; Mendes, A. Recent advances in membrane technologies for hydrogen purification. Int. J. Hydrogen Energy 2019, 45, 7313–7338. [Google Scholar] [CrossRef]
- Bosko, M.; Múnera, J.; Lombardo, E.; Cornaglia, L. Dry reforming of methane in membrane reactors using Pd and Pd–Ag composite membranes on a NaA zeolite modified porous stainless steel support. J. Membr. Sci. 2010, 364, 17–26. [Google Scholar] [CrossRef]
- Marquez-Ruiz, A.; Wu, J.; Özkan, L.; Gallucci, F.; Annaland, M.V.S. Optimal Operation and Control of Fluidized Bed Membrane Reactors for Steam Methane Reforming. Comput. Aided Chem. Eng. 2019, 46, 1231–1236. [Google Scholar] [CrossRef]
- Anzelmo, B.; Wilcox, J.; Liguori, S. Natural gas steam reforming reaction at low temperature and pressure conditions for hydrogen production via Pd/PSS membrane reactor. J. Membr. Sci. 2017, 522, 343–350. [Google Scholar] [CrossRef]
- Dittmar, B.; Behrens, A.; Schödel, N.; Rüttinger, M.; Franco, T.; Straczewski, G.; Dittmeyer, R. Methane steam reforming operation and thermal stability of new porous metal supported tubular palladium composite membranes. Int. J. Hydrogen Energy 2013, 38, 8759–8771. [Google Scholar] [CrossRef]
- Karakiliç, P.; Huiskes, C.; Luiten-Olieman, M.W.; Nijmeijer, A.; Winnubst, L. Sol-gel processed magnesium-doped silica membranes with improved H2/CO2 separation. J. Membr. Sci. 2017, 543, 195–201. [Google Scholar] [CrossRef]
- Castricum, H.L.; Qureshi, H.F.; Nijmeijer, A.; Winnubst, L. Hybrid silica membranes with enhanced hydrogen and CO2 separation properties. J. Membr. Sci. 2015, 488, 121–128. [Google Scholar] [CrossRef]
- Nijmeijer, A.; Kruidhof, H.; Bredesen, R.; Verweij, H. Preparation and Properties of Hydrothermally Stable γ-Alumina Membranes. J. Am. Ceram. Soc. 2001, 84, 136–140. [Google Scholar] [CrossRef]
- Al-Mufachi, N.; Rees, N.; Steinberger-Wilkens, R. Hydrogen selective membranes: A review of palladium-based dense metal membranes. Renew. Sustain. Energy Rev. 2015, 47, 540–551. [Google Scholar] [CrossRef]
- Nam, S.-E.; Lee, K.-H. Hydrogen separation by Pd alloy composite membranes: Introduction of diffusion barrier. J. Membr. Sci. 2001, 192, 177–185. [Google Scholar] [CrossRef]
- Bonekamp, B. Preparation of asymmetric ceramic membrane supports by dip-coating. In Membrane Science and Technology; Burggraaf, A.J., Cot, L., Eds.; Elsevier: Amsterdam, The Netherlands, 1996; Chapter 6; Volume 4, pp. 141–225. [Google Scholar] [CrossRef]
- Arratibel, A.; Tanaka, A.P.; Laso, I.; Annaland, M.V.S.; Gallucci, F. Development of Pd-based double-skinned membranes for hydrogen production in fluidized bed membrane reactors. J. Membr. Sci. 2018, 550, 536–544. [Google Scholar] [CrossRef]
- Guo, Y.; Wu, H.; Jin, Y.; Zhou, L.; Chen, Q.; Fan, X. Deposition of TS-1 zeolite film on palladium membrane for enhancement of membrane stability. Int. J. Hydrogen Energy 2017, 42, 27111–27121. [Google Scholar] [CrossRef]
- Medrano, J.A.; Fernandez, E.; Melendez, J.; Parco, M.; Tanaka, D.A.P.; Annaland, M.V.S.; Gallucci, F. Pd-based metallic supported membranes: High-temperature stability and fluidized bed reactor testing. Int. J. Hydrogen Energy 2016, 41, 8706–8718. [Google Scholar] [CrossRef]
- de Nooijer, N.; Plazaola, A.A.; Rey, J.M.; Fernandez, E.; Tanaka, D.A.P.; Annaland, M.V.S.; Gallucci, F. Long-Term Stability of Thin-Film Pd-Based Supported Membranes. Processes 2019, 7, 106. [Google Scholar] [CrossRef]
- Agnolin, S.; Melendez, J.; Di Felice, L.; Gallucci, F. Surface roughness improvement of Hastelloy X tubular filters for H2 selective supported Pd–Ag alloy membranes preparation. Int. J. Hydrogen Energy 2022, 47, 28505–28517. [Google Scholar] [CrossRef]
- Agnolin, S.; Apostolo, F.; Di Felice, L.; Rey, J.M.; Tanaka, A.P.; Tanco, M.L.; Gallucci, F. Development of selective Pd–Ag membranes on porous metal filters. Int. J. Hydrogen Energy 2023, 48, 25398–25409. [Google Scholar] [CrossRef]
- Liu, J.; Ju, X.; Tang, C.; Liu, L.; Li, H.; Chen, P. High performance stainless-steel supported Pd membranes with a finger-like and gap structure and its application in NH3 decomposition membrane reactor. Chem. Eng. J. 2020, 388, 124245. [Google Scholar] [CrossRef]
- Guazzone, F.; Engwall, E.E.; Ma, Y.H. Effects of surface activity, defects and mass transfer on hydrogen permeance and n-value in composite palladium-porous stainless steel membranes. Catal. Today 2006, 118, 24–31. [Google Scholar] [CrossRef]
- Macedo, M.S.; Uriarte, N.A.; Soria, M.; Madeira, L.M.; Calles, J.; Sanz, R.; Alique, D. Effect of ceria particle size as intermediate layer for preparation of composite Pd-membranes by electroless pore-plating onto porous stainless-steel supports. Sep. Purif. Technol. 2023, 327, 124932. [Google Scholar] [CrossRef]
- Xu, N.; Ryi, S.; Li, A.; Grace, J.R.; Lim, J.; Boyd, T. Improved pre-treatment of porous stainless steel substrate for preparation of Pd-based composite membrane. Can. J. Chem. Eng. 2013, 91, 1695–1701. [Google Scholar] [CrossRef]
- Mardilovich, I.P.; Engwall, E.; Ma, Y.H. Dependence of hydrogen flux on the pore size and plating surface topology of asymmetric Pd-porous stainless steel membranes. Desalination 2002, 144, 85–89. [Google Scholar] [CrossRef]
- Nayebossadri, S.; Fletcher, S.; Speight, J.D.; Book, D. Hydrogen permeation through porous stainless steel for palladium-based composite porous membranes. J. Membr. Sci. 2016, 515, 22–28. [Google Scholar] [CrossRef]
- Augustine, A.S.; Mardilovich, I.P.; Kazantzis, N.K.; Ma, Y.H. Durability of PSS-supported Pd-membranes under mixed gas and water–gas shift conditions. J. Membr. Sci. 2012, 415–416, 213–220. [Google Scholar] [CrossRef]
- Ayturk, M.E.; Mardilovich, I.P.; Engwall, E.E.; Ma, Y.H. Synthesis of composite Pd-porous stainless steel (PSS) membranes with a Pd/Ag intermetallic diffusion barrier. J. Membr. Sci. 2006, 285, 385–394. [Google Scholar] [CrossRef]
- Sanz, R.; Calles, J.; Alique, D.; Furones, L. New synthesis method of Pd membranes over tubular PSS supports via “pore-plating” for hydrogen separation processes. Int. J. Hydrogen Energy 2012, 37, 18476–18485. [Google Scholar] [CrossRef]
- Lee, J.-H.; Han, J.-Y.; Kim, K.-M.; Ryi, S.-K.; Kim, D.-W. Development of homogeneous Pd–Ag alloy membrane formed on porous stainless steel by multi-layered films and Ag-upfilling heat treatment. J. Membr. Sci. 2015, 492, 242–248. [Google Scholar] [CrossRef]
- Cechetto, V.; Agnolin, S.; Di Felice, L.; Tanaka, A.P.; Tanco, M.L.; Gallucci, F. Metallic Supported Pd-Ag Membranes for Simultaneous Ammonia Decomposition and H2 Separation in a Membrane Reactor: Experimental Proof of Concept. Catalysts 2023, 13, 920. [Google Scholar] [CrossRef]
- Fernandez, E.; Medrano, J.A.; Melendez, J.; Parco, M.; Viviente, J.L.; Annaland, M.V.S.; Gallucci, F.; Tanaka, D.P. Preparation and characterization of metallic supported thin Pd–Ag membranes for hydrogen separation. Chem. Eng. J. 2016, 305, 182–190. [Google Scholar] [CrossRef]
- van Dal, M.; Pleumeekers, M.; Kodentsov, A.; van Loo, F. Intrinsic diffusion and Kirkendall effect in Ni–Pd and Fe–Pd solid solutions. Acta Mater. 2000, 48, 385–396. [Google Scholar] [CrossRef]
- Bottino, A.; Broglia, M.; Capannelli, G.; Comite, A.; Pinacci, P.; Scrignari, M.; Azzurri, F. Sol–gel synthesis of thin alumina layers on porous stainless steel supports for high temperature palladium membranes. Int. J. Hydrogen Energy 2013, 39, 4717–4724. [Google Scholar] [CrossRef]
- Chotirach, M.; Tantayanon, S.; Tungasmita, S.; Kriausakul, K. Zr-based intermetallic diffusion barriers for stainless steel supported palladium membranes. J. Membr. Sci. 2012, 405–406, 92–103. [Google Scholar] [CrossRef]
- Yepes, D.; Cornaglia, L.; Irusta, S.; Lombardo, E. Different oxides used as diffusion barriers in composite hydrogen permeable membranes. J. Membr. Sci. 2006, 274, 92–101. [Google Scholar] [CrossRef]
- Calles, J.; Sanz, R.; Alique, D. Influence of the type of siliceous material used as intermediate layer in the preparation of hydrogen selective palladium composite membranes over a porous stainless steel support. Int. J. Hydrogen Energy 2012, 37, 6030–6042. [Google Scholar] [CrossRef]
- Mateos-Pedrero, C.; Soria, M.A.; Rodríguez-Ramos, I.; Guerrero-Ruiz, A. Modifications of Porous Stainless Steel Previous to the Synthesis of Pd Membranes; Elsevier Masson SAS: Amsterdam, The Netherlands, 2010; Volume 175. [Google Scholar]
- Kim, T.-W.; Lee, E.-H.; Byun, S.; Seo, D.-W.; Hwang, H.-J.; Yoon, H.-C.; Kim, H.; Ryi, S.-K. Highly selective Pd composite membrane on porous metal support for high-purity hydrogen production through effective ammonia decomposition. Energy 2022, 260, 125209. [Google Scholar] [CrossRef]
- Tong, J.; Matsumura, Y.; Suda, H.; Haraya, K. Thin and dense Pd/CeO2/MPSS composite membrane for hydrogen separation and steam reforming of methane. Sep. Purif. Technol. 2005, 46, 1–10. [Google Scholar] [CrossRef]
- Ma, Y.H.; Akis, B.C.; Ayturk, M.E.; Guazzone, F.; Engwall, E.E.; Mardilovich, I.P. Characterization of Intermetallic Diffusion Barrier and Alloy Formation for Pd/Cu and Pd/Ag Porous Stainless Steel Composite Membranes. Ind. Eng. Chem. Res. 2003, 43, 2936–2945. [Google Scholar] [CrossRef]
- Bosko, M.L.; Miller, J.B.; Lombardo, E.A.; Gellman, A.J.; Cornaglia, L.M. Surface characterization of Pd–Ag composite membranes after annealing at various temperatures. J. Membr. Sci. 2011, 369, 267–276. [Google Scholar] [CrossRef]
- Qiao, A.; Zhang, K.; Tian, Y.; Xie, L.; Luo, H.; Lin, Y.; Li, Y. Hydrogen separation through palladium–copper membranes on porous stainless steel with sol–gel derived ceria as diffusion barrier. Fuel 2010, 89, 1274–1279. [Google Scholar] [CrossRef]
- Huang, Y.; Dittmeyer, R. Preparation of thin palladium membranes on a porous support with rough surface. J. Membr. Sci. 2007, 302, 160–170. [Google Scholar] [CrossRef]
- Huang, Y.; Dittmeyer, R. Preparation and characterization of composite palladium membranes on sinter-metal supports with a ceramic barrier against intermetallic diffusion. J. Membr. Sci. 2006, 282, 296–310. [Google Scholar] [CrossRef]
- Katoh, M.; Ueshima, T.; Takatani, M.; Sugiura, H.; Ominami, K.; Sugiyama, S. Effects of different silica intermediate layers for hydrogen diffusion enhancement of palladium membranes applied to porous stainless steel support. Sci. Rep. 2020, 10, 1–12. [Google Scholar] [CrossRef]
- Tarditi, A.; Gerboni, C.; Cornaglia, L. PdAu membranes supported on top of vacuum-assisted ZrO2-modified porous stainless steel substrates. J. Membr. Sci. 2013, 428, 1–10. [Google Scholar] [CrossRef]
- Tanaka, D.A.P.; Tanco, M.A.L.; Okazaki, J.; Wakui, Y.; Mizukami, F.; Suzuki, T.M. Preparation of “pore-fill” type Pd–YSZ–γ-Al2O3 composite membrane supported on α-Al2O3 tube for hydrogen separation. J. Membr. Sci. 2008, 320, 436–441. [Google Scholar] [CrossRef]
- Tanis-Kanbur, M.B.; Peinador, R.I.; Calvo, J.I.; Hernández, A.; Chew, J.W. Porosimetric membrane characterization techniques: A review. J. Membr. Sci. 2021, 619, 118750. [Google Scholar] [CrossRef]
- Barbieri, G.; Scura, F.; Lentini, F.; Deluca, G.; Drioli, E. A novel model equation for the permeation of hydrogen in mixture with carbon monoxide through Pd–Ag membranes. Sep. Purif. Technol. 2008, 61, 217–224. [Google Scholar] [CrossRef]
- Caravella, A.; Scura, F.; Barbieri, G.; Drioli, E. Inhibition by CO and polarization in pd-based membranes: A novel permeation reduction coefficient. J. Phys. Chem. B 2010, 114, 12264–12276. [Google Scholar] [CrossRef] [PubMed]
- Helmi, A.; Voncken, R.; Raijmakers, A.; Roghair, I.; Gallucci, F.; Annaland, M.V.S. On concentration polarization in fluidized bed membrane reactors. Chem. Eng. J. 2018, 332, 464–478. [Google Scholar] [CrossRef]
- Boon, J.; Pieterse, J.; van Berkel, F.; van Delft, Y.; Annaland, M.V.S. Hydrogen permeation through palladium membranes and inhibition by carbon monoxide, carbon dioxide, and steam. J. Membr. Sci. 2015, 496, 344–358. [Google Scholar] [CrossRef]
- Gallucci, F.; Chiaravalloti, F.; Tosti, S.; Drioli, E.; Basile, A. The effect of mixture gas on hydrogen permeation through a palladium membrane: Experimental study and theoretical approach. Int. J. Hydrogen Energy 2007, 32, 1837–1845. [Google Scholar] [CrossRef]
- Fernandez, E.; Helmi, A.; Coenen, K.; Melendez, J.; Viviente, J.L.; Tanaka, D.A.P.; Annaland, M.V.S.; Gallucci, F. Development of thin Pd–Ag supported membranes for fluidized bed membrane reactors including WGS related gases. Int. J. Hydrogen Energy 2015, 40, 3506–3519. [Google Scholar] [CrossRef]
- Matsumura, Y.; Tong, J. Methane Steam Reforming in Hydrogen-permeable Membrane Reactor for Pure Hydrogen Production. Top. Catal. 2008, 51, 123–132. [Google Scholar] [CrossRef]
- Paglieri, S.N.; Way, J.D. Innovations in palladium membrane research. Sep. Purif. Methods 2002, 31, 1–169. [Google Scholar] [CrossRef]
- Moseley, P.T. Fuel Cell Systems Explained. J. Power Source 2001, 93, 285. [Google Scholar] [CrossRef]
- Tanis-Kanbur, M.B.; Peinador, R.I.; Hu, X.; Calvo, J.I.; Chew, J.W. Membrane characterization via evapoporometry (EP) and liquid-liquid displacement porosimetry (LLDP) techniques. J. Membr. Sci. 2019, 586, 248–258. [Google Scholar] [CrossRef]
- Li, D.; Frey, M.W.; Joo, Y.L. Characterization of nanofibrous membranes with capillary flow porometry. J. Membr. Sci. 2006, 286, 104–114. [Google Scholar] [CrossRef]
- Gribble, C.M.; Matthews, G.P.; Laudone, G.M.; Turner, A.; Ridgway, C.J.; Schoelkopf, J.; Gane, P.A. Porometry, porosimetry, image analysis and void network modelling in the study of the pore-level properties of filters. Chem. Eng. Sci. 2011, 66, 3701–3709. [Google Scholar] [CrossRef]
- Kolb, H.; Schmitt, R.; Dittler, A.; Kasper, G. On the accuracy of capillary flow porometry for fibrous filter media. Sep. Purif. Technol. 2018, 199, 198–205. [Google Scholar] [CrossRef]











| Support | Polishing | Etching | Filling with α-Al2O3 | Ɣ-Al2O3 Layer | Pd–Ag 2 Layers | ||
|---|---|---|---|---|---|---|---|
| 18 µm | 5 µm | 1.5 µm | |||||
| M2 | Yes | Yes | Yes | Yes | Yes | Yes | Yes |
| S2 | Yes | Yes | Yes | Yes | Yes | -- | -- |
| S3 | Yes | Yes | -- | -- | -- | Yes | Yes |
| Single-Gas Permeation Tests | ||
|---|---|---|
| Single gases investigated | H2, N2 | |
| Temperature (°C) | 400, 450, 500 | |
| Retentate Pressure (bar) | 2, 3, 4 | |
| Permeate Pressure (bar) | 1 | |
| Binary-mixture permeation tests | ||
| Binary mixture | CO/H2 | |
| Temperature (°C) | 400, 450, 500 | |
| Retentate Pressure (bar) | 2, 3, 4 | |
| Permeate Pressure (bar) | 1 | |
| CO in feed (vol%) | 5, 10, 15 | |
| Methane steam reforming | ||
| Membrane-assisted | Conventional | |
| Temperature (°C) | 400, 450, 500 | 400, 450, 500 |
| Retentate Pressure (bar) | 2, 3, 4, 5 | 4 |
| Permeate Pressure (-) | vacuum | - |
| CH4 in feed (%v/v) | 24 | 24 |
| Steam to Carbon ratio (-) | 3:1 | 3:1 |
| Temperature (°C) | H2 Permeance (mol/s/m2/Pa) | N2 Permeance (mol/s/m2/Pa) | H2/N2 Ideal Selectivity (-) |
|---|---|---|---|
| 400 | 6.3 × 10−7 | 5.5 × 10−11 | 11,454 |
| 450 | 6.4 × 10−7 | 3.8 × 10−11 | 16,842 |
| 500 | 7.5 × 10−7 | 3.7 × 10−11 | 20,270 |
| Calculated | Conventional | Membrane Reactor | |||
|---|---|---|---|---|---|
| T | Thermodynamic Equilibrium Conversion | CH4 Conversion | CH4 Conversion | H2 Recovery | Separation Factor |
| (°C) | (%) | (%) | (%) | (%) | (%) |
| 400 | 11.8 | 10.1 | 15.3 | 1.5 | 8.8 |
| 450 | 18.2 | 18.2 | 31.8 | 10.7 | 31.6 |
| 500 | 26.7 | 26.7 | 42.1 | 13.9 | 32.5 |
| Calculated | Conventional | Membrane Reactor | |||
|---|---|---|---|---|---|
| P | Thermodynamic Equilibrium Conversion | CH4 Conversion | CH4 Conversion | H2 Recovery | Separation Factor |
| (Bar) | (%) | (%) | (%) | (%) | (%) |
| 2 | 34.4 | - | 39.0 | 10.4 | 19.4 |
| 3 | 29.7 | - | 39.9 | 12.6 | 26.2 |
| 4 | 26.7 | 26.7 | 42.1 | 13.9 | 32.5 |
| 5 | 24.6 | - | 52.4 | 15.4 | 42.2 |
| This Work | Medrano et al. [21] | |
|---|---|---|
| Reactor | ||
| Configuration | Fixed bed | Fluidized bed |
| Catalyst | 2%wt Rh/Al2O3, 300 g | NiO/CaAl2O4, 300 g |
| Ghsv (L × min−1 × gcat−1) | 0.012 | 0.012–0.017 |
| Membrane | ||
| Configuration | Supported tubular Pd-based membrane | Supported tubular Pd-based membrane |
| Support (-) | Metallic (Hastelloy-X, 0.5 μm MG, Hebei Golden Flame Wire Mesh Co., Hengshui, China) | Metallic (Hastelloy-X, 0.1 μm MG, pre-treated) |
| Selective layer composition (-) | Pd–Ag | Pd–Ag |
| Selective layer thickness (μm) | 6–8 | 6–8 * |
| Length (mm) | 90 | 137 |
| H2 permeance before SMR (at 450 °C and 1 barg) (mol/s/m2/Pa) | 6.4 × 10−7 | 8.6 × 10−7 |
| H2/N2 ideal perm-selectivity before SMR (at 450 °C and 1 barg) (-) | 16,842 | 574 |
| CH4 conversion increase (%) | ||
| T = 500 °C, 4 bar | 58 | 46 ** |
| H2 recovery factor (%) | ||
| T = 500 °C, 4 bar | 14 | 17 ** |
| H2 separation factor (%) | ||
| T = 500 °C, 4 bar | 33 | 35 ** |
| H2 in permeate side (%) | ||
| T = 500 °C, 4 bar | 99.3 | 97.6 |
Disclaimer/Publisher’s Note: The statements, opinions and data contained in all publications are solely those of the individual author(s) and contributor(s) and not of MDPI and/or the editor(s). MDPI and/or the editor(s) disclaim responsibility for any injury to people or property resulting from any ideas, methods, instructions or products referred to in the content. |
© 2023 by the authors. Licensee MDPI, Basel, Switzerland. This article is an open access article distributed under the terms and conditions of the Creative Commons Attribution (CC BY) license (https://creativecommons.org/licenses/by/4.0/).
Share and Cite
Agnolin, S.; Di Felice, L.; Tanaka, A.P.; Tanco, M.L.; Ververs, W.J.R.; Gallucci, F. Intensification of Hydrogen Production: Pd–Ag Membrane on Tailored Hastelloy-X Filter for Membrane-Assisted Steam Methane Reforming. Processes 2024, 12, 40. https://doi.org/10.3390/pr12010040
Agnolin S, Di Felice L, Tanaka AP, Tanco ML, Ververs WJR, Gallucci F. Intensification of Hydrogen Production: Pd–Ag Membrane on Tailored Hastelloy-X Filter for Membrane-Assisted Steam Methane Reforming. Processes. 2024; 12(1):40. https://doi.org/10.3390/pr12010040
Chicago/Turabian StyleAgnolin, Serena, Luca Di Felice, Alfredo Pacheco Tanaka, Margot Llosa Tanco, Wout J. R. Ververs, and Fausto Gallucci. 2024. "Intensification of Hydrogen Production: Pd–Ag Membrane on Tailored Hastelloy-X Filter for Membrane-Assisted Steam Methane Reforming" Processes 12, no. 1: 40. https://doi.org/10.3390/pr12010040
APA StyleAgnolin, S., Di Felice, L., Tanaka, A. P., Tanco, M. L., Ververs, W. J. R., & Gallucci, F. (2024). Intensification of Hydrogen Production: Pd–Ag Membrane on Tailored Hastelloy-X Filter for Membrane-Assisted Steam Methane Reforming. Processes, 12(1), 40. https://doi.org/10.3390/pr12010040

