Research on the Energy Savings of Ships’ Water Cooling Pump Motors Based on Direct Torque Control
Abstract
1. Introduction
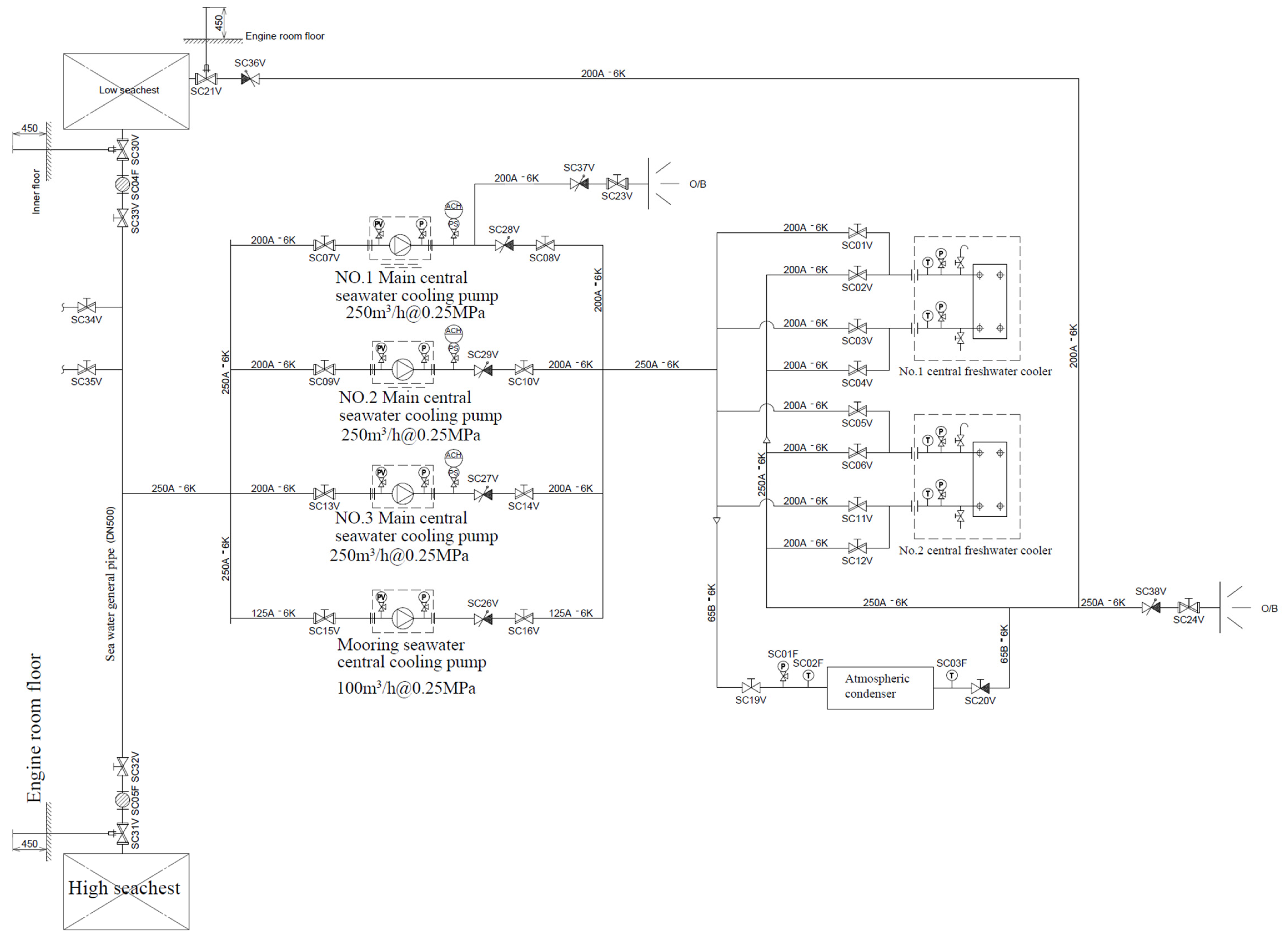
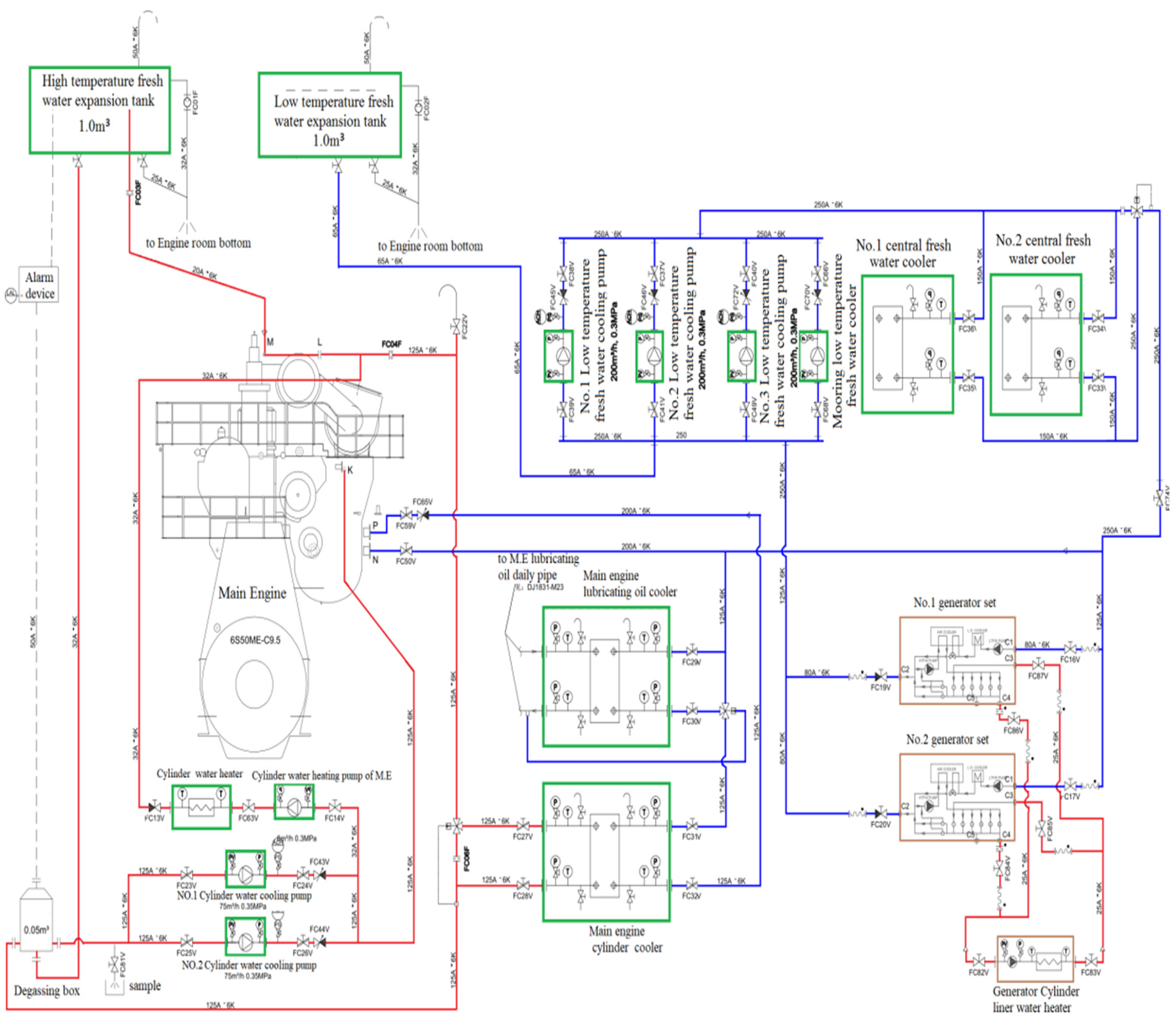
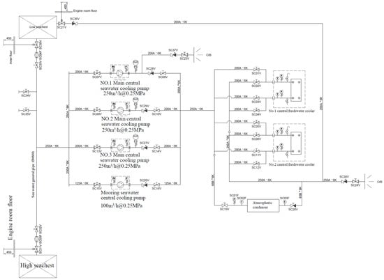
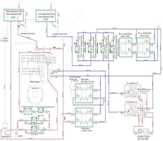
2. Marine Central Water Cooling System
3. Simulation Model of a Ship’s Central Water Cooling System
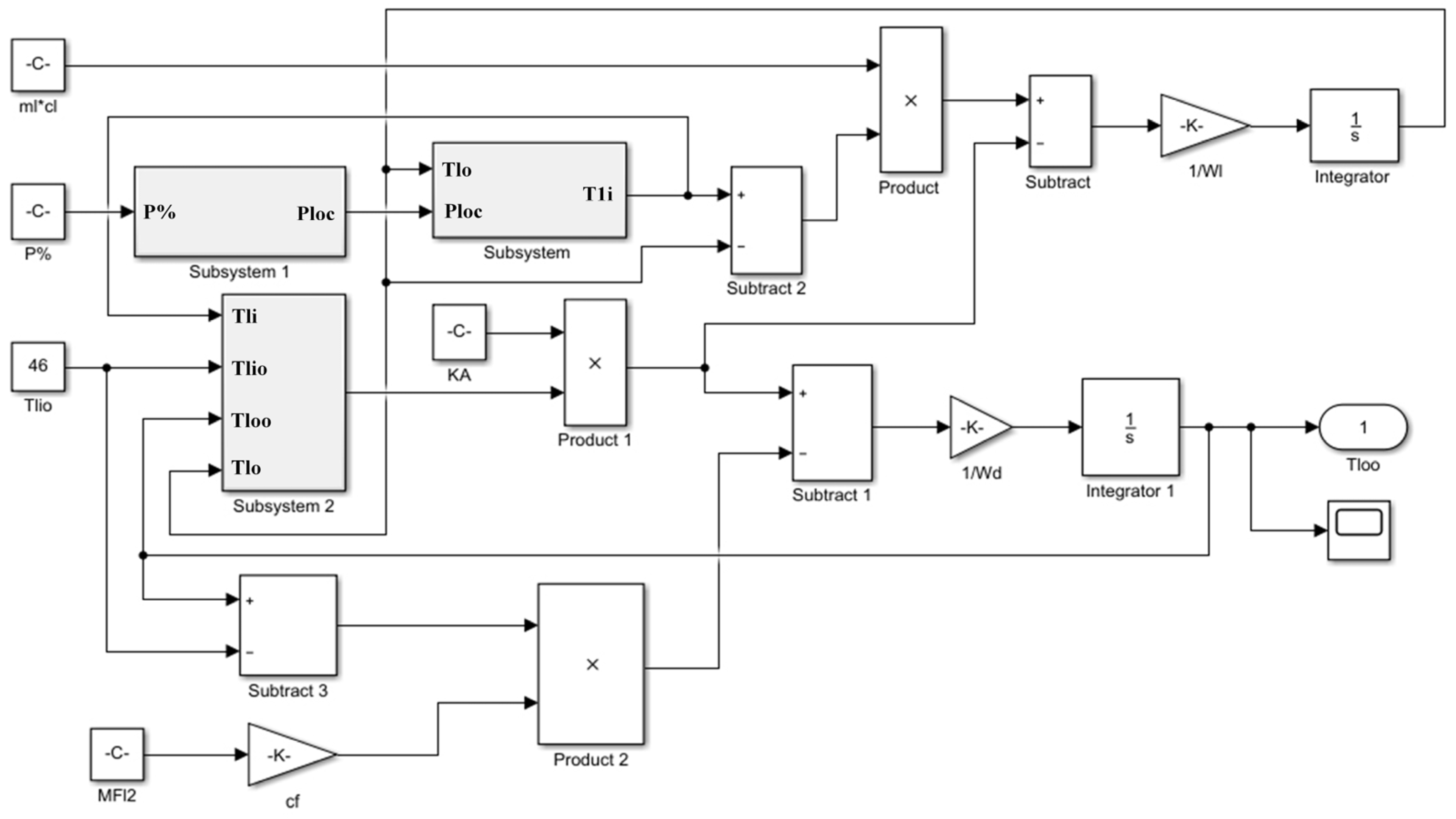
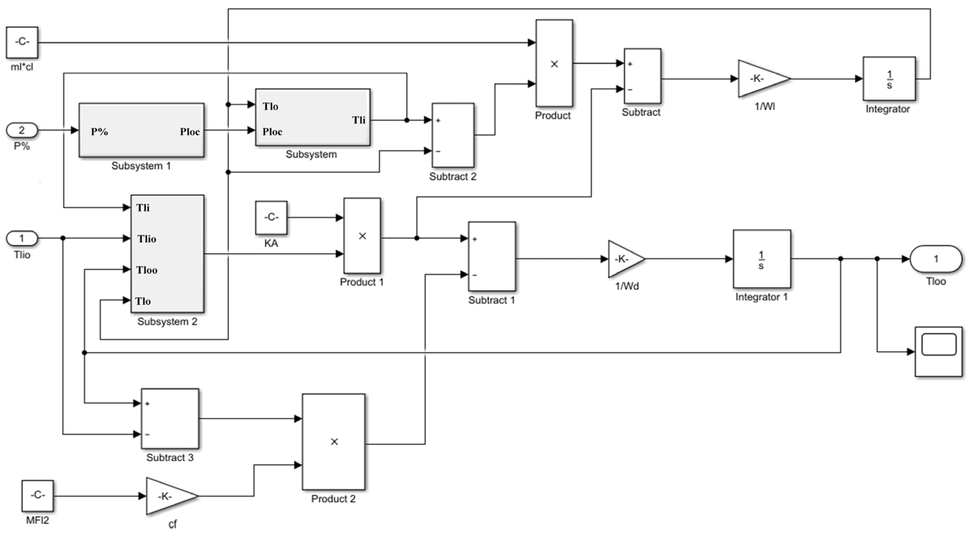
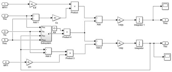
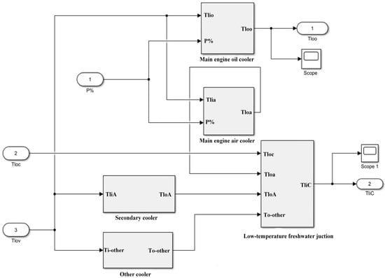
3.1. Simulink Model of the Central Water Cooling System
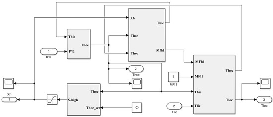
3.2. Simulink Model of the Motor with a Direct Torque Control System
- (1)
- Voltage equation
- (2)
- Magnetic chain equation
- (3)
- Torque equation
4. Results and Analysis of the Simulation
4.1. Results of the Simulation of the Stator’s Magnetic Chain in the Motor
4.2. Simulation Results of the Ship’s Central Water Cooling System
- (1)
- Simulation results under the rated operating conditions of the main engine
- (2)
- Results of the simulation when the main power was reduced
- (3)
- Results of the simulation when the temperature of the seawater dropped
- (4)
- Results of the simulation when the main engine’s power and the temperature of the seawater decreased simultaneously
4.3. Results of the Simulation of the Motor’s Parameters
- (1)
- Rated working conditions
- (2)
- Results of the simulation when the main power was reduced
- (3)
- Results of the simulation when the seawater temperature dropped
- (4)
- Results of the simulation when the main power and the temperature of the seawater reduced at the same time
5. Conclusions
- (1)
- Energy savings when the main engine’s load is reduced
- (2)
- Energy savings when the temperature of the seawater decreases
- (3)
- Energy savings when the main engine’s load and the temperature of the seawater were reduced at the same time
Author Contributions
Funding
Data Availability Statement
Conflicts of Interest
References
- Osman, T. Energy efficient ship design and operations. Ocean. Eng. 2015, 110, 1. [Google Scholar]
- Dong, Y. Study on Low Carbon and Green Development of Tianjin Port Container Terminal. Master’s Thesis, Dalian Maritime University, Dalian, China, 2020. [Google Scholar]
- Lee, C.M.; Jeon, T.Y.; Jung, B.G.; Lee, Y.C. Design of Energy Saving Controllers for Central Cooling Water Systems. J. Mar. Sci. Eng. 2021, 9, 513. [Google Scholar] [CrossRef]
- Kocak, G.; Durmusoglu, Y. Energy efficiency analysis of a ship’s central cooling system using variable speed pump. J. Mar. Eng. Technol. 2018, 17, 43–51. [Google Scholar] [CrossRef]
- Dere, C.; Deniz, C. Load optimization of central cooling system pumps of a container ship for the slow steaming conditions to enhance the energy efficiency. J. Clean. Prod. 2019, 222, 206–617. [Google Scholar] [CrossRef]
- Zhang, R.-L.; Zhong, Z.-J.; Wang, Y.-X. Optimal control strategy for central cooling water system of ships. J. Guangzhou Marit. Acad. 2019, 27, 34–37. [Google Scholar]
- Kulkarni, C.; Hombal, G.; Angadi, S.; Raju, A.B. Direct Torque Control for Induction Motor Drive with Reduced Torque and Flux Ripples. Int. J. Recent Technol. Eng. 2020, 8, 101–106. [Google Scholar]
- Mahdi, J.; Karim, A.; Mustafa, M. A 12-sector space vector switching table for parallel-connecting to dual induction motors fed by matrix convertor based on direct torque control. SN Appl. Sci. 2021, 3, 849. [Google Scholar]
- Li, B. Research on Frequency Control of Marine Main Seawater Pumps and Energy Saving of the System. Master’s Thesis, Dalian Maritime University, Dalian, China, 2016. [Google Scholar]
- Gao, X. Optimization of Direct Torque Control Strategy for Asynchronous Motor without Speed Sensor. Master’s Thesis, Harbin Engineering University, Harbin, China, 2021. [Google Scholar]
- Alessandro, B.; Gianmarco, M.; Mario, M.; Massimiliano, P.; Luis, V. Induction Motor Direct Torque Control with Synchronous PWM. Energies 2021, 14, 5025. [Google Scholar] [CrossRef]

























| Parameter | Temperature of Freshwater at the Outlet of the Cylinder of the ME, °C | Temperature of Freshwater at the Outlet of the Low-Temperature 3-Way Valve, °C | Seawater Flow, m3/h | Speed of the Seawater Pump, r/min |
|---|---|---|---|---|
| Design value | 85 | 36 | 500 | 1450 |
| Simulation value | 84.4 | 35.8 | 498 | 1445 |
| Error value | 0.7% | 0.5% | 0.4% | 0.34% |
| Parameter | Specific Value | Parameter | Specific Value |
|---|---|---|---|
| Rated voltage, V | 440 | Resistance of the stator, Ω | 0.26 |
| Rated current, A | 130 | Inductance of the stator, H | 0.002 |
| Rated power, kW | 37 | Resistance of the rotor, Ω | 0.723 |
| Rated speed, rpm | 1450 | Inductance of the rotor, H | 0.02 |
| Rated torque, N·m | 230 | Mutual sense, H | 0.061 |
| Frequency, Hz | 60 | Rotational inertia, kg·m2 | 0.075 |
| Motor efficiency | 0.917 | Polar logarithm | 2 |
Disclaimer/Publisher’s Note: The statements, opinions and data contained in all publications are solely those of the individual author(s) and contributor(s) and not of MDPI and/or the editor(s). MDPI and/or the editor(s) disclaim responsibility for any injury to people or property resulting from any ideas, methods, instructions or products referred to in the content. |
© 2023 by the authors. Licensee MDPI, Basel, Switzerland. This article is an open access article distributed under the terms and conditions of the Creative Commons Attribution (CC BY) license (https://creativecommons.org/licenses/by/4.0/).
Share and Cite
Wang, J.; Zhao, F.; Sun, L.; Hou, Y.; Chen, N. Research on the Energy Savings of Ships’ Water Cooling Pump Motors Based on Direct Torque Control. Processes 2023, 11, 1938. https://doi.org/10.3390/pr11071938
Wang J, Zhao F, Sun L, Hou Y, Chen N. Research on the Energy Savings of Ships’ Water Cooling Pump Motors Based on Direct Torque Control. Processes. 2023; 11(7):1938. https://doi.org/10.3390/pr11071938
Chicago/Turabian StyleWang, Jun, Fujian Zhao, Lun Sun, Yu Hou, and Ning Chen. 2023. "Research on the Energy Savings of Ships’ Water Cooling Pump Motors Based on Direct Torque Control" Processes 11, no. 7: 1938. https://doi.org/10.3390/pr11071938
APA StyleWang, J., Zhao, F., Sun, L., Hou, Y., & Chen, N. (2023). Research on the Energy Savings of Ships’ Water Cooling Pump Motors Based on Direct Torque Control. Processes, 11(7), 1938. https://doi.org/10.3390/pr11071938
