Exponential Curve-Based Control Strategy for Auxiliary Equipment Power Supply Systems in Railways
Abstract
:1. Introduction
2. AEPSS in Railways
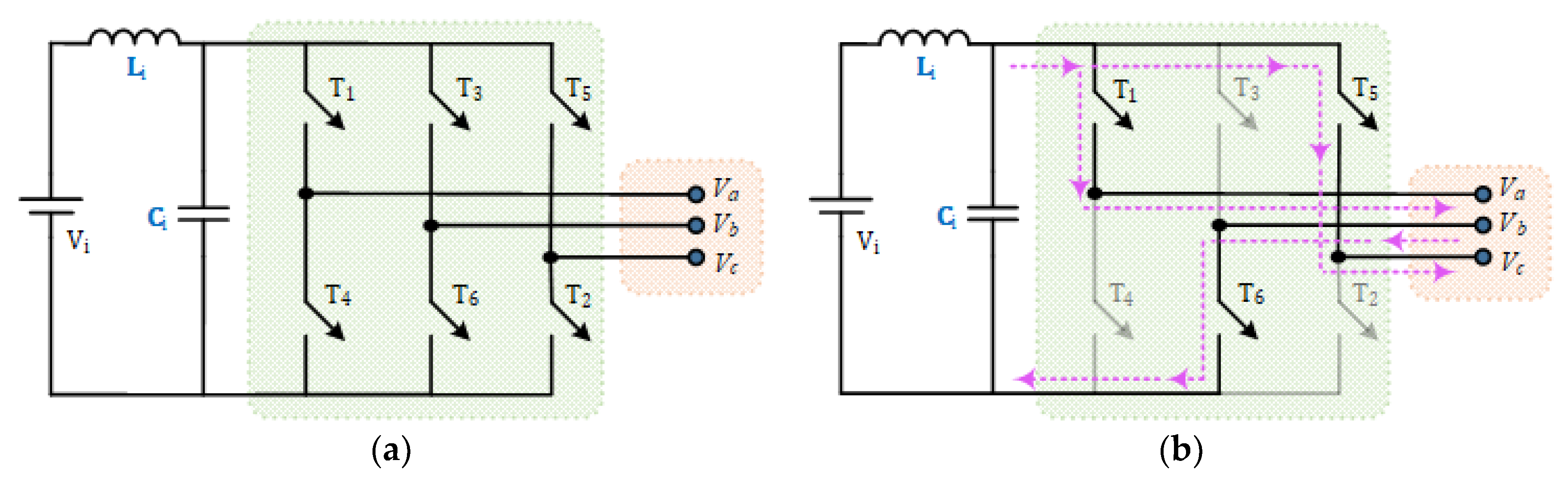
3. Working Principle of Isolated Three-Phase Inverter
4. Traditional and Proposed Control Strategy
4.1. Traditional Voltage Cancellation Method
4.2. Proposed Control Strategy
- 1.
- Growth of charge in the series RC circuit;
- 2.
- Decay of charge in the series RC circuit;
- 3.
- Harmonic elimination technique;
4.3. Flowchart
5. Experimental Validation
5.1. Hardware Result Using Traditional VCM
5.2. Hardware Result Using Proposed Control Strategy
5.3. Comparison of AEPSS Performance Using Both Control Strategies
6. Conclusions
Author Contributions
Funding
Data Availability Statement
Conflicts of Interest
References
- Lin, B.-R. Bidirectional Resonant Converter for DC Microgrid Applications. Processes 2021, 9, 1664. [Google Scholar] [CrossRef]
- Atawi, I.E.; Hendawi, E.; Zaid, S.A. Analysis and Design of a Standalone Electric Vehicle Charging Station Supplied by Photovoltaic Energy. Processes 2021, 9, 1246. [Google Scholar] [CrossRef]
- Liu, H.-D.; Farooqui, S.-A.; Lu, S.-D.; Lee, Y.-L.; Lin, C.-H. A Novel SLOPDM Solar Maximum Power Point Tracking Control Strategy for the Solar Photovoltaic Power System. Processes 2022, 10, 1452. [Google Scholar] [CrossRef]
- Khan, A.I.; Khan, R.A.; Farooqui, S.A.; Sarfraz, M. Artificial Neural Network-Based Maximum Power Point Tracking Method with the Improved Effectiveness of Standalone Photovoltaic System. In AI and Machine Learning Paradigms for Health Monitoring System; Springer: Singapore, 2021; pp. 459–470. [Google Scholar]
- Castillo, O.; Álvarez, R.; Domingo, R. Opportunities and Barriers of Hydrogen–Electric Hybrid Powertrain Vans: A Systematic Literature Review. Processes 2020, 8, 1261. [Google Scholar] [CrossRef]
- Wangai, A.W.; Rohacs, D.; Boros, A. Supporting the Sustainable Development of Railway Transport in Developing Countries. Sustainability 2020, 12, 3572. [Google Scholar] [CrossRef]
- Electric Vehicles Are Not Just the Wave of the Future, They Are Saving Lives Today. Earthjustice. 2020. Available online: https://earthjustice.org/features/electric-vehicles-explainer (accessed on 12 December 2022).
- Various Advantages of Electric Cars—Conserve Energy Future. Conserve Energy Future. Available online: https://www.conserve-energy-future.com/advantages-and-disadvantages-of-electric-cars.php (accessed on 12 December 2022).
- Central Organization for Railway Electrification. Available online: https://core.indianrailways.gov.in/view_section.jsp?lang=0&id=0,294,302,538 (accessed on 12 December 2022).
- Krastev, I.; Tricoli, P.; Hillmansen, S.; Chen, M. Future of Electric Railways: Advanced Electrification Systems with Static Converters for ac Railways. IEEE Electrif. Mag. 2016, 4, 6–14. [Google Scholar] [CrossRef]
- Verdicchio, A.; Ladoux, P.; Caron, H.; Courtois, C. New Medium-Voltage DC Railway Electrification System. IEEE Trans. Transp. Electrif. 2018, 4, 591–604. [Google Scholar] [CrossRef]
- Spiryagin, M.; Cole, C.; Sun, Y.Q.; McClanachan, M.; Spiryagin, V.; McSweeney, T. Design and Simulation of Rail Vehicles; CRC Press: Boca Raton, FL, USA, 2014. [Google Scholar]
- Hitachi Rail Inc. Training Materials Propulsion and Auxiliary Power System; Hitachi Rail Inc.: Pistoia, Italy, 2020. [Google Scholar]
- Siemens Inc. Training Materials Auxiliary Power System; Siemens Inc.: Berlin, Germany, 2008. [Google Scholar]
- Salam, M.A.; Rahman, Q.M. Fundamentals of Electrical Circuit Analysis; Springer: Singapore, 2018. [Google Scholar]
- Farooqui, S.A.; Shees, M.M.; Alsharekh, M.F.; Alyahya, S.; Khan, R.A.; Sarwar, A.; Islam, M.; Khan, S. Crystal structure algorithm (CryStAl) based selective harmonic elimination modulation in a cascaded h-bridge multilevel inverter. Electronics 2021, 10, 3070. [Google Scholar] [CrossRef]
- Khan, R.A.; Farooqui, S.A.; Sarwar, M.I.; Ahmad, S.; Tariq, M.; Sarwar, A.; Zaid, M.; Ahmad, S.; Mohamed, A.S.N. Archimedes optimization algorithm based selective harmonic elimination in a cascaded h-bridge multilevel inverter. Sustainability 2021, 14, 310. [Google Scholar] [CrossRef]
- De la Fuente, E.P.; Mazumder, S.K.; Franco, I.G. Railway Electrical Smart Grids: An introduction to next-generation railway power systems and their operation. IEEE Electrif. Mag. 2014, 2, 49–55. [Google Scholar] [CrossRef]
























| Parameters | Value |
|---|---|
| System power | 30 kW |
| Input voltage (range) | 550 VDC to 800 VDC |
| Output voltage | 3 phase 380 VAC |
| Output frequency | 60 Hz |
| Parameters | Quantity | Value |
|---|---|---|
| Input inductor Li | 1 | 300 μH |
| Input capacitor Ci | 1 | 500 μF |
| Transformer | 1 | 1:1 (Δ − Y), 40 kVA |
| Output inductor Lo | 3 | 500 μH |
| Output capacitor Co | 3 | 200 μF |
| States | T1 | T2 | T3 | T4 | T5 | T6 | Va | Vb | Vc |
|---|---|---|---|---|---|---|---|---|---|
| Mode-1 | 1 | 0 | 0 | 0 | 1 | 1 | +V | −V | +V |
| Mode-2 | 1 | 1 | 0 | 0 | 0 | 1 | +V | −V | −V |
| Mode-3 | 1 | 1 | 1 | 0 | 0 | 0 | +V | +V | −V |
| Mode-4 | 0 | 1 | 1 | 1 | 0 | 0 | −V | +V | −V |
| Mode-5 | 0 | 0 | 1 | 1 | 1 | 0 | −V | +V | +V |
| Mode-6 | 0 | 0 | 0 | 1 | 1 | 1 | −V | −V | +V |
| Equipment/Components | Quantity | Specification |
|---|---|---|
| Microcontroller unit | 1 | Microchip, dsPIC33FJ64GS606 |
| Three-phase transformer | 1 | 1:1 (Δ − Y), 3 kVA |
| Three-phase inverter | 1 | Vi = 550 VDC ~ 800 VDC, Vo = 380 VAC, 3 kVA |
| Resistive load | 3 | 500 + 100 + 50 Ω, 3 kVA |
| Capacitor | 3 | 200 μF, 500 μF, 450 VAC |
| IGBT | 6 | ROHM, RGC80TSX8RGC11 |
| Gate Driver Circuits | 6 | TOSHIBA, TLP 250H |
| Power and harmonic analyzer | 1 | PROVA, 6830A |
| Digital storage oscilloscope | 1 | KEYSIGHT, DSOX1204A |
| Laptop | 1 | Acer, Predator Helios 300 |
| DC power supply | 2 | CHROMA, 62012P |
| DC power supply | 1 | GWINSTEK, GPS-4303 |
| Control Strategy | Capacitor Value (μF) |
|---|---|
| Traditional VCM | 500 |
| Proposed ECB control strategy | 200 |
Disclaimer/Publisher’s Note: The statements, opinions and data contained in all publications are solely those of the individual author(s) and contributor(s) and not of MDPI and/or the editor(s). MDPI and/or the editor(s) disclaim responsibility for any injury to people or property resulting from any ideas, methods, instructions or products referred to in the content. |
© 2023 by the authors. Licensee MDPI, Basel, Switzerland. This article is an open access article distributed under the terms and conditions of the Creative Commons Attribution (CC BY) license (https://creativecommons.org/licenses/by/4.0/).
Share and Cite
Farooqui, S.A.; Lin, C.-H.; Lu, S.-D.; Liu, H.-D.; Sarwar, A.; Huang, L.-Y. Exponential Curve-Based Control Strategy for Auxiliary Equipment Power Supply Systems in Railways. Processes 2023, 11, 1285. https://doi.org/10.3390/pr11041285
Farooqui SA, Lin C-H, Lu S-D, Liu H-D, Sarwar A, Huang L-Y. Exponential Curve-Based Control Strategy for Auxiliary Equipment Power Supply Systems in Railways. Processes. 2023; 11(4):1285. https://doi.org/10.3390/pr11041285
Chicago/Turabian StyleFarooqui, Shoeb Azam, Chang-Hua Lin, Shiue-Der Lu, Hwa-Dong Liu, Adil Sarwar, and Liang-Yin Huang. 2023. "Exponential Curve-Based Control Strategy for Auxiliary Equipment Power Supply Systems in Railways" Processes 11, no. 4: 1285. https://doi.org/10.3390/pr11041285
APA StyleFarooqui, S. A., Lin, C.-H., Lu, S.-D., Liu, H.-D., Sarwar, A., & Huang, L.-Y. (2023). Exponential Curve-Based Control Strategy for Auxiliary Equipment Power Supply Systems in Railways. Processes, 11(4), 1285. https://doi.org/10.3390/pr11041285

