Application and Comparison of a Modified Protection Scheme Utilizing a Proportional–Integral Controller with a Conventional Design to Enhance Doubly Fed Induction Generator Wind Farm Operations during a Balanced Voltage Dip
Abstract
:1. Introduction
2. Modeling the System of a Wind Farm
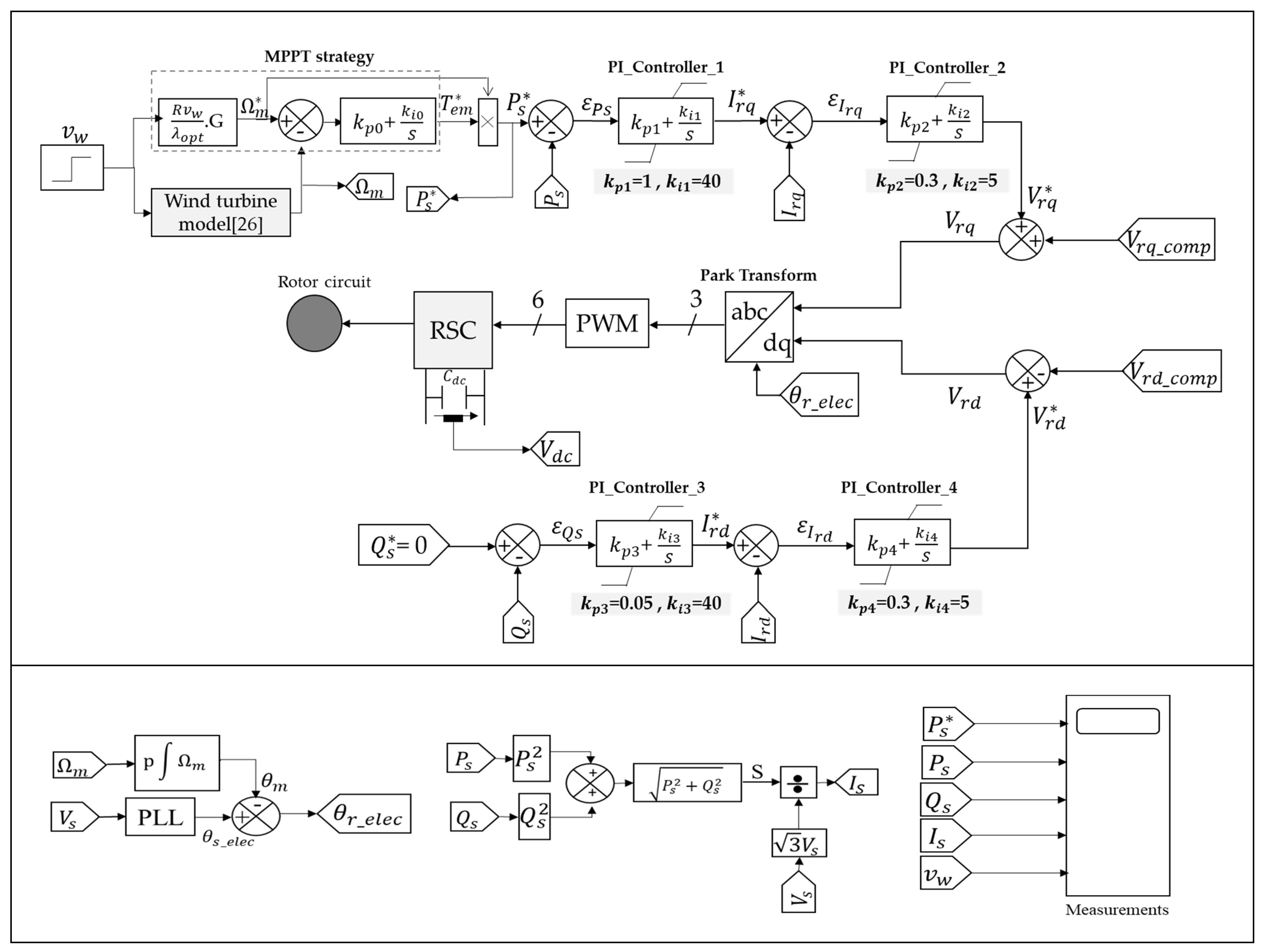
2.1. Modeling the Turbines and the Approach for MPPT
2.2. The Modeling of the DFIG and RSC Converter
2.3. Design of the Controller for the DFIG-RSC System
2.4. DFIG Operation during a Balanced Voltage Dip Event
3. Protecting against an Overabundance of Rotor Current
Modified Protection Scheme
4. Results from Simulations
4.1. Results Pertaining to the Power Obtained
4.2. Results Obtained during the Comparison When a Balanced Voltage Dip Fault Is Present
5. Conclusions
Author Contributions
Funding
Data Availability Statement
Acknowledgments
Conflicts of Interest
Abbreviations
| List of Notations | |
| Vs,Vr | Instantaneous stator and rotor voltages |
| Upcc | Common coupling point tension |
| Variation in stator voltage during a voltage dip | |
| Variation in rotor voltage during a voltage dip | |
| Is,Ir | Instantaneous stator and rotor currents |
| Ir-thr | Rotor current limit value during a voltage dip |
| Ps,Qs | Stator active and reactive power |
| Reference of stator active and reactive power | |
| S | Apparent power |
| θr_elec | Rotor electrical angle |
| θs_elec | Stator electrical angle |
| Reference electromagnetic torque | |
| Cdc | DC-link capacitance |
| Rf,Lf | Resistance and inductance of the filter |
| s,slip | Stator angular frequency, slip angular frequency |
| Mechanical speed | |
| p | Number of pole pairs |
| Wind speed | |
| Rp,Lp | Resistance and inductance of parallel impedance |
| Vsd,Vsq | Direct and quadrature stator voltage |
| Vrd,Vrq | Direct and quadrature rotor voltage |
| Ird,Irq | Direct and quadrature rotor current |
| Isd,Isq | Direct and quadrature stator current |
| Rcrw | Resistance of conventional crowbar |
| Resistance of MPS crowbar | |
| kp,ki | Controller constants |
| Acronyms | |
| WT | Wind turbine |
| WF | Wind farm |
| DFIG | Doubly fed induction generator |
| SCIG | Squirrel-cage induction generator |
| RSC | Rotor-side converter |
| GSC | Grid-side converter |
| AC | Alternating current |
| DC | Direct current |
| dq | Direct quadrature |
| PCC | Point of common coupling |
| MPPT | Maximum power point tracking |
| PWM | Pulse width modulation |
| PLL | Phase-locked loops |
| MUX | Multiplexer |
| LVRT | Low-voltage ride-through |
| FRT | Fault ride through |
| PI | Proportional–integral |
| Th | Thyristor |
| D | Diode |
| MPS | Modified protection scheme |
| IGBT | Insulated-gate bipolar transistor |
References
- Mossa, M. Modeling Analysis and Enhancement of the Performance of a Wind Driven DFIG During Steady State and Transient Conditions; Anchor Academic Publishing: Hamburg, Germany, 2014. [Google Scholar]
- Chetouani, E.; Errami, Y.; Obbadi, A.; Sahnoun, S. Design of Optimal Backstepping Control for a Wind Power Plant System Using the Adaptive Weighted Particle Swarm Optimization. Int. J. Intell. Eng. Syst. 2021, 14, 125–136. [Google Scholar]
- Saad, N.H.; Sattar, A.A.; Mansour, A.E.A.M. Low voltage ride through of doubly-fed induction generator connected to the grid using sliding mode control strategy. Renew. Energy 2015, 80, 583–594. [Google Scholar] [CrossRef]
- Li, S.; Haskew, T.A.; Williams, K.A.; Swatloski, R.P. Control of DFIG wind turbine with direct-current vector control configuration. IEEE Trans. Sustain. Energy 2012, 3, 1–11. [Google Scholar] [CrossRef]
- Rached, B.; Elharoussi, M.; Abdelmounim, E. Fuzzy logic control for wind energy conversion system based on DFIG. In Proceedings of the 2019 International Conference on Wireless Technologies, Embedded and Intelligent Systems (WITS), Fez, Morocco, 3–4 April 2019; pp. 1–6. [Google Scholar]
- Beltran, B.; Ahmed-Ali, T.; Benbouzid, M.E.H. Sliding mode power control of variable-speed wind energy conversion systems. IEEE Trans. Energy Convers. 2008, 23, 551–558. [Google Scholar] [CrossRef]
- Mwasilu, F.; Justo, J.J.; Ro, K.-S.; Jung, J.-W. Improvement of dynamic performance of doubly fed induction generator-based wind turbine power system under an unbalanced grid voltage condition. IET Renew. Power. Gener. 2012, 6, 424–434. [Google Scholar] [CrossRef]
- Qin, B.; Li, H.; Zhou, X.; Li, J.; Liu, W. Low-voltage ride-through techniques in DFIG-based wind turbines: A review. Appl. Sci. 2020, 10, 2154. [Google Scholar] [CrossRef]
- Akanto, J.M.; Hazari, M.R.; Mannan, M.A. Lvrt and stability enhancement of grid-tied wind farm using dfig-based wind turbine. Appl. Syst. Innov. 2021, 4, 33. [Google Scholar] [CrossRef]
- Yamparala, S.; Lakshminarasimman, L.; Rao, G.S. Improvement of LVRT Capability for DFIG based WECS by Optimal Design of FoPID Controller using SLnO + GWO Algorithm. Int. J. Intell. Eng. Syst. 2023, 16, 202–213. [Google Scholar]
- Loulijat, A.; Ababssi, N.; Makhad, M. Kalman Observer Contribution to a Second Order Sliding Mode Control for Wind Turbine Based on DFIG During the Network Voltage Dip. Int. J. Intell. Eng. Syst. 2021, 14, 88–101. [Google Scholar] [CrossRef]
- Okedu, K.E.; Member, S.; Muyeen, S.M.; Takahashi, R.; Tamura, J.; Member, S. Wind farms fault ride through using DFIG with new protection scheme. IEEE Trans. Sustain. Energy 2012, 3, 242–254. [Google Scholar] [CrossRef]
- Yang, J.; Fletcher, J.E.; O’Reilly, J. A series-dynamic-resistor-based converter protection scheme for doubly-fed induction generator during various fault conditions. IEEE Trans. Energy Convers. 2010, 25, 422–432. [Google Scholar] [CrossRef]
- Rahimi, M.; Parniani, M. Low voltage ride-through capability improvement of DFIG-based wind turbines under unbalanced voltage dips. Int. J. Electr. Power Energy Syst. 2014, 60, 82–95. [Google Scholar] [CrossRef]
- Mohammadi, J.; Afsharnia, S.; Ebrahimzadeh, E.; Blaabjerg, F. An Enhanced LVRT Scheme for DFIG-based WECSs under Both Balanced and Unbalanced Grid Voltage Sags. Electr. Power Compon. Syst. 2017, 45, 1242–1252. [Google Scholar] [CrossRef]
- Pannell, G.; Zahawi, B.; Atkinson, D.J.; Missailidis, P. Evaluation of the performance of a DC-link brake chopper as a DFIG low-voltage fault-ride-through device. IEEE Trans. Energy Convers. 2013, 28, 535–542. [Google Scholar] [CrossRef]
- Yang, S.; Zhou, T.; Sun, D.; Xie, Z.; Zhang, X. A SCR crowbar commutated with power converter for DFIG-based wind turbines. Int. J. Electr. Power Energy Syst. 2016, 81, 87–103. [Google Scholar] [CrossRef]
- Noureldeen, O. Behavior of DFIG Wind Turbines with Crowbar Protection under Short Circuit. Int. J. Electr. Comput. Sci. IJECS-IJENS 2012, 12, 129103–136868. [Google Scholar]
- Adekanle, O.S.; Guisser, M.; Abdelmounim, E.; Aboulfatah, M. Nonlinear Controller with Rotor Crowbar and DC-Chopper Fault Ride Through Technique for Grid-Connected Doubly-Fed Induction Generator. Int. Rev. Autom. Contr. 2018, 11, 281–292. [Google Scholar] [CrossRef]
- Saeed, S.; Asghar, R.; Mehmood, F.; Saleem, H.; Azeem, B.; Ullah, Z. Evaluating a Hybrid Circuit Topology for Fault-Ride through in DFIG-Based Wind Turbines. Sensors 2022, 22, 9314. [Google Scholar] [CrossRef]
- Sharma, R.; Makwana, V.H. An advanced LVRT controlled DSCC-STATCOM for reactive power compensation. Int. J. Power Electron. Drive Syst. 2023, 14, 294–303. [Google Scholar] [CrossRef]
- López, J.; Gubía, E.; Olea, E.; Ruiz, J.; Marroyo, L. Ride through of wind turbines with doubly fed induction generator under symmetrical voltage dips. IEEE Trans. Ind. Electron. 2009, 56, 4246–4254. [Google Scholar] [CrossRef]
- Qiao, W.; Venayagamoorthy, G.K.; Harley, R.G. Real-time implementation of a STATCOM on a wind farm equipped with doubly fed induction generators. IEEE Trans. Ind. Appl. 2009, 45, 98–107. [Google Scholar] [CrossRef]
- Liang, J.; Qiao, W.; Harley, R.G. Feed-forward transient current control for low-voltage ride-through enhancement of DFIG wind turbines. IEEE Trans. Energy Convers. 2010, 25, 836–843. [Google Scholar] [CrossRef]
- Wessels, C.; Member, S.; Gebhardt, F.; Member, S.; Fuchs, F.W.; Member, S. Fault Ride-Through of a DFIG Wind Turbine Using a Dynamic Voltage Restorer During Symmetrical and Asymmetrical Grid Faults. IEEE Trans. Power Electron. 2011, 26, 807–815. [Google Scholar] [CrossRef]
- Qin, K.; Wang, S.; Kang, Z. Research on zero-voltage ride through control strategy of doubly fed wind turbine. Energies 2021, 14, 2287. [Google Scholar] [CrossRef]
- Reddy, K.; Saha, A.K. A Heuristic Approach to Optimal Crowbar Setting and Low Voltage Ride through of a Doubly Fed Induction Generator. Energies 2022, 15, 9307. [Google Scholar] [CrossRef]
- Chojaa, H.; Derouich, A.; Chehaidia, S.; Zamzoum, O.; Taoussi, M.; Benbouhenni, H.; Mahfoud, S. Enhancement of Direct Power Control by Using Artificial Neural Network for a Doubly Fed Induction Generator-Based WECS: An Experimental Validation. Electronics 2022, 11, 4106. [Google Scholar]
- Sobhy, A.; Abo-Khalil, A.G.; Lei, D.; Salameh, T.; Merabet, A.; Alkasrawi, M. Coupling DFIG-Based Wind Turbines with the Grid under Voltage Imbalance Conditions. Sustainability 2022, 14, 5076. [Google Scholar] [CrossRef]
- Ngom, I.; Mboup, A.B.; Thiaw, L.; Skander-Mustapha, S.; Belkhodja, I.S. An improved control for DC-link fluctuation during voltage dip based on DFIG. In Proceedings of the 2018 9th International Renewable Energy Congress (IREC), Hammamet, Tunisia, 20–22 March 2018; pp. 1–6. [Google Scholar]
- Meegahapola, L.G.; Littler, T.; Flynn, D. Decoupled-DFIG Fault Ride-Through Strategy for Enhanced Stability Performance During Grid Faults. IEEE Trans. Sustain. Energy 2010, 1, 152–162. [Google Scholar] [CrossRef]
- Foster, S.; Xu, L.; Fox, B. Coordinated reactive power control for facilitating fault ride through of doubly fed induction generator-and fixed speed induction generator-based wind farms. IET Renew. Power Gener. 2010, 4, 128–138. [Google Scholar] [CrossRef]
- Loulijat, A.; Chojaa, H.; El Marghichi, M.; Ettalabi, N.; Hilali, A.; Mouradi, A.; Abdelaziz, A.Y.; Elbarbary, Z.M.S.; Mossa, M.A. Enhancement of LVRT Ability of DFIG Wind Turbine by an Improved Protection Scheme with a Modified Advanced Nonlinear Control Loop. Processes 2023, 11, 1417. [Google Scholar] [CrossRef]

















| Parameter | Value |
|---|---|
| Rated power (Pn) | 2 MW |
| Number of blades | 3 |
| Radius (R) | 39 m |
| Swept surface (St) | 5027 m2 |
| Air density (ρ) | 1.225 kg/m3 |
| Gearbox (G) | 90 |
| Stator nominal voltage (Vsn) | 690 V |
| Nominal frequency (f) | 50 Hz |
| Number of pole pairs (p) | 2 |
| Stator resistance (Rs) | 0.023 pu |
| Rotor resistance (Rr) | 0.016 pu |
| Stator inductance (Ls) | 0.18 pu |
| Rotor inductance (Lr) | 0.18 pu |
| Mutual inductance (M) | 2.9 pu |
| DC-link voltage (Vdc) | 1.2 kV |
| Parameter | Value |
|---|---|
| 0.25 Ω | |
| 0.18 Ω | |
| Rp | 10 Ω |
| Lp | 25 H |
| RDC_ch | 0.5 Ω |
Disclaimer/Publisher’s Note: The statements, opinions and data contained in all publications are solely those of the individual author(s) and contributor(s) and not of MDPI and/or the editor(s). MDPI and/or the editor(s) disclaim responsibility for any injury to people or property resulting from any ideas, methods, instructions or products referred to in the content. |
© 2023 by the authors. Licensee MDPI, Basel, Switzerland. This article is an open access article distributed under the terms and conditions of the Creative Commons Attribution (CC BY) license (https://creativecommons.org/licenses/by/4.0/).
Share and Cite
Loulijat, A.; Chojaa, H.; El Marghichi, M.; Ettalabi, N.; Hilali, A.; Barnawi, A.B.; Elbarbary, Z.M.S.; Mossa, M.A. Application and Comparison of a Modified Protection Scheme Utilizing a Proportional–Integral Controller with a Conventional Design to Enhance Doubly Fed Induction Generator Wind Farm Operations during a Balanced Voltage Dip. Processes 2023, 11, 2834. https://doi.org/10.3390/pr11102834
Loulijat A, Chojaa H, El Marghichi M, Ettalabi N, Hilali A, Barnawi AB, Elbarbary ZMS, Mossa MA. Application and Comparison of a Modified Protection Scheme Utilizing a Proportional–Integral Controller with a Conventional Design to Enhance Doubly Fed Induction Generator Wind Farm Operations during a Balanced Voltage Dip. Processes. 2023; 11(10):2834. https://doi.org/10.3390/pr11102834
Chicago/Turabian StyleLoulijat, Azeddine, Hamid Chojaa, Mouncef El Marghichi, Naoufl Ettalabi, Abdelilah Hilali, Abdulwasa B. Barnawi, Z. M. S. Elbarbary, and Mahmoud A. Mossa. 2023. "Application and Comparison of a Modified Protection Scheme Utilizing a Proportional–Integral Controller with a Conventional Design to Enhance Doubly Fed Induction Generator Wind Farm Operations during a Balanced Voltage Dip" Processes 11, no. 10: 2834. https://doi.org/10.3390/pr11102834
APA StyleLoulijat, A., Chojaa, H., El Marghichi, M., Ettalabi, N., Hilali, A., Barnawi, A. B., Elbarbary, Z. M. S., & Mossa, M. A. (2023). Application and Comparison of a Modified Protection Scheme Utilizing a Proportional–Integral Controller with a Conventional Design to Enhance Doubly Fed Induction Generator Wind Farm Operations during a Balanced Voltage Dip. Processes, 11(10), 2834. https://doi.org/10.3390/pr11102834

