Sustainability Assessment of the Utilization of CO2 in a Dielectric Barrier Discharge Reactor Powered by Photovoltaic Energy
Abstract
:1. Introduction
2. Materials and Methods
2.1. Materials
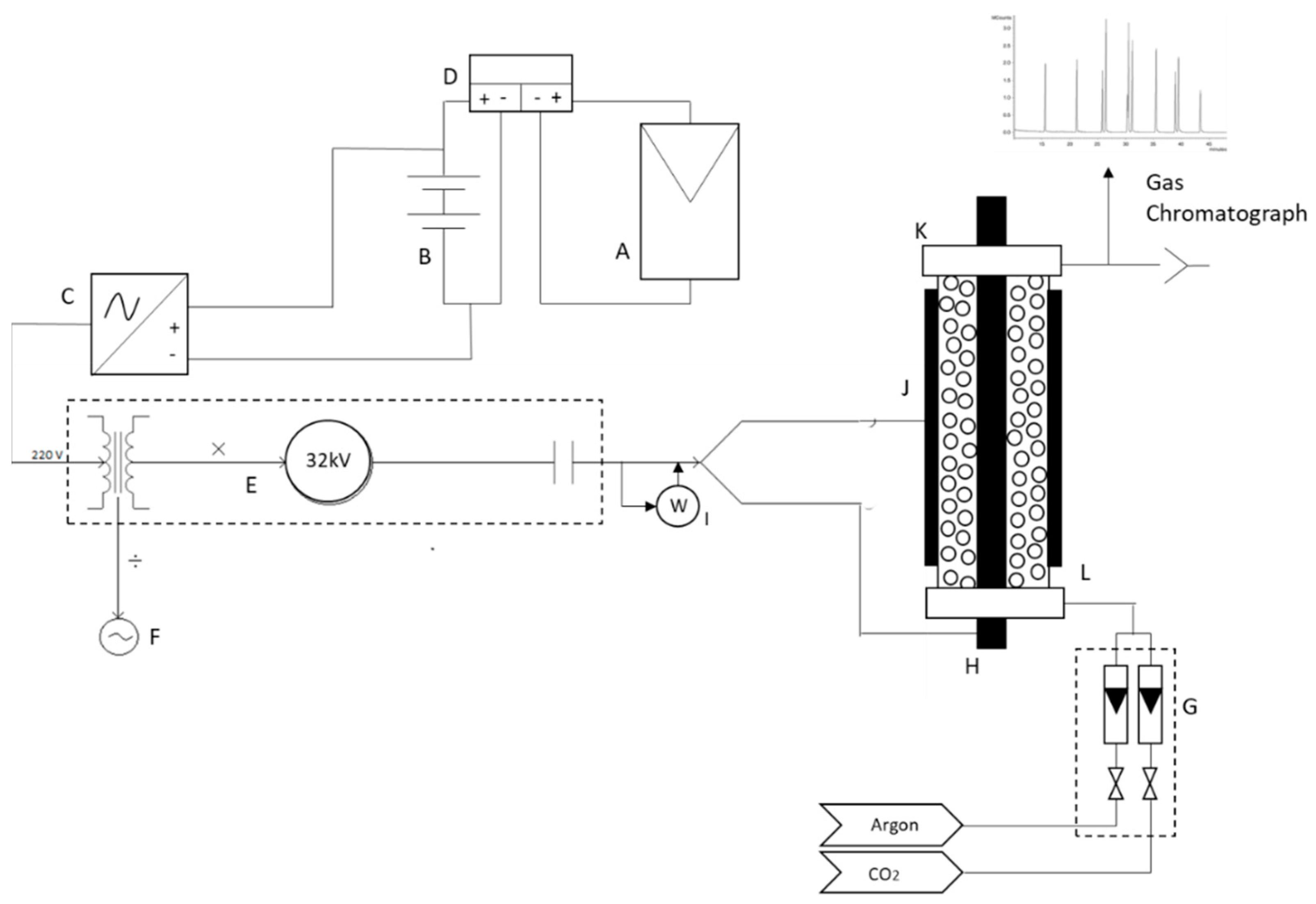
2.2. Experimental Setup
2.3. CO2 Conversion into CO Experiments
2.4. Environmental Sustainability Assessment
3. Results and Discussion
3.1. Influence of CO2 Flowrate
3.2. Influence of Argon Flowrate
3.3. Environmental Impact Using Photovoltaic Energy to Power the DBD Reactor
4. Conclusions
- The concentration of CO2 in the inlet of the reactor is an important variable. The CO2 conversion is higher at lower CO2 concentrations. An increase in CO2 concentration causes a major decline in CO2 conversion.
- The maximum CO2 conversion was 74.2%, using an Ar flowrate of 1 L/min and a CO2 flowrate of 3 mL/min, applying 50 W, a frequency of 20 kHz, and a minimum duty cycle.
- The presence of the diluent gas (Ar) has a strong influence on the decomposition of CO2. It was observed that at higher Ar concentrations, the conversion improved.
- The use of photovoltaic energy increases the sustainability of the process. Using an LCA approach, it was estimated, for the decomposition reaction, that, with the best conditions obtained in this study, it would be possible to compensate 97% of the CO2 emissions related to the process.
Author Contributions
Funding
Institutional Review Board Statement
Informed Consent Statement
Data Availability Statement
Acknowledgments
Conflicts of Interest
References
- Huisingh, D.; Zhang, Z.; Moore, J.C.; Qiao, Q.; Li, Q. Recent advances in carbon emissions reduction: Policies, technologies, monitoring, assessment and modeling. J. Clean. Prod. 2015, 103, 1–12. [Google Scholar] [CrossRef]
- Fernandez, J.; Sotenko, M.; Derevschikov, V.; Lysikov, A.; Rebrov, E.V. A radiofrequency heated reactor system for post-combustion carbon capture. Chem. Eng. Process. Process Intensif. 2016, 108, 17–26. [Google Scholar] [CrossRef]
- Sotenko, M.; Fernández, J.; Hu, G.; Derevschikov, V.; Lysikov, A.; Parkhomchuk, E.; Semeykina, V.; Okunev, A.; Rebrov, E.V. Performance of novel CaO-based sorbents in high temperature CO 2 capture under RF heating. Chem. Eng. Process. Process Intensif. 2017, 122, 487–492. [Google Scholar] [CrossRef]
- Yu, C.-H.; Huang, C.-H.; Tan, C.-S. A Review of CO2 Capture by Absorption and Adsorption. Aerosol Air Qual. Res. 2012, 12, 745–769. [Google Scholar] [CrossRef]
- Zhang, Y.; Lu, X.; Ji, X. Carbon Dioxide Capture. In Deep Eutectic Solvents; John Wiley & Sons Ltd.: Hoboken, NJ, USA, 2019; pp. 297–319. [Google Scholar] [CrossRef]
- Gutierrez-Ortega, A.; Menacho, J.; Gonzalez-Olmos, R.; Nomen, R.; Sempere, J. Numerical simulation of fixed bed for CO2 capture in a fossil fuel emission points by Pressure Swing Adsorption system. In 27th European Symposium on Computer Aided Process Engineering; Espuña, A., Graells, M., Puigjaner, L., Eds.; Elsevier: Amsterdam, The Netherlands, 2017; pp. 415–420. [Google Scholar] [CrossRef]
- Williams, G. 9th carbon dioxide utilisation summit 2017. In Johnson Matthey Technology Review; Johnson Matthey Public Limited Company: Royston, UK, 2018; pp. 389–394. [Google Scholar] [CrossRef]
- Centi, G.; Quadrelli, E.A.; Perathoner, S. Catalysis for CO2 conversion: A key technology for rapid introduction of renewable energy in the value chain of chemical industries. Energy Environ. Sci. 2013, 6, 1711–1731. [Google Scholar] [CrossRef]
- Song, C. Global challenges and strategies for control, conversion and utilization of CO2 for sustainable development involving energy, catalysis, adsorption and chemical processing. Catal. Today 2006, 115, 2–32. [Google Scholar] [CrossRef]
- Olah, G.A.; Goeppert, A.; Prakash, G.K.S. Chemical Recycling of Carbon Dioxide to Methanol and Dimethyl Ether: From Greenhouse Gas to Renewable, Environmentally Carbon Neutral Fuels and Synthetic Hydrocarbons. J. Org. Chem. 2008, 74, 487–498. [Google Scholar] [CrossRef]
- Li, S.; Guo, L.; Ishihara, T. Hydrogenation of CO2 to methanol over Cu/AlCeO catalyst. Catal. Today 2020, 339, 352–361. [Google Scholar] [CrossRef]
- Yuan, L.; Lu, K.-Q.; Zhang, F.; Fu, X.; Xu, Y.-J. Unveiling the interplay between light-driven CO2 photocatalytic reduction and carbonaceous residues decomposition: A case study of Bi2WO6-TiO2 binanosheets. Appl. Catal. B Environ. 2018, 237, 424–431. [Google Scholar] [CrossRef]
- Zhou, A.; Chen, D.; Ma, C.; Yu, F.; Dai, B. DBD Plasma-ZrO2 Catalytic Decomposition of CO2 at Low Temperatures. Catalysts 2018, 8, 256. [Google Scholar] [CrossRef]
- Jwa, E.; Moks, Y.; Lee, S. Conversion of carbon oxides into methane in a nonthermal plasma-catalytic reactor. Eur. Phys. J. Appl. Phys. 2011, 56, 24025. [Google Scholar] [CrossRef]
- Wu, P.; Li, X.; Ullah, N.; Li, Z. Synergistic effect of catalyst and plasma on CO2 decomposition in a dielectric barrier discharge plasma reactor. Mol. Catal. 2020, 499, 111304. [Google Scholar] [CrossRef]
- Ray, D.; Chawdhury, P.; Subrahmanyam, C. A facile method to decompose CO2 using a g-C3N4-assisted DBD plasma reactor. Environ. Res. 2020, 183, 109286. [Google Scholar] [CrossRef] [PubMed]
- Zhang, K.; Zhang, G.; Liu, X.; Phan, A.N.; Luo, K. A Study on CO2 Decomposition to CO and O2 by the Combination of Catalysis and Dielectric-Barrier Discharges at Low Temperatures and Ambient Pressure. Ind. Eng. Chem. Res. 2017, 56, 3204–3216. [Google Scholar] [CrossRef]
- Li, H.; Liao, J.C. Biological conversion of carbon dioxide to photosynthetic fuels and electrofuels. Energy Environ. Sci. 2013, 6, 2892–2899. [Google Scholar] [CrossRef]
- Wang, W.-H.; Himeda, Y.; Muckerman, J.T.; Manbeck, G.F.; Fujita, E. CO2 Hydrogenation to Formate and Methanol as an Alternative to Photo- and Electrochemical CO2 Reduction. Chem. Rev. 2015, 115, 12936–12973. [Google Scholar] [CrossRef]
- Lu, P.; Yang, Y.; Yao, J.; Wang, M.; Dipazir, S.; Yuan, M.; Zhang, J.; Wang, X.; Xie, Z.; Zhang, G. Facile synthesis of single-nickel-atomic dispersed N-doped carbon framework for efficient electrochemical CO2 reduction. Appl. Catal. B Environ. 2018, 241, 113–119. [Google Scholar] [CrossRef]
- Yap, D.; Tatibouët, J.-M.; Batiot-Dupeyrat, C. Carbon dioxide dissociation to carbon monoxide by non-thermal plasma. J. CO2 Util. 2015, 12, 54–61. [Google Scholar] [CrossRef]
- Wen, Y.; Jiang, X. Decomposition of CO2 Using Pulsed Corona Discharges Combined with Catalyst. Plasma Chem. Plasma Process. 2001, 21, 665–678. [Google Scholar] [CrossRef]
- Mikoviny, T.; Kočan, M.; Matejcik, S.; Mason, N.J.; Skalny, J.D. Experimental study of negative corona discharge in pure carbon dioxide and its mixtures with oxygen. J. Phys. D Appl. Phys. 2003, 37, 64–73. [Google Scholar] [CrossRef]
- Ramakers, M.; Trenchev, G.; Heijkers, S.; Wang, W.; Bogaerts, A. Gliding Arc Plasmatron: Providing an Alternative Method for Carbon Dioxide Conversion. ChemSusChem 2017, 10, 2642–2652. [Google Scholar] [CrossRef] [PubMed]
- Nagassou, D.; Mohsenian, S.; Nallar, M.; Yu, P.; Wong, H.-W.; Trelles, J.P. Decomposition of CO2 in a solar-gliding arc plasma reactor: Effects of water, nitrogen, methane, and process optimization. J. CO2 Util. 2020, 38, 39–48. [Google Scholar] [CrossRef]
- Kozák, T.; Bogaerts, A. Evaluation of the energy efficiency of CO2 conversion in microwave discharges using a reaction kinetics model. Plasma Sources Sci. Technol. 2014, 24, 015024. [Google Scholar] [CrossRef]
- Qin, Y.; Niu, G.; Wang, X.; Luo, D.; Duan, Y. Status of CO2 conversion using microwave plasma. J. CO2 Util. 2018, 28, 283–291. [Google Scholar] [CrossRef]
- Mei, D.; Tu, X. Conversion of CO2 in a cylindrical dielectric barrier discharge reactor: Effects of plasma processing parameters and reactor design. J. CO2 Util. 2017, 19, 68–78. [Google Scholar] [CrossRef]
- Alliati, M.; Mei, D.; Tu, X. Plasma activation of CO2 in a dielectric barrier discharge: A chemical kinetic model from the microdischarge to the reactor scales. J. CO2 Util. 2018, 27, 308–319. [Google Scholar] [CrossRef]
- Mei, D.; He, Y.-L.; Liu, S.; Yan, J.; Tu, X. Optimization of CO2 Conversion in a Cylindrical Dielectric Barrier Discharge Reactor Using Design of Experiments. Plasma Processes Polym. 2015, 13, 544–556. [Google Scholar] [CrossRef] [Green Version]
- Subrahmanyam, C.; Renken, A.; Kiwi-Minsker, L. Catalytic abatement of volatile organic compounds assisted by non-thermal plasma: Part II. Optimized catalytic electrode and operating conditions. Appl. Catal. B Environ. 2006, 65, 157–162. [Google Scholar] [CrossRef]
- Chandana, L.; Lakshminarayana, B.; Subrahmanyam, C. Influence of hydrogen peroxide on the simultaneous removal of Cr(VI) and methylene blue from aqueous medium under atmospheric pressure plasma jet. J. Environ. Chem. Eng. 2015, 3, 2760–2767. [Google Scholar] [CrossRef]
- Chandana, L.; Subrahmanyam, C. Degradation and mineralization of aqueous phenol by an atmospheric pressure catalytic plasma reactor. J. Environ. Chem. Eng. 2018, 6, 3780–3786. [Google Scholar] [CrossRef]
- Ray, D.; Reddy, P.M.K.; Challapalli, S. Glass Beads Packed DBD-Plasma Assisted Dry Reforming of Methane. Top. Catal. 2017, 60, 869–878. [Google Scholar] [CrossRef]
- Wang, Y.-F.; Tsai, C.-H.; Shih, M.; Hsieh, L.-T.; Chang, W. Direct Conversion of Methane into Methanol and Formaldehyde in an RF Plasma Environment II: Effects of Experimental Parameters. Aerosol Air Qual. Res. 2005, 5, 211–224. [Google Scholar] [CrossRef]
- Ashford, B.; Tu, X. Non-thermal plasma technology for the conversion of CO2. Curr. Opin. Green Sustain. Chem. 2017, 3, 45–49. [Google Scholar] [CrossRef]
- Li, J.; Zhu, S.; Lu, K.; Ma, C.; Yang, D.; Yu, F. CO2 conversion in a coaxial dielectric barrier discharge plasma reactor in the presence of mixed ZrO2-CeO2. J. Environ. Chem. Eng. 2020, 9, 104654. [Google Scholar] [CrossRef]
- Paulussen, S.; Verheyde, B.; Tu, X.; De Bie, C.; Martens, T.; Petrovic, D.; Bogaerts, A.; Sels, B. Conversion of carbon dioxide to value-added chemicals in atmospheric pressure dielectric barrier discharges. Plasma Sources Sci. Technol. 2010, 19, 034015. [Google Scholar] [CrossRef]
- Ray, D.; Saha, R.; Ch, S. DBD Plasma Assisted CO2 Decomposition: Influence of Diluent Gases. Catalysts 2017, 7, 244. [Google Scholar] [CrossRef]
- Pou, J.; Colominas, C.; Gonzalez-Olmos, R. CO2 reduction using non-thermal plasma generated with photovoltaic energy in a fluidized reactor. J. CO2 Util. 2018, 27, 528–535. [Google Scholar] [CrossRef]
- Matsumoto, H.; Tanabe, S.; Okitsu, K.; Hayashi, Y.; Suib, S.L. Profiles of Carbon Dioxide Decomposition in a Dielectric-Barrier Discharge-Plasma System. Bull. Chem. Soc. Jpn. 1999, 72, 2567–2571. [Google Scholar] [CrossRef]
- American Petroleum Institute Research. Selected Values of Physical and Thermodynamic Properties of Hydrocarbons and Related Compounds; Carnegie Press: Pittsburg, PA, USA, 1952. [Google Scholar]
- Ray, D.; Chawdhury, P.; Bhargavi, K.; Thatikonda, S.; Lingaiah, N.; Subrahmanyam, C. Ni and Cu oxide supported γ-Al2O3 packed DBD plasma reactor for CO2 activation. J. CO2 Util. 2020, 44, 101400. [Google Scholar] [CrossRef]
- Wang, T.; Liu, H.; Xiong, X.; Feng, X. Conversion of carbon dioxide to carbon monoxide by pulse dielectric barrier discharge plasma. IOP Conf. Ser. 2017, 52, 012100. [Google Scholar] [CrossRef]
- Mei, D.; Zhu, X.; Wu, C.; Ashford, B.; Williams, P.T.; Tu, X. Plasma-photocatalytic conversion of CO2 at low temperatures: Understanding the synergistic effect of plasma-catalysis. Appl. Catal. B Environ. 2016, 182, 525–532. [Google Scholar] [CrossRef]
- Mei, D.; Zhu, X.; He, Y.-L.; Yan, J.D.; Tu, X. Plasma-assisted conversion of CO2 in a dielectric barrier discharge reactor: Understanding the effect of packing materials. Plasma Sources Sci. Technol. 2014, 24, 015011. [Google Scholar] [CrossRef] [Green Version]







| Flowrate (mL/min) | Diluent Gas | Power (W) | Packed Material | CO2 Conv. (%) | CO Select. (%) | CO Yield (%) | η (%) | Ref |
|---|---|---|---|---|---|---|---|---|
| 30 | Ar | 2.4 | Glass beads | 19.5 | 86 | 16.8 | 17.0 | [39] |
| 150 | - | 55 | Molecular sieves 5A | 25 | 63 | 15.8 | - | [44] |
| 60 | - | 28 | BaTiO3 | 38.3 | - | - | 17.0 | [45] |
| 50 | - | 50 | BaTiO3 | 28 | 96 | 26.9 | 7.2 | [46] |
| 30 | - | 2.4 | 5% ZnO + g-C3N4 | 12 | 70 | 8.4 | 31.1 | [16] |
| 30 | - | 2.2 | 15% CuO/Al2O3 | 15.7 | 48 | 7.5 | 45.2 | [43] |
| 30 | - | 2.2 | 15% CuO/CeAl | 13.5 | 59 | 7.8 | 38.9 | [43] |
| 9 | Ar | 50 | CuO/ZnO/Al2O3 | 40.2 | >99 | 40.2 | 1.7 | This work |
Publisher’s Note: MDPI stays neutral with regard to jurisdictional claims in published maps and institutional affiliations. |
© 2022 by the authors. Licensee MDPI, Basel, Switzerland. This article is an open access article distributed under the terms and conditions of the Creative Commons Attribution (CC BY) license (https://creativecommons.org/licenses/by/4.0/).
Share and Cite
Pou, J.O.; Estopañán, E.; Fernandez-Garcia, J.; Gonzalez-Olmos, R. Sustainability Assessment of the Utilization of CO2 in a Dielectric Barrier Discharge Reactor Powered by Photovoltaic Energy. Processes 2022, 10, 1851. https://doi.org/10.3390/pr10091851
Pou JO, Estopañán E, Fernandez-Garcia J, Gonzalez-Olmos R. Sustainability Assessment of the Utilization of CO2 in a Dielectric Barrier Discharge Reactor Powered by Photovoltaic Energy. Processes. 2022; 10(9):1851. https://doi.org/10.3390/pr10091851
Chicago/Turabian StylePou, Josep O., Eduard Estopañán, Javier Fernandez-Garcia, and Rafael Gonzalez-Olmos. 2022. "Sustainability Assessment of the Utilization of CO2 in a Dielectric Barrier Discharge Reactor Powered by Photovoltaic Energy" Processes 10, no. 9: 1851. https://doi.org/10.3390/pr10091851
APA StylePou, J. O., Estopañán, E., Fernandez-Garcia, J., & Gonzalez-Olmos, R. (2022). Sustainability Assessment of the Utilization of CO2 in a Dielectric Barrier Discharge Reactor Powered by Photovoltaic Energy. Processes, 10(9), 1851. https://doi.org/10.3390/pr10091851

