A Realistic Breast Phantom for Investigating the Features of the Microwave Radiometry Method Using Mathematical and Physical Modelling
Abstract
1. Introduction
1.1. Methods for Modelling Thermal Processes in Biological Tissues
1.2. Modern Approaches to Creating Realistic Phantoms of Biological Tissues for Medical Visualisation
2. Materials and Methods
2.1. Development of a Functional Anatomical Breast Phantom for Physical Modelling
2.1.1. Anatomical Structure of the Breast Phantom
- Longitudinal diameter of the base of the breast—10.7 cm;
- The circumference of the base of the breast—35.2 cm;
- Breast height—7.8 cm;
- Diameter of the areola—2.9 cm;
- Nipple diameter—1 cm;
- Nipple height—0.4 cm.
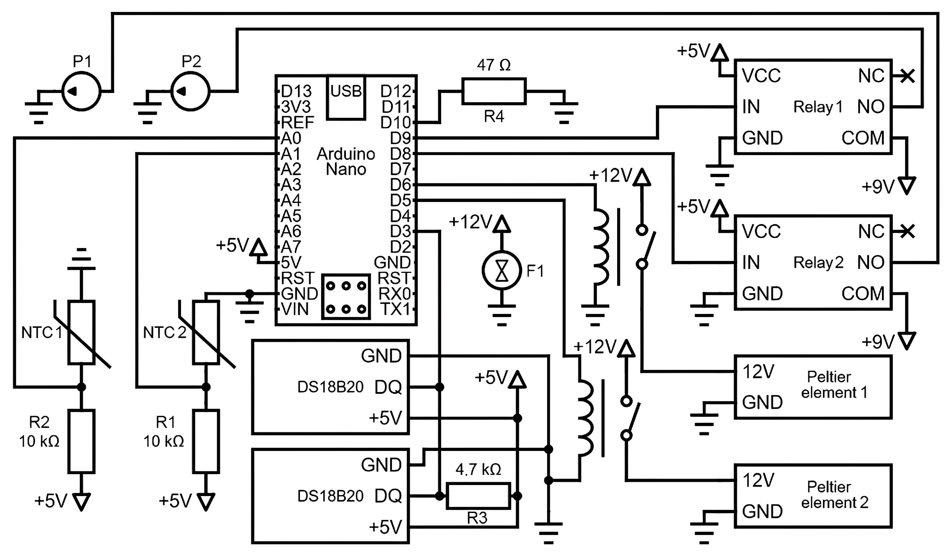
2.1.2. Hardware Platform for Controlling an Anatomical Breast Phantom
- Operating temperature range: −50 to +80 °C;
- Rated DC voltage: 12 V;
- Cooling capacity: 58–65 W.
- Microcontroller: ATmega328;
- Operating voltage (logic level): 5 V;
- DC current through I/O: 40 mAh from one pin and 500 mAh from all pins;
- Digital I/O: 14 pieces (6 of which can be used as pulse-width modulation outputs);
- Analogue inputs: 8 pieces.
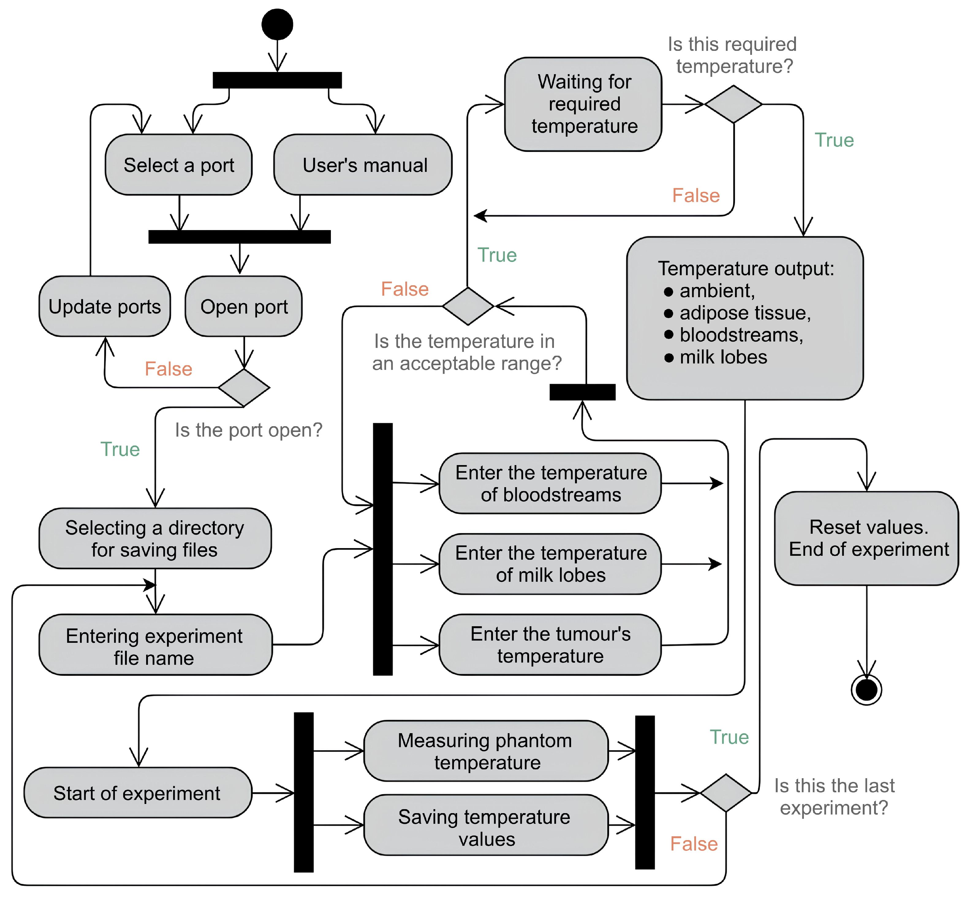
2.1.3. Software Part for Controlling a Functional Anatomical Breast Phantom
- Collect and process data from temperature sensors to control and regulate heating;
- Control of the tumour-simulating heating element using pulse-width modulation for precise temperature control;
- Operation of a cooling system that includes fans to maintain the thermal behaviour of the Peltier elements;
- Control of fluid circulation by means of an electromagnetic relay and a pump that ensures constant fluid movement inside the anatomical breast phantom;
- Data exchange with the computer via a USB-UART interface, which allows one to transfer the measured parameters and receive control commands.
2.2. Mathematical and Numerical Modelling of Thermal Processes in Biological Tissues
- Discretisation module for creating a finite element mesh for the 3D model;
- Module for assembling a system of equations to form global matrices;
- Numerical solution module for using parallel algorithms to solve a sparse system of linear equations.
3. Results
3.1. Results of Physical Modelling of Thermal Processes in the Breast Phantom
3.2. Results of Mathematical Modelling to Determine the Characteristic Features of the Microwave Radiometry Method
4. Discussion and Conclusions
Author Contributions
Funding
Data Availability Statement
Conflicts of Interest
References
- Goryanin, I.; Karbainov, S.; Shevelev, O.; Tarakanov, A.; Redpath, K.; Vesnin, S.; Ivanov, Y. Passive Microwave Radiometry in Biomedical Studies. Drug Discov. Today 2020, 25, 757–763. [Google Scholar] [CrossRef]
- Sedankin, M.K.; Leushin, V.Y.; Agasieva, S.V.; Gudkov, A.G.; Vesnin, S.G.; Porokhov, I.O.; Antonenkova, A.Y. Medical Antennas for Microwave Radiothermometry of Biological Objects. Biomed. Eng. 2023, 56, 419–423. [Google Scholar] [CrossRef]
- Sidorov, I.A.; Gudkov, A.G.; Leushin, V.Y.; Gorlacheva, E.N.; Novichikhin, E.P.; Agasieva, S.V. Measurement and 3D Visualization of the Human Internal Heat Field by Means of Microwave Radiometry. Sensors 2021, 21, 4005. [Google Scholar] [CrossRef] [PubMed]
- Khoperskov, A.V.; Polyakov, M.V. Improving the Efficiency of Oncological Diagnosis of the Breast Based on the Combined Use of Simulation Modeling and Artificial Intelligence Algorithms. Algorithms 2022, 15, 292. [Google Scholar] [CrossRef]
- Li, J.; Galazis, C.; Popov, L.; Ovchinnikov, L.; Kharybina, T.; Vesnin, S.; Losev, A.; Goryanin, I. Dynamic Weight Agnostic Neural Networks and Medical Microwave Radiometry (MWR) for Breast Cancer Diagnostics. Diagnostics 2022, 12, 2037. [Google Scholar] [CrossRef]
- Mukhmetov, O.; Igali, D.; Mashekova, A.; Zhao, Y.; Ng, E.Y.K.; Fok, S.C.; Teh, S.L. Thermal Modeling for Breast Tumor Detection Using Thermography. Int. J. Therm. Sci. 2021, 161, 106712. [Google Scholar] [CrossRef]
- Polyakov, M.; Levshinskii, V.; Khoperskov, A. Modeling of Brightness Temperature in Biological Tissue. J. Phys. Conf. Ser. 2019, 1368, 042057. [Google Scholar] [CrossRef]
- Shrestha, S.; Gurung, D.B.; Gokul, K.C. Mathematical Modeling of Temperature Variation in Breast Tissue with and without Tumor/Cyst During Menstrual Cycle. Math. Model. Comput. 2021, 8, 192–202. [Google Scholar] [CrossRef]
- D’Alessandro, G.; Tavakolian, P.; Sfarra, S. A Review of Techniques and Bio-Heat Transfer Models Supporting Infrared Thermal Imaging for Diagnosis of Malignancy. Appl. Sci. 2024, 14, 1603. [Google Scholar] [CrossRef]
- Nakayama, A.; Kuwahara, F. A General Bioheat Transfer Model Based on the Theory of Porous Media. Int. J. Heat Mass Transf. 2008, 51, 3190–3199. [Google Scholar] [CrossRef]
- Coccarelli, A.; Boileau, E.; Parthimos, D.; Nithiarasu, P. An Advanced Computational Bioheat Transfer Model for a Human Body with an Embedded Systemic Circulation. Biomech. Model. Mechanobiol. 2016, 15, 1173–1190. [Google Scholar] [CrossRef]
- Camilleri, J.S.; Farrugia, L.; Curto, S.; Rodrigues, D.B.; Farina, L.; Caruana Dingli, G.; Sammut, C.V. Review of Thermal and Physiological Properties of Human Breast Tissue. Sensors 2022, 22, 3894. [Google Scholar] [CrossRef] [PubMed]
- Abdalla, A.; Abbas, I.; Sapoor, H. The Numerical Estimation of Temperature in Living Tissue with Energy Dissipation Using Nonlinear Bioheat Model. Indian J. Phys. 2022, 96, 3477–3483. [Google Scholar] [CrossRef]
- Patil, H.M.; Maniyeri, R. Finite Difference Method Based Analysis of Bio-Heat Transfer in Human Breast Cyst. Therm. Sci. Eng. Prog. 2019, 10, 42–47. [Google Scholar] [CrossRef]
- Mambou, S.J.; Maresova, P.; Krejcar, O.; Selamat, A.; Kuca, K. Breast Cancer Detection Using Infrared Thermal Imaging and a Deep Learning Model. Sensors 2018, 18, 2799. [Google Scholar] [CrossRef] [PubMed]
- Mashekova, A.; Zhao, Y.; Ng, E.Y.; Zarikas, V.; Fok, S.C.; Mukhmetov, O. Early Detection of the Breast Cancer Using Infrared Technology–A Comprehensive Review. Therm. Sci. Eng. Prog. 2022, 27, 101142. [Google Scholar] [CrossRef]
- Roslidar, R.; Rahman, A.; Muharar, R.; Syahputra, M.R.; Arnia, F.; Syukri, M.; Munadi, K. A Review on Recent Progress in Thermal Imaging and Deep Learning Approaches for Breast Cancer Detection. IEEE Access 2020, 8, 116176–116194. [Google Scholar] [CrossRef]
- Zhou, Y.; Herman, C. Optimization of Skin Cooling by Computational Modeling for Early Thermographic Detection of Breast Cancer. Int. J. Heat Mass Transf. 2018, 126, 864–876. [Google Scholar] [CrossRef]
- Perez-Raya, I.; Kandlikar, S.G. Thermal Modeling of Patient-Specific Breast Cancer with Physics-Based Artificial Intelligence. ASME J. Heat Mass Transf. 2023, 145, 031201. [Google Scholar] [CrossRef]
- Lozano, A.; Hayes, J.C.; Compton, L.M.; Azarnoosh, J.; Hassanipour, F. Determining the Thermal Characteristics of Breast Cancer Based on High-Resolution Infrared Imaging, 3D Breast Scans, and Magnetic Resonance Imaging. Sci. Rep. 2020, 10, 10105. [Google Scholar] [CrossRef]
- Ng, E.K. A Review of Thermography as Promising Non-Invasive Detection Modality for Breast Tumor. Int. J. Therm. Sci. 2009, 48, 849–859. [Google Scholar] [CrossRef]
- Morais, K.C.C.; Vargas, J.V.C.; Reisemberger, G.G.; Freitas, F.N.P.; Oliari, S.H.; Brioschi, M.L.; Neto, C.D. An Infrared Image Based Methodology for Breast Lesions Screening. Infrared Phys. Technol. 2016, 76, 710–721. [Google Scholar] [CrossRef]
- Shi, G.L.; Han, F.; Liang, C.W.; Wang, L.; Li, K.Y. A Novel Method of Thermal Tomography Tumor Diagnosis and Its Clinical Practice. Appl. Therm. Eng. 2014, 73, 408–415. [Google Scholar] [CrossRef]
- Das, K.; Mishra, S.C. Non-Invasive Estimation of Size and Location of a Tumor in a Human Breast Using a Curve Fitting Technique. Int. Commun. Heat Mass Transf. 2014, 56, 63–70. [Google Scholar] [CrossRef]
- Saniei, E.; Setayeshi, S.; Akbari, M.E.; Navid, M. Parameter Estimation of Breast Tumour Using Dynamic Neural Network from Thermal Pattern. J. Adv. Res. 2016, 7, 1045–1055. [Google Scholar] [CrossRef] [PubMed]
- Singh, M. Modified Pennes Bioheat Equation with Heterogeneous Blood Perfusion: A Newer Perspective. Int. J. Heat Mass Transf. 2024, 218, 124698. [Google Scholar] [CrossRef]
- Kandlikar, S.G.; Perez-Raya, I.; Raghupathi, P.A.; Gonzalez-Hernandez, J.L.; Dabydeen, D.; Medeiros, L.; Phatak, P. Infrared Imaging Technology for Breast Cancer Detection–Current Status, Protocols and New Directions. Int. J. Heat Mass Transf. 2017, 108, 2303–2320. [Google Scholar] [CrossRef]
- Gonzalez-Hernandez, J.L.; Recinella, A.N.; Kandlikar, S.G.; Dabydeen, D.; Medeiros, L.; Phatak, P. Technology, Application and Potential of Dynamic Breast Thermography for the Detection of Breast Cancer. Int. J. Heat Mass Transf. 2019, 131, 558–573. [Google Scholar] [CrossRef]
- Gescheit, I.M.; Dayan, A.; Ben-David, M.; Gannot, I. Minimal-Invasive Thermal Imaging of a Malignant Tumor: A Simple Model and Algorithm. Med. Phys. 2010, 37, 211–216. [Google Scholar] [CrossRef]
- Akpolile, A.; Mokobia, E.; Ikubor, J. Analytical Approach to the Penne’s Bioheat Equation for the Evaluation of Temperature for Deep Seated Tissues. Adv. Math. Sci. J. 2021, 10, 2957–2976. [Google Scholar] [CrossRef]
- Shevelev, O.; Petrova, M.; Smolensky, A.; Osmonov, B.; Toimatov, S.; Kharybina, T.; Goryanin, I. Using Medical Microwave Radiometry for Brain Temperature Measurements. Drug Discov. Today 2022, 27, 881–889. [Google Scholar] [CrossRef] [PubMed]
- Vesnin, S.; Turnbull, A.K.; Dixon, J.M.; Goryanin, I. Modern Microwave Thermometry for Breast Cancer. J. Mol. Imaging Dyn. 2017, 7, 1000136. [Google Scholar]
- Polyakov, M. Cluster Analysis of the Results of Numerical Simulation of Thermometric Data. In Proceedings of the 2021 International Conference on Information Technology and Nanotechnology (ITNT), Samara, Russia, 20–24 September 2021; pp. 1–4. [Google Scholar]
- Polyakov, M.; Khoperskov, A.; Emelyanov, E.; Borisovskii, E. The Using of Machine Learning and Neural Networks in the Processing of Computer Simulation Results for Medical Diagnostics. CEUR Workshop Proc. 2020, 2667, 189–192. [Google Scholar]
- Särestöniemi, M.; Singh, D.; Dessai, R.; Heredia, C.; Myllymäki, S.; Myllylä, T. Realistic 3D Phantoms for Validation of Microwave Sensing in Health Monitoring Applications. Sensors 2024, 24, 1975. [Google Scholar] [CrossRef]
- Flores, M.B.; Mourão, A.P.; del Rio, M.C. Breast Phantom Made of Acrylic Slabs for Tests in Mammography DR. Appl. Radiat. Isot. 2022, 188, 110389. [Google Scholar] [CrossRef] [PubMed]
- Kabir, N.A.; Okoh, F.O.; Yusof, M.F.M. Radiological and Physical Properties of Tissue Equivalent Mammography Phantom: Characterization and Analysis Methods. Radiat. Phys. Chem. 2021, 180, 109271. [Google Scholar] [CrossRef]
- Neira, L.M.; Mays, R.O.; Hagness, S.C. Human Breast Phantoms: Test Beds for the Development of Microwave Diagnostic and Therapeutic Technologies. IEEE Pulse 2017, 8, 66–70. [Google Scholar] [CrossRef]
- Di Meo, S.; Pasotti, L.; Iliopoulos, I.; Pasian, M.; Ettorre, M.; Zhadobov, M.; Matrone, G. Tissue-Mimicking Materials for Breast Phantoms up to 50 GHz. Phys. Med. Biol. 2019, 64, 055006. [Google Scholar] [CrossRef]
- Pollacco, D.A.; Conti, M.C.; Farrugia, L.; Wismayer, P.S.; Farina, L.; Sammut, C.V. Dielectric Properties of Muscle and Adipose Tissue-Mimicking Solutions for Microwave Medical Imaging Applications. Phys. Med. Biol. 2019, 64, 095009. [Google Scholar] [CrossRef]
- Costanzo, S.; Cioffi, V.; Qureshi, A.M.; Borgia, A. Gel-Like Human Mimicking Phantoms: Realization Procedure, Dielectric Characterization and Experimental Validations on Microwave Wearable Body Sensors. Biosensors 2021, 11, 111. [Google Scholar] [CrossRef]
- Castello-Palacios, S.; Garcia-Pardo, C.; Fornes-Leal, A.; Cardona, N.; Valles-Lluch, A. Tailor-Made Tissue Phantoms Based on Acetonitrile Solutions for Microwave Applications up to 18 GHz. IEEE Trans. Microw. Theory Tech. 2016, 64, 3987–3994. [Google Scholar] [CrossRef]
- Valls-Esteve, A.; Tejo-Otero, A.; Adell-Gómez, N.; Lustig-Gainza, P.; Fenollosa-Artés, F.; Buj-Corral, I.; Rubio-Palau, J.; Munuera, J.; Krauel, L. Advanced Strategies for the Fabrication of Multi-Material Anatomical Models of Complex Pediatric Oncologic Cases. Bioengineering 2024, 11, 31. [Google Scholar] [CrossRef]
- Guo, R.; Lu, G.; Qin, B.; Fei, B. Ultrasound Imaging Technologies for Breast Cancer Detection and Management: A Review. Ultrasound Med. Biol. 2018, 44, 37–70. [Google Scholar] [CrossRef] [PubMed]
- Keenan, K.E.; Wilmes, L.J.; Aliu, S.O.; Newitt, D.C.; Jones, E.F.; Boss, M.A.; Stupic, K.F.; Russek, S.E.; Hylton, N.M. Design of a Breast Phantom for Quantitative MRI. J. Magn. Reson. Imaging 2016, 44, 610–619. [Google Scholar] [CrossRef]
- Zhou, C.; Chase, J.G.; Ismail, H.; Signal, M.K.; Haggers, M.; Rodgers, G.W.; Pretty, C. Silicone Phantom Validation of Breast Cancer Tumor Detection Using Nominal Stiffness Identification in Digital Imaging Elasto-Tomography (DIET). Biomed. Signal Process. Control 2018, 39, 435–447. [Google Scholar] [CrossRef]
- Martellosio, A.; Pasian, M.; Bozzi, M.; Perregrini, L.; Mazzanti, A.; Svelto, F.; Summers, P.E.; Renne, G.; Preda, L.; Bellomi, M. Dielectric Properties Characterization From 0.5 to 50 GHz of Breast Cancer Tissues. IEEE Trans. Microw. Theory Tech. 2017, 65, 998–1011. [Google Scholar] [CrossRef]
- Kiarashi, N.; Nolte, A.C.; Sturgeon, G.M.; Segars, W.P.; Ghate, S.V.; Nolte, L.W.; Lo, J.Y. Development of Realistic Physical Breast Phantoms Matched to Virtual Breast Phantoms Based on Human Subject Data. Med. Phys. 2015, 42, 4116–4126. [Google Scholar] [CrossRef]
- Joachimowicz, N.; Conessa, C.; Henriksson, T.; Duchêne, B. Breast Phantoms for Microwave Imaging. IEEE Antennas Wirel. Propag. Lett. 2014, 13, 1333–1336. [Google Scholar] [CrossRef]
- Bliznakova, K. The Advent of Anthropomorphic Three-Dimensional Breast Phantoms for X-Ray Imaging. Phys. Med. 2020, 79, 145–161. [Google Scholar] [CrossRef]
- Carton, A.K.; Bakic, P.; Ullberg, C.; Derand, H.; Maidment, A.D. Development of a Physical 3D Anthropomorphic Breast Phantom. Med. Phys. 2011, 38, 891–896. [Google Scholar] [CrossRef]
- Shea, J.D.; Kosmas, P.; Hagness, S.C.; Van Veen, B.D. Three-Dimensional Microwave Imaging of Realistic Numerical Breast Phantoms via a Multiple-Frequency Inverse Scattering Technique. Med. Phys. 2010, 37, 4210–4226. [Google Scholar] [CrossRef] [PubMed]
- Glick, S.J.; Ikejimba, L.C. Advances in Digital and Physical Anthropomorphic Breast Phantoms for X-Ray Imaging. Med. Phys. 2018, 45, e870–e885. [Google Scholar] [CrossRef]
- Madsen, E.L.; Hobson, M.A.; Frank, G.R.; Shi, H.; Jiang, J.; Hall, T.J.; Weaver, J.B. Anthropomorphic Breast Phantoms for Testing Elastography Systems. Ultrasound Med. Biol. 2006, 32, 857–874. [Google Scholar] [CrossRef][Green Version]
- Zastrow, E.; Davis, S.K.; Lazebnik, M.; Kelcz, F.; Van Veen, B.D.; Hagness, S.C. Development of Anatomically Realistic Numerical Breast Phantoms with Accurate Dielectric Properties for Modeling Microwave Interactions with the Human Breast. IEEE Trans. Biomed. Eng. 2008, 55, 2792–2800. [Google Scholar] [CrossRef] [PubMed]
- Islam, M.T.; Samsuzzaman, M.; Kibria, S.; Islam, M.T. Experimental Breast Phantoms for Estimation of Breast Tumor Using Microwave Imaging Systems. IEEE Access 2018, 6, 78587–78597. [Google Scholar] [CrossRef]
- Klemm, M.; Leendertz, J.A.; Gibbins, D.; Craddock, I.J.; Preece, A.; Benjamin, R. Microwave Radar-Based Breast Cancer Detection: Imaging in Inhomogeneous Breast Phantoms. IEEE Antennas Wirel. Propag. Lett. 2009, 8, 1349–1352. [Google Scholar] [CrossRef]
- Porter, E.; Fakhoury, J.; Oprisor, R.; Coates, M.; Popović, M. Improved Tissue Phantoms for Experimental Validation of Microwave Breast Cancer Detection. In Proceedings of the Fourth European Conference on Antennas and Propagation, Barcelona, Spain, 12–16 April 2010; pp. 1–5. [Google Scholar]
- Sarno, A.; Valero, C.; Tucciariello, R.M.; Dukov, N.; Costa, P.R.; Tomal, A. Physical and Digital Phantoms for 2D and 3D X-Ray Breast Imaging: Review on the State-of-the-Art and Future Prospects. Radiat. Phys. Chem. 2023, 204, 110715. [Google Scholar] [CrossRef]
- Li, C.M.; Segars, W.P.; Tourassi, G.D.; Boone, J.M.; Dobbins, J.T. Methodology for Generating a 3D Computerized Breast Phantom from Empirical Data. Med. Phys. 2009, 36, 3122–3131. [Google Scholar] [CrossRef]
- Ikejimba, L.C.; Graff, C.G.; Rosenthal, S.; Badal, A.; Ghammraoui, B.; Lo, J.Y.; Glick, S.J. A Novel Physical Anthropomorphic Breast Phantom for 2D and 3D X-Ray Imaging. Med. Phys. 2017, 44, 407–416. [Google Scholar] [CrossRef]
- Oliveira, B.L.; O’Loughlin, D.; O’Halloran, M.; Porter, E.; Glavin, M.; Jones, E. Microwave Breast Imaging: Experimental Tumour Phantoms for the Evaluation of New Breast Cancer Diagnosis Systems. Biomed. Phys. Eng. Express 2018, 4, 025036. [Google Scholar] [CrossRef]
- He, Y.; Liu, Y.; Dyer, B.A.; Boone, J.M.; Liu, S.; Chen, T.; Qiu, J. 3D-Printed Breast Phantom for Multi-Purpose and Multi-Modality Imaging. Quant. Imaging Med. Surg. 2019, 9, 63. [Google Scholar] [CrossRef] [PubMed]
- Biswas, S.K.; Banerjee, S.; Baker, G.W.; Kuo, C.-Y.; Chowdhury, I. The Mammary Gland: Basic Structure and Molecular Signaling during Development. Int. J. Mol. Sci. 2022, 23, 3883. [Google Scholar] [CrossRef] [PubMed]
- Gautherie, M. Temperature and Blood Flow Patterns in Breast Cancer During Natural Evolution and Following Radiotherapy. Prog. Clin. Biol. Res. 1982, 107, 21–64. [Google Scholar]
- Chen, H.; Wang, K.; Du, Z.; Liu, W.; Liu, Z. Predicting the thermophysical properties of skin tumor based on the surface temperature and deep learning. Int. J. Heat Mass Transf. 2021, 180, 121804. [Google Scholar] [CrossRef]
- Bowman, H.; Cravalho, M.; Woods, M. Theory, Measurement, and Application of Thermal Properties of Biomaterials. Annu. Rev. Biophys. Bioeng. 1975, 4, 43–80. [Google Scholar] [CrossRef]
- Iljaz, J.; Wrobel, L.C.; Hriberšek, M.; Marn, J. The use of Design of Experiments for steady-state and transient inverse melanoma detection problems. Int. J. Therm. Sci. 2019, 135, 256–275. [Google Scholar] [CrossRef]
- Gordon, R.A.; Roemer, R.; Horvath, S. Mathematical Model of the Human Temperature Regulatory System— Transient Cold Exposure Response. IEEE Trans. Biomed. Eng. 1976, 23, 434–444. [Google Scholar] [CrossRef] [PubMed]
- Gomboc, T.; Iljaz, J.; Wrobel, L.C.; Hribersek, M.; Marn, J. Design of constant temperature cooling device for melanoma screening by dynamic thermography. Eng. Anal. Bound. Elem. 2021, 125, 66–79. [Google Scholar] [CrossRef]
- Sparks, J.L.; Vavalle, N.A.; Kasting, K.E.; Long, B.; Tanaka, M.L.; Sanger, P.A.; Schnell, K.; Conner-Kerr, T.A. Use of silicone materials to simulate tissue biomechanics as related to deep tissue injury. Adv. Skin Wound Care 2015, 28, 59–68. [Google Scholar] [CrossRef]
- Dawson, C.A.; Visvader, J.E. The cellular organization of the mammary gland: Insights from microscopy. J. Mammary Gland. Biol. Neoplasia 2021, 26, 71–85. [Google Scholar] [CrossRef]
- Anand, G.; Lowe, A.; Al-Jumaily, A. Tissue phantoms to mimic the dielectric properties of human forearm section for multi-frequency bioimpedance analysis at low frequencies. Mater. Sci. Eng. Mater. Biol. Appl. 2019, 96, 496–508. [Google Scholar] [CrossRef] [PubMed]
- Liu, J.; Goehring, C.; Schiele, F.; Moeller, K.; Pott, P.P. Fabrication and Experimental Evaluation of Simple Tissue-Mimicking Phantoms with Realistic Electrical Properties for Impedance-Based Sensing. Int. J. Integr. Eng. 2021, 13, 127–136. [Google Scholar] [CrossRef]













| Number | Parameter | Size, cm. |
|---|---|---|
| 1 | Longitudinal diameter of the base of the breast | 7.7–11.7 |
| 2 | The circumference of the base of the breast | 34.3–41 |
| 3 | Breast height | 7.5–15.8 |
| 4 | Diameter of the areola | 2.8–7.1 |
| 5 | Nipple diameter | 0.96–1.4 |
| 6 | Nipple height | 0.29–0.5 |
| (kg/m3) | k (W/m·K) | c (J/kg·K) | (S/m) | ||
|---|---|---|---|---|---|
| Skin | 1192 | 0.46 | 3516 | 1.6 | 42 |
| Fat | 913 | 0.21 | 2494 | 0.04 | 5.2 |
| Bloodstream | 1051 | 0.52 | 3606 | 1.08 | 68 |
| Gland | 1054 | 0.48 | 3412 | 0.56 | 11 |
| Tumour | 1052 | 0.56 | 3686 | 1.21 | 48 |
| Parameter | Physical Experiment | Numerical Modelling | Deviation (%) |
|---|---|---|---|
| Temperature difference (subcutaneous—deep layer), °C | 0.3 | 0.28 | 6.7 |
| Baseline system temperature, °C | 34.12 | 34.05 | 0.2 |
| Local temperature increase in tumour region, °C | 0.77 | 0.74 | 3.9 |
| Temperature increase at 1 cm depth due to tumour, °C | 0.31 | 0.29 | 6.5 |
| Correlation coefficient (model vs. experiment) | — | 0.98 | — |
Disclaimer/Publisher’s Note: The statements, opinions and data contained in all publications are solely those of the individual author(s) and contributor(s) and not of MDPI and/or the editor(s). MDPI and/or the editor(s) disclaim responsibility for any injury to people or property resulting from any ideas, methods, instructions or products referred to in the content. |
© 2025 by the authors. Licensee MDPI, Basel, Switzerland. This article is an open access article distributed under the terms and conditions of the Creative Commons Attribution (CC BY) license (https://creativecommons.org/licenses/by/4.0/).
Share and Cite
Polyakov, M.V.; Sirotin, D.S. A Realistic Breast Phantom for Investigating the Features of the Microwave Radiometry Method Using Mathematical and Physical Modelling. Technologies 2025, 13, 106. https://doi.org/10.3390/technologies13030106
Polyakov MV, Sirotin DS. A Realistic Breast Phantom for Investigating the Features of the Microwave Radiometry Method Using Mathematical and Physical Modelling. Technologies. 2025; 13(3):106. https://doi.org/10.3390/technologies13030106
Chicago/Turabian StylePolyakov, Maxim V., and Danila S. Sirotin. 2025. "A Realistic Breast Phantom for Investigating the Features of the Microwave Radiometry Method Using Mathematical and Physical Modelling" Technologies 13, no. 3: 106. https://doi.org/10.3390/technologies13030106
APA StylePolyakov, M. V., & Sirotin, D. S. (2025). A Realistic Breast Phantom for Investigating the Features of the Microwave Radiometry Method Using Mathematical and Physical Modelling. Technologies, 13(3), 106. https://doi.org/10.3390/technologies13030106

