The Influence of Elevated CO2 Concentrations on the Growth of Various Microalgae Strains
Abstract
1. Introduction
- –
- Selection of microalgae strains resistant to high CO2 concentrations.
- –
- The cultivation of selected strains at different CO2 concentrations (0.04, 3, 6, 9%) and implementation of gradual laboratory adaptation of microalgae to high CO2 content over a long period of time (48 days of the experiment).
- –
- Assessment of the microalgae viability according to the state of cell permeability, based on cytochemical staining of living and dead cells with methylene blue dye, followed by cell control ordinary light microscopy.
2. Results and Discussions
2.1. Biomass Growth Rate
2.2. pH of the Culture Medium
2.3. Chemical Composition of the Culture Medium
2.4. Results of Microscopic Analysis of Microalgae
3. Materials and Methods
3.1. Microalgae Strains and Nutrient Medium
3.1.1. Arthrospira platensis
3.1.2. Chlorella ellipsoidea and Chlorella vulgaris
3.1.3. Gloeotila pulchra
3.1.4. Elliptochloris subsphaerica
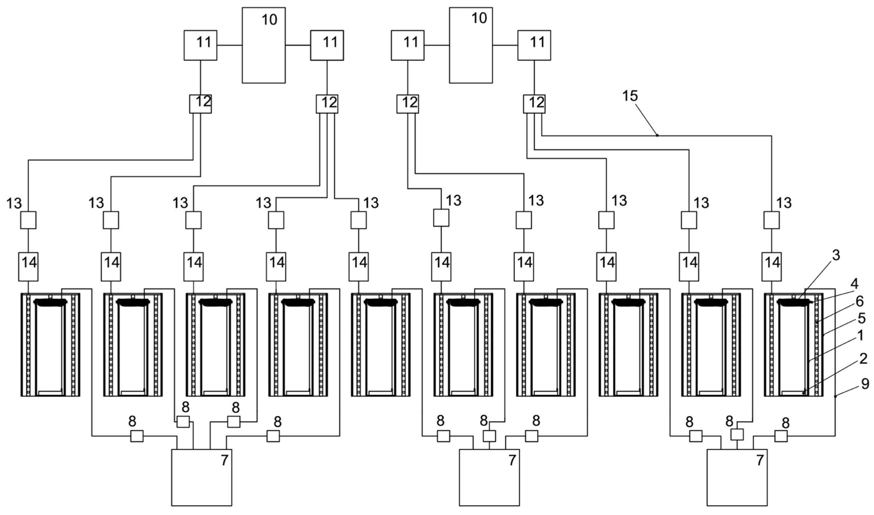
3.2. Experimental Setup
3.2.1. Atmospheric Gas Chamber (AGC)
3.2.2. Photobioreactors (PBRs)
- –
- Reactors (designed for placing a nutrient medium with microalgae inoculum inside them).
- –
- LED system (designed to evenly distribute the luminous flux around the perimeter of the reactor using strip LED lamps).
- –
- Power supply system of the LED system (designed to supply electrical energy to the LED system), as well as to obtain a luminous flux from the LED system of a certain intensity.
- –
- A system for supplying a gaseous medium from the atmospheric gas chamber to the zone with a suspension of microalgae (designed to ensure continuous bubbling of gas from the atmosphere of the gas chamber through a suspension of microalgae throughout the experiment).
3.3. Experimental Procedure
- Preparation of nutrient medium on distilled water.
- Seeding the medium with an inoculum of each strain to the initial concentration of microalgae biomass (0.2–0.25) g·L−1 in terms of dry weight (wt. %).
- Filling two PBRs with cultural liquid (nutrient medium with inoculum): 4 L in each PBR for each strain.
- Placement of PBRs in the AGC, turning on the lighting and bubbling. Illumination is constant during the experiment.
- CO2 injection to a predetermined concentration in the AGC, sealing the chamber.
- Cultivation of microalgae during 12 days at given constant CO2 concentrations with a sampling of a suspension of microalgae on days 0, 3, 6, 9, and 12 of cultivation to determine the density and growth rate of biomass, pH, as well as the content of nutrients.
- After the end of the experiment and sampling for analysis, microalgae biomass with culture liquid was placed into 5 L containers. This biomass was used as a source of inoculum for seeding of the PBR in the next experiment. The application of this procedure is proposed for the first time.
3.4. Research Methods
3.4.1. The Schedule of Sampling and Analyses
- –
- Composition of the medium—on days 0 and 12.
- –
- Microscopy—on days 0, 6, and 12.
- –
- OD and pH—on days 0, 3, 6, 9, and 12.
3.4.2. The Conditions of the Experiments
- –
- Microalgae strains: C. vulgaris, C. ellipsoidea, E. subsphaerica, G. pulchra, A. platensis.
- –
- Temperature in the AGC: 23.5 ± 0.5 °C.
- –
- PBR illumination intensity: 74.3 µmol quanta·m−2·s−1.
- –
- Water: distilled.
- –
- Duration: 6 days (experiment no. 1), 12 days (experiments no. 2–no. 4).
- –
- CO2 concentrations: 0.04% (experiment no. 1), 3% (experiment no. 2), 6% (experiment no. 3), and 9% (experiment no. 4).
3.4.3. Nutrient Medium Analysis
- –
- OD determination using photometer Expert-003;
- –
- pH determination using the pH meter Expert-pH;
- –
- Quantitative chemical analysis (QCA) was carried out according to the methods presented in Table 1 (the error of the determination methods is about 10%).
3.4.4. Microscopic Analysis
4. Conclusions
Author Contributions
Funding
Data Availability Statement
Conflicts of Interest
References
- Yoro, K.; Daramola, M.O. CO2 emission sources, greenhouse gases, and the global warming effect. In Advances in Carbon Capture; Woodhead Publishing: Sawston, UK, 2020; pp. 1–28. [Google Scholar]
- Matsudo, M.; Bezerra, R.; Sato, S.; Converti, A.; Carvalho, J.C. Photosynthetic efficiency and rate of CO2 assimilation by Arthrospira (Spirulina) platensis continuously cultivated in a tubular photobioreactor. Biotechnol. J. 2012, 7, 1412–1417. [Google Scholar] [CrossRef] [PubMed]
- Hartwig Duarte, J.; Morais, E.; Radmann, E.; Costa, J.A. Biological CO2 mitigation from coal power plant by Chlorella fusca and Spirulina sp. Bioresour. Technol. 2017, 234, 472–475. [Google Scholar] [CrossRef] [PubMed]
- Vale, M.A.; Ferreira, A.; Pires, J.C.M.; Gonçalves, A.L. Chapter 17—CO2 capture using microalgae. In Advances in Carbon Capture; Rahimpour, M.R., Farsi, M., Makarem, M.A., Eds.; Woodhead Publishing: Sawston, UK, 2020; pp. 381–405. [Google Scholar]
- Raslavičius, L.; Semenov, V.G.; Chernova, N.I.; Keršys, A.; Kopeyka, A.K. Producing Transportation Fuels from Algae: In Search of Synergy. Renew. Sustain. Energy Rev. 2014, 40, 133–142. [Google Scholar] [CrossRef]
- Hsueh, H.T.; Chu, H.; Yu, S. A batch study on the bio-fixation of carbon dioxide in the absorbed solution from a chemical wet scrubber by hot spring and marine algae. Chemosphere 2007, 66, 878–886. [Google Scholar] [CrossRef]
- Zhu, X.-G.; Long, S.P.; Ort, D.R. What is the maximum efficiency with which photosynthesis can convert solar energy into biomass? Curr. Opin. Biotechnol. 2008, 19, 153–159. [Google Scholar] [CrossRef]
- Yang, J.; Long, S.P.; Ort, D.R. Life-cycle Analysis on Biodiesel Production from Microalgae: Water Footprint and Nutrients Balance. Bioresour. Technol. 2011, 102, 159–165. [Google Scholar] [CrossRef]
- Chernova, N.I.; Kiseleva, S.V. The wastewater using in technologies of bio-oil production from microalgae: CO2 capture and storage. In IOP Conference Series: Materials Science and Engineering; IOP Publishing: Bristol, UK, 2021; Volume 1037. [Google Scholar] [CrossRef]
- Alprol, A.E.; Heneash, A.M.M.; Ashour, M.; Abualnaja, K.M.; Alhashmialameer, D.; Mansour, A.T.; Sharawy, Z.Z.; Abu-Saied, M.A.; Abomohra, A.E.-F. Potential Applications of Arthrospira platensis Lipid-Free Biomass in Bioremediation of Organic Dye from Industrial Textile Effluents and Its Influence on Marine Rotifer (Brachionus plicatilis). Materials 2021, 14, 4446. [Google Scholar] [CrossRef]
- Ashour, M.; Alprol, A.E.; Heneash, A.M.M.; Saleh, H.; Abualnaja, K.M.; Alhashmialameer, D.; Mansour, A.T. Ammonia Bioremediation from Aquaculture Wastewater Effluents Using Arthrospira platensis NIOF17/003: Impact of Biodiesel Residue and Potential of Ammonia-Loaded Biomass as Rotifer Feed. Materials 2021, 14, 5460. [Google Scholar] [CrossRef]
- Wang, K.; Razzano, M.; Mou, X. Cyanobacterial blooms alter the relative importance of neutral and selective processes in assembling freshwater bacterioplankton community. Sci. Total Environ. 2020, 706, 135724. [Google Scholar] [CrossRef]
- Huisman, J.; Codd, G.A.; Paerl, H.W.; Ibelings, B.W.; Verspagen, J.M.H.; Visser, P.M. Cyanobacterial blooms. Nat. Rev. Microbiol. 2018, 16, 471–483. [Google Scholar] [CrossRef] [PubMed]
- Chernova, N.I.; Kiseleva, S.V. Microalgae Biofuels: Induction of Lipid Synthesis for Biodiesel Production and Biomass Residues into Hydrogen Conversion. Int. J. Hydrogen Energy 2017, 42, 2861–2867. [Google Scholar] [CrossRef]
- Sinetova, M.A.; Sidorov, R.A.; Starikov, A.Y.; Voronkov, A.S.; Medvedeva, A.S.; Krivova, Z.V.; Pakholkova, M.S.; Bachin, D.V.; Bedbenov, V.S.; Gabrielyan, D.A.; et al. Assessment of biotechnological potential of cyanobacteria and microalgae strains from the IPPAS culture collection. Appl. Biochem. Microbiol. 2020, 56, 36. [Google Scholar] [CrossRef]
- Chernova, N.I.; Grigorenko, A.V.; Kiseleva, S.V.; Larina, O.M.; Kumar, V.; Vlaskin, M.S. Comparative evaluation of pyrolysis and hydrothermal liquefaction for obtaining biofuel from a sustainable consortium of microalgae Arthrospira platensis with heterotrophic bacteria. Processes 2022, 10, 2202. [Google Scholar] [CrossRef]
- Ashour, M.; Omran, A.M.M. Recent Advances in Marine Microalgae Production: Highlighting Human Health Products from Microalgae in View of the Coronavirus Pandemic (COVID-19). Fermentation 2022, 8, 466. [Google Scholar] [CrossRef]
- Zhou, W.; Min, M.; Hu, B.; Ma, X.; Liu, Y.; Wang, Q.; Shi, J.; Chen, P.; Ruan, R. Filamentous fungi assisted bio-flocculation: A novel alternative technique for harvesting heterotrophic and autotrophic microalgal cells. Sep. Purif. Technol. 2013, 107, 158–165. [Google Scholar] [CrossRef]
- Chen, J.; Leng, L.; Ye, C.; Lu, Q.; Addy, M.; Wang, J.; Liu, J.; Chen, P.; Ruan, R.; Zhou, W. A comparative study between fungal pellet-and spore-assisted microalgae harvesting methods for algae bioflocculation. Bioresour. Technol. 2018, 259, 181–190. [Google Scholar] [CrossRef]
- Heilmann, S.M.; Davis, H.T.; Jader, L.R.; Lefebvre, P.A.; Sadowsky, M.J.; Schendel, F.J.; Von Keitz, M.G.; Valentas, K.J. Hydrothermal Carbonization of Microalgae. Biomass Bioenergy 2010, 34, 875–882. [Google Scholar] [CrossRef]
- Aslam, A.; Thomas-Hall, S.; Mughal, T.; Schenk, P. Selection and adaptation of microalgae to growth in 100% unfiltered coal-fired flue gas. Bioresour. Technol. 2017, 233, 271–283. [Google Scholar] [CrossRef] [PubMed]
- Chiu, S.-Y.; Kao, C.-Y.; Chen, C.-H.; Kuan, T.-C.; Ong, S.-C.; Lin, C.-S. Reduction of CO2 by a high-density culture of Chlorella sp. in a semicontinuous photobioreactor. Bioresour. Technol. 2008, 99, 3389–3396. [Google Scholar] [CrossRef] [PubMed]
- Morais, M.; Costa, J.A. Biofixation of carbon dioxide by Spirulina sp. and Scenedesmus obliquus cultivated in a three-stage serial tubular photobioreactor. J. Biotechnol. 2007, 129, 439–445. [Google Scholar] [CrossRef] [PubMed]
- Yahya, L.; Harun, R.; Luqman Chuah, A. Screening of native microalgae species for carbon fixation at the vicinity of Malaysian coal-fired power plant. Sci. Rep. 2020, 10, 22355. [Google Scholar] [CrossRef]
- Almomani, F.; Judd, S.; Bhosale, R.; Shurair, M.; Aljaml, K.; Khraisheh, M. Intergraded wastewater treatment and carbon bio-fixation from flue gases using Spirulina platensis and mixed algal culture. Process Saf. Environ. Prot. 2019, 124, 240–250. [Google Scholar] [CrossRef]
- Olivieri, G.; Gargano, I.; Andreozzi, R.; Marotta, R.; Marzocchella, A.; Pinto, G.; Pollio, A. Effects of CO2 and pH on Stichococcus bacillaris in Laboratory Scale Photobioreactors. Chem. Eng. Trans. 2012, 27, 127–132. [Google Scholar]
- Sergeenko, T.V.; Muradyan, E.A.; Pronina, N.A.; Klyachko-Gurvich, G.L.; Tsoglin, L.N.; Mishina, I.M. The effect of extremely high CO2 concentration on the growth and biochemical composition of microalgae. Plant Physiol. 2000, 47, 722–729. [Google Scholar]
- Hossain, N.; Meurah, T.; Mahlia, T.M.I. Progress in physicochemical parameters of microalgae cultivation for biofuel production. Crit. Rev. Biotechnol. 2019, 39, 835–859. [Google Scholar] [CrossRef] [PubMed]
- Zhu, B.; Xiao, T.; Shen, H.; Li, Y.; Ma, X.; Zhao, Y.; Pan, K. Effects of CO2 concentration on carbon fixation capability and production of valuable substances by Spirulina in a columnar photobioreactor. Algal Res. 2021, 56, 102310. [Google Scholar] [CrossRef]
- Ramirez-Perez, J.C.; Janes, H. Impact of salinity on the kinetics of CO2 fixation by Spirulina platensis cultivated in semi-continuous photobioreactors. Eclética Química J. 2021, 46, 21–34. [Google Scholar] [CrossRef]
- Zhao, B.; Su, Y. Process effect of microalgal-carbon dioxide fixation and biomass production: A review. Renew. Sustain. Energy Rev. 2014, 31, 121–132. [Google Scholar] [CrossRef]
- Baohua, Z.; Shen, H.; Li, Y.; Liu, Q.; Jin, G.; Han, J.; Zhao, Y.; Pan, K. Large-Scale Cultivation of Spirulina for Biological CO2 Mitigation in Open Raceway Ponds Using Purified CO2 From a Coal Chemical Flue Gas. Front. Bioeng. Biotechnol. 2020, 7, 441. [Google Scholar] [CrossRef]
- Kim, Y.; Lee, S.-H. Quantitative analysis of Spirulina platensis growth with CO2 mixed aeration. Environ. Eng. Res. 2018, 23, 216–222. [Google Scholar] [CrossRef]
- Liu, W.; Wang, J.; Liu, T. Low pH rather than high CO2 concentration itself inhibits growth of Arthrospira. Sci. Total Environ. 2019, 666, 572–580. [Google Scholar] [CrossRef]
- Chunzhuk, E.A.; Grigorenko, A.V.; Chernova, N.I.; Kiseleva, S.V.; Ryndin, K.G.; Popel, O.S.; Malaniy, S.Y.; Slavkina, O.V.; de Farias Neves, F.; Leng, L.; et al. Direct Study of CO2 Capture Efficiency during Microalgae Arthrospira platensis Cultivation at High CO2 Concentrations. Energies 2023, 16, 822. [Google Scholar] [CrossRef]
- Lizzul, A.; Hellier, P.; Purton, S.; Baganz, F.; Ladommatos, N.; Campos, L. Combined remediation and lipid production using Chlorella sorokiniana grown on wastewater and exhaust gases. Bioresour. Technol. 2013, 151C, 12–18. [Google Scholar] [CrossRef]
- Hulatt, C.; Thomas, D. Productivity, carbon dioxide uptake and net energy return of microalgal bubble column photobioreactors. Bioresour. Technol. 2011, 102, 5775–5787. [Google Scholar] [CrossRef]
- Maeda, K.; Owada, M.; Kimura, N.; Omata, K.; Karube, I. CO2 fixation from the flue gas on coal-fired thermal power plant by microalgae. Energy Convers. Manag. 1996, 36, 717–720. [Google Scholar] [CrossRef]
- Gabrielyan, D.A.; Gabel, B.V.; Sinetova, M.A.; Gabrielian, A.K.; Markelova, A.G.; Shcherbakova, N.V.; Los, D.A. Optimization of CO2 Supply for the Intensive Cultivation of Chlorella sorokiniana IPPAS C-1 in the Laboratory and Pilot-Scale Flat-Panel Photobioreactors. Life 2022, 12, 1469. [Google Scholar] [CrossRef]
- Zhang, B.; Wu, J.; Meng, F. Adaptive Laboratory Evolution of Microalgae: A Review of the Regulation of Growth, Stress Resistance, Metabolic Processes, and Biodegradation of Pollutants. Front. Microbiol. 2021, 12, 737248. [Google Scholar] [CrossRef]
- Lam, M.K.; Lee, K.T.; Mohamed, A.R. Current status and challenges on microalgae-based carbon capture. Int. J. Greenh. Gas Control 2012, 10, 456–469. [Google Scholar] [CrossRef]
- Cheng, D.; Li, X.; Yuan, Y.; Yang, C.; Tang, T.; Zhao, Q.; Sun, Y. Adaptive evolution and carbon dioxide fixation of Chlorella sp. in simulated flue gas. Sci. Total Environ. 2019, 650, 2931–2938. [Google Scholar] [CrossRef]
- Semenenko, V.E. (Ed.) Catalogue of Microalgal Cultures in the Collections of the USSR; Publishing House of the Russian Academy of Sciences: Moscow, Russia, 1991; p. 55. [Google Scholar]
- Li, D.; Wang, L.; Zhao, Q.; Wei, W.; Sun, Y. Improving high carbon dioxide tolerance and carbon dioxide fixation capability of Chlorella sp. by adaptive laboratory evolution. Bioresour. Technol. 2015, 185, 269–275. [Google Scholar] [CrossRef]
- Vlaskin, M.S.; Kiseleva, S.V.; Chernova, N.I.; Grigorenko, A.V.; Ryndin, K.G.; Popel’, O.S.; Malanii, S.Y.; Slavkina, O.V.; de Farias Naves, F.; Kumar, V. Effectiveness of CO2 Capture by Arthrospira platensis Microalgae from a Mixture Simulating Flue Gases. Therm. Eng. 2023, 70, 370–383. [Google Scholar] [CrossRef]
- Lusta, K.A.; Fichte, B.A. Methods for Determining the Viability of Microorganisms; DSTI SCBR AS USSR: Pushchino, Russia, 1990. [Google Scholar]
- Imshenetsky, A.A. Attitude to the coloring of living and dead yeast cells. Microbiology 1993, 2, 162–163. [Google Scholar]
- Fraser, C.G. The Action of Methylene Blue and Certain other Dyes on Living and Dead Yeast. J. Phys. Chem. 2002, 24, 741–748. [Google Scholar] [CrossRef]
- Fulmer, E.I.; Buchanan, R.E. Studies on toxicity. J. Gen. Physiol. 1923, 6, 77–89. [Google Scholar] [CrossRef]
- Lee, S.S.; Robinson, F.M.; Wang, H.Y. Rapid Determination of Yeast Viability; University of Michigan: Ann Arbor, MI, USA, 1981; Volume 11. [Google Scholar]














| Indicator | Regulation for Measurement Procedure | Determination Method | Instruments, Equipment | 
|---|---|---|---|
| COD, mg·O·dm−3 | PNDF 14.1:2:3.100-97 (ed. 2016) | Titration | – | 
| BOD5, mg·O2·dm−3 | PNDF 14.1:2:3:4.123-97 (ed. 2004) | ||
| Bicarbonates, mg·dm−3 | GOST 31957-2012, method A.2 | ||
| Carbonates, mg·dm−3 | |||
| Phosphates, mg·dm−3 | GOST 31867-2012, item 4 | Ion chromatography and capillary electrophoresis | ICS-1600 ion chromatograph with conductivity detector | 
| Nitrates, mg·dm−3 | |||
| Sulfates, mg·dm−3 | 
| Disclaimer/Publisher’s Note: The statements, opinions and data contained in all publications are solely those of the individual author(s) and contributor(s) and not of MDPI and/or the editor(s). MDPI and/or the editor(s) disclaim responsibility for any injury to people or property resulting from any ideas, methods, instructions or products referred to in the content. | 
© 2023 by the authors. Licensee MDPI, Basel, Switzerland. This article is an open access article distributed under the terms and conditions of the Creative Commons Attribution (CC BY) license (https://creativecommons.org/licenses/by/4.0/).
Share and Cite
Chunzhuk, E.A.; Grigorenko, A.V.; Kiseleva, S.V.; Chernova, N.I.; Ryndin, K.G.; Kumar, V.; Vlaskin, M.S. The Influence of Elevated CO2 Concentrations on the Growth of Various Microalgae Strains. Plants 2023, 12, 2470. https://doi.org/10.3390/plants12132470
Chunzhuk EA, Grigorenko AV, Kiseleva SV, Chernova NI, Ryndin KG, Kumar V, Vlaskin MS. The Influence of Elevated CO2 Concentrations on the Growth of Various Microalgae Strains. Plants. 2023; 12(13):2470. https://doi.org/10.3390/plants12132470
Chicago/Turabian StyleChunzhuk, Elizaveta A., Anatoly V. Grigorenko, Sophia V. Kiseleva, Nadezhda I. Chernova, Kirill G. Ryndin, Vinod Kumar, and Mikhail S. Vlaskin. 2023. "The Influence of Elevated CO2 Concentrations on the Growth of Various Microalgae Strains" Plants 12, no. 13: 2470. https://doi.org/10.3390/plants12132470
APA StyleChunzhuk, E. A., Grigorenko, A. V., Kiseleva, S. V., Chernova, N. I., Ryndin, K. G., Kumar, V., & Vlaskin, M. S. (2023). The Influence of Elevated CO2 Concentrations on the Growth of Various Microalgae Strains. Plants, 12(13), 2470. https://doi.org/10.3390/plants12132470
 
        




 
       