Solving the Optimal Reactive Power Dispatch Problem through a Python-DIgSILENT Interface
Abstract
1. Introduction
2. Mathematical Modeling of the ORPD Problem
2.1. Objective Function
2.2. Equality Constraints
2.3. Inequality Constraints
3. Python-DIgSILENT Interface
3.1. DIgSILENT Power Factory Software
3.2. Python Programming Language
3.3. Design of the Python-DIgSILENT Interface
3.4. Implementation of Optimization Libraries
3.4.1. Genetic Algorithm
3.4.2. MVMO
4. Description of the Test Systems
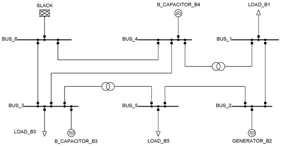
4.1. IEEE 6-Bus Test System
4.2. IEEE 14-Bus Test System
4.3. IEEE 39-Bus Test System
5. Tests and Results
5.1. Results with the IEEE 6-Bus Test System
5.2. Results with the IEEE 14-Bus Test System
5.3. Results with the IEEE 39-Bus Test System
5.4. Processing Times
6. Conclusions
Author Contributions
Funding
Institutional Review Board Statement
Informed Consent Statement
Data Availability Statement
Conflicts of Interest
Abbreviations
| Set of all capacitor banks installed. | |
| Set of all network generators. | |
| Set of all installed reactors. | |
| Set that contains all the nodes of the network. | |
| Set of all network transformers on. | |
| Admittance angle that relates nodes k and m (rad). | |
| Voltage angle at bus k (rad). | |
| Voltage angle at bus m (rad). | |
| a | Transformers index. |
| Tap position for the jth capacitor bank. | |
| Maximum limit of the tap position in the jth capacitor bank. | |
| Minimum limit of the tap position in the jth capacitor bank. | |
| j | Capacitor banks index. |
| Sub-indices associated with nodes. | |
| l | Reactors index. |
| Active power consumption at bus k (W). | |
| Active power generation at bus k (W). | |
| Objective function value associated with the grid power losses (W). | |
| Reactive power injection through the capacitor bank connected at bus k (var). | |
| Reactive power consumption at bus k (var). | |
| Reactive power generation at bus k (var). | |
| Reactive power absorption through the reactor connected at bus k (var). | |
| Tap position for the lth reactor. | |
| Maximum limit of the tap position in the lth reactor. | |
| Minimum limit of the tap position in the lth reactor. | |
| Tap position in the ath transformer. | |
| Maximum limit of the tap position in the ath transformer. | |
| Minimum limit of the tap position in the ath transformer. | |
| Maximum voltage limit for the output voltage in the generator i (V). | |
| Minimum voltage limit of the output voltage in the generator i (V). | |
| Magnitude of the output voltage in generator i (V). | |
| Voltage magnitude at bus k (V). | |
| Maximum voltage limit of the voltage at node k (V). | |
| Minimum voltage limit of the voltage at node k (V). | |
| Voltage magnitude at bus m (V). | |
| Admittance magnitude that relates nodes k and m (rad). |
References
- Villa-Acevedo, W.M.; López-Lezama, J.M.; Valencia-Velásquez, J.A. A Novel Constraint Handling Approach for the Optimal Reactive Power Dispatch Problem. Energies 2018, 11, 2352. [Google Scholar] [CrossRef]
- Marín-Cano, C.C.; Sierra-Aguilar, J.E.; López-Lezama, J.M.; Jaramillo-Duque, Á.; Villegas, J.G. A Novel Strategy to Reduce Computational Burden of the Stochastic Security Constrained Unit Commitment Problem. Energies 2020, 13, 3777. [Google Scholar] [CrossRef]
- Sierra-Aguilar, J.E.; Marín-Cano, C.C.; López-Lezama, J.M.; Jaramillo-Duque, Á.; Villegas, J.G. A New Affinely Adjustable Robust Model for Security Constrained Unit Commitment under Uncertainty. Appl. Sci. 2021, 11, 3987. [Google Scholar] [CrossRef]
- Mota-Palomino, R.; Quintana, V.H. Sparse Reactive Power Scheduling by a Penalty Function - Linear Programming Technique. IEEE Trans. Power Syst. 1986, 1, 31–39. [Google Scholar] [CrossRef]
- Quintana, V.; Santos-Nieto, M. Reactive-power dispatch by successive quadratic programming. IEEE D 1989, 4, 425–435. [Google Scholar] [CrossRef]
- Granville, S. Optimal reactive dispatch through interior point methods. IEEE Trans. Power Syst. 1994, 9, 136–146. [Google Scholar] [CrossRef]
- López-Lezama, J.M.; Cortina-Gómez, J.; Muñoz-Galeano, N. Assessment of the Electric Grid Interdiction Problem using a nonlinear modeling approach. Electr. Power Syst. Res. 2017, 144, 243–254. [Google Scholar] [CrossRef]
- Gracia-Velásquez, D.G.; Morales-Rodríguez, A.S.; Montoya, O.D. Application of the Crow Search Algorithm to the Problem of the Parametric Estimation in Transformers Considering Voltage and Current Measures. Computers 2022, 11, 9. [Google Scholar] [CrossRef]
- Arenas-Acuña, C.A.; Rodriguez-Contreras, J.A.; Montoya, O.D.; Rivas-Trujillo, E. Black-Hole Optimization Applied to the Parametric Estimation in Distribution Transformers Considering Voltage and Current Measures. Computers 2021, 10, 124. [Google Scholar] [CrossRef]
- Saldarriaga-Zuluaga, S.D.; López-Lezama, J.M.; Muñoz-Galeano, N. Optimal coordination of over-current relays in microgrids considering multiple characteristic curves. Alex. Eng. J. 2021, 60, 2093–2113. [Google Scholar] [CrossRef]
- Pareja, L.A.G.; Lezama, J.M.L.; Carmona, O.G. Optimal Placement of Capacitors, Voltage Regulators, and Distributed Generators in Electric Power Distribution Systems. Ingeniería 2020, 25, 334–354. [Google Scholar] [CrossRef]
- Montoya, O.D. Notes on the Dimension of the Solution Space in Typical Electrical Engineering Optimization Problems. Ingeniería 2022, 27, e19310. [Google Scholar] [CrossRef]
- Duman, S.; Sonmez, Y.; Guvencc, U.; Yorukeren, N. Optimal reactive power dispatch using a gravitational search algorithm. IET Gener. Transm. Distrib. 2012, 6, 563. [Google Scholar] [CrossRef]
- Shaw, B.; Mukherjee, V.; Ghoshal, S. Solution of reactive power dispatch of power systems by an opposition-based gravitational search algorithm. Int. J. Electr. Power Energy Syst. 2014, 55, 29–40. [Google Scholar] [CrossRef]
- Khazali, A.; Kalantar, M. Optimal reactive power dispatch based on harmony search algorithm. Int. J. Electr. Power Energy Syst. 2011, 33, 684–692. [Google Scholar] [CrossRef]
- Yoshida, H.; Kawata, K.; Fukuyama, Y.; Takayama, S.; Nakanishi, Y. A particle swarm optimization for reactive power and voltage control considering voltage security assessment. IEEE Trans. Power Syst. 2000, 15, 1232–1239. [Google Scholar] [CrossRef]
- Cai, G.; Ren, Z.; Yu, T. Optimal Reactive Power Dispatch Based on Modified Particle Swarm Optimization Considering Voltage Stability. In Proceedings of the 2007 IEEE Power Engineering Society General Meeting, Tampa, FL, USA, 24–28 June 2007; pp. 1–5. [Google Scholar] [CrossRef]
- Vlachogiannis, J.; Lee, K. A Comparative Study on Particle Swarm Optimization for Optimal Steady-State Performance of Power Systems. IEEE Trans. Power Syst. 2006, 21, 1718–1728. [Google Scholar] [CrossRef]
- Gutiérrez, D.; Villa, W.M.; López-Lezama, J.M. Flujo Óptimo Reactivo mediante Optimización por Enjambre de Partículas. Inform. Tecnol. 2017, 28, 215–224. [Google Scholar] [CrossRef][Green Version]
- Naderi, E.; Narimani, H.; Fathi, M.; Narimani, M.R. A novel fuzzy adaptive configuration of particle swarm optimization to solve large-scale optimal reactive power dispatch. Appl. Soft Comput. 2017, 53, 441–456. [Google Scholar] [CrossRef]
- Duong, T.L.; Duong, M.Q.; Phan, V.D.; Nguyen, T.T. Optimal Reactive Power Flow for Large-Scale Power Systems Using an Effective Metaheuristic Algorithm. J. Electr. Comput. Eng. 2020, 2020, 1–11. [Google Scholar] [CrossRef]
- Londoño, D.C.; Villa-Acevedo, W.M.; López-Lezama, J.M. Assessment of Metaheuristic Techniques Applied to the Optimal Reactive Power Dispatch. In Communications in Computer and Information Science; Springer International Publishing: Cham, Switzerland, 2019; pp. 250–262. [Google Scholar] [CrossRef]
- Saddique, M.S.; Bhatti, A.R.; Haroon, S.S.; Sattar, M.K.; Amin, S.; Sajjad, I.A.; ul Haq, S.S.; Awan, A.B.; Rasheed, N. Solution to optimal reactive power dispatch in transmission system using meta-heuristic techniques—Status and technological review. Electr. Power Syst. Res. 2020, 178, 106031. [Google Scholar] [CrossRef]
- Zhao, J.; Zhang, Z.; Yao, J.; Yang, S.; Wang, K. A distributed optimal reactive power flow for global transmission and distribution network. Int. J. Electr. Power Energy Syst. 2019, 104, 524–536. [Google Scholar] [CrossRef]
- Khan, N.H.; Wang, Y.; Tian, D.; Raja, M.A.Z.; Jamal, R.; Muhammad, Y. Design of Fractional Particle Swarm Optimization Gravitational Search Algorithm for Optimal Reactive Power Dispatch Problems. IEEE Access 2020, 8, 146785–146806. [Google Scholar] [CrossRef]
- Jamal, R.; Men, B.; Khan, N.H.; Raja, M.A.Z.; Muhammad, Y. Application of Shannon Entropy Implementation Into a Novel Fractional Particle Swarm Optimization Gravitational Search Algorithm (FPSOGSA) for Optimal Reactive Power Dispatch Problem. IEEE Access 2021, 9, 2715–2733. [Google Scholar] [CrossRef]
- Vlachogiannis, J.G.; Lee, K.Y. Quantum-Inspired Evolutionary Algorithm for Real and Reactive Power Dispatch. IEEE Trans. Power Syst. 2008, 23, 1627–1636. [Google Scholar] [CrossRef]
- Ela, A.A.E.; Abido, M.; Spea, S. Differential evolution algorithm for optimal reactive power dispatch. Electr. Power Syst. Res. 2011, 81, 458–464. [Google Scholar] [CrossRef]
- Bakirtzis, A.; Biskas, P.; Zoumas, C.; Petridis, V. Optimal power flow by enhanced genetic algorithm. IEEE Trans. Power Syst. 2002, 17, 229–236. [Google Scholar] [CrossRef]
- Ara, A.L.; Kazemi, A.; Gahramani, S.; Behshad, M. Optimal reactive power flow using multi-objective mathematical programming. Sci. Iran. 2012, 19, 1829–1836. [Google Scholar] [CrossRef]
- Bernal-Romero, D.L.; Montoya, O.D.; Arias-Londoño, A. Solution of the Optimal Reactive Power Flow Problem Using a Discrete-Continuous CBGA Implemented in the DigSILENT Programming Language. Computers 2021, 10, 151. [Google Scholar] [CrossRef]
- Ganesh, S.; Perilla, A.; Torres, J.R.; Palensky, P.; van der Meijden, M. Validation of EMT Digital Twin Models for Dynamic Voltage Performance Assessment of 66 kV Offshore Transmission Network. Appl. Sci. 2020, 11, 244. [Google Scholar] [CrossRef]
- Mei, R.N.S.; Sulaiman, M.H.; Mustaffa, Z.; Daniyal, H. Optimal reactive power dispatch solution by loss minimization using moth-flame optimization technique. Appl. Soft Comput. 2017, 59, 210–222. [Google Scholar] [CrossRef]
- Bhongade, S.; Tomar, A.; Goigowal, S.R. Minimization of Optimal Reactive Power Dispatch Problem using BAT Algorithm. In Proceedings of the 2020 IEEE First International Conference on Smart Technologies for Power, Energy and Control (STPEC), Nagpur, India, 25–26 September 2020; IEEE: Piscataway, NJ, USA, 2020. [Google Scholar] [CrossRef]
- Abido, M.A. Optimal Power Flow Using Tabu Search Algorithm. Electr. Power Compon. Syst. 2002, 30, 469–483. [Google Scholar] [CrossRef]
- Lenin, K. Reduction of active power loss by improved tabu search algorithm. Int. J. Res. GRANTHAALAYAH 2018, 6, 1–9. [Google Scholar] [CrossRef]
- ElSayed, S.K.; Elattar, E.E. Slime Mold Algorithm for Optimal Reactive Power Dispatch Combining with Renewable Energy Sources. Sustainability 2021, 13, 5831. [Google Scholar] [CrossRef]
- Rojas, D.G.; Lezama, J.L.; Villa, W. Metaheuristic Techniques Applied to the Optimal Reactive Power Dispatch: A Review. IEEE Lat. Am. Trans. 2016, 14, 2253–2263. [Google Scholar] [CrossRef]
- Aghbolaghi, A.J.; Tabatabaei, N.M.; Boushehri, N.S.; Parast, F.H. Reactive Power Optimization in AC Power Systems. In Power Systems; Springer International Publishing: Cham, Switzerland, 2017; pp. 345–409. [Google Scholar] [CrossRef]
- Barboza, L.V.; Ziirn, H.H.; Salgado, R. Load Tap Change Transformers: A Modeling Reminder. IEEE Power Eng. Rev. 2001, 21, 51–52. [Google Scholar] [CrossRef]
- Londoño-Tamayo, D.; Villa-Acevedo, J.L.L.W. Mean-Variance Mapping Optimization Algorithm Applied to the Optimal Reactive Power Dispatch. INGECUC 2021, 17, 239–255. [Google Scholar] [CrossRef]
- Sharif, S.; Taylor, J. MINLP formulation of optimal reactive power flow. In Proceedings of the IEEE 1997 American Control Conference (Cat. No.97CH36041), Albuquerque, NM, USA, 8–10 May 1997. [Google Scholar] [CrossRef]
- Morán-Burgos, J.A.; Sierra-Aguilar, J.E.; Villa-Acevedo, W.M.; López-Lezama, J.M. A Multi-Period Optimal Reactive Power Dispatch Approach Considering Multiple Operative Goals. Appl. Sci. 2021, 11, 8535. [Google Scholar] [CrossRef]
- Acosta, M.N.; Adiyabazar, C.; Gonzalez-Longatt, F.; Andrade, M.A.; Torres, J.R.; Vazquez, E.; Santos, J.M.R. Optimal Under-Frequency Load Shedding Setting at Altai-Uliastai Regional Power System, Mongolia. Energies 2020, 13, 5390. [Google Scholar] [CrossRef]
- Gonzalez-Longatt, F.M.; Rueda, J.L. (Eds.) PowerFactory Applications for Power System Analysis; Springer International Publishing: Cham, Switzerland, 2014. [Google Scholar] [CrossRef]
- Bifaretti, S.; Bonaiuto, V.; Pipolo, S.; Terlizzi, C.; Zanchetta, P.; Gallinelli, F.; Alessandroni, S. Power Flow Management by Active Nodes: A Case Study in Real Operating Conditions. Energies 2021, 14, 4519. [Google Scholar] [CrossRef]
- Dierbach, C. Python as a First Programming Language. J. Comput. Sci. Coll. 2014, 29, 73. [Google Scholar]
- Thurner, L.; Scheidler, A.; Schäfer, F.; Menke, J.H.; Dollichon, J.; Meier, F.; Meinecke, S.; Braun, M. Pandapower—An Open-Source Python Tool for Convenient Modeling, Analysis, and Optimization of Electric Power Systems. IEEE Trans. Power Syst. 2018, 33, 6510–6521. [Google Scholar] [CrossRef]
- Milano, F. A python-based software tool for power system analysis. In Proceedings of the 2013 IEEE Power Energy Society General Meeting, Vancouver, BC, Canada, 21–25 July 2013; pp. 1–5. [Google Scholar] [CrossRef]
- Condren, J.; An, S. Automation of transmission planning analysis process using Python and GTK+. In Proceedings of the 2006 IEEE Power Engineering Society General Meeting, London, UK, 18–22 June 2006; p. 8. [Google Scholar] [CrossRef]
- Yusuff, A.; Mosetlhe, T.; Ayodele, T. Statistical method for identification of weak nodes in power system based on voltage magnitude deviation. Electr. Power Syst. Res. 2021, 200, 107464. [Google Scholar] [CrossRef]
- Latif, A.; Ahmad, I.; Palensky, P.; Gawlik, W. Multi-objective reactive power dispatch in distribution networks using modified bat algorithm. In Proceedings of the 2016 IEEE Green Energy and Systems Conference (IGSEC), Long Beach, CA, USA, 6–7 June 2016; pp. 1–7. [Google Scholar] [CrossRef]
- Mean Variance Mapping Optimization Algorithm. Available online: https://pypi.org/project/MVMO/ (accessed on 30 April 2022).
- Pymoo: Multi-Objective Optimization in Python. Available online: https://pymoo.org/index.html (accessed on 30 April 2022).
- Blank, J.; Deb, K. Pymoo: Multi-Objective Optimization in Python. IEEE Access 2020, 8, 89497–89509. [Google Scholar] [CrossRef]
- Implemtación de MVMO y GA en DigSilent Power Factory con Python. Available online: https://github.com/Msanchez1002/MVMO_GA (accessed on 30 April 2022).
- Agudelo, L.; López-Lezama, J.M.; Muñoz-Galeano, N. Vulnerability assessment of power systems to intentional attacks using a specialized genetic algorithm. Dyna 2015, 82, 78–84. [Google Scholar] [CrossRef]
- GA: Genetic Algorithm. Available online: https://pymoo.org/algorithms/soo/ga.html (accessed on 30 April 2022).
- MVMo: Mean Variance Mapping Optimization Algorithm. Available online: https://github.com/dgusain1/MVMO (accessed on 30 April 2022).
- Erlich, I.; Venayagamoorthy, G.K.; Worawat, N. A Mean-Variance Optimization algorithm. In Proceedings of the IEEE Congress on Evolutionary Computation, Barcelona, Spain, 18–23 July 2010; pp. 1–6. [Google Scholar] [CrossRef]
- Rueda, J.L.; Erlich, I. Optimal dispatch of reactive power sources by using MVMO optimization. In Proceedings of the 2013 IEEE Computational Intelligence Applications in Smart Grid (CIASG), Singapore, 16–19 April 2013; pp. 29–36. [Google Scholar] [CrossRef]
- Rueda, J.L.; Erlich, I. Evaluation of the mean-variance mapping optimization for solving multimodal problems. In Proceedings of the 2013 IEEE Symposium on Swarm Intelligence (SIS), Singapore, 16–19 April 2013; pp. 7–14. [Google Scholar] [CrossRef]












| Transmission Lines | ||||
|---|---|---|---|---|
| Line | From | To | Line Impedance’s | |
| # | Bus | Bus | R () | X () |
| 1 | 6 | 3 | 4.88187 | 20.55942 |
| 2 | 6 | 4 | 3.17520 | 14.68530 |
| 3 | 4 | 3 | 3.84993 | 16.15383 |
| 4 | 5 | 2 | 11.19258 | 25.40160 |
| 5 | 2 | 1 | 28.69587 | 41.67450 |
| Transformer Characteristics | ||||
| Transformer | From | To | Transformer Tap | |
| # | Bus | Bus | Settings | |
| 1 | 4 | 1 | 9100 | |
| 2 | 3 | 5 | 9100 | |
| Bus-Bar Characteristics | ||||
| Bus | Load | Power Injections | ||
| # | (MW) | (Mvar) | (MW) | (Mvar) |
| 1 | 55 | 13 | 0 | 0 |
| 2 | 0 | 0 | 50 | 0 |
| 3 | 50 | 5 | 0 | 5 |
| 4 | 0 | 0 | 0 | 5 |
| 5 | 30 | 18 | 0 | 0 |
| 6 | - | - | Slack node | |
| Transformer | From | To | Minimum | Maximum | Addition Voltage | Voltage |
|---|---|---|---|---|---|---|
| # | Bus | Bus | Voltage | Voltage | per Tap (%) | Range (%) |
| 1 | 4 | 1 | 9100 | 11,100 | 0.001 | −0.1 pT 0.1 |
| 2 | 3 | 5 | 9100 | 11,100 | 0.001 | −0.1 pT 0.1 |
| Generator | Terminal | (p.u.) | (p.u.) | (p.u.) |
|---|---|---|---|---|
| 1 | 2 | 0.95 | 1.1 | 1.15 |
| Slack | 6 | 0.95 | 1.05 | 1.1 |
| Transmission Lines | |||||||||
|---|---|---|---|---|---|---|---|---|---|
| Line | From | To | Line Impedance’s | Line | From | To | Line Impedance’s | ||
| # | Bus | Bus | R () | X () | # | Bus | Bus | R () | X () |
| 1 | 1 | 2 | 6.753542 | 20.61956 | 9 | 6 | 11 | 1.034332 | 2.16602 |
| 2 | 1 | 2 | 6.753542 | 20.61956 | 10 | 6 | 12 | 1.33849 | 2.78577 |
| 3 | 1 | 5 | 9.414187 | 38.86250 | 11 | 6 | 13 | 0.72037 | 1.41864 |
| 4 | 2 | 3 | 8.187537 | 34.49428 | 12 | 9 | 10 | 0.34641 | 0.92020 |
| 5 | 2 | 4 | 10.12509 | 30.72200 | 13 | 9 | 14 | 1.38422 | 2.94443 |
| 6 | 2 | 5 | 9.922968 | 30.29685 | 14 | 10 | 11 | 0.89352 | 2.09164 |
| 7 | 3 | 4 | 11.67582 | 29.80027 | 15 | 12 | 13 | 2.40581 | 2.17669 |
| 8 | 4 | 5 | 2.326104 | 7.33724 | 16 | 13 | 14 | 1.86142 | 3.78993 |
| Transformers Characteristic | |||||||||
| Trans. | From | To | Tap | Trans. | From | To | Tap | ||
| # | Bus | Bus | Settings | # | Bus | Bus | Settings | ||
| 1 | 5 | 6 | 11,100 | 4 | 8 | 7 | 11,100 | ||
| 2 | 4 | 9 | 11,100 | 5 | 4 | 7 | 11,100 | ||
| 3 | 9 | 7 | 11,100 | ||||||
| Bus-Bar Characteristics (All Power Units inMW and MVAr) | |||||||||
| Bus | Load | Injection | Bus | Load | Injection | ||||
| # | # | ||||||||
| 1 | - | - | Node Slack | 8 | 0.0 | 0.0 | 0.0 | 30.0 | |
| 2 | 21.7 | 12.7 | 40.0 | 42.4 | 9 | 29.5 | 16.6 | 0.0 | 0.0 |
| 3 | 94.2 | 19.0 | 0.0 | 20.0 | 10 | 9.0 | 5.8 | 0.0 | 0.0 |
| 4 | 47.8 | −3.9 | 0.0 | 0.0 | 11 | 3.5 | 1.8 | 0.0 | 0.0 |
| 5 | 7.6 | 1.6 | 0.0 | 0.0 | 12 | 6.1 | 1.6 | 0.0 | 0.0 |
| 6 | 11.2 | 7.5 | 0.0 | 20.0 | 13 | 13.5 | 5.8 | 0.0 | 0.0 |
| 7 | 0.0 | 0.0 | 0.0 | 20.0 | 14 | 14.9 | 5.0 | 0.0 | 0.0 |
| Transformer | From | To | Minimum | Maximum | Addition Voltage | Voltage |
|---|---|---|---|---|---|---|
| # | Bus | Bus | Voltage | Voltage | per Tap (%) | Range (%) |
| 1 | 4 | 7 | 9100 | 11,100 | 0.0022 | −2.2 pT 2.2 |
| 2 | 4 | 9 | 9100 | 11,100 | 0.0031 | −3.1 pT 3.1 |
| 3 | 5 | 6 | 9100 | 11,100 | 0.0068 | −6.8 pT 6.8 |
| 4 | 8 | 7 | 9100 | 11,100 | 0.0068 | −6.8 pT 6.8 |
| 5 | 9 | 7 | 9100 | 11,100 | 0.0068 | −6.8 pT 6.8 |
| Lines Characteristic | |||||||||
|---|---|---|---|---|---|---|---|---|---|
| Line | From | To | Line Impedance’s | Line | From | To | Line Impedance’s | ||
| # | Bus | Bus | R () | X () | # | Bus | Bus | R () | X () |
| 1 | 1 | 2 | 0.025547 | 0.30 | 18 | 13 | 14 | 0.026732 | 0.30 |
| 2 | 1 | 39 | 0.012000 | 0.30 | 19 | 14 | 15 | 0.024884 | 0.30 |
| 3 | 2 | 3 | 0.025827 | 0.30 | 20 | 15 | 16 | 0.028723 | 0.30 |
| 4 | 2 | 25 | 0.244186 | 0.30 | 21 | 16 | 17 | 0.023595 | 0.30 |
| 5 | 3 | 4 | 0.018309 | 0.30 | 22 | 16 | 19 | 0.024615 | 0.30 |
| 6 | 3 | 18 | 0.024812 | 0.30 | 23 | 16 | 21 | 0.017777 | 0.30 |
| 7 | 4 | 5 | 0.018750 | 0.30 | 24 | 16 | 24 | 0.015254 | 0.30 |
| 8 | 4 | 14 | 0.018604 | 0.30 | 25 | 17 | 18 | 0.025609 | 0.30 |
| 9 | 5 | 6 | 0.023076 | 0.30 | 26 | 17 | 27 | 0.022543 | 0.30 |
| 10 | 5 | 8 | 0.021428 | 0.30 | 27 | 21 | 22 | 0.017142 | 0.30 |
| 11 | 6 | 7 | 0.019565 | 0.30 | 28 | 22 | 23 | 0.018750 | 0.30 |
| 12 | 6 | 11 | 0.025609 | 0.30 | 29 | 23 | 24 | 0.018857 | 0.30 |
| 13 | 7 | 8 | 0.026086 | 0.30 | 30 | 25 | 26 | 0.029721 | 0.30 |
| 14 | 8 | 9 | 0.019008 | 0.30 | 31 | 26 | 27 | 0.028571 | 0.30 |
| 15 | 9 | 39 | 0.012000 | 0.30 | 32 | 26 | 28 | 0.027215 | 0.30 |
| 16 | 10 | 11 | 0.027906 | 0.30 | 33 | 26 | 29 | 0.027360 | 0.30 |
| 17 | 10 | 13 | 0.027906 | 0.30 | 34 | 28 | 29 | 0.027814 | 0.30 |
| Transformers Characteristic | |||||||||
| Trans. | From | To | Tap | Trans. | From | To | Tap | ||
| # | Bus | Bus | Settings | # | Bus | Bus | Settings | ||
| 1 | 2 | 30 | 9100 | 7 | 19 | 33 | 9100 | ||
| 2 | 6 | 31 | 9100 | 8 | 20 | 34 | 9100 | ||
| 3 | 10 | 32 | 9100 | 9 | 22 | 35 | 9100 | ||
| 4 | 11 | 12 | 9100 | 10 | 23 | 36 | 9100 | ||
| 5 | 13 | 12 | 9100 | 11 | 25 | 37 | 9100 | ||
| 6 | 19 | 20 | 9100 | 12 | 29 | 38 | 9100 | ||
| Bus Characteristics (All Power Units in MW and MVAr) | |||||||||
| Bus | Load | Injection | Bus | Load | Injection | ||||
| # | # | ||||||||
| 3 | 322.0 | 2.4 | - | - | 27 | 281.0 | 75.5 | - | - |
| 4 | 500.0 | 184.0 | - | - | 28 | 206.0 | 27.6 | - | - |
| 7 | 233.8 | 84.0 | - | - | 29 | 283.5 | 26.9 | - | - |
| 8 | 522.0 | 176.0 | - | - | 30 | - | - | 250 | 0.0 |
| 12 | 7.5 | 88.0 | - | - | 31 | 9.2 | 4.6 | Slack bus | |
| 15 | 320.0 | 153.0 | - | - | 32 | - | - | 650 | 0.0 |
| 16 | 329.0 | 32.3 | - | - | 33 | - | - | 632 | 0.0 |
| 18 | 158.0 | 30.0 | - | - | 34 | - | - | 254 | 0.0 |
| 20 | 628.0 | 103.0 | - | - | 35 | - | - | 650 | 0.0 |
| 21 | 274.0 | 115 | - | - | 36 | - | - | 560 | 0.0 |
| 23 | 247.5 | 84.6 | - | - | 37 | - | - | 540 | 0.0 |
| 24 | 308.0 | −92.2 | - | - | 38 | - | - | 830 | 0.0 |
| 25 | 224.0 | 47.2 | - | - | 39 | 1104 | 250 | 1000 | 0.0 |
| 26 | 139.0 | 17.0 | - | - | |||||
| Transformer | From | To | Minimum | Maximum | Addition Voltage | Voltage |
|---|---|---|---|---|---|---|
| # | Bus | Bus | Voltage | Voltage | per Tap (%) | Range (%) |
| 1 | 02 | 30 | 9100 | 11,100 | 0.0025 | −2.5 pT 2.5 |
| 2 | 25 | 37 | 9100 | 11,100 | 0.0025 | −2.5 pT 2.5 |
| 3 | 29 | 38 | 9100 | 11,100 | 0.0025 | −2.5 pT 2.5 |
| 4 | 22 | 35 | 9100 | 11,100 | 0.0025 | −2.5 pT 2.5 |
| 5 | 23 | 36 | 9100 | 11,100 | 0.0070 | −7.0 pT 7.0 |
| 6 | 19 | 33 | 9100 | 11,100 | 0.0070 | −7.0 pT 7.0 |
| 7 | 20 | 34 | 9100 | 11,100 | 0.0009 | −0.9 pT 0.9 |
| 8 | 19 | 20 | 9100 | 11,100 | 0.0060 | −6.0 pT 6.0 |
| 9 | 10 | 32 | 9100 | 11,100 | 0.0070 | −7.0 pT 7.0 |
| 10 | 13 | 12 | 9100 | 11,100 | 0.0006 | −0.6 pT 0.6 |
| 11 | 11 | 12 | 9100 | 11,100 | 0.0006 | −0.6 pT 0.6 |
| 12 | 06 | 31 | 9100 | 11,100 | 0.0070 | −7.0 pT 7.0 |
| Elements | Base Case | CBGA [31] | MVMO | GA |
|---|---|---|---|---|
| Generators | Voltage (p.u.) | Voltage (p.u.) | ||
| G1 Bus06 (slack) | 1.0000 | 1.0500 | 1.0500 | 1.0500 |
| G2 Bus02 | 1.0000 | 1.0999 | 1.0999 | 1.0999 |
| Transformers | Tap Position | Tap Position | ||
| Trafo Bus 04-01 | 9100 | 11,089 | 11,100 | 11,099 |
| Trafo Bus 03-05 | 9100 | 11,099 | 11,085 | 11,099 |
| Capacitor Bank | Reactive power (Mvar) | Reactive power (Mvar) | ||
| PQ Bus03 | 0.0000 | 4.9992 | 4.9999 | 4.9999 |
| PQ Bus04 | 0.0000 | 4.9995 | 4.9999 | 4.9999 |
| Power Losses (MW) | 12.910 | 10.089 | 10.089 | 10.089 |
| Reduction (%) | - | 21.85 | 21.85 | 21.85 |
| Line | Base Case | CBGA [31] | MVMO | GA |
|---|---|---|---|---|
| (Start-End) | Loading (%) | Loading (%) | Loading (%) | Loading (%) |
| Line 6-3 | 48.2314 | 41.2668 | 41.2645 | 41.2661 |
| Line 6-4 | 55.8039 | 47.4526 | 47.4497 | 47.4517 |
| Line 4-3 | 10.9207 | 9.5843 | 9.5841 | 9.5842 |
| Line 5-2 | 33.5334 | 30.4007 | 30.4016 | 30.4008 |
| Line 1-2 | 17.4563 | 16.1338 | 16.1339 | 16.1337 |
| Elements | Base Case | CBGA [31] | MVMO | GA |
|---|---|---|---|---|
| Generators | Voltage (p.u.) | Voltage (p.u.) | ||
| G1 Bus01(slack) | 1.0000 | 1.0500 | 1.0500 | 1.0500 |
| G2 Bus02 | 1.0000 | 1.0370 | 1.0353 | 1.03723 |
| Transformers | Tap Position | Tap Position | ||
| Trafo Bus 05-06 | 11,100 | 9100 | 9100 | 9100 |
| Trafo Bus 04-09 | 11,100 | 9100 | 9100 | 9100 |
| Trafo Bus 09-07 | 11,100 | 11,100 | 11,100 | 11,000 |
| Trafo Bus 08-07 | 11,000 | 9100 | 9100 | 9100 |
| Trafo Bus 04-07 | 11,000 | 9100 | 9100 | 9100 |
| Capacitor Bank | Reactive power (Mvar) | Reactive power (Mvar) | ||
| PQ Bus06 | 0.0000 | 19.9936 | 19.9996 | 19.9997 |
| PQ Bus08 | 0.0000 | 19.9902 | 19.9998 | 19.9998 |
| PQ Bus03 | 0.0000 | 26.4670 | 26.2454 | 19.9999 |
| Power Losses (MW) | 17.200 | 13.558 | 13.560 | 13.573 |
| Reduction (%) | - | 21.18 | 21.16 | 21.08 |
| Line | Original Values | CBGA [31] | MVMO | GA |
|---|---|---|---|---|
| (Start-End) | Loading (%) | Loading (%) | Loading (%) | Loading (%) |
| Line 1–2(1) | 36.7486 | 32.9993 | 33.0110 | 33.0158 |
| Line 1–2(2) | 36.7486 | 32.9993 | 33.0110 | 33.0158 |
| Line 1–5 | 33.3443 | 31.6365 | 31.6361 | 31.6289 |
| Line 2–3 | 35.2074 | 30.8695 | 30.8654 | 30.8590 |
| Line 2–4 | 27.7888 | 23.7087 | 23.7032 | 23.7258 |
| Line 2–5 | 21.1140 | 17.5080 | 17.5030 | 17.5326 |
| Line 3–4 | 11.3021 | 10.4849 | 10.4861 | 10.4167 |
| Line 4–5 | 30.5788 | 27.1440 | 27.1426 | 27.1161 |
| Line 6–11 | 13.1368 | 11.6951 | 11.6912 | 11.7381 |
| Line 6–12 | 15.4418 | 12.7432 | 12.7398 | 12.7746 |
| Line 6–13 | 34.6838 | 29.6405 | 29.6321 | 29.7191 |
| Line 9–10 | 28.5486 | 13.8137 | 13.8158 | 13.7414 |
| Line 9–14 | 28.9935 | 17.4872 | 17.4853 | 17.4782 |
| Line 10–11 | 12.4895 | 6.1880 | 6.1879 | 6.1764 |
| Line 12–13 | 2.3032 | 2.5620 | 2.5609 | 2.5750 |
| Line 13–14 | 9.9979 | 8.8853 | 8.8826 | 8.9126 |
| Elements | Base Case | CBGA [31] | MVMO | GA |
|---|---|---|---|---|
| Generators | Voltage (p.u) | Voltage (p.u) | ||
| G1 Bus39 | 1.0000 | 1.0776 | 1.0657 | 1.0753 |
| G2 Bus31(slack) | 1.0000 | 1.0500 | 1.0500 | 1.0500 |
| G3 Bus32 | 1.0000 | 1.0810 | 1.0728 | 1.0903 |
| G4 Bus33 | 1.0000 | 1.0985 | 1.0733 | 1.0917 |
| G5 Bus34 | 1.0000 | 1.0414 | 1.0764 | 1.0995 |
| G6 Bus35 | 1.0000 | 1.0970 | 1.0879 | 1.0891 |
| G7 Bus36 | 1.0000 | 1.0761 | 1.0574 | 1.0857 |
| G8 Bus37 | 1.0000 | 1.0792 | 1.0703 | 1.0960 |
| G9 Bus38 | 1.0000 | 1.0982 | 1.0841 | 1.0880 |
| G10 Bus30 | 1.0000 | 1.0652 | 1.0565 | 1.0725 |
| Transformers | Tap Position | Tap Position | ||
| Trafo Bus 02-30 | 9100 | 10,440 | 10,863 | 10,416 |
| Trafo Bus 25-37 | 9100 | 10,830 | 11,100 | 11,100 |
| Trafo Bus 29-38 | 9100 | 10,021 | 11,100 | 10,844 |
| Trafo Bus 22-35 | 9100 | 10,214 | 9455 | 9480 |
| Trafo Bus 23-36 | 9100 | 11,065 | 9397 | 10,850 |
| Trafo Bus 19-33 | 9100 | 10,562 | 10,169 | 10,892 |
| Trafo Bus 20-34 | 9100 | 9648 | 10,966 | 10,222 |
| Trafo Bus 19-20 | 9100 | 10,729 | 9,335 | 10,041 |
| Trafo Bus 10-32 | 9100 | 11,037 | 11,100 | 10,927 |
| Trafo Bus 13-12 | 9100 | 10,725 | 11,100 | 10,737 |
| Trafo Bus 11-12 | 9100 | 10,085 | 10,971 | 10,373 |
| Trafo Bus 06-31 | 9100 | 11,058 | 10,635 | 10,179 |
| Power Losses (MW) | 38.790 | 26.476 | 26.479 | 26.422 |
| Reduction(%) | - | 31.75 | 31.75 | 31.88 |
| (Lines (Start-End) | Base Case Loading | CBGA [31] (%) | MVMO Loading | GA (%) |
|---|---|---|---|---|
| L 1–2 | 31.5919 | 21.9571 | 20.7607 | 21.2570 |
| L 1–2 | 31.5919 | 21.9571 | 20.7607 | 21.2570 |
| L 1–39 | 24.6876 | 24.1132 | 25.7837 | 25.0039 |
| L 2–3 | 71.5882 | 56.8398 | 56.8912 | 56.7258 |
| L 2–25 | 44.4287 | 37.9134 | 38.0674 | 37.8657 |
| L 3–4 | 30.8098 | 16.9084 | 17.1695 | 17.4032 |
| L 3–18 | 13.0756 | 9.0992 | 9.6112 | 8.8264 |
| L 4–5 | 27.6425 | 22.7757 | 22.5411 | 22.5985 |
| L 4–14 | 50.5295 | 43.9437 | 44.0914 | 43.7494 |
| L 5–6 | 86.2751 | 72.2391 | 72.5483 | 72.1871 |
| L 5–8 | 59.1632 | 50.8941 | 51.3915 | 50.9805 |
| L 6–7 | 79.2231 | 67.6418 | 68.1481 | 67.7006 |
| L 6–11 | 67.1245 | 58.4637 | 58.3799 | 58.2336 |
| L 7–8 | 35.6682 | 29.4048 | 29.7223 | 29.4501 |
| L 8–9 | 37.8915 | 12.2439 | 9.8735 | 11.5506 |
| L 9–39 | 32.0210 | 17.0125 | 19.1821 | 17.6749 |
| L 10–11 | 67.6012 | 59.4466 | 59.5977 | 58.8809 |
| L 10–13 | 54.5243 | 46.9344 | 46.3916 | 46.8317 |
| L 13–14 | 52.3392 | 44.1616 | 43.9891 | 43.8117 |
| L 13–14 | 52.3392 | 44.1616 | 43.9891 | 43.8117 |
| L 14–15 | 5.2454 | 8.0803 | 7.0235 | 7.5485 |
| L 15–16 | 62.7392 | 51.7655 | 52.1361 | 51.9074 |
| L 16–17 | 46.8878 | 35.5673 | 35.4393 | 35.5494 |
| L 16–19 | 92.5581 | 77.7325 | 77.6822 | 77.6428 |
| L 16–21 | 60.7955 | 51.6157 | 51.2743 | 51.3467 |
| L 16–24 | 17.5808 | 17.7158 | 17.3047 | 17.2731 |
| L 17–18 | 38.4347 | 32.6810 | 32.9077 | 32.5544 |
| L 17–27 | 13.8078 | 6.2314 | 6.1114 | 5.7034 |
| L 21–22 | 112.7630 | 93.7010 | 93.8989 | 93.7535 |
| L 22–23 | 22.7600 | 11.7429 | 7.1108 | 7.2783 |
| L 23–24 | 64.0312 | 54.1063 | 53.9617 | 53.9557 |
| L 25–26 | 16.4244 | 12.6808 | 13.3907 | 11.8264 |
| L 26–27 | 51.4229 | 41.5517 | 41.6268 | 41.3364 |
| L 26–28 | 25.3862 | 23.5066 | 23.3028 | 23.9918 |
| L 26–29 | 33.9377 | 31.4868 | 31.2730 | 31.9884 |
| L 28–29 | 60.7682 | 53.7901 | 53.6518 | 54.1180 |
| Test System | CBGA [31] (s) | MVMO (s) | GA (s) |
|---|---|---|---|
| IEEE 6-bus test system | 88.94 | 24.47 | 14.45 |
| IEEE 14-bus test system | 124.74 | 43.96 | 29.96 |
| IEEE 39-bus test system | 193.80 | 132.59 | 89.42 |
Publisher’s Note: MDPI stays neutral with regard to jurisdictional claims in published maps and institutional affiliations. |
© 2022 by the authors. Licensee MDPI, Basel, Switzerland. This article is an open access article distributed under the terms and conditions of the Creative Commons Attribution (CC BY) license (https://creativecommons.org/licenses/by/4.0/).
Share and Cite
Sánchez-Mora, M.M.; Bernal-Romero, D.L.; Montoya, O.D.; Villa-Acevedo, W.M.; López-Lezama, J.M. Solving the Optimal Reactive Power Dispatch Problem through a Python-DIgSILENT Interface. Computation 2022, 10, 128. https://doi.org/10.3390/computation10080128
Sánchez-Mora MM, Bernal-Romero DL, Montoya OD, Villa-Acevedo WM, López-Lezama JM. Solving the Optimal Reactive Power Dispatch Problem through a Python-DIgSILENT Interface. Computation. 2022; 10(8):128. https://doi.org/10.3390/computation10080128
Chicago/Turabian StyleSánchez-Mora, Martin M., David Lionel Bernal-Romero, Oscar Danilo Montoya, Walter M. Villa-Acevedo, and Jesús M. López-Lezama. 2022. "Solving the Optimal Reactive Power Dispatch Problem through a Python-DIgSILENT Interface" Computation 10, no. 8: 128. https://doi.org/10.3390/computation10080128
APA StyleSánchez-Mora, M. M., Bernal-Romero, D. L., Montoya, O. D., Villa-Acevedo, W. M., & López-Lezama, J. M. (2022). Solving the Optimal Reactive Power Dispatch Problem through a Python-DIgSILENT Interface. Computation, 10(8), 128. https://doi.org/10.3390/computation10080128

