Abstract
The conservation of the historic stone heritage has great importance when this material characterizes the image of a city, as it happens in Syracuse (Sicily). Its historical buildings are afflicted by a heavy state of deterioration due to the particular microclimate, to pollution and to neglect endured over time. This article reports the investigations made on limestone samples from historic façades of the city and from the neighboring quarries still in operation, in order to understand the petrographic typology, the reaction to the degradation over time, the possible maintenance and recovery interventions, and the correct applications in buildings of new construction. For this aim, bulk and surface analysis have been made both on the quarry materials and on the corresponding aged materials. It is therefore possible to define the types of rock most suitable for the use in contemporary architecture guaranteeing criteria of perfect biocompatibility. In this way a natural material can be employed in traditional and innovative uses and ensure both the sustainability of the interventions and the continuity of a consolidated tradition.
1. Introduction
Historical centers of Mediterranean cities are characterized by buildings, especially monumental ones, whose external surfaces are often stone cladded. The historical buildings of Syracuse, from the Greek era until the nineteenth century, are an example. The use of stone was consistent in the past, both for structural parts and for elements of façade, ranging from monumental works, like boundaries, castles, churches and buildings, to smaller popular buildings. Today, instead, this tradition has got lost.
In contemporary architecture, especially during the twentieth century, the idea of stone has changed deeply. It is as if this material had opened itself to a permanent revision that makes it extraordinarily suitable for new languages. Stone is not the eternal material anymore, carrier of unchangeable values, but it is involved, through the free thought of the new generations of architects, in the more and more rapid and unpredictable changes of our time [1].
This innovation influences all the aspects that concern the use of stone material: composition of the finished material, techniques of production and installation, countless possibilities of use.
In the last century studies and the experiments of designers and manufacturing firms have mainly been aimed at the improvement of material performances, creating new products such as agglomerated, composite and recomposed stone. These use the chromatic features and the durability in the time of stone, joined to contemporary materials like resins, fiberglass or steel, for improving characteristics of mechanical strength, bringing out aesthetic features and allowing the boldest of uses. Today it is possible to use large armed blocks or thin marble brise-soleil, still choosing a traditional material, often extracted locally, with a low environmental impact and the awareness of making an innovative but also sustainable choice.
This study wants to demonstrate that a renovated use of Syracuse stone is still possible, starting from the analysis of historical buildings and from the characteristics and the deterioration of both historic and new stone, coming from quarries still in operation.
In fact, this work aims to identify the area of intervention and enable future project choices, applied to recovery and new buildings. The analyses on façade stone are necessary to direct recovery intervention in a conscious way and to know the reaction to decay during the time; the analyses on new stone aim at know their use possibilities, according to its characteristics, and compatibility with the old one in case of substitutions.
Problems related to the use of stone can originate from intrinsic characteristics of the material, techniques of extraction, factors of decay, choice of laying system, sustainability of intervention, environmental impact, etc. Consequently, increased knowledge is fundamental, paired with mineralogical-petrographic, chemical, physical and mechanic analysis in the laboratory [2,3].
1.1. The Study Case
The study case is the historic city center of Syracuse, Ortigia, an island of 1 km2 inhabited since Bronze age, then conquered by the Greeks. Today numerous Greek monuments are conserved, like the temples, the geometry of some districts with “insulae”, the Islamic district with narrow and meandering streets, the fortified walls of the Renaissance and finally the baroque façades.
The historical quarries are called Latomie, today monument for the city (Figure 1). They were in origin eleven, almost all situated along the southern side of Acradina plateau. Other quarries are in Ortigia, close to Targia, in the peninsula of Maddalena, between Eloro and Marzamemi and in the coastal zone of Brucoli.
Figure 1.
Etched engraving of Latomie and new Priolo quarry (SICS).
Figure 1.
Etched engraving of Latomie and new Priolo quarry (SICS).

Today Syracuse stone used for constructive-decorative aim is extracted from quarries of Melilli, Priolo (Figure 1), Noto and Palazzolo Acreide (Figure 2); the stone of the other quarries in the province is either used for industrial purposes or is too distant from the catchment area. Inside this provincial and local territory, there are different kinds of stone according to the geological layer to which they belong.
Figure 2.
Individuation of new quarry of Priolo (1); Noto (2); and Palazzolo (3).
Figure 2.
Individuation of new quarry of Priolo (1); Noto (2); and Palazzolo (3).

In Syracuse construction techniques for historical buildings are different: regular walls built following the so-called square work, irregular walls with faces in scabble or uncut stones, lined walls. External surfaces of the buildings are characterized by a bad state of decay, due not only to the particular environmental conditions and the intrinsic characteristics of the stone, but also to atmospheric pollution and inadequate or absent maintenance interventions.
For the study of the decay, the historic center of Syracuse has been divided into six microclimatic zones (Z.1, Z.2, Z.3, Z.4, Z.5, Z.6; Figure 3), as from previous studies [4]. Environmental, construction, and architectural context, anthropic factors such as presence and intensity of motor traffic, inadequate or absent maintenance are considered elements that mostly influence the presence and the morphology of the decay.
Figure 3.
Identification of climatic zones and samples.
Figure 3.
Identification of climatic zones and samples.

2. Experimental Section
This study concerns the analysis of the historic and new stone of Syracuse to identify its origin and characteristics, to link the results to the deterioration over time and delineate correct hypothesis of future intervention, both of recovery and new construction project.
Many different analyses have been made from samples from historic façades and from actual quarries, in order to study responses to decay.
Historic samples were taken from building façades of Ortigia island according to their degradation and to the nature of the rocks. In all the cases, materials that were never restored were collected by avoiding any kind of remarkable damage to the palace surfaces.
In Table 1, the collected samples and their numbering are reported.
Table 1.
Identification of the samples.
| Sample | Address | Microclimatic zone | Taking zone | Weather conditions | Notes |
|---|---|---|---|---|---|
| C.1.1.1 | Lungomare Alfeo, 20 | Z.1 | h = 1.50 m | sunny, hot | macroscopic fossils |
| C.1.2.1 | Passeggio Aretusa | Z.1 | h = 0.97 m | sunny, no wind | - |
| C.1.2.2 | Passeggio Aretusa | Z.1 | h = 1.80 m | sunny, no wind | thin sheet break |
| C.2.1.1 | Belvedere S. Giacomo, 3 | Z.2 | h = 2.00 m | cloudy | - |
| C.2.2.1 | Largo della Gancia, 1 | Z.2 | h = 1.30 m | sunny | - |
| C.2.3.1 | Nizza, 28 | Z.2 | h = 1.00 m | cloudy, N-E wind | - |
| C.3.1.1 | Della Maestranza, 97 | Z.3 | h = 2.20 m | sunny, no wind | surface deposit, high vehicular traffic |
| C.3.2.1 | Roma, 52 | Z.3 | h = 1.80 m | sunny, no wind | high vehicular traffic |
| C.4.1.1 | Resalibera, 6 | Z.4 | h = 1.70 m | cloudy, E-O wind | |
| C.4.3.1 | Vittorio Veneto, 64 | Z.4 | h = 1.40 m | sunny, high N-S wind | - |
| C.4.4.1 | Vittorio Veneto, 50 | Z.4 | Door jamb, ground floor | sunny, high N-S wind | - |
| C.5.1.1 | R. Lanza, 14 | Z.5 | h = 1.60 m | sunny, no wind | - |
| C.5.2.1 | Eritrea, 6 | Z.5 | Paramento h = 1.60 m | sunny, no wind | high vehicular traffic |
The mineralogy and texture of limestone samples were analyzed under a Zeiss Axiolab (Carl Zeiss, Jena, Germany) polarized optical microscope. Thin sections were prepared and observed with parallel and crossed nicols.
Degraded samples were also studied without any metal coating in a scanning electron microscope (SEM) apparatus VP LEO 1550 (Zeiss, Oxford, UK) with field emission source and by regulating the electron energy to a value of 15 keV.
XPS measurements were performed on PHI 5600 system (PHI, Eden Prairie, MI, USA) using a X-ray Al-Kα standard source (h = 1486.6 eV). The energy scale of the spectrometer was calibrated with reference to the Ag 3d5/2 = 368.3 eV photoelectron line. Binding energies were calculated with respect to the C 1s ionization at 285.00 eV from adventitious carbon that is generally accepted to be independent of the chemical state of the sample under investigation [5].
Samples taken from historic buildings underwent also conductometric measurements in order to evaluate the water soluble salts content (Table 2). These measurements appear to be fundamental in understanding the relationships between salt crystallization due to water solution circulation/evaporation processes and the typology of the stone degradation. These investigations were carried out according to the standard method reported in [6], and were made on samples (1 cm × 1 cm × 1 cm) taken from the exterior layers of the surfaces. Samples were ground and homogenized to be sure that the composition of the powders be uniform.
Table 2.
Conductivity values.
| Sample | Conductivity (µS) | Prevalent decay |
|---|---|---|
| C.1.1.1 | 91.8 | alveolization—surface erosion |
| C.1.2.1 | 80.7 | surface erosion |
| C.1.2.2 | 82.5 | surface erosion |
| C.2.1.1 | 68.5 | alveolization |
| C.2.2.1 | 135 | lack of parts |
| C.2.3.1 | 66.7 | lack of parts |
| C.3.1.1 | 132.6 | black crusts |
| C.3.2.1 | 109 | black crusts |
| C.4.1.1 | 85.2 | alveolization |
| C.4.3.1 | 56.4 | surface erosion |
| C.5.1.1 | 87.8 | surface erosion—lack of parts |
| C.5.2.1 | 97.6 | black crusts |
In order to evaluate some characteristics of the stones typical of Syracuse architecture, three still active quarries were selected near the town: Mostringiano-SICS quarry of Priolo Gargallo, Porcari-Tolentino quarry of Noto, Camelio-Bagnato quarry of Palazzolo. The samples collected in these quarries were tested with the following measurements:
- Water absorption [7], drying [8] and capillary uptake [9] were determined by weighing the samples (three samples per lithotype) at regular intervals. The absorption coefficient, drying index, real and apparent density, saturation coefficient, degree of pore interconnectivity, and open porosity were calculated from the obtained weight values.
- Following the UNI method reported in [10], 15 test cycles of salt crystallization were performed, with a solution of 14% Na2SO4・10H2O, on 3 limestone samples per group. In every cycle, the samples were observed to evaluate progressive deterioration.
- Mechanic properties were evaluated by following standard methodologies [11].
3. Results and Discussion
3.1. Historic Façade Analysis
Traditionally Syracuse stone is distinguished in only two kinds, white or yellow, to which a commercial name is added (stone of Syracuse, of Palazzolo, of Noto, etc.) [12]. Instead, through the chemical and mineralogical-petrographic analysis made with the optical microscope on 12 samples taken from the historic façades of Syracuse, we know that there are seven different kinds of stone classifiable in five groups (Table 3):
- Wackestones and packstones, a fine-grained limestone, heterogeneous for the presence of fossil, with a light cream or beige color (the so-called “Palazzolo stone”) or with yellowish color (the so-called “Noto stone”) belonging to the Formation of Palazzolo;
- Grainstone, an oolitic white limestone, fossil-rich for the 90%, with massive structure or stratified, belonging to the Formation of Carrubba Mountain;
- A greyish limestone of organic origin, very rich of shells fossils, called “lumachella”, belonging to the Formation of Carrubba Mountain;
- A compact and small-grained limestone, with heterogeneous structure, with yellowish (limestone of Melilli) or whitish color (limestone of Syracuse) belonging to the Formation of Climiti Mountains;
- An organic limestone with yellow sands (the so-called “giuggiulena stone”) extracted from the organic limestone layer (called “level Panchina”) inside the deposits of the Medium and Superior Pleistocene.
Another sample, the C.4.4.1, has undergone only a macroscopic identification.
Table 3.
Classification of the samples.
| Sample | Classification according to Folk | Classification according to Dunham | Formation |
|---|---|---|---|
| Group A | |||
| C.1.1.1 | biomicrarenite | Wackestone | Palazzolo (2 lithotypes: Palazzolo stone and Noto stone) |
| C.1.2.1 | biomiclutite | Wackestone | |
| C.1.2.2 | biomiclutite | Wackestone | |
| C.2.1.1 | biomiclutite | Wackestone | |
| C.4.1.1 | biomicrarenite | Wackestone | |
| C.5.1.1 | biomicrarenite | Wackestone | |
| Group B | |||
| C.4.3.1 | oosparudite | Grainstone | Carrubba Mountain |
| Group C | |||
| C.4.4.1 | “Lumachella”—macroscopic identification | Carrubba Mountain | |
| Group D | |||
| C.2.3.1 | biomicrudite | Packstone | Climiti Mountains (2 lithotypes: limestone of Syracuse and limestone of Melilli) |
| C.3.1.1 | biosparudite | Grainstone | |
| C.5.2.1 | biomicrudite | Packstone | |
| Group E | |||
| C.2.2.1 | biomicrudite | Packstone | “level Panchina” |
| C.3.2.1 | biomicrudite | Packstone | |
In every sample the texture is grain-supported or mud-supported, so that the clasts or the matrix prevail in the structure. The predominant allochemicals are foraminifers, echinoderms and briozoi (90% of ooids in the sample C.4.3.1); the matrix is mainly micritic or sparitic and the porosity is, generally, not superior to 20% (Figure 4).
Inside the climatic zones, the exposed stone façades present a large range of decay, but those most frequent and heavy, as seen by the observation of the samples, are due to presence of water and pollution: alveolization, surface erosion, black crusts, dust, biological crust, pitting and efflorescence.
In the case of Syracuse stone, porosity and texture are the characteristics that more influence its durability, above all when the cause of decay is the absorption of water and the consequent crystallization of salts. In this case, ventilation and sun are aggravating condition, particularly influential in the case of the streets of Ortigia, narrow and characterized by disproportion between height of buildings and road section.
Figure 4.
Microphotographs of thin section of the sample (a) C.1.1.1; (b) C.4.3.1; (c) C.2.3.1; and (d) C.3.2.1, crossed or parallel nicols.
Figure 4.
Microphotographs of thin section of the sample (a) C.1.1.1; (b) C.4.3.1; (c) C.2.3.1; and (d) C.3.2.1, crossed or parallel nicols.

A particular form of degradation of Syracuse building surfaces is often represented by coating crusts that completely transform the look of façades of the city center. The color of crust is generally yellowish or blackish due to the atmospheric carbon pollution [13,14]. Under the black crusts, in particular, the solidity of stone is greatly reduced and the material transforms in a sort of coarse meal. This is a clear demonstration that crust, in particular the black one, represents a real risk for stone conservation.
In Figure 5, a cross section of a similar crust is shown in a SEM image. The thickness of the more external layer is in the order of hundreds microns and the energy dispersive X-ray (EDX) analysis of the region clearly shows the presence of calcium and sulfur. These elements belong to the phase gypsum that was confirmed by X-ray diffraction (XRD) measurements. It was demonstrated that the gypsum origin is mainly due to the sticking of external atmospheric micro and nano-particles that characterize pollution due to the fuel combustion in car engines, oil burners etc., rather than to the reaction between acidic rains containing sulfate ions and the alkaline-earth stone substrate [15]. Adhesion of gypsum particles is more efficient especially during the dew condensation on stone surfaces in early morning. On the contrary, many authoritative scholars think that the role of atmospheric particles basically is a cathalithic behavior [16,17]. However, we have found gypsum crusts even on artifacts made with different materials such bronzes and painted substrates where, for sure, no calcium carbonate is contained [18].
Figure 5.
Sample C.3.1.1: SEM image of a black scrub cross section. The EDX analysis of a selected area is also reported.
Figure 5.
Sample C.3.1.1: SEM image of a black scrub cross section. The EDX analysis of a selected area is also reported.

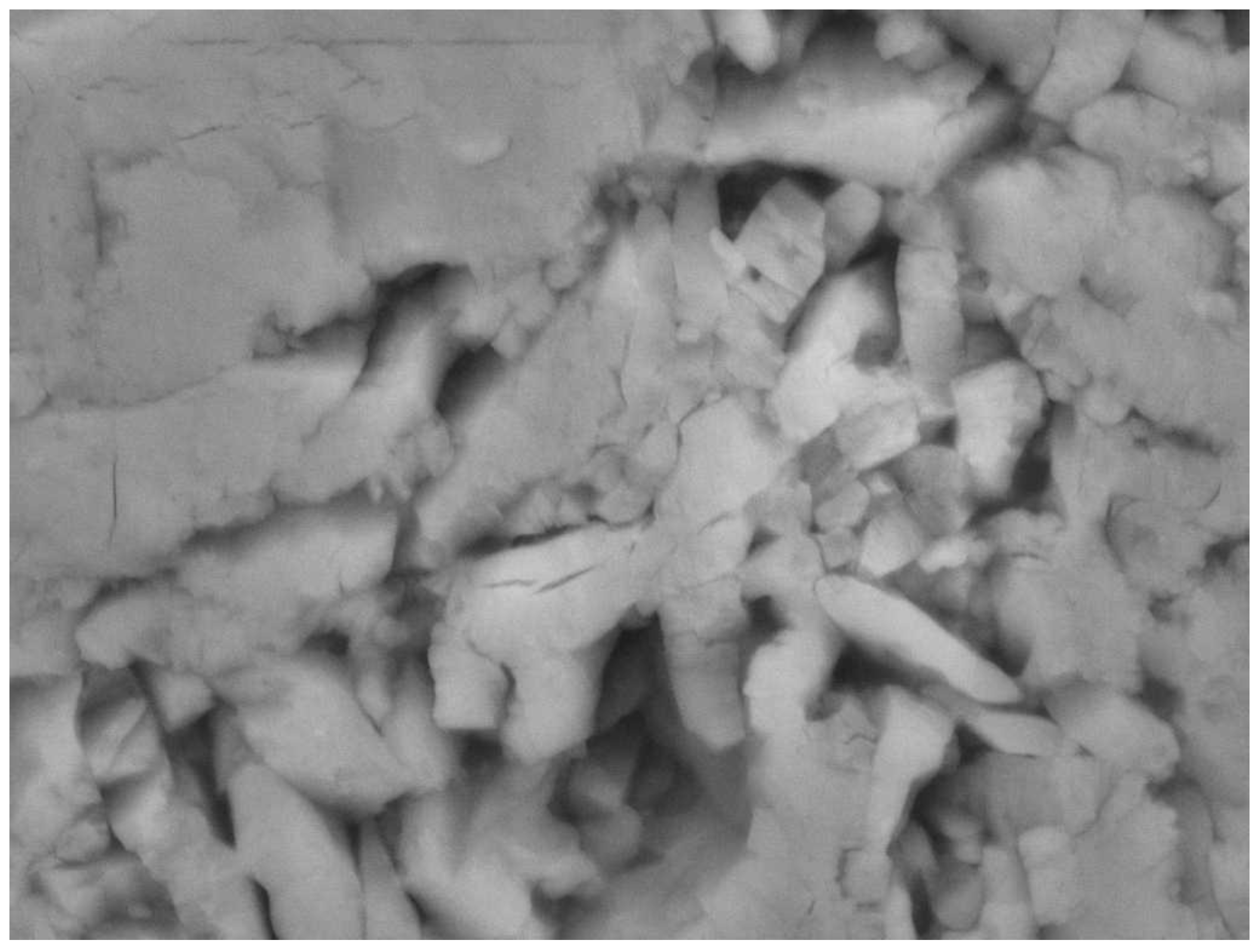
We know that solubility of gypsum in water is about 3 g/L at 25 °C when the ionic strength of the solution is 0.1 M. This property causes calcium sulfate to solubilize during rain events and to crystallize inside the stone porosity when sun and wind induce water evaporation. In Figure 6, secondary gypsum crystals are reported. These crystals are the responsible for the breaking of stone structure due to the crystallization pressure that produces a sort of explosion of the porous stone. So the combination of environmental pollution, dew cycles, rain and evaporation on a porous material can produce a deep degradation.
Salt crystallization, deriving from circulation of solutions inside the porous stones due to capillarity, can also be an important reason of degradation.
In Figure 7, a histogram showing the conductivity values measured on the 12 samples is reported. A mean value of 100 µS was calculated: this value derives from the solubility in 1 L of water of the soluble salts contained in 1 g of stone and from an empirical point of view corresponds to 50–100 mg (5%–10%) of salts originally contained in the sample.
Figure 6.
Sample C.3.1.1: SEM image of secondary gypsum crystals clogging a stone pore.
Figure 6.
Sample C.3.1.1: SEM image of secondary gypsum crystals clogging a stone pore.

Figure 7.
Histogram with the data about the conductivity.
Figure 7.
Histogram with the data about the conductivity.

Different information is deducted from surface investigation of the old building limestone. In Figure 8, the wide XPS spectrum of the sample C.3.1.1 is reported.
Figure 8.
Sample C.3.1.1: XPS wide spectrum.
Figure 8.
Sample C.3.1.1: XPS wide spectrum.

In the expanded spectrum, if we look at the C1s band envelope, the signals centered at 285 eV indicate more than one chemical environment for the carbon atoms. These refer to the carbons coming from surface pollution (285 eV), such as hydrocarbons or hydrocarbon moieties of organic compounds partially coating the surface and carbonate carbon atoms (290 eV), which are typical of the calcite phase. The wide difference (5 eV) between the two signals, originating from extremely different formal oxidation states of the carbon atoms, leads us to predict that the C1s binding energies of most functional groups will fall within this range. On the stone surface, some molecular moieties containing carboxyl groups seem to be of particular relevance. This evidence could be related to the presence of polycarboxylate species such as oxalate salts, that can be related to the reaction of biological metabolites (oxalic acid) with the calcareous material [19]. The N1s photoelectron signal has a binding energy of 399.9 and shows a little asymmetry at a lower binding energy. The position of the peak is typical of protein nitrogen, a factor that is amply documented in literature [20]. The presence of proteic species could confirm the presence of biodeteriogens on the stone surface. It is important to point out that the XPS spectra also show signals corresponding to ionisations of S2s and S2p orbitals. Curve fitting analysis highlights components at 169.5 eV due to sulfur atoms belonging to sulfate groups and at 161.0 eV due to the sulfide atoms [21]. Sulfide species become more evident after few minute of argon ion sputtering showing that red-ox reactions involving sulfur atoms are probably active in the asphyxial bulk of the material due probably to the presence of tio-bacteria that are able to use the reduction potential of the sulfur electrode instead of the oxygen one to produce energy (Figure 9).
2.2. Quarry Stone Analysis
Chemical and mechanics analysis have been made on 12 samples taken from active quarries near the city in which stone are still extracted as building material (Mostringiano-SICS quarry of Priolo Gargallo, Porcari-Tolentino quarry of Noto, Camelio-Bagnato quarry of Palazzolo). The aim was to identify the response of new stone to the mechanisms of decay [22].
Figure 9.
Sample C.3.1.1: XPS region of Sulfur 2p. Two different bands are quite evident due to sulfate atoms (higher binding energy) and to sulfide atoms (lower binding energy). The spectrum suffers of an electrostatic shift of 2 eV due to charging phenomena of the sample surface during the X ray bombardment.
Figure 9.
Sample C.3.1.1: XPS region of Sulfur 2p. Two different bands are quite evident due to sulfate atoms (higher binding energy) and to sulfide atoms (lower binding energy). The spectrum suffers of an electrostatic shift of 2 eV due to charging phenomena of the sample surface during the X ray bombardment.

Therefore, analyses of resistance to water have been made, considered as the principal cause of decay for stone, and data on the mechanical resistance, on density and apparent porosity of different stone types have been picked up.
The main results of the analyses and the consequent considerations are shown below.
(a) Water’s Absorption for total immersion: this test has shown how the sample that absorbs more and more quickly is that of Noto (N1) and, to follow, the Palazzolo one (PL1); while the Priolo one absorbs a smaller quantity of water (P4 and, to follow, P1).
The factors that influence the absorption capacity are the porosity and the interconnection of pore. In fact, the sample N1 has the lower specific weight and great porosity, while the sample P4 has great specific weight and the lower porosity.
(b) Water’s Absorption for capillarity: in this test, the sample that absorbs less comes again from Priolo (P5) and the one that absorbs more comes from Noto (N2). Besides the sample, N2 also shows a great speed of capillary rise. Despite this, all the samples reach the asymptotic value (after which the quantity of absorbed water begins to level off, in the same moment).
(c) Resistance to salts crystallization: the samples show clearly different behaviors during the 15 cycles of desiccation/immersion in water. The stone of Priolo (P3 and P6) shows only a light efflorescence from the V cycle, a partial superficial detachment during the IX cycle, a more marked efflorescence after the X and begins to crumble at the XI cycle. The sample P3 shows a loss of geometric regularity of an edge after the VII cycle. The stone of Noto (N3) shows some whitish stains after the II cycle, then suffers a metamorphosis of the external surfaces because of the formation of a thick salty crust during the IV cycle, with the first damage and damp patches at the VI and the fall of parts at the VII. The stone of Palazzolo shows efflorescence in the form of blisters from the III cycle, with the formation of alveoli at the V, permanent damp patches at the VI, the breaking of an edge at the VIII and the clear breaking in more points at the IX cycle.
The specific weight of stone (γ) is important information obtained through the physical analyses. It gives a first indication about stone porosity, since the larger is γ and the smaller is porosity. The sample P6 gives the best result, as the other 5 samples coming from Priolo, while N1 gives the worse result, similar to the other samples coming from Noto and Palazzolo. From this it is possible to infer that the most porous material is the stone of Noto and the less porous is the stone of Priolo.
To follow a summary table with the results achieved through the analyses exposed.
In the Table 4 γ (g/cm3) is the specific weight, ΔM/Mmax (%) is the maximum value of the water’s absorption for total immersion, CI (%) the capacity of absorption, Mi (g/cm²) water’s absorption for capillarity, CA [g/(m2 ・ s0.5)] the coefficient of capillary absorption, Ms the quantity of absorbed salts’. The values put in evidence are the most satisfying results within the same analysis.
Table 4.
Summary table of the physic analysis on quarry samples.
| Sample | Quarry | γ | ΔM/Mmax (%) | CI (%) | Porosity (%) | Mi (g/cm2) | CA | Ms | Crash (n. cycle) |
|---|---|---|---|---|---|---|---|---|---|
| Climiti Mountains Formation | |||||||||
| Priolo stone | Mostringiano SICS | ||||||||
| P1 | 2.14 | 6.94 | 6.96 | 15 | - | - | - | - | |
| P2 | 2.06 | - | - | - | 0.85 | 0.008 | - | - | |
| P3 | 2.06 | - | - | - | - | - | 8.72 | NO | |
| P4 | 2.22 | 4.92 | 4.94 | 11 | - | - | - | - | |
| P5 | 2.24 | - | - | - | 0.54 | 0.005 | - | - | |
| P6 | 2.25 | - | - | - | - | - | 5.10 | NO | |
| Palazzolo Formation | |||||||||
| Noto stone | Porcari Tolentino | ||||||||
| N1 | 1.61 | 17.03 | 17.10 | 27 | - | - | - | - | |
| N2 | 1.63 | - | - | - | 1.39 | 0.013 | - | - | |
| N3 | 1.72 | - | - | - | - | - | 8.61 | 7 | |
| Palazzolo stone | Camelio Bagnato | ||||||||
| PL1 | 1.80 | 12.48 | 12.59 | 22 | - | - | - | - | |
| PL2 | 1.79 | - | - | - | 1.20 | 0.011 | - | - | |
| PL3 | 1.81 | - | - | - | - | - | 8.04 | 9 | |
4. Conclusions
Very often, the choice of a material or the building technology depends on aesthetical reasons and it does not take into consideration chemical and mechanic characteristics of the aggressiveness of the environmental context and the time element. The result is that the façades deteriorate too quickly or that they need frequent maintenance.
Particularly, about the stone of Syracuse, it is possible to say that its use is sustainable because:
- It is a natural material used for centuries in this context, which gives the opportunity to recover and to hand down the local construction traditions and furthermore ensures the possibility to try new ones;
- Compared to other building materials, such as concrete or ceramic bricks, the productive process has a low environmental impact, it is not harmful and it involves a low consumption of energetic resources;
- Now it is a material available in abundance, that produces smaller quantities of gray energy [23] in comparison to other materials as concrete or bricks, used more frequently;
- It guarantees less transportation costs as it is a local material;
- It is a material that lasts for a long time;
- Maintenance, substitution and selective demolition are possible according to the construction technique used and, besides, it is possible to recycle part of the material for grinding and the consequent production of inerts and sand.
Moreover, Syracuse bio-limestones represent excellent materials for the so-called bio architecture, which is a branch of the building sector that pays particular attention to both the human comfort of a house and its sustainability [24,25]. This may be supported by a series of reasons: (i) limestone is a very easy system from a chemical point of view. Generally speaking the principal components are calcium, carbon and oxygen with some impurities constituted by silicon, magnesium and iron (volcanic stones or many metamorphic stones, for instance, show a more complex chemical composition and the probability that some poisonous or radioactive element may be contained in is rather high); (ii) because these materials originated by biological mechanisms, they were subjected to a natural filter and contain only elements or chemical phases necessary to the life of the producing organisms; (iii) they are very porous, the porosity ranging between 20% and 30%: this property is very important because gives lightness to the structures and allows the gas to permeate trough, a sort of stone breathing, at the same time maintaining a good thermal insulation. Even if porosity can represents a negative factor involved in the stone degradation in case of salt solution circulation, very easy building precautions, such as the basement proofing and the use of mortar that do not contain any ion generator species (like gypsum for example), are able to remove this risk.
Besides, some uses of Syracuse stone can be suggested for the contemporary architecture, both traditional and innovative, for example masonry in blocks of square stone at more heads, metallic cages that contain scrabbled stones, armed stone for weight-bearing structures, thin coverings, walls ventilated with continuous anchorages in stainless steel [26].
As for the choice of stone, the data show that the samples of Priolo answer better to the analyses of absorption of water, deteriorating less, and that they have greater mechanical strength. Then it is better to use the Priolo stone for resistant parts and the Palazzolo or Noto stone for decorative parts, protected by the action of water.
To intervene in a correct and sensitive way, both with projects of recovery and of new building, it means to identify the different problems that can occur and to manage to prevent or to quickly resolve them. Following the delineated hypotheses, new possibilities of use are singled out for local stone, by applying systems and technologies compatible with the stone and with the context. In this way, it is possible to learn from the past to reinterpret (Figure 10), in actual key (Figure 11), a natural material, maintaining and contemporarily handing down the physical and chromatic feature of a specific urban context.
Figure 10.
Two examples of historic façades of Syracuse.
Figure 10.
Two examples of historic façades of Syracuse.

Figure 11.
An example of contemporary stone architecture in Ortigia: Access Pavilion to the excavations of the Syracuse Artemision, arch. Vincenzo Latina, 2011. Gold Medal at the Architecture 2012 awarded by the Triennale of Milano, the MiBAC and the MADE expo.
Figure 11.
An example of contemporary stone architecture in Ortigia: Access Pavilion to the excavations of the Syracuse Artemision, arch. Vincenzo Latina, 2011. Gold Medal at the Architecture 2012 awarded by the Triennale of Milano, the MiBAC and the MADE expo.

References and Notes
- Pavan, V. Dove va a Finire L’architettura di Pietra. [in Italian]. Available online: http://www.architetturadipietra.it/wp/?p=1312 (accessed on 19 June 2009).
- Sariisik, A.; Sariisik, G.; Senturk, A. Characterization of physical and mechanical properties of natural stones affected by ground water under different ambient conditions. Ekoloji 2010, 19, 88–96. [Google Scholar] [CrossRef]
- Espinosa-Marzal, R.M.; Scherer, G.W. Mechanisms of damage by salt. Geol. Soc. Spec. Publ. 2010, 331, 61–77. [Google Scholar] [CrossRef]
- Consiglio Nazionale delle Ricerche, Il Centro Storico di Ortygia, [in Italian]; [CD-ROM]; Comune di Siracusa: Siracusa, Italy, 2000.
- Altavilla, C.; Ciliberto, E. Cultural Heritage Materials: An XPS Approach; Nova Science: New York, NY, USA, 2011. [Google Scholar]
- UNI-EN, Beni Culturali—Materiali Lapidei Naturali ed Artificiali. Determinazione del Contenuto di Sali Solubili; [in Italian]; CNR-ICR: Roma, Italy, 2003; EN-11087.
- Assorbimento D’acqua per Immersione Totale. Capacità di Imbibizione; [in Italian]; CNR-ICR: Roma, Italy, 1981; NORMAL 7/81.
- Misura Dell’indice di Asciugamento (Drying Index); [in Italian]; CNR-ICR: Roma, Italy, 1988; NORMAL 29/88.
- UNI-EN, Metodi di Prova per Pietre Naturali. Determinazione del Coefficiente di Assorbimento D’acqua per Capillarità; [in Italian]; EN-1925; CNR-ICR: Roma, Italy, 2000.
- UNI-EN, Metodi di Prova per Pietre Naturali. Determinazione Della Resistenza Alla Cristallizzazione dei Sali; [in Italian]; CNR-ICR: Roma, Italy, 2001; EN-12370.
- UNI-EN, Determinazione Della Resistenza a Compressione; [in Italian]; CNR-ICR: Roma, Italy, 2000; EN-1926.
- Lo Giudice, A.; Mazzoleni, P.; Pezzino, A; Punturo, R.; Russo, L.G. Building stone employed in the historical monuments of Eastern Sicily (Italy). An example: The ancient city centre of Catania. Environ. Geol. 2006, 50, 156–169. [Google Scholar] [CrossRef]
- Montana, G.; Oddo, I.A.; Randazzo, L.; Valenza, M. The growth of “black crusts” on calcareous building stones in Palermo (Sicily): A first appraisal of anthropogenic and natural sulphur sources. Environ. Geol. 2008, 56, 367–380. [Google Scholar] [CrossRef]
- Havelcova, M.; Sykorova, I.; Trejtnarova, H.; Zeman, A. Carbon air pollution reflected in deposits on chosen building materials of Prague Castle. Sci. Total Environ. 2011, 409, 4606–4611. [Google Scholar] [CrossRef]
- Ciliberto, E.; La Delfa, S.; Panarello, S. Characterization of black scabs and role of atmospheric pollutants on their formation. In Tecniche di Analisi di Materiali nei Beni Culturali; Brai, M., Casaletto, M.P., Maccotta, A., Schillaci, S., Eds.; Carbone: Palermo, Italy, 2007; pp. 131–136. [Google Scholar]
- Torok, A. Black crusts on travertine: Factors controlling development and stability. Environ. Geol. 2008, 56, 583–594. [Google Scholar]
- Moropoulou, A.; Bisbikou, K.; Torfs, K.; van Grieken, R.; Zezza, F.; Macri, F. Origin and growth of weathering crusts on ancient marbles in industrial atmosphere. Atmos. Environ. 1998, 32, 967–982. [Google Scholar] [CrossRef]
- Ciliberto, E.; Fragalà, I.; Spoto, G. Analizing a Sicilian Renaissance Portal. Anal. Chem. 1995, 67, 249A–253A. [Google Scholar] [CrossRef]
- Ciliberto, E.; Spoto, G. X ray photoelectron spectroscopy and auger electron spectroscopy. In Modern Analytical Methods in Art and Archaeology; Ciliberto, E., Spoto, G., Eds.; John Wiley and Sons: New York, NY, USA, 2000; Volume 155, pp. 363–404. [Google Scholar]
- Feng, B.; Chen, J.; Zhang, X. Interaction of calcium and phosphate in apatite coating on titanium with serum albumin. Biomaterials 2002, 23, 2499–2507. [Google Scholar] [CrossRef]
- Squarcialupi, M.C.; Bernardini, G.P.; Faso, V.; Atrei, A.; Rovida, G. Characterisation by XPS of the corrosion patina formed on bronze surfaces. J. Cult. Herit. 2002, 3, 199–204. [Google Scholar] [CrossRef]
- Calabrò, C.; Cultrone, G.; Pezzino, A.; Russo, L.G.; Uroševič, M. Influence of pore system characteristics on limestone vulnerability: A laboratory study. Environ. Geol. 2008, 54, 1271–1281. [Google Scholar] [CrossRef]
- In this case, grey energy is the sum of all energy required to produce goods, like material extraction, transport, manufacture, assembly, installation, dis-assembly, deconstruction and/or decomposition as well as human and secondary resources.
- Senosiain, J. Bio-Architecture; Elsevier Architectural Press: Oxford, UK, 2003. [Google Scholar]
- Wright, F.L. The Natural House; Bramhall House: New York, NY, USA, 1954. [Google Scholar]
- Dal Buono, V. Pietre Agglomerate tra Natura e Artificio [in Italian]; Blog Architettura di pietra. Available online: http://www.architetturadipietra.it/wp/?p=1212 (accessed on 19 June 2009).
© 2013 by the authors; licensee MDPI, Basel, Switzerland. This article is an open access article distributed under the terms and conditions of the Creative Commons Attribution license (http://creativecommons.org/licenses/by/3.0/).