Rethinking the Lake History of Taylor Valley, Antarctica During the Ross Sea I Glaciation
Abstract
1. Introduction

2. Water Source, Path, and Signatures
2.1. Water Source
2.2. Radiocarbon Reservoir Effect
2.3. Sills and Overflow Signatures
2.4. Lake Water Columns
3. Paleolake Signatures
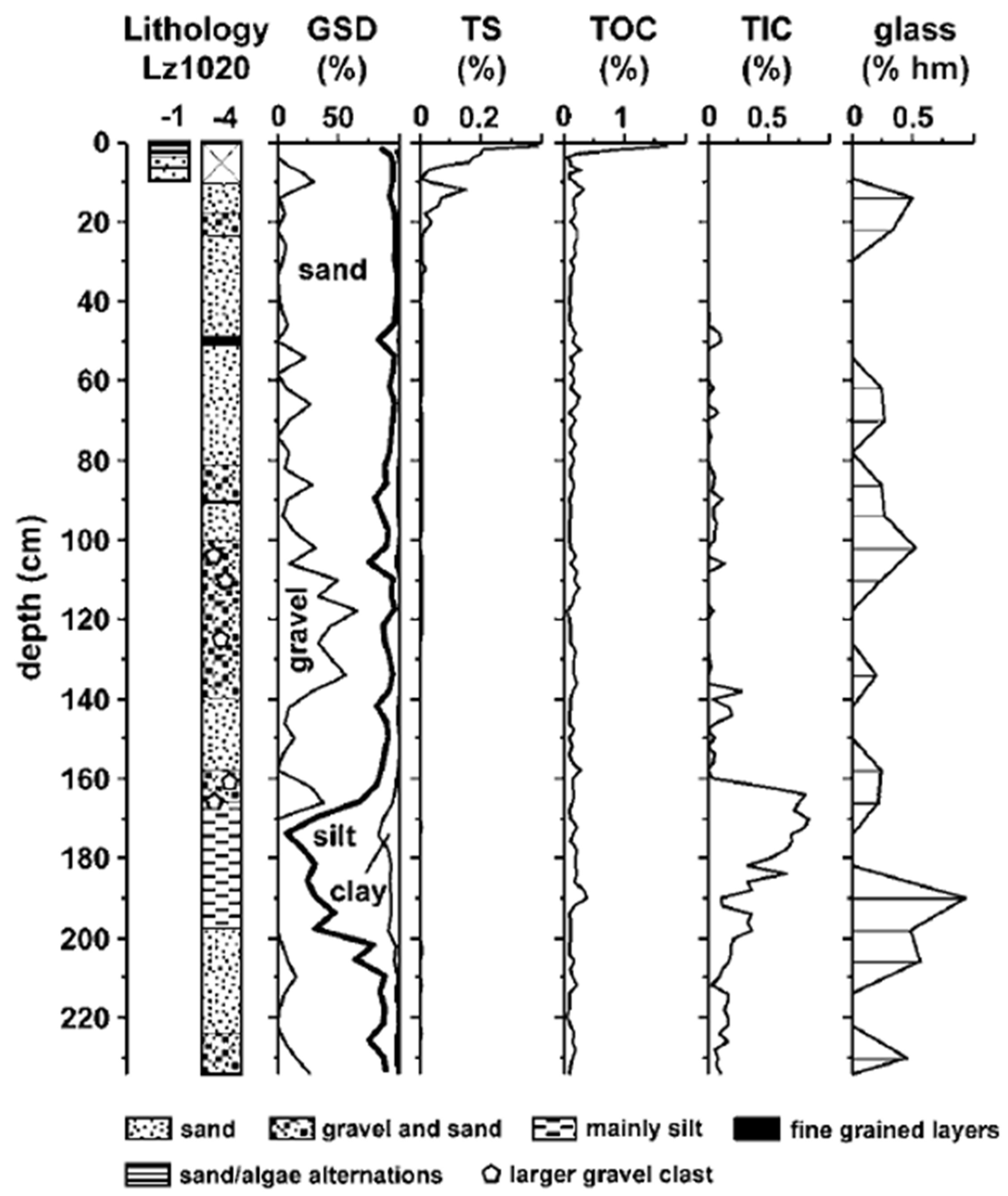
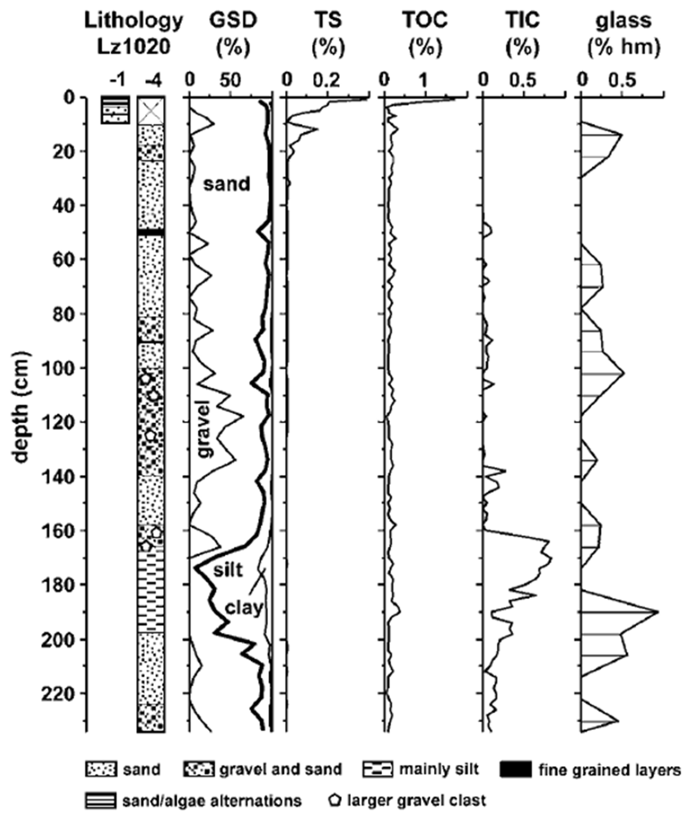
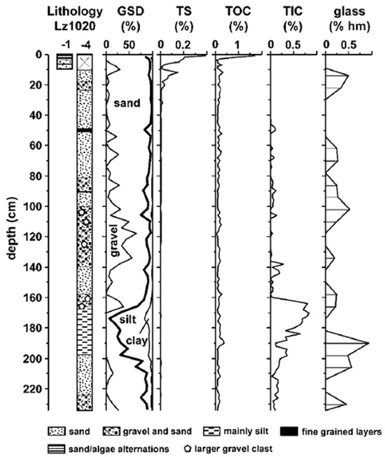
3.1. Lake Core Evidence
3.1.1. Lake Fryxell
3.1.2. Lake Hoare
3.1.3. Lake Bonney
3.2. Soil Evidence
3.3. Deltas and Streams
3.4. Strandlines
3.4.1. Delicate Type
3.4.2. Ice-Push Type
3.4.3. Bench Type
3.5. Subsurface Evidence for Paleolakes
4. Glacial Evidence
4.1. Drift Descriptions and Extents
4.2. Lake Ice Conveyors
4.3. Moraines
4.4. Cross-Valley Ridges
4.5. Longitudinal Ridges
4.6. Debris Mounds
4.7. Core-Based Evidence for Past Glacial Movements
5. Discussion
5.1. Paleolacustrine History of Lower Taylor Valley
5.2. Mechanism of Drift Distribution in Lower Taylor Valley
5.3. Implications for the Radiocarbon Reservoir Effect
6. Conclusions
- The advancing RIS reached the mouth of Taylor Valley and advanced west beyond Coral Ridge. The Wilson Piedmont Glacier also advanced at this time [95]. A proglacial lake existed in front of the RIS in Taylor Valley. A lake also existed in Bonney Basin at this time, filling the basin to the Suess Glacier sill elevation. This lake was supported by melt from Taylor Glacier (and possibly local alpine glaciers as well) [5]. The position of the Taylor Glacier grounding line at this time is unclear, but it may have occupied much or all of the WLB sub-basin, still retreating from the previous Taylor glaciation. Suess and Canada Glaciers did not block the Lake Hoare area at this time.
 - The RIS further advanced to reach its westernmost grounding line west of modern Lake Fryxell. The level of the RIS proglacial lake rose above the Suess Glacier sill elevation and entered Bonney Basin, floating on top of the denser, Taylor Glacier-derived waters that already occupied Bonney Basin, and creating the valley-wide lake known as GLW. Changes in the RIS grounding line position caused lake levels to fluctuate in Bonney Basin, with maximum lake levels there reaching ~300 m asl [5].
 - The RIS retreated in lower Taylor Valley, causing lake levels to drop in Bonney Basin. Lake levels in lower Taylor Valley remained stagnant for an extended period at approximately the elevation of the Suess Glacier sill before dropping below the sill elevation due to further retreat of the RIS grounding line [5]. The lake in Bonney Basin was now isolated from the lower Taylor Valley lake and began to drop largely due to ablation. It is not clear if changes in the Taylor Glacier grounding line position also played a minor role in the lake level drop in Bonney Basin.
 - Lower Taylor Valley lake levels fluctuated in response to RIS grounding line fluctuations [5,45]. The RIS eventually may have grounded along Coral Ridge [4]. At some point, Canada and Suess Glaciers advanced to form a piedmont glacier in the area of modern Lake Hoare. Other local alpine glaciers may have also advanced.
 - The RIS retreated from the mouth of Taylor Valley, causing Explorers Cove Basin to drain and marking the end of the RIS proglacial lake in Taylor Valley. At some point before or after this RIS retreat, alpine glacier fed streams sustained a lake near the Coral Ridge threshold elevation in the Fryxell Basin [5]. At some point Canada and Suess Glaciers began to retreat from the Lake Hoare area. Other local alpine glaciers may have retreated around this time as well.
 - Subsequent lake level and glacier fluctuations outside the scope of this manuscript eventually led to the modern configuration of lakes and glaciers seen in Taylor Valley today.
 
Author Contributions
Funding
Acknowledgments
Conflicts of Interest
References
- Levy, J. How big are the McMurdo Dry Valleys? Estimating ice-free area using Landsat image data. Antarct. Sci. 2013, 25, 119–120. [Google Scholar] [CrossRef]
 - Hawes, I.; Howard-Williams, C.; Gilbert, N.A.; Joy, K. Towards an environmental classification of lentic aquatic ecosystems in the McMurdo Dry Valleys, Antarctica. Environ. Manag. 2021, 67, 600–622. [Google Scholar] [CrossRef] [PubMed]
 - Denton, G.H.; Marchant, D.R. The geologic basis for a reconstruction of a grounded ice sheet in McMurdo Sound, Antarctica, at the Last Glacial Maximum. Geogr. Ann. 2000, 82, 167–211. [Google Scholar] [CrossRef]
 - Hall, B.L.; Denton, G.H.; Hendy, C.H. Evidence from Taylor Valley for a grounded ice sheet in the Ross Sea, Antarctica. Geogr. Ann. 2000, 82, 275–303. [Google Scholar] [CrossRef]
 - Toner, J.D.; Sletten, R.S.; Prentice, M.L. Soluble salt accumulations in Taylor Valley, Antarctica: Implications for paleolakes and Ross Sea Ice Sheet dynamics. J. Geophys. Res. Earth Surf. 2013, 118, 198–215. [Google Scholar] [CrossRef]
 - Stuiver, M.; Denton, G.H.; Hughes, T.J.; Fastook, J.L. History of the marine ice sheet in West Antarctica during the last glaciation: A working hypothesis. In The Last Great Ice Sheets; Denton, G.H., Hughes, T.J., Eds.; Wiley Interscience: New York, NY, USA, 1981; Chapter 7; pp. 263–436. [Google Scholar]
 - Péwé, T.L. Multiple Glaciation in the McMurdo Sound region, Antarctica—A progress report. J. Geol. 1960, 68, 498–514. [Google Scholar] [CrossRef]
 - Denton, G.H.; Armstrong, R.L. Glacial geology and chronology of the McMurdo Sound region. Antarct. J. U. S. 1968, 3, 99–101. [Google Scholar]
 - Denton, G.H.; Bockheim, J.G.; Wilson, S.C.; Stuiver, M. Late Wisconsin and Early Holocene glacial history, Inner Ross Embayment, Antarctica. Quat. Res. 1989, 31, 151–182. [Google Scholar] [CrossRef]
 - Kellogg, D.E.; Stuiver, M.; Kellogg, T.B.; Denton, G.H. Non-marine diatoms from Late Wisconsin perched deltas in Taylor Valley, Antarctica. Palaeogeogr. Palaeoclimatol. Palaeoecol. 1980, 30, 157–189. [Google Scholar] [CrossRef]
 - Hall, B.L.; Denton, G.H. Radiocarbon chronology of Ross Sea Drift, eastern Taylor Valley, Antarctica: Evidence for a grounded ice sheet in the Ross Sea at the Last Glacial Maximum. Geogr. Ann. 2000, 82, 305–336. [Google Scholar] [CrossRef]
 - Toner, J.D. Using Salt Accumulations and Luminescence Dating to Study the Glacial History of Taylor Valley, Antarctica. Ph.D. Dissertation, University of Washington, Seattle, WA, USA, 2012. [Google Scholar]
 - Berger, G.W.; Doran, P.T.; Thomsen, K.J. Micro-hole and multigrain quartz luminescence dating of Paleodeltas at Lake Fryxell, McMurdo Dry Valleys (Antarctica), and relevance for lake history. Quat. Geochronol. 2013, 18, 119–134. [Google Scholar] [CrossRef]
 - Myers, K.F.; Doran, P.T.; Tulaczyk, S.M.; Foley, N.T.; Bording, T.S.; Auken, E.; Dugan, H.A.; Mikucki, J.A.; Foged, N.; Grombacher, D.; et al. Thermal legacy of a large paleolake in Taylor Valley, East Antarctica, as evidenced by an airborne electromagnetic survey. Cryosphere 2021, 15, 3577–3593. [Google Scholar] [CrossRef]
 - Hall, B.L.; Hendy, C.H.; Denton, G.H. Lake-ice conveyor deposits: Geomorphology, sedimentology, and importance in reconstructing the glacial history of the Dry Valleys. Geomorphology 2006, 75, 143–156. [Google Scholar] [CrossRef]
 - Hall, B.L.; Denton, G.H.; Fountain, A.G.; Hendy, C.H.; Henderson, G.M. Antarctic lakes suggest millennial reorganizations of southern hemisphere atmospheric and oceanic circulation. Proc. Natl. Acad. Sci. USA 2010, 107, 21355–21359. [Google Scholar] [CrossRef] [PubMed]
 - Hendy, C.H.; Sadler, A.J.; Denton, G.H.; Hall, B.L. Proglacial lake-ice conveyors: A new mechanism for deposition of drift in polar environments. Geogr. Ann. 2000, 82, 249–270. [Google Scholar] [CrossRef]
 - Chinn, T.J.H. Hydrology and climate in the Ross Sea area. J. R. Soc. N. Z. 1981, 11, 373–386. [Google Scholar] [CrossRef]
 - Bockheim, J.G.; Campbell, I.B.; McLeod, M. Use of soil chronosequences for testing the existence of high-water-level lakes in the McMurdo Dry Valleys, Antarctica. Catena 2008, 74, 144–152. [Google Scholar] [CrossRef]
 - Obryk, M.K.; Doran, P.T.; Waddington, E.D.; McKay, C.P. The influence of föhn winds on Glacial Lake Washburn and palaeotemperatures in the McMurdo Dry Valleys, Antarctica, during the Last Glacial Maximum. Antarct. Sci. 2017, 29, 457–467. [Google Scholar] [CrossRef]
 - Doran, P.T.; McKay, C.P.; Fountain, A.G.; Nylen, T.; McKnight, D.M.; Jaros, C.; Barrett, J.E. Hydrologic response to extreme warm and cold summers in the McMurdo Dry Valleys, East Antarctica. Antarct. Sci. 2008, 20, 499–509. [Google Scholar] [CrossRef]
 - Conovitz, P.A.; McKnight, D.M.; MacDonald, L.H.; Fountain, A.G.; House, H.R. Hydrologic processes influencing streamflow variation in Fryxell Basin, Antarctica. In Ecosystem Processes in a Polar Desert: The McMurdo Dry Valleys, Antarctica; Priscu, J.C., Ed.; Antarctic Research Series; American Geophysical Union: Washington, DC, USA, 1998; Volume 72, pp. 93–108. [Google Scholar]
 - Steig, E.J.; Morse, D.L.; Waddington, E.D.; Stuiver, M.; Grootes, P.M.; Mayewski, P.A.; Twickler, M.S.; Whitlow, S.I. Wisconsinan and Holocene climate history from an ice core at Taylor Dome, western Ross Embayment, Antarctica. Geogr. Ann. 2000, 82, 213–235. [Google Scholar] [CrossRef]
 - Baggenstos, D.; Severinghaus, J.P.; Mulvaney, R.; McConnell, J.R.; Sigl, M.; Maselli, O.; Petit, J.-R.; Grente, B.; Steig, E.J. A horizontal ice core from Taylor Glacier, its implications for Antarctic climate history, and an improved Taylor Dome ice core time scale. Paleoceanogr. Paleoclimatol. 2018, 33, 778–794. [Google Scholar] [CrossRef]
 - Chinn, T.J. Glacier Balances in the Dry Valleys Area, Victoria Land, Antarctica; International Association of Hydrologic Science Publication No. 126: Oxford, UK, 1980; pp. 237–247. [Google Scholar]
 - Fountain, A.G.; Lewis, K.J.; Dana, G.L. Spatial variation of glacier mass balance in Taylor Valley, Antarctica. Antarct. J. U. S. 1996, 31, 194–195. [Google Scholar]
 - Fountain, A.G.; Dana, G.L.; Lewis, K.J.; Vaughn, B.H.; McKnight, D. Glaciers of the McMurdo Dry Valleys, Southern Victoria Land, Antarctica. In Ecosystems Dynamics in a Polar Desert; Priscu, J.C., Ed.; The McMurdo Dry Valleys, Antarctica, American Geophysical Union: Washington, DC, USA, 1998; pp. 65–75. [Google Scholar]
 - Hoffman, M.J.; Fountain, A.G.; Liston, G.E. Distributed modeling of ablation (1996–2011) and climate sensitivity on the glaciers of Taylor Valley, Antarctica. J. Glaciol. 2016, 62, 215–229. [Google Scholar] [CrossRef]
 - Bergstrom, A.; Gooseff, M.N.; Myers, M.; Doran, P.T.; Cross, J.M. The seasonal evolution of albedo across glaciers and the surrounding landscape of Taylor Valley. Cryosphere 2020, 14, 769–788. [Google Scholar] [CrossRef]
 - Fountain, A.G.; Lyons, W.B.; Burkins, M.B.; Dana, G.L.; Doran, P.T.; Lewis, K.J.; McKnight, D.M.; Moorhead, D.L.; Parsons, A.N.; Priscu, J.C.; et al. Physical controls on the Taylor Valley ecosystem, Antarctica. Bioscience 1999, 49, 961–971. [Google Scholar] [CrossRef]
 - Hoffman, M.J.; Fountain, A.G.; Liston, G.E. Near-surface internal melting. A substatial mass loss on Antarctic Dry Valley glaciers. J. Glaciol. 2014, 60, 361–374. [Google Scholar] [CrossRef]
 - Chinn, T.J. The Dry Valleys in Antarctica: The Ross Sea Region; Department of Scientific and Industrial Research: Wellington, New Zealand, 1990; pp. 137–153. [Google Scholar]
 - Stuiver, M.; Denton, G.H. Glacial history of the McMurdo Sound region. Antarct. J. U. S. 1977, 12, 128–130. [Google Scholar]
 - Christ, A.J.; Bierman, P.R. The local Last Glacial Maximum in McMurdo Sound, Antarctica: Implications for ice-sheet behavior in the Ross Sea Embayment. GSA Bull. 2020, 132, 31–47. [Google Scholar] [CrossRef]
 - Doran, P.T.; Berger, G.W.; Lyons, W.B.; Wharton, R.A., Jr.; Davisson, M.L.; Southon, J.; Dibb, J.E. Dating Quaternary lacustrine sediments in the McMurdo Dry Valleys, Antarctica. Palaeogeogr. Palaeoclimatol. Palaeoecol. 1999, 147, 223–239. [Google Scholar] [CrossRef]
 - Geyh, M.A. An overview of 14C analysis in the study of groundwater. Radiocarbon 2000, 42, 99–114. [Google Scholar] [CrossRef]
 - Berkman, P.A.; Forman, S.L. Pre-bomb radiocarbon and the reservoir correction for calcareous marine species in the Southern Ocean. Geophys. Res. Lett. 1996, 23, 363–366. [Google Scholar]
 - Hall, B.L.; Henderson, G.M. Use of uranium-thorium dating to determine past 14C reservoir effects in lakes: Examples from Antarctica. Earth Planet. Sci. Lett. 2001, 193, 565–577. [Google Scholar] [CrossRef]
 - Hendy, C.H.; Hall, B.L. The radiocarbon reservoir effect in proglacial lakes: Examples from Antarctica. Earth Planet. Sci. Lett. 2006, 241, 413–421. [Google Scholar] [CrossRef]
 - Doran, P.T.; Kenig, F.; Knoepfle, J.L.; Mikucki, J.L.; Lyons, W.B. Radiocarbon distribution and the effect of legacy in lakes of the McMurdo Dry Valleys, Antarctica. Limnol. Oceanogr. 2014, 59, 811–826. [Google Scholar] [CrossRef]
 - Stone, M.S.; Devlin, S.P.; Hawes, I.; Welch, K.A.; Gooseff, M.N.; Takacs-Vesbach, C.; Morgan-Kiss, R.; Adams, B.J.; Barrett, J.E.; Priscu, J.C.; et al. McMurdo Dry Valley lake edge “moats”: The ecological intersection between terrestrial and aquatic polar desert habitats. Antarct. Sci. 2024, 36, 189–205. [Google Scholar] [CrossRef]
 - Myers, K.F. Groundwater and Thermal Legacy of a Large Paleolake in Taylor Valley, East Antarctica as Evidenced by Airborne Electromagnetic and Sedimentological Techniques. Master’s Thesis, Louisiana State University, Baton Rouge, LA, USA, 2018. [Google Scholar]
 - Hall, C.M.; Castro, M.C.; Kenig, F.; Doran, P.T. Constraining the recent history of the perennially ice-covered Lake Bonney, East Antarctica using He, Kr and Xe concentrations. Geochem. Cosmochim. Acta 2017, 209, 233–253. [Google Scholar] [CrossRef]
 - Lawrence, M.J.F.; Hendy, C.H. Carbonate deposition and Ross Sea ice advance, Fryxell basin, Taylor Valley, Antarctica. N. Z. J. Geol. Geophys. 1989, 32, 267–278. [Google Scholar] [CrossRef]
 - Konfirst, M.A.; Sjunneskog, C.; Scherer, R.P.; Doran, P.T. A diatom record of environmental change in Fryxell Basin, Taylor Valley, Antarctica, late Pleistocene to present. J. Paleolimnol. 2011, 46, 257–272. [Google Scholar] [CrossRef]
 - Wharton, R.A., Jr.; Simmons, G.M., Jr.; McKay, C.P. Perennially ice-covered Lake Hoare, Antarctica. Physical environment, biology and sedimentation. Hydrobiologia 1989, 172, 305–320. [Google Scholar] [CrossRef]
 - Doran, P.T.; Priscu, J.C.; Lyons, W.B.; Powell, R.D.; Andersen, D.T.; Poreda, R.J. Paleolimnology of extreme cold terrestrial and extraterrestrial environments. In Long-Term Environmental Change in Arctic and Antarctic Lakes; Pienitz, R., Douglas, M.S.V., Smol, J.P., Eds.; Kluwer Academic Publishers: Dordrecht, The Netherlands, 2004. [Google Scholar]
 - Higgins, S.M.; Denton, G.H.; Hendy, C.H. Glacial geomorphology of Bonney Drift, Taylor Valley, Antarctica. Geogr. Ann. 2000, 82, 365–389. [Google Scholar] [CrossRef]
 - Lyons, W.B.; Welch, K.A.; Sharma, P. Chlorine-36 in the waters of the McMurdo Dry Valley lakes, southern Victoria Land, Antarctica: Revisited. Geochim. Cosmochem. Acta 1998, 62, 185–191. [Google Scholar] [CrossRef]
 - Lyons, W.B.; Tyler, S.W.; Wharton, R.A., Jr.; McKnight, D.M.; Vaughn, B.H. A Late Holocene desiccation of Lake Hoare and Lake Fryxell, McMurdo Dry Valleys, Antarctica. Antarct. Sci. 1998, 10, 247–256. [Google Scholar] [CrossRef]
 - Lyons, W.B.; Fountain, A.; Doran, P.; Priscu, J.C.; Neumann, K.; Welch, K.A. Importance of landscape position and legacy. The evolution of the lakes in Taylor Valley, Antarctica. Freshw. Biol. 2000, 43, 355–367. [Google Scholar] [CrossRef]
 - Torii, T.; Yamagata, N. Limnological studies of saline lakes in the Dry Valleys. In Dry Valley Drilling Project; McGinnis, L.D., Ed.; Antarctic Research Series; American Geophysical Union: Washington, DC, USA, 1981; Volume 33, pp. 141–159. [Google Scholar]
 - Lyons, W.B.; Frape, S.K.; Welch, K.A. History of the McMurdo Dry Valley lakes, Antarctica, from stable chlorine isotope data. Geology 1999, 27, 527–530. [Google Scholar] [CrossRef]
 - Lyons, W.B.; Welch, K.A.; Snyder, G.; Olesik, J.; Graham, E.Y.; Marion, G.M.; Poreda, R.J. Halogen geochemistry of the McMurdo dry valleys lakes, Antarctica. Clues to the origin of solutes and lake evolution. Geochem. Cosmochim. Acta 2005, 69, 305–323. [Google Scholar] [CrossRef]
 - Mikucki, J.A.; Auken, E.; Tulaczyk, S.; Virginia, R.A.; Schamper, C.; Sørensen, K.I.; Doran, P.T.; Dugan, H.; Foley, N. Deep groundwater and potential subsurface habitats beneath an Antarctic dry valley. Nat. Commun. 2015, 6, 6831. [Google Scholar] [CrossRef]
 - Foley, N.; Tulaczyk, S.; Grombacher, D.; Doran, P.T.; Mikucki, J.; Myers, K.; Foged, N.; Dugan, H.; Auken, E.; Virginia, R. Evidence for pathways of concentrated submarine groundwater discharge in East Antarctica from helicopter-borne electrical resistivity measurements. Hydrology 2019, 6, 54. [Google Scholar] [CrossRef]
 - Hendy, C.H.; Wilson, A.T.; Popplewell, K.B.; House, D.A. Dating of geochemical events in Lake Bonney, Antarctica, and their relation to glacial and climate changes. N. Z. J. Geol. Geophys. 1977, 20, 1103–1122. [Google Scholar] [CrossRef]
 - Poreda, R.J.; Hunt, A.G.; Lyons, W.B.; Welch, K.A. The helium isotopic chemistry of Lake Bonney, Taylor Valley, Antarctica: Timing of late Holocene climate change in Antarctica. Aquat. Geochem. 2004, 10, 353–371. [Google Scholar] [CrossRef]
 - Warrier, R.B.; Castro, M.C.; Hall, C.M.; Kenig, F.; Doran, P.T. Reconstructing the evolution of Lake Bonney, Antarctica using dissolved noble gases. Appl. Geochem. 2015, 58, 46–61. [Google Scholar] [CrossRef]
 - Lawrence, M.J.F.; Hendy, C.H. Water column and sediment characteristics of Lake Fryxell, Taylor Valley, Antarctica. N. Z. J. Geol. Geophys. 1985, 28, 543–552. [Google Scholar] [CrossRef]
 - Whittaker, T.E.; Hall, B.L.; Hendy, C.H.; Spaulding, S.A. Holocene depositional environments and surface-level changes at Lake Fryxell, Antarctica. Holocene 2008, 18, 775–786. [Google Scholar] [CrossRef]
 - Wagner, B.; Melles, M.; Doran, P.T.; Kenig, F.; Forman, S.L.; Pierau, R.; Allen, P. Glacial and postglacial sedimentation in the Fryxell basin, Taylor Valley, southern Victoria Land, Antarctica. Palaeogeogr. Palaeoclimatol. Palaeoecol. 2006, 241, 320–337. [Google Scholar] [CrossRef]
 - Lawrence, M.J.F. Origin and Occurrence of Antarctic Lacustrine Carbonates, with Special Reference to Lake Fryxell, Taylor Valley. Master’s Thesis, University of Waikato, Hamilton, New Zealand, 1982. [Google Scholar]
 - Hendy, C.H. Late Quaternary lakes in the McMurdo Sound region of Antarctica. Geogr. Ann. 2000, 82, 411–432. [Google Scholar] [CrossRef]
 - Doran, P.T.; Wharton, R.A.; Spaulding, S.A., Jr.; Foster, J.S. McMurdo LTER: Paleolimnology of Taylor Valley, Antarctica. Antarct. J. 1994, 29, 234–237. [Google Scholar]
 - Spaulding, S.A.; McKnight, D.M.; Stoermer, E.F.; Doran, P.T. Diatoms in sediments of perennially ice-covered Lake Hoare, and implications for interpreting lake history in the McMurdo Dry Valleys of Antarctica. J. Paleolimnol. 1997, 17, 403–420. [Google Scholar] [CrossRef]
 - Wagner, B.; Ortlepp, S.; Doran, P.T.; Kenig, F.; Melles, M.; Burkemper, A. The Holocene environmental history of Lake Hoare, Taylor Valley, Antarctica, reconstructed from sediment cores. Antarct. Sci. 2011, 23, 307–319. [Google Scholar] [CrossRef]
 - Hendy, C.H. The role of polar lake ice as a filter for glacial lacustrine sediments. Geogr. Ann. 2000, 82, 271–274. [Google Scholar] [CrossRef]
 - Wagner, B.; Ortlepp, S.; Kenig, F.; Doran, P.T.; Melles, M. Palaeoenvironmental implications derived from a piston core from east lobe Bonney, Taylor Valley, Antarctica. Antarct. Sci. 2010, 22, 522–530. [Google Scholar] [CrossRef]
 - Croall, J.G. Late Holocene Cool Climate Episodes Recorded in Lake Bonney, an Antarctic Amplifier Lake. Master’s Thesis, University of Waikato, Hamilton, New Zealand, 2005. [Google Scholar]
 - Burkins, M.B.; Virginia, R.A.; Chamberlain, C.P.; Wall, D.H. Origin and distribution of soil organic matter in Taylor Valley, Antarctica. Ecology 2000, 81, 2377–2391. [Google Scholar] [CrossRef]
 - Bockheim, J.G.; Prentice, M.L.; McLeod, M. Distribution of glacial deposits, soils, and permafrost in Taylor Valley, Antarctica. Arct. Antarct. Alp. Res. 2008, 40, 279–286. [Google Scholar] [CrossRef]
 - Horsman, J.L. The Origin of Sandy Terraces in Eastern Taylor Valley, Antarctica from Ground Penetrating Radar: A Test of the Glacial Lake Washburn Delta Interpretation. Master’s Thesis, Plymouth State University, Plymouth, NH, USA, 2007. [Google Scholar]
 - Arcone, S.A.; Delaney, A.J.; Prentice, M.; Horsman, J. GPR reflection profiles of sedimentary deposits in lower Taylor Valley, Antarctica: Conference Paper. In Proceedings of the 12th International Conference on Ground Penetrating Radar, Birmingham, UK, 15–19 June 2006. [Google Scholar]
 - Delaney, A.J.; Horsman, J.; Prentice, M.L.; Arcone, S.A. Multi-frequency ground-penetrating radar method for revealing complex sedimentary facies. In Proceedings of the 4th International Workshop on Advanced Ground Penetrating Radar, Aula Magna Partenope, Italy, 27–29 June 2007; pp. 60–63. [Google Scholar] [CrossRef]
 - McGowan, H.A.; Neil, D.T.; Speirs, J.C. A reinterpretation of the geomorphological evidence for Glacial Lake Victoria, McMurdo Dry Valleys, Antarctica. Geomorphology 2014, 208, 200–206. [Google Scholar] [CrossRef]
 - Debenham, F. Recent and local deposits of McMurdo Sound region. London, British Museum, British Antarctic (Terra Nova) Expedition 1910, Natural History Report. Geology 1921, 1, 63–90. [Google Scholar]
 - Jones, L.M.; Carver, R.E.; McSaveney, E.R.; Tickhill, T. Sediment analysis of the beaches of Lake Vanda, Wright Valley. Antarct. J. U. S. 1971, 6, 199–200. [Google Scholar]
 - Doran, P.T.; Gooseff, M.N. Lake level surveys in the McMurdo Dry Valleys, Antarctica (1991–2023, ongoing): Environmental Data Initiative. Environ. Data Initiat. 2023. [Google Scholar] [CrossRef]
 - Angino, E.E.; Turner, M.D.; Zeller, E.J. Reconnaissance geology of lower Taylor Valley, Victoria Land, Antarctica. Geol. Soc. Am. Bull. 1962, 73, 1553–1562. [Google Scholar] [CrossRef]
 - Dort, W., Jr. Geomorphic studies in southern Victoria Land. Antarct. J. U. S. 1967, 2, 113. [Google Scholar]
 - Denton, G.H.; Armstrong, R.L.; Stuiver, M. Late Cenezoic glaciation in Antarctica: The record in the McMurdo Sound region. Antarct. J. U. S. 1970, 5, 15–21. [Google Scholar]
 - Konfal, S.A.; Wilson, T.J.; Hall, B.L. Palaeoshoreline records of glacial isostatic adjustment in the Dry Valleys region, Antarctica. In Antarctic Palaeoenvironments and Earth-Surface Processes; Hambrey, M.J., Barker, P.F., Barrett, P.J., Bowman, V., Davies, B., Smellie, J.L., Tranter, M., Eds.; Special Publications; Geological Society: London, UK, 2013; Volume 381. [Google Scholar] [CrossRef]
 - Murrell, B. Cenozoic stratigraphy in lower Taylor Valley, Antarctica. N. Z. J. Geol. Geophys. 1973, 16, 225–242. [Google Scholar] [CrossRef]
 - Foley, N.; Tulaczyk, S.; Auken, E.; Schamper, C.; Dugan, H.; Mikucki, J.; Virginia, R.; Doran, P. Helicopter-borne transient electromagnetics in high-latitude environments: An application in the McMurdo Dry Valleys, Antarctica. Geophysics 2016, 81, WA87–WA99. [Google Scholar] [CrossRef]
 - McGinnis, L.D.; Jensen, T.E. Permafrost-hydrogeologic regimen in two ice-free valleys, Antarctica, from electrical depth sounding. Quat. Res. 1971, 1, 389–409. [Google Scholar] [CrossRef]
 - Cartwright, K.; Harris, H. Hydrogeological studies in the dry valleys. Antarct. J. U. S. 1975, 10, 174–175. [Google Scholar]
 - McGinnis, L.D.; Stuckless, J.S.; Osby, D.R.; Kyle, P.R. Gamma ray, salinity, and electric logs of DVDP boreholes. In Dry Valley Drilling Project; McGinnis, L.D., Ed.; Antarctic Research Series; American Geophysical Union: Washington, DC, USA, 1981; Volume 33, pp. 95–108. [Google Scholar]
 - Stuiver, M.; Yang, I.C.; Denton, G.H.; Kellogg, T.B. Oxygen isotope ratios of Antarctic permafrost and glacier ice. In Dry Valley Drilling Project; McGinnis, L.D., Ed.; Antarctic Research Series; American Geophysical Union: Washington, DC, USA, 1981; Volume 33, pp. 131–139. [Google Scholar]
 - McKelvey, B.C. The Miocene-Pleistocene stratigraphy of eastern Taylor Valley—An interpretation of DVDP cores 10 and 11. Dry Val. Drill. Proj. Bull. 1979, 13, 60–61. [Google Scholar]
 - Kyle, P.R. Glacial History of the McMurdo Sound area as indicated by the distribution and nature of McMurdo Volcanic Group rocks. In Dry Valley Drilling Project; McGinnis, L.D., Ed.; Antarctic Research Series; American Geophysical Union: Washington, DC, USA, 1981; Volume 33, pp. 403–412. [Google Scholar]
 - Taylor, G. The Physiography of the McMurdo Sound and Granite Harbor Region, British Antarctic (Terra Nova) Expedition, 1910–1913; Harrison and Sons Ltd.: London, UK, 1922. [Google Scholar]
 - Cox, S.C.; Turnbull, I.M.; Isaac, M.J.; Townsend, D.B.; Smith Lyttle, B. Geology of Southern Victoria Land, Antarctica; GNS Science: Lower Hutt, New Zealand, 2012. [Google Scholar]
 - Fountain, A.G.; Fernandez-Diaz, J.C.; Obryk, M.; Levy, J.; Gooseff, M.; Van Horn, D.J.; Morin, P.; Shrestha, R. High-resolution elevation mapping of the McMurdo Dry Valleys, Antarctica, and surrounding regions. Earth Syst. Sci. Data 2017, 9, 435–443. [Google Scholar] [CrossRef]
 - Hall, B.L.; Denton, G.H. Extent and chronology of the Ross Sea Ice Sheet and the Wilson Piedmont Glacier along the Scott Coast at and since the Last Glacial Maximum. Geogr. Ann. 2000, 82, 337–363. [Google Scholar] [CrossRef]
 - Clayton-Greene, J.M.; Hendy, C.H.; Denton, G.H. The origin of drift mounds in Miers Valley, Antarctica. Antarct. J. U. S. 1987, 22, 59–61. [Google Scholar]
 - Cuffey, K.M.; Conway, H.; Gades, A.M.; Hallet, B.; Lorrain, R.; Severinghaus, J.P.; Steig, E.J.; Vaughn, B.; White, J.W.C. Entrainment at cold glacier beds. Geology 2000, 28, 351–354. [Google Scholar] [CrossRef]
 - Marchant, D.R.; Mackay, S.L.; Lamp, J.L.; Hayden, A.T.; Head, J.W. A review of geomorphic processes and landforms in the Dry Valleys of southern Victoria Land: Implications for evaluating climate change and ice-sheet stability. In Antarctic Palaeoenvironments and Earth-Surface Processes; Hambrey, M.J., Barker, P.F., Barrett, P.J., Bowman, V., Davies, B., Smellie, J.L., Tranter, M., Eds.; Special Publications; Geological Society: London, UK, 2013; p. 381. [Google Scholar] [CrossRef]
 - Barker, J.D.; Grottoli, A.G.; Lyons, W.B. Stable isotope evidence for the biogeochemical transformation of ancient organic matter beneath Suess Glacier, Antarctica. Arct. Antarct. Alp. Res. 2018, 50, e1448643. [Google Scholar] [CrossRef]
 - Higgins, S.M.; Hendy, C.H.; Denton, G.H. Geochronology of Bonney Drift, Taylor Valley, Antarctica: Evidence for interglacial expansions of Taylor Glacier. Geogr. Ann. 2000, 82, 391–409. [Google Scholar] [CrossRef]
 - Arcone, S.A.; Prentice, M.L.; Delaney, A.J. Stratigraphic profiling with ground-penetrating radar in permafrost: A review of possible analogs for Mars. J. Geophys. Res. 2002, 107, 18-1–18-4. [Google Scholar] [CrossRef]
 - Purucker, M.E.; Elston, D.P.; Bressler, S.L. Magnetic stratigraphy of Late Cenozoic glaciogenic sediments from drill cores, Taylor Valley, Transantarctic Mountains, Antarctica. In Dry Valley Drilling Project; McGinnis, L.D., Ed.; Antarctic Research Series; American Geophysical Union: Washington, DC, USA, 1981; Volume 33, pp. 109–129. [Google Scholar]
 - Porter, S.C.; Beget, J.E. Provenance and depositional environments of Late Cenozoic sediments in permafrost cores from lower Taylor Valley, Antarctica. In Dry Valley Drilling Project; McGinnis, L.D., Ed.; Antarctic Research Series; American Geophysical Union: Washington, DC, USA, 1981; Volume 33, pp. 351–363. [Google Scholar]
 - McKelvey, B.C. Stratigraphy of DVDP sites 10 and 11, Taylor Valley. Antarct. J. U. S. 1975, 10, 168–169. [Google Scholar]
 - Webb, P.N.; Wren, J.H. Foraminifera from DVDP holes 8, 9, and 10, Taylor Valley. Antarct. J. U. S. 1975, 10, 168–169. [Google Scholar]
 - Stuiver, M.; Yang, I.C.; Denton, G.H. Permafrost oxygen isotope ratios and chronology of three cores from Antarctica. Nature 1976, 261, 547–550. [Google Scholar] [CrossRef]
 - Elston, D.P.; Bressler, S.L. Magnetic stratigraphy of DVDP drill cores and Late Cenozoic history of Taylor Valley, Transantarctic Mountains, Antarctica. In Dry Valley Drilling Project; McGinnis, L.D., Ed.; Antarctic Research Series; American Geophysical Union: Washington, DC, USA, 1981; Volume 33, pp. 413–426. [Google Scholar]
 - Ohneiser, C.; Wilson, G. Revised magnetostratigraphic chronologies for New Harbour drill cores, southern Victoria Land, Antarctica. Glob. Planet. Chang. 2012, 82–83, 12–24. [Google Scholar] [CrossRef]
 - Winter, D.M. Upper Neogene Diatom Biostratigraphy from Coastal Drill Cores in Southern Victoria Land Antarctica. Master’s Thesis, University of Nebraska-Lincoln, Lincoln, NB, USA, 1995. [Google Scholar]
 - Prentice, M.; Ishman, S.; Clemens, S.; McIntosh, W.; Clarke, K. Late Neogene stable isotope records from Fjord within the McMurdo Dry Valleys, Antarctica. In Proceedings of the 8th International Symposium on Antarctic Earth Sciences, Wellington, New Zealand, 5–9 July 1999. [Google Scholar]
 - Chapman-Smith, M. Geology of DVDP holes 12 and 14. Antarct. J. U. S. 1975, 10, 170–172. [Google Scholar]
 - Ugolini, F.C.; Deutsch, W.; Harris, H.J.H. Chemistry and clay mineralogy of selected cores from the Antarctic Dry Valley Drilling Project. In Dry Valley Drilling Project; McGinnis, L.D., Ed.; Antarctic Research Series; American Geophysical Union: Washington, DC, USA, 1981; Volume 33, pp. 315–329. [Google Scholar]
 - Péwé, T.L. Age of moraines in Victoria Land, Antarctica. J. Glaciol. 1962, 4, 93–100. [Google Scholar] [CrossRef]
 - Chinn, T.J. Recent fluctuations of the Dry Valleys glaciers, McMurdo Sound, Antarctica. Ann. Glaciol. 1998, 27, 119–124. [Google Scholar] [CrossRef]
 - Doran, P.T.; Wharton, R.A., Jr.; Lyons, W.B.; Des Marais, D.J.; Anderson, D.T. Sedimentology and geochemistry of a perennially ice-covered epishelf lake in Bunger Hills Oasis, East Antarctica. Antarct. Sci. 2000, 12, 131–140. [Google Scholar] [CrossRef]
 













Disclaimer/Publisher’s Note: The statements, opinions and data contained in all publications are solely those of the individual author(s) and contributor(s) and not of MDPI and/or the editor(s). MDPI and/or the editor(s) disclaim responsibility for any injury to people or property resulting from any ideas, methods, instructions or products referred to in the content.  | 
© 2025 by the authors. Licensee MDPI, Basel, Switzerland. This article is an open access article distributed under the terms and conditions of the Creative Commons Attribution (CC BY) license (https://creativecommons.org/licenses/by/4.0/).
Share and Cite
Stone, M.S.; Doran, P.T.; Myers, K.F. Rethinking the Lake History of Taylor Valley, Antarctica During the Ross Sea I Glaciation. Geosciences 2025, 15, 9. https://doi.org/10.3390/geosciences15010009
Stone MS, Doran PT, Myers KF. Rethinking the Lake History of Taylor Valley, Antarctica During the Ross Sea I Glaciation. Geosciences. 2025; 15(1):9. https://doi.org/10.3390/geosciences15010009
Chicago/Turabian StyleStone, Michael S., Peter T. Doran, and Krista F. Myers. 2025. "Rethinking the Lake History of Taylor Valley, Antarctica During the Ross Sea I Glaciation" Geosciences 15, no. 1: 9. https://doi.org/10.3390/geosciences15010009
APA StyleStone, M. S., Doran, P. T., & Myers, K. F. (2025). Rethinking the Lake History of Taylor Valley, Antarctica During the Ross Sea I Glaciation. Geosciences, 15(1), 9. https://doi.org/10.3390/geosciences15010009
        
