Characterisation of Fault-Related Mn-Fe Striae on the Timpa Della Manca Fault (Mercure Basin, Southern Apennines, Italy)
Abstract
1. Introduction

2. Structural–Geological Setting
The Timpa Della Manca Fault
3. Data and Methods
3.1. Analysed Sample
3.2. Microstructural Observations by Optical Microscopy and Cathodoluminescence
3.3. SEM
3.4. Powder X-Ray Diffraction
3.5. Micro-Raman
3.6. Thermodynamic Calculation
4. Results
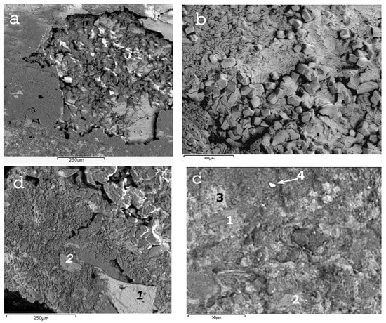
4.1. Microstructural Features of the Fault Rock
4.2. Chemical and Structural Characterisation
- Birnessite ((Na,Ca)0.5(Mn+4,Mn+3)2)O4 1.5 H2O).
- Todorokite ((Na,Ca,K,Ba,Sr)1−x (Mn,Mg,Al)6O12 3-4 H2O).
- Hollandite (Ba(Mn+46Mn+32)O16).
- Orientite (Ca8Mn+310(SiO4)3(Si3O10)3(OH)10 4 H2O).
- Goethite Fe+3O(OH).
5. Discussion
6. Conclusions
Author Contributions
Funding
Data Availability Statement
Acknowledgments
Conflicts of Interest
References
- Bello, S.; de Nardis, R.; Scarpa, R.; Brozzetti, F.; Cirillo, D.; Ferrarini, F.; Di Lieto, B.; Arrowsmith, R.J.; Lavecchia, G. Fault pattern and seismotectonic style of the Campania–Lucania 1980 earthquake (Mw 6.9, Southern Italy): New multidisciplinary constraints. Front. Earth Sci. 2021, 8, 608063. [Google Scholar] [CrossRef]
- Bello, S.; Lavecchia, G.; Andrenacci, C.; Ercoli, M.; Cirillo, D.; Carboni, F.; Barchi, M.R.; Brozzetti, F. Complex trans-ridge normal faults controlling large earthquakes. Sci. Rep. 2022, 12, 10676. [Google Scholar] [CrossRef] [PubMed]
- Brozzetti, F.; Cirillo, D.; de Nardis, R.; Cardinali, M.; Lavecchia, G.; Orecchio, B.; Presti, D.; Totaro, C. Newly identified active faults in the Pollino seismic gap, southern Italy, and their seismotectonic significance. J. Struct. Geol. 2017, 94, 13–31. [Google Scholar] [CrossRef]
- Cirillo, D.; Totaro, C.; Lavecchia, G.; Orecchio, B.; de Nardis, R.; Presti, D.; Ferrarini, F.; Bello, S.; Brozzetti, F. Structural complexities and tectonic barriers controlling recent seismic activity of the Pollino area (Calabria-Lucania, Southern Italy)–constraints from stress inversion and 3D fault model building. Solid Earth Discuss. 2021, 13, 205–228. [Google Scholar] [CrossRef]
- Lavecchia, G.; Bello, S.; Andrenacci, C.; Cirillo, D.; Pietrolungo, F.; Talone, D.; Ferrarini, F.; de Nardis, R.; Galli, P.; Faure Walker, J.; et al. QUIN 2.0-new release of the QUaternary fault strain INdicators database from the Southern Apennines of Italy. Sci. Data 2024, 11, 189. [Google Scholar] [CrossRef]
- Brozzetti, F.; Lavecchia, G.; Mancini, G.; Milana, G.; Cardinali, M. Analysis of the 9 September 1998 Mw 5.6 Mercure earthquake sequence (Southern Apennines, Italy): A multidisciplinary approach. Tectonophysics 2009, 476, 210–225. [Google Scholar] [CrossRef]
- Totaro, C.; Seeber, L.; Waldhauser, F.; Steckler, M.; Gervasi, A.; Guerra, I.; Orecchio, B.; Presti, D. An intense earthquake swarm in the southernmost Apennines: Fault architecture from high-resolution hypocenters and focal mechanisms. Bull. Seismol. Soc. Am. 2015, 105, 3121–3128. [Google Scholar] [CrossRef]
- Papanikolaou, I.D.; Roberts, G.P. Geometry, kinematics and deformation rates along the active normal fault system in the southern Apennines: Implications for fault growth. J. Struct. Geol. 2007, 29, 166–188. [Google Scholar] [CrossRef]
- Brozzetti, F. The Campania-Lucania Extensional Fault System, southern Italy: A suggestion for a uniform model of active extension in the Italian Apennines. Tectonics 2011, 30(5). [Google Scholar] [CrossRef]
- Lavecchia, G.; Ferrarini, F.; Brozzetti, F.; De Nardis, R.; Boncio, P.; Chiaraluce, L. From surface geology to aftershock analysis: Constraints on the geometry of the L’Aquila 2009 seismogenic fault system. Ital. J. Geosci. 2012, 131, 330–347. [Google Scholar] [CrossRef]
- Lavecchia, G.; Bello, S.; Andrenacci, C.; Cirillo, D.; Ferrarini, F.; Vicentini, N.; de Nardis, R.; Roberts, G.; Brozzetti, F. QUaternary fault strain INdicators database-QUIN 1.0-first release from the Apennines of central Italy. Sci. Data 2022, 9, 204. [Google Scholar] [CrossRef] [PubMed]
- Falini, F. Notizie Preliminari sui Lavori di Rilevamento di Dettaglio dalle Caratteristiche del Giacimento Lignitifero del Mercure (Provincie di Potenza e Cosenza). Convegno-Mostra Nazionale delle Ligniti; Multilith dalla Siderea: Rome, Italy, 1955. [Google Scholar]
- GEMINA. Il bacino del Mercure Torino, Italy,; 1963; pp. 137–156. In Ligniti e Torbe Dell’Italia Continentale; Ilte: Torino, Italy, 1963; pp. 137–156. [Google Scholar]
- Giaccio, B.; Galli, P.; Peronace, E.; Arienzo, I.; Nomade, S.; Cavinato, G.P.; Mancini, M.; Messina, P.; Sottili, G. A 560–440 ka tephra record from the Mercure Basin, southern Italy: Volcanological and tephrostratigraphic implications. J. Quat. Sci. 2014, 29, 232–248. [Google Scholar] [CrossRef]
- Schiattarella, M.; Torrente, M.; Russo, F. Analisi strutturale ed osservazioni morfostratigrafiche nel bacino del Mercure (confine calabro-lucano). Il Quat. Ital. J. Quat. Sci. 1994, 7, 613–626. [Google Scholar]
- Ercoli, M.; Cirillo, D.; Pauselli, C.; Jol, H.M.; Brozzetti, F. Ground-penetrating radar signature of Quaternary faulting: A study from the Mt. Pollino region, southern Apennines, Italy. Solid Earth 2021, 12, 2573–2596. [Google Scholar] [CrossRef]
- Robustelli, G.; Ermolli, E.R.; Petrosino, P.; Jicha, B.; Sardella, R.; Donato, P. Tectonic and climatic control on geomorphological and sedimentary evolution of the Mercure basin, southern Apennines, Italy. Geomorphology 2014, 214, 423–435. [Google Scholar] [CrossRef]
- Brozzetti, F.; Cirillo, D.; Liberi, F.; Piluso, E.; Faraca, E.; De Nardis, R.; Lavecchia, G. Structural style of Quaternary extension in the Crati Valley (Calabrian Arc): Evidence in support of an east-dipping detachment fault. Ital. J. Geosci. 2017, 136, 434–453. [Google Scholar] [CrossRef]
- Galli, P.; Molin, D.; Camassi, R.; Castelli, V. Il terremoto del 9 settembre 1998 nel quadro della sismicità storica del confine calabro-lucano. Possibili implicazioni sismotettoniche. Il Quat. Ital. J. Quat. Sci. 2001, 14, 31–40. [Google Scholar]
- Cinti, F.R.; Cucci, L.; Pantosti, D.; D’Addezio, G.; Meghraoui, M. A major seismogenic fault in a ‘silent area’: The Castrovillari fault (southern Apennines, Italy). Geophys. J. Int. 1997, 130, 595–605. [Google Scholar] [CrossRef]
- Cinti, F.; Moro, M.; Pantosti, D.; Cucci, L.; D’addezio, G. New constraints on the seismic history of the Castrovillari fault in the Pollino gap (Calabria, southern Italy). J. Seismol. 2002, 6, 199–217. [Google Scholar] [CrossRef]
- Knott, S.D. The Liguride complex of southern Italy—A Cretaceous to Paleogene accretionary wedge. Tectonophysics 1987, 142, 217–226. [Google Scholar] [CrossRef]
- Tangari, A.C.; Scarciglia, F.; Piluso, E.; Marinangeli, L.; Pompilio, L. Role of weathering of pillow basalt, pyroclastic input and geomorphic processes on the genesis of the Monte Cerviero upland soils (Calabria, Italy). CATENA 2018, 171, 299–315. [Google Scholar] [CrossRef]
- Monaco, C.; Tortorici, L. Tectonic role of ophiolite-bearing terranes in the development of the Southern Apennines orogenic belt. Terra Nova 1995, 7, 153–160. [Google Scholar] [CrossRef]
- Filice, F.; Liberi, F.; Cirillo, D.; Pandolfi, L.; Marroni, M.; Piluso, E. Geology map of the central area of Catena Costiera: Insights into the tectono-metamorphic evolution of the Alpine belt in Northern Calabria. J. Maps 2015, 11, 114–125. [Google Scholar] [CrossRef]
- Marinangeli, L.; Pompilio, L.; Baliva, A.; Billotta, S.; Bonanno, G.; Domeneghetti, M.C.; Fioretti, A.M.; Menozzi, O.; Nestola, F.; Piluso, E.; et al. Development of an ultra-miniaturised XRD/XRF instrument for the in situ mineralogical and chemical analysis of planetary soils and rocks: Implication for archaeometry. Rend. Lincei 2015, 26, 529–537. [Google Scholar] [CrossRef]
- Bethke, C.; Yeakel, S. The Geochemist’s Workbench Release 7.0—Essentials Guide; Hydrogeology Program, University of Illinois: Urbana, IL, USA, 2008. [Google Scholar]
- Shvarov, Y.V. HCh: New potentialities for the thermodynamic simulation of geochemical systems offered by Windows. Geochem. Int. 2008, 46, 834. [Google Scholar] [CrossRef]
- Cleverley, J.S.; Bastrakov, E.N. K2GWB: Utility for generating thermodynamic data files for the Geochemist’s Workbench® at 0–1000 C and 1–5000 bar from UT2K and the UNITHERM database. Comput. Geosci. 2005, 31, 756–767. [Google Scholar] [CrossRef]
- Robie, R.A.; Huebner, J.S.; Hemingway, B.S. Heat capacities and thermodynamic properties of braunite (Mn7SiO12) and rhodonite (MnSiO3). Am. Mineral. 1995, 80, 560–575. [Google Scholar] [CrossRef]
- Jacob, K.; Kumar, A.; Waseda, Y. Gibbs energy of formation of MnO: Measurement and assessment. J. Phase Equilibria Diffus. 2008, 29, 222–230. [Google Scholar] [CrossRef]
- Jacob, K.; Kumar, A.; Rajitha, G.; Waseda, Y. Thermodynamic data for mn3o4, mn2o3 and mno2. High Temp. Mater. Process. 2011, 30, 459–472. [Google Scholar] [CrossRef]
- Wolery, T.W.; Jarek, R.L. Software user’s manual. EQ3/6 Version 2003, 8, 376. [Google Scholar]
- Roine, A. HSC Chemistry® 7.0 User’s Guide–Volume 1/2–Chemical Reaction and Equilibrium Software with Extensive Thermochemical Database and Flowsheet Simulation; Outotec Information Center: Pori, Finland, 2009. [Google Scholar]
- Blanc, P.; Lassin, A.; Piantone, P.; Burnol, A. Thermoddem a Database Devoted to Waste Minerals; Bureau de Recherches Géologiques et Minieres (Orléans, France): Orléans, France, 2007. [Google Scholar]
- Johnson, J.W.; Oelkers, E.H.; Helgeson, H.C. SUPCRT92: A software package for calculating the standard molal thermodynamic properties of minerals, gases, aqueous species, and reactions from 1 to 5000 bar and 0 to 1000 C. Comput. Geosci. 1992, 18, 899–947. [Google Scholar] [CrossRef]
- Post, J.E. Manganese oxide minerals: Crystal structures and economic and environmental significance. Proc. Natl. Acad. Sci. USA 1999, 96, 3447–3454. [Google Scholar] [CrossRef] [PubMed]
- Potter, R.M.; Rossman, G.R. Mineralogy of manganese dendrites and coatings. Am. Mineral. 1979, 64, 1219–1226. [Google Scholar]
- Robb, L. Introduction to Ore-Forming Processes; John Wiley & Sons: Hoboken, NJ, USA, 2020. [Google Scholar]
- Sibson, R.H. Arterial faults and their role in mineralizing systems. Geosci. Front. 2019, 10, 2093–2100. [Google Scholar] [CrossRef]
- Spencer, J.E.; Welty, J.W. Possible controls of base-and precious-metal mineralization associated with Tertiary detachment faults in the lower Colorado River trough, Arizona and California. Geology 1986, 14, 195–198. [Google Scholar] [CrossRef]
- Calegari, S.S.; Aiolfi, T.R.; Neves, M.A.; Soares, C.C.V.; Marques, R.d.A.; Caxito, F.d.A. Filling materials in brittle structures as indicator of Cenozoic tectonic events in Southeastern Brazil. Anu. Inst. Geociencias 2020, 43, 237–254. [Google Scholar] [CrossRef]
- Jones, S.; McNaughton, N.J.; Grguric, B. Structural controls and timing of fault-hosted manganese at Woodie Woodie, East Pilbara, Western Australia. Ore Geol. Rev. 2013, 50, 52–82. [Google Scholar] [CrossRef]
- Krauskopf, K.B. Separation of manganese from iron in sedimentary processes. Geochim. Cosmochim. Acta 1957, 12, 61–84. [Google Scholar] [CrossRef]
- Hewett, D. Manganite, hausmannite, braunite; features, modes of origin. Econ. Geol. 1972, 67, 83–102. [Google Scholar] [CrossRef]
- Julien, C.; Massot, M.; Poinsignon, C. Lattice vibrations of manganese oxides: Part I. Periodic structures. Spectrochim. Acta Part Mol. Biomol. Spectrosc. 2004, 60, 689–700. [Google Scholar] [CrossRef]
- Vermeersch, E.; Košek, F.; De Grave, J.; Jehlička, J.; Vandenabeele, P.; Rousaki, A. Identification of tunnel structures in manganese oxide minerals using micro-Raman spectroscopy. J. Raman Spectrosc. 2023, 54, 1201–1212. [Google Scholar] [CrossRef]
- Vermeersch, E.; Košek, F.; De Grave, J.; Jehlička, J.; Rousaki, A. Layered manganese oxides structures: Micro-Raman and selected mobile Raman spectroscopic studies. J. Raman Spectrosc. 2024, 55, 246–262. [Google Scholar] [CrossRef]
- McKeown, D.A.; Post, J.E. Characterization of manganese oxide mineralogy in rock varnish and dendrites using X-ray absorption spectroscopy. Am. Mineral. 2001, 86, 701–713. [Google Scholar] [CrossRef]
- Mc Kenzie, R.M. Manganese oxides and hydroxides. Miner. Soil Environ. 1989, 1, 439–465. [Google Scholar] [CrossRef]
- Comodi, P.; Nazzareni, S.; Zanazzi, P.F.; Speziale, S. High-pressure behavior of gypsum: A single-crystal X-ray study. Am. Mineral. 2008, 93, 1530–1537. [Google Scholar] [CrossRef]
- Nazzareni, S.; Comodi, P.; Bindi, L.; Garbarino, G.; Bobrov, A. Equation of state of Fe 3+-bearing phase-X. Phys. Chem. Miner. 2012, 39, 553–559. [Google Scholar] [CrossRef]
- Yun, S.; Hwang, H.; Hwang, G.; Kim, Y.; Blom, D.; Vogt, T.; Post, J.E.; Jeon, T.Y.; Shin, T.J.; Zhang, D.Z.; et al. Super-hydration and reduction of manganese oxide minerals at shallow terrestrial depths. Nat. Commun. 2022, 13, 1942. [Google Scholar] [CrossRef]
- Tutti, F.; Dubrovinsky, L.S.; Saxena, S.K.; Carlson, S. Stability of KAlSi3O8 Hollandite-type structure in the Earth’s lower mantle conditions. Geophys. Res. Lett. 2001, 28, 2735–2738. [Google Scholar] [CrossRef]
- Galli, P.; Galadini, F.; Pantosti, D. Twenty years of paleoseismology in Italy. Earth-Sci. Rev. 2008, 88, 89–117. [Google Scholar] [CrossRef]
- Bello, S.; Perna, M.G.; Consalvo, A.; Brozzetti, F.; Galli, P.; Cirillo, D.; Andrenacci, C.; Tangari, A.C.; Carducci, A.; Menichetti, M.; et al. Coupling rare earth element analyses and high-resolution topography along fault scarps to investigate past earthquakes: A case study from the Southern Apennines (Italy). Geosphere 2023, 19, 1348–1371. [Google Scholar] [CrossRef]
- Marchesini, M.; Pagano, R. The Val Graveglia manganese district, Liguria, Italy. Mineral. Rec. 2001, 32, 349. [Google Scholar]
- Mongelli, G.; Critelli, S.; Dinelli, E.; Paternoster, M.; Perri, F. Mn-and Fe-carbonate rich layers in Meso-Cenozoic shales as proxies of environmental conditions: A case study from the southern Apennine, Italy. Geochem. J. 2010, 44, 211–223. [Google Scholar] [CrossRef]
- Caine, J.S.; Bruhn, R.L.; Forster, C.B. Internal structure, fault rocks, and inferences regarding deformation, fluid flow, and mineralization in the seismogenic Stillwater normal fault, Dixie Valley, Nevada. J. Struct. Geol. 2010, 32, 1576–1589. [Google Scholar] [CrossRef]
- Sibson, R.; Moore, J.M.M.; Rankin, A. Seismic pumping—A hydrothermal fluid transport mechanism. J. Geol. Soc. 1975, 131, 653–659. [Google Scholar] [CrossRef]
- Salvioli-Mariani, E.; Boschetti, T.; Vescovi, F.M.; Scacchetti, M.; Toscani, L.; Mattioli, M. Hydrothermal lead-zinc-copper mineralizations in sedimentary rocks of Northern Apennines (Italy). J. Geochem. Explor. 2024, 257, 107365. [Google Scholar] [CrossRef]
- Hönisch, B.; Ridgwell, A.; Schmidt, D.N.; Thomas, E.; Gibbs, S.J.; Sluijs, A.; Zeebe, R.; Kump, L.; Martindale, R.C.; Greene, S.E.; et al. The geological record of ocean acidification. Science 2012, 335, 1058–1063. [Google Scholar] [CrossRef]
- Napolitano, F.; Gabrielli, S.; De Siena, L.; Amoroso, O.; Capuano, P. Imaging overpressurised fracture networks and geological barriers hindering fluid migrations across a slow-deformation seismic gap. Sci. Rep. 2023, 13, 19680. [Google Scholar] [CrossRef]
- Smeraglia, L.; Bernasconi, S.M.; Berra, F.; Billi, A.; Boschi, C.; Caracausi, A.; Carminati, E.; Castorina, F.; Doglioni, C.; Italiano, F.; et al. Crustal-scale fluid circulation and co-seismic shallow comb-veining along the longest normal fault of the central Apennines, Italy. Earth Planet. Sci. Lett. 2018, 498, 152–168. [Google Scholar] [CrossRef]
- Talone, D.; De Siena, L.; Lavecchia, G.; de Nardis, R. The Attenuation and Scattering Signature of Fluid Reservoirs and Tectonic Interactions in the Central-Southern Apennines (Italy). Geophys. Res. Lett. 2023, 50, e2023GL106074. [Google Scholar] [CrossRef]
- de Nardis, R.; Vuan, A.; Carbone, L.; Talone, D.; Romano, M.A.; Lavecchia, G. Interplay of tectonic and dynamic processes shaping multilayer extensional system in southern-central Apennines. Sci. Rep. 2024, 14, 18375. [Google Scholar] [CrossRef]
- Long, K. Descriptive model of detachment-fault-related mineralization. Dev. Miner. Depos. Model. Geol. Surv. Bull. 1992, 2004, 57–62. [Google Scholar]







| Elements | Sursassite | Hollandite | Barite + Calcite | Mix Mn-Fe Phases | Orientite +Mn-Phase | Chlorite |
|---|---|---|---|---|---|---|
| O | 41.11 | 27.76 | 29.07 | 32.14 | 32.84 | 46.39 |
| Mg | 1.81 | 1.35 | 1.67 | 3.28 | 14.86 | |
| Al | 15.09 | 4.43 | 0.86 | 3.69 | 7.59 | 5.76 |
| Si | 16.46 | 4.99 | 1.55 | 7.45 | 7.61 | 24.69 |
| S | 3.38 | |||||
| K | 0.86 | 0.55 | 1.12 | |||
| Ca | 3.5 | 2.36 | 49.14 | 3.21 | 7.71 | 7.04 |
| Ti | 0.43 | |||||
| Mn | 21.15 | 41.53 | 22.96 | 37.43 | ||
| Fe | 6.74 | 25.35 | 1.4 | 1.25 | ||
| Ni | 0.57 | |||||
| Ba | 10.3 | 16 | 3.54 | |||
| Total | 100 | 100 | 100 | 100 | 100 | 100 |
| Sample Point | Frequencies | |||||
|---|---|---|---|---|---|---|
| S2 | 488.8 | 598.4 | 665.0 | 905.9 | 1085.6 | |
| S5 | 483.7 | 599.0 | 609.9 | |||
| S8 | 483.4 | 583.7 | 596.0 | 628.3 | 946.9 | |
Disclaimer/Publisher’s Note: The statements, opinions and data contained in all publications are solely those of the individual author(s) and contributor(s) and not of MDPI and/or the editor(s). MDPI and/or the editor(s) disclaim responsibility for any injury to people or property resulting from any ideas, methods, instructions or products referred to in the content. |
© 2024 by the authors. Licensee MDPI, Basel, Switzerland. This article is an open access article distributed under the terms and conditions of the Creative Commons Attribution (CC BY) license (https://creativecommons.org/licenses/by/4.0/).
Share and Cite
Nazzareni, S.; Mantovani, L.; Pizzati, M.; Bersani, D.; Boschetti, T.; Palmucci, A.; Cirillo, D.; Brozzetti, F. Characterisation of Fault-Related Mn-Fe Striae on the Timpa Della Manca Fault (Mercure Basin, Southern Apennines, Italy). Geosciences 2024, 14, 299. https://doi.org/10.3390/geosciences14110299
Nazzareni S, Mantovani L, Pizzati M, Bersani D, Boschetti T, Palmucci A, Cirillo D, Brozzetti F. Characterisation of Fault-Related Mn-Fe Striae on the Timpa Della Manca Fault (Mercure Basin, Southern Apennines, Italy). Geosciences. 2024; 14(11):299. https://doi.org/10.3390/geosciences14110299
Chicago/Turabian StyleNazzareni, Sabrina, Luciana Mantovani, Mattia Pizzati, Danilo Bersani, Tiziano Boschetti, Ambra Palmucci, Daniele Cirillo, and Francesco Brozzetti. 2024. "Characterisation of Fault-Related Mn-Fe Striae on the Timpa Della Manca Fault (Mercure Basin, Southern Apennines, Italy)" Geosciences 14, no. 11: 299. https://doi.org/10.3390/geosciences14110299
APA StyleNazzareni, S., Mantovani, L., Pizzati, M., Bersani, D., Boschetti, T., Palmucci, A., Cirillo, D., & Brozzetti, F. (2024). Characterisation of Fault-Related Mn-Fe Striae on the Timpa Della Manca Fault (Mercure Basin, Southern Apennines, Italy). Geosciences, 14(11), 299. https://doi.org/10.3390/geosciences14110299

