Event Knowledge Graph for a Knowledge-Based Design Process Model for Additive Manufacturing
Abstract
1. Introduction
- A design process model based on EKG is proposed to break down the roles of the crucial attributes in DFAM development. As a result, this offers a comprehensive learning approach for establishing and modeling intrinsic relationships to attain flexibility and design freedom.
- The event-based knowledge representation provides a causality-based investigation for the production feasibility to accommodate the design process model’s creativity strategies. This provides an organized approach to process and resource specifications, which include integrating functions and structural simplification.
- The relationship-aware based on knowledge representation represents the value of FDM-based DFAM by combining functions and structural simplification of products to achieve the desired design freedom.
2. Related Work
2.1. The State-of-the-Art DFAM Development Approaches
2.2. Knowledge Graph Construction Frameworks
2.3. Research Gaps
3. Method
3.1. Design Process Model Consideration
3.2. Event-Based Knowledge Representation
3.3. Relationship-Aware Based on Knowledge Representation
| Algorithm 1: Information flow of causality between events based on entity embedding |
| Input: The vector format of the entities’ relationship is having edges where corresponds to the embedding of the entity node linked to the event and the entity ). Output: Information about triggered events, entities, and the relation types within the embedding of the EKG according to the causality. Entity to entity embedding → () Relation type between entity to entity embedding → ) The embedding vector dimension of the events, entities, and relation type →) Return update_triggered_event based on causality according to |
3.4. Construction of the EKG
| Algorithm 2: Construction of the EKG according to the events triggered mechanism, path calculation, and triples generation |
| Input: Input parameters triples (h, r, t) Output: build EKG for FDM-based DFAM Load events concept nodes of entities and relation For E that occurred due to the causality evolution do For triples h, r, t do Path = Determine every path in the graph that begins with the triggered event if the path starts with E Use the current triple to match every existing node If there are no nodes present then Establish nodes h and t following the event that was triggered Establish relation r for h and r Else Establish the missing nodes h and t based on the triggered event e’ Establish functional relation (r) for the missing nodes h and t based on the triggered event e’ End if End for Generate nodes and edges and then import them into the graph Return Build EKG |
4. Case Study
4.1. Case Introduction
4.2. Using the EKG to Support the Design Process Model
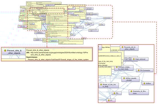
4.3. Application of the EKG for the Intake System Project
5. Discussion
6. Conclusions
Author Contributions
Funding
Data Availability Statement
Acknowledgments
Conflicts of Interest
References
- Haruna, A.; Yang, M.; Jiang, P.; Ren, H. Collaborative Task of Entity and Relation Recognition for Developing a Knowledge Graph to Support Knowledge Reasoning for Design for Additive Manufacturing. Adv. Eng. Inform. 2024, 60, 102364. [Google Scholar] [CrossRef]
- Haruna, A.; Yang, M.; Jiang, P. Design for Additive Manufacturing: A Three Layered Conceptual Framework for Knowledge-Based Design. Proc. Inst. Mech. Eng. Part B J. Eng. Manuf. 2022, 237, 1405–1421. [Google Scholar] [CrossRef]
- Xiong, Y.; Tang, Y.; Zhou, Q.; Ma, Y.; Rosen, D.W. Intelligent Additive Manufacturing and Design State of the Art and Future Perspectives. Addit. Manuf. 2022, 59, 103139. [Google Scholar] [CrossRef]
- Wang, Z.; Zhang, Y.; Bernard, A. Lightweight Porous Support Structure Design for Additive Manufacturing via Knowledge-Based Bio-Inspired Volume Generation and Lattice Configuration. Virtual Phys. Prototyp. 2022, 17, 894–918. [Google Scholar] [CrossRef]
- Taheri-Mousavi, S.M.; Xu, M.; Hengsbach, F.; Houser, C.; Ge, Z.; Glaser, B.; Wei, S.; Schaper, M.; LeBeau, J.M.; Olson, G.B.; et al. Additively Manufacturable High-Strength Aluminum Alloys with Thermally Stable Microstructures Enabled by Hybrid Machine Learning-Based Design. arXiv 2024, arXiv:2406.17457. [Google Scholar]
- Lu, C.; Jia, X.; Lee, J.; Shi, J. Knowledge Transfer Using Bayesian Learning for Predicting the Process-Property Relationship of Inconel Alloys Obtained by Laser Powder Bed Fusion. Virtual Phys. Prototyp. 2022, 17, 787–805. [Google Scholar] [CrossRef]
- Hadian, A.; Fricke, M.; Liersch, A.; Clemens, F. Material Extrusion Additive Manufacturing of Zirconia Parts Using Powder Injection Molding Feedstock Compositions. Addit. Manuf. 2022, 57, 102966. [Google Scholar] [CrossRef]
- Haruna, A.; Jiang, P. A Design for Additive Manufacturing Framework: Product Function Integration and Structure Simplification. IFAC Pap. 2021, 53, 77–82. [Google Scholar] [CrossRef]
- Borgue, O.; Müller, J.; Leicht, A.; Panarotto, M.; Isaksson, O. Constraint Replacement-Based Design for Additive Manufacturing of Satellite Components: Ensuring Design Manufacturability through Tailored Test Artefacts. Aerospace 2019, 6, 124. [Google Scholar] [CrossRef]
- Kadkhoda-Ahmadi, S.; Hassan, A.; Asadollahi-Yazdi, E. Activity Modeling of Preliminary Additive Manufacturing Process Planning. Procedia CIRP 2019, 84, 874–879. [Google Scholar] [CrossRef]
- Xiong, Y.; Tang, Y.; Kim, S.; Rosen, D.W. Human-Machine Collaborative Additive Manufacturing. J. Manuf. Syst. 2023, 66, 82–91. [Google Scholar] [CrossRef]
- Haruna, A.; Jiang, P. Adaptability Analysis of Design for Additive Manufacturing by Using Fuzzy Bayesian Network Approach. Adv. Eng. Inform. 2022, 52, 101613. [Google Scholar] [CrossRef]
- Wiberg, A.; Persson, J.; Ölvander, J. Design for Additive Manufacturing—A Review of Available Design Methods and Software. Rapid Prototyp. J. 2019, 25, 1080–1094. [Google Scholar] [CrossRef]
- Belkadi, F.; Sanfilippo, E.M.; Bernard, A.; Vidal, L.M. A Product-Process Model for Decision-Aid Perspective in Additive Manufacturing Field. Comput. Aided. Des. Appl. 2020, 17, 1278–1293. [Google Scholar] [CrossRef]
- Haruna, A.; Noman, K.; Li, Y.; Shah, I.A. A Framework for FDM-Based DFAM: Key Enabling Technologies for Knowledge-Based Design. J. Phys. Conf. Ser. 2024, 2762, 12087. [Google Scholar] [CrossRef]
- Zhou, B.; Shen, X.; Lu, Y.; Li, X.; Hua, B.; Liu, T.; Bao, J. Semantic-Aware Event Link Reasoning over Industrial Knowledge Graph Embedding Time Series Data. Int. J. Prod. Res. 2023, 61, 4117–4134. [Google Scholar] [CrossRef]
- Lussenburg, K.; Sakes, A.; Breedveld, P. Design of Non-Assembly Mechanisms: A State-of-the-Art Review. Addit. Manuf. 2021, 39, 101846. [Google Scholar] [CrossRef]
- Bu, L.; Chen, C.H.; Ng, K.K.H.; Zheng, P.; Dong, G.; Liu, H. A User-Centric Design Approach for Smart Product-Service Systems Using Virtual Reality: A Case Study. J. Clean. Prod. 2021, 280, 1–32. [Google Scholar] [CrossRef]
- Liu, Y.; Han, J.; Yan, P.; Li, B.; Yang, M.; Jiang, P. A Novel Kind of Knowledge Graph Construction Method for Intelligent Machine as a Service Modeling. Machines 2024, 12, 723. [Google Scholar] [CrossRef]
- Li, Q.; Jiang, P.; Wang, J.; Yang, M.; Yang, Y. A Kind of Intelligent Dynamic Industrial Event Knowledge Graph and Its Application in Process Stability Evaluation. J. Intell. Manuf. 2024, 2024, 1–18. [Google Scholar] [CrossRef]
- Jiang, J. A Survey of Machine Learning in Additive Manufacturing Technologies. Int. J. Comput. Integr. Manuf. 2023, 36, 1258–1280. [Google Scholar] [CrossRef]
- Knez, T.; Žitnik, S. Event-Centric Temporal Knowledge Graph Construction: A Survey. Mathematics 2023, 11, 4852. [Google Scholar] [CrossRef]
- Von Stamm, B. Managing Innovation, Design and Creativity; John Wiley & Sons: Hoboken, NJ, USA, 2008. [Google Scholar]
- Segonds, F. Design By Additive Manufacturing: An Application in Aeronautics and Defence. Virtual Phys. Prototyp. 2018, 13, 237–245. [Google Scholar] [CrossRef]
- Segonds, F.; Cohen, G.; Véron, P.; Peyceré, J. PLM and Early Stages Collaboration in Interactive Design, a Case Study in the Glass Industry. Int. J. Interact. Des. Manuf. 2016, 10, 95–104. [Google Scholar] [CrossRef]
- Fitzgerald, D.P.; Herrmann, J.W.; Schmidt, L.C. A Conceptual Design Tool for Resolving Conflicts between Product Functionality and Environmental Impact. J. Mech. Des. Sep. 2010, 132, 091006. [Google Scholar] [CrossRef]
- Tomiyama, T.; Gu, P.; Jin, Y.; Lutters, D.; Kind, C.; Kimura, F. Design Methodologies: Industrial and Educational Applications. CIRP Ann. 2009, 58, 543–565. [Google Scholar] [CrossRef]
- Alfaify, A.; Saleh, M.; Abdullah, F.M.; Al-Ahmari, A.M. Design for Additive Manufacturing: A Systematic Review. Sustainability 2020, 12, 7936. [Google Scholar] [CrossRef]
- Laverne, F.; Anwer, N.; Coq, M.L.E.; St, I.U.T.; Tech, P.; Cpi, L.; Cachan, E.N.S.; Cedex, C. DFAM in the Design Process: A Proposal of Classification to Foster Early Design Stages. In Proceedings of the CONFERE 2014 CROATIE, Sibenik, Croatia, 3–4 July 2014. [Google Scholar]
- Hao, J.; Zhao, L.; Milisavljevic-Syed, J.; Ming, Z. Integrating and Navigating Engineering Design Decision-Related Knowledge Using Decision Knowledge Graph. Adv. Eng. Inform. 2021, 50, 101366. [Google Scholar] [CrossRef]
- Tompson, M.K.; Moroni, G.; Vaneker, T.H.J.; Fadel, G.; Campbell, I.; Gibson, I.; Bernard, A.; Schulz, J.; Graf, P.; Ahuja, B. Design for Additive Manufacturing: Trends, Opportunities, Considerations, and Constraints. CIRP Ann. Manuf. Technol. 2016, 65, 737–760. [Google Scholar] [CrossRef]
- Pan, X.; Li, X.; Li, Q.; Hu, Z.; Bao, J. Evolving to Multi-Modal Knowledge Graphs for Engineering Design: State-of-the-Art and Future Challenges. J. Eng. Des. 2024, 1–40. [Google Scholar] [CrossRef]
- Gaur, M.; Faldu, K.; Sheth, A. Semantics of the Black-Box: Can Knowledge Graphs Help Make Deep Learning Systems More Interpretable and Explainable? IEEE Internet Comput. 2021, 25, 51–59. [Google Scholar] [CrossRef]
- Shi, H.; Yang, M.; Jiang, P. Social Production System: A Three-Layer Smart Framework for Implementing Autonomous Human-Machine Collaborations in a Shop Floor. IEEE Access 2021, 9, 26696–26711. [Google Scholar] [CrossRef]
- Wang, R.; Cheung, C.F. Knowledge Graph Embedding Learning System for Defect Diagnosis in Additive Manufacturing. Comput. Ind. 2023, 149, 103912. [Google Scholar] [CrossRef]
- Dinar, M.; Rosen, D.W. A Design for Additive Manufacturing Ontology. J. Comput. Inf. Sci. Eng. 2017, 17, 021013. [Google Scholar] [CrossRef]
- Tang, X.; Chi, G.; Cui, L.; Ip, A.W.H.; Yung, K.L.; Xie, X. Exploring Research on the Construction and Application of Knowledge Graphs for Aircraft Fault Diagnosis. Sensors 2023, 23, 5295. [Google Scholar] [CrossRef]
- Deng, S.; Rangwala, H.; Ning, Y. Dynamic Knowledge Graph Based Multi-Event Forecasting. In Proceedings of the 26th ACM SIGKDD International Conference on Knowledge Discovery & Data Mining, Virtual, 6–10 July 2020; pp. 1585–1595. [Google Scholar] [CrossRef]
- Amsterdam, V.U.; Laboratories-paris, S.C.S. ChronoGrapher: Event-Centric Knowledge Graph Construction via Informed Graph Traversal. Semant. Web 2024. Available online: https://www.semantic-web-journal.net/content/chronographer-event-centric-knowledge-graph-construction-informed-graph-traversal (accessed on 31 March 2024).
- Li, D.; Yan, L.; Zhang, X.; Jia, W.; Ma, Z. EventKGE: Event Knowledge Graph Embedding with Event Causal Transfer. Knowl.-Based Syst. 2023, 278, 110917. [Google Scholar] [CrossRef]
- Chang, C.; Tang, Y.; Long, Y.; Hu, K.; Li, Y.; Li, J.; Wang, C.D. Multi-Information Preprocessing Event Extraction with BiLSTM-CRF Attention for Academic Knowledge Graph Construction. IEEE Trans. Comput. Soc. Syst. 2023, 10, 2713–2724. [Google Scholar] [CrossRef]
- Eder, W.E.; Weber, C. Comparisons of design theories. In Proceedings of the 15th Anniversary of the AEDS SIG-Applied Engineering Design Science Special Interest Group in Pilsen, Pilsen, Czech Republic, 27–28 October 2006. [Google Scholar]













| Design Functions | Realization of AM Capabilities | |||||
|---|---|---|---|---|---|---|
| Thin Walls | Part Consolidation | Weight Reduction | Topology Optimization | Increase Surface Area | Can It Be Achieved? | |
| The shape of the main body | ∎ | ∎ | ∎ | ∎ | ∎ | ☑ |
| Structure of the intake body | ∎ | ∎ | ∎ | ☑ | ||
| Airflow equally divided | ∎ | ☑ | ||||
| Connect intake to the main body | ∎ | ∎ | ∎ | ☑ | ||
| Heat removal | ∎ | ∎ | ☑ | |||
| Evaluation Metrics | Thin Walls | Part Consolidation | Weight Reduction | Topology Optimization | Functionality |
|---|---|---|---|---|---|
| Average | 3.83 | 2.85 | 2.83 | 4.53 | 2.82 |
| Standard deviation | 1.13 | 1.70 | 1.31 | 0.81 | 1.53 |
| Comparison Criteria | Fitzgerald et al. [26] | Segonds et al. [24] | Proposed Method |
|---|---|---|---|
| Design aid tool | Analogical reasoning | Rationale for the design | Knowledge reasoning |
| Record the evolution and alterations in design | Low | Medium | High |
| Number of design stages defined | None | 4 stages | 5 stages |
| Improvement in metrics | None | None | 5 key metrics |
| Design stages representations | None | Yes | Yes |
Disclaimer/Publisher’s Note: The statements, opinions and data contained in all publications are solely those of the individual author(s) and contributor(s) and not of MDPI and/or the editor(s). MDPI and/or the editor(s) disclaim responsibility for any injury to people or property resulting from any ideas, methods, instructions or products referred to in the content. |
© 2025 by the authors. Licensee MDPI, Basel, Switzerland. This article is an open access article distributed under the terms and conditions of the Creative Commons Attribution (CC BY) license (https://creativecommons.org/licenses/by/4.0/).
Share and Cite
Guohui, C.; Haruna, A.; Youze, C.; Lunyong, L.; Noman, K.; Li, Y.; Eliker, K. Event Knowledge Graph for a Knowledge-Based Design Process Model for Additive Manufacturing. Machines 2025, 13, 112. https://doi.org/10.3390/machines13020112
Guohui C, Haruna A, Youze C, Lunyong L, Noman K, Li Y, Eliker K. Event Knowledge Graph for a Knowledge-Based Design Process Model for Additive Manufacturing. Machines. 2025; 13(2):112. https://doi.org/10.3390/machines13020112
Chicago/Turabian StyleGuohui, Chen, Auwal Haruna, Chen Youze, Li Lunyong, Khandaker Noman, Yongbo Li, and K. Eliker. 2025. "Event Knowledge Graph for a Knowledge-Based Design Process Model for Additive Manufacturing" Machines 13, no. 2: 112. https://doi.org/10.3390/machines13020112
APA StyleGuohui, C., Haruna, A., Youze, C., Lunyong, L., Noman, K., Li, Y., & Eliker, K. (2025). Event Knowledge Graph for a Knowledge-Based Design Process Model for Additive Manufacturing. Machines, 13(2), 112. https://doi.org/10.3390/machines13020112

