Numerical Simulation Study on Impact Initiation on Shielded Charge Using Hypervelocity Composite-Structure Reactive Fragments
Abstract
1. Introduction
2. Numerical Simulation Model and Reliability Verification
2.1. Simulation Model
2.2. Material Models and Parameters
2.3. Reliability Verification of Material Model
2.4. Convergence Analysis and Verification
2.4.1. Theoretical Analysis
2.4.2. Convergence Analysis
3. Results and Analysis
3.1. Impact of Type I Fragment
3.2. Impact of Type II Fragment
3.3. Impact of Steel Fragment
3.4. Analysis of Impact Initiation Mechanism of Three Fragments
- (1)
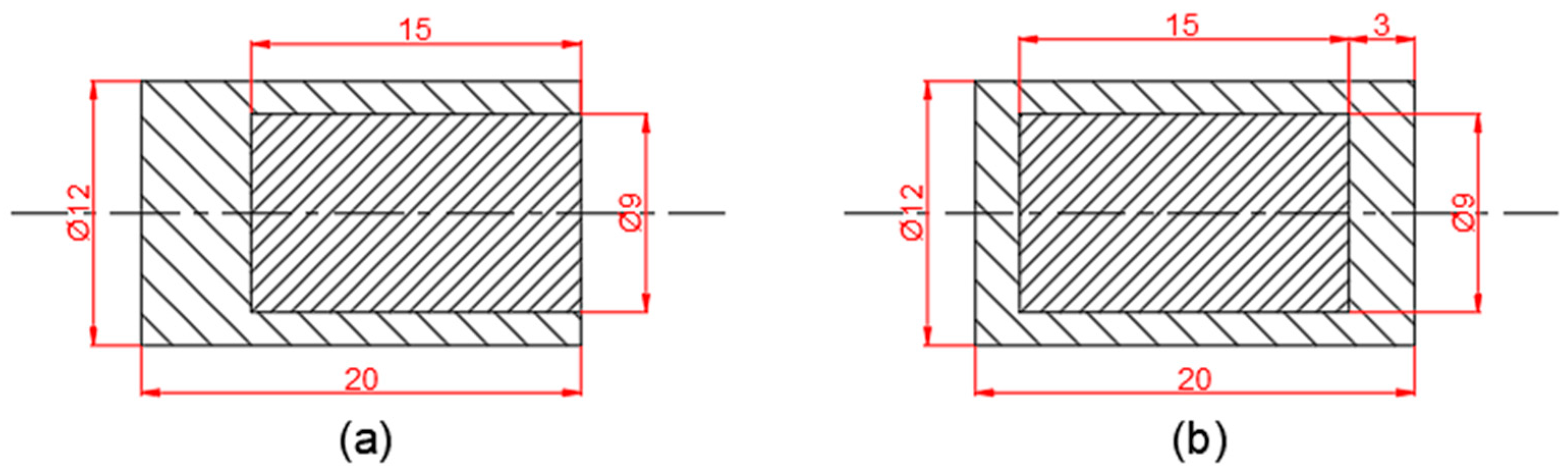
- The head of the type I fragment is not covered with the steel shell. During hypervelocity impact, the reactive material is broken, and the detonation reaction is excited. During the penetration process, the pressure generated through the expansion of the detonation products of the reactive material propagates through the charge shell to the explosive. At the beginning of penetration, the reactive material becomes excited and reacts rapidly. However, because the detonation products of the reactive material are in the initial stage of expansion, the pressure acting on the charge shell is very small, and the compressive shock wave transmitted into the explosive is mainly driven by the kinetic energy of the fragment. This is the CD segment of the curve in Figure 22, so the pressure of the shock wave is relatively low. With the further expansion of the detonation products and the destruction of the shell, the intensity of the compressed shock wave pulse imparted to the explosive increases and maintains a short-term stability, which is described with the DE segment of the curve in Figure 22. When the detonation products continue to expand inside the penetration hole and a large number of detonation products diffuse in the opposite direction, the shock wave intensity gradually decreases, such as in the EF segment. The partially enlarged pictures of the penetration process of the type I fragment at typical moments corresponding to these three stages are shown in Figure 23. After 10 μs, the explosive interface pressure corresponding to the 2.6 km/s steel fragment is basically less than 0, except for a small oscillation. Compared with the steel fragment at the same speed, the pressure of the DF segment of the type I fragment is much higher. It can be seen that the DF segment is dominated by the expansion of the detonation products of the reactive material. It is evident that the detonation reaction of the reactive material enhances the duration and strength of the compressed shock wave pulse imparted to the explosive.
- (2)
- The head of the type II fragment is covered with the steel shell; under the hypervelocity impact, the fragmentation of the internal reactive material and the activation of the detonation reaction are later than those of the type I fragment. After the reactive material is activated, the pressure generated through the expansion of the detonation products propagates to the explosive through the head shell and the charge shell in turn. Similarly to the type I fragment, the detonation products of the reactive material at the initial stage of penetration are initial expansion, and the compressive shock wave finally introduced into the explosive is dominated by the kinetic energy of the fragment, such as in the GH segment of the curve in Figure 22. Because the pressure is generated only by the kinetic energy, the compressive shock wave intensity is small at the initial stage of penetration. When the expansion of the detonation products of the reactive material is gradually strengthened, the expansion pressure is very large, but the existence of the head shell has a certain attenuation effect on the expansion pressure. Therefore, compared with the type I fragment, the duration and intensity of the shock wave pulse transmitted to the explosive are reduced, such as in the HI segment. When the detonation products expand in the opposite direction, the intensity of the compressive shock wave introduced into the explosive gradually decreases, such as in the IJ segment. Apparently, the HJ segment is dominated by the expansion of the detonation products of the reactive material. Figure 24 shows local magnification images of the penetration process of the type II fragment at typical moments in each section.
4. Conclusions
- (1)
- The threshold velocity of the impact initiation of two types of composite-structure reactive fragments on a shielded charge is 2.6 km/s, whereas the value of the steel fragment is 2.7 km/s. When the three fragments impact the shielded charge at the threshold speed, the detonation of the explosive begins at 3 cm from the interface. After detonation growth, stable detonation is finally achieved at 12 cm from the interface.
- (2)
- At the threshold velocity, the initiation mechanism of two types of composite-structure reactive fragments and steel fragments on the shielded charge is different. The energy release reaction of the PTFE/Al material increases the time and intensity of the compression shock wave pulse in the explosive. Therefore, the hypervelocity impact of the two composite-structure reactive fragments on the shielded charge belongs to the pulse load initiation for a long time, while the steel fragment belongs to the impact-to-detonation initiation.
- (3)
- Under the action of hypervelocity impact, when the metal shell at the front end of the composite-structure reactive fragment is thin, it has no obvious effect on the initiation of the shielded charge. For the shielded charge with a thicker shell, compared with the steel fragment, the impact initiation threshold velocity of the two composite-structure reactive fragments is not significantly reduced. The reason is that the fragments fail to perforate the charge shell, resulting in chemical energy being released by the reactive material, which does not directly act on the explosive.
Author Contributions
Funding
Institutional Review Board Statement
Informed Consent Statement
Data Availability Statement
Conflicts of Interest
References
- Sun, T.; Wang, H.F.; Wang, S.P.; Ge, C.; Hu, D.; Chen, P.W.; Zheng, Y.F. Formation behaviors of rod-like reactive shaped charge penetrator and their effects on damage capability. Def. Technol. 2024, 32, 242–253. [Google Scholar] [CrossRef]
- Liu, S.B.; Yuan, Y.; Zheng, Y.F.; Ge, C.; Wang, H.F. Enhanced ignition behavior of reactive material projectiles impacting fuel-filled tank. Def. Technol. 2019, 15, 533–540. [Google Scholar] [CrossRef]
- Xiao, J.G.; Wang, Y.X.; Zhou, D.M.; He, C.L.; Li, X.R. Research on the Impact-Induced Deflagration Behavior by Aluminum/Teflon Projectile. Crystals 2022, 12, 471. [Google Scholar] [CrossRef]
- Zhou, Q.; Hu, Q.W.; Wang, B.; Zhou, B.B.; Chen, P.W.; Liu, R. Fabrication and characterization of the Ni-Al energetic structural material with high energy density and mechanical properties. J. Alloys Compd. 2020, 832, 154894. [Google Scholar] [CrossRef]
- Abdollahi, A.M.; Alizadeh, A. Effects of W on the thermal induced-energy release behavior and mechanical properties of 2Al-Ni and Al-Ni composites fabricated by mechanical alloying. Intermetallics 2023, 161, 107980. [Google Scholar] [CrossRef]
- Wang, C.T.; He, Y.; Ji, C.; He, Y.; Han, W.; Pan, X.C. Investigation on shock-induced reaction characteristics of a Zr-based metallic glass. Intermetallics 2018, 93, 383–388. [Google Scholar] [CrossRef]
- Huang, C.M.; Li, S.; Bai, S.X. Quasi-static and impact-initiated response of Zr55Ni5Al10Cu30 alloy. J. Non-Cryst. Solids 2018, 481, 59–64. [Google Scholar] [CrossRef]
- Walters, W.P.; Kecskes, L.J.; Pritchett, J.E. Investigation of a Bulk Metallic Glass as a Shaped Charge Liner Material; ARL-TR-3864; Army Research Lab Aberdeen Proving Ground MD: Aberdeen, MD, USA, 2006. [Google Scholar]
- Tu, J.; Qiao, L.; Shan, Y.; Xin, C.L.; Liu, J.Y. Study on the Impact-Induced Energy Release Characteristics of Zr68.5Cu12Ni12Al7.5 Amorphous Alloy. Materials 2021, 14, 1447. [Google Scholar] [CrossRef]
- Yu, S.X.; Fan, Q.B.; Cheng, X.W.; Tan, Y.; Gao, Y. Numerical simulation of the process of Zr58Nb3Cu12Ni12Al15 bulk glasses fragment penetrating into two separated plates and forming debris cloud. J. Mater. Res. Technol. 2022, 19, 2115–2125. [Google Scholar] [CrossRef]
- Zhang, Z.R.; Zhang, H.; Tang, Y.; Zhu, L.A.; Ye, Y.C.; Li, S.; Bai, S.X. Microstructure, mechanical properties and energetic characteristics of a novel high-entropy alloy HfZrTiTa0.53. Mater. Des. 2017, 133, 435–443. [Google Scholar] [CrossRef]
- Ren, K.R.; Liu, H.Y.; Chen, R.; Tang, Y.; Guo, B.Y.; Li, S.; Wang, J.; Wang, R.X.; Lu, F.Y. Compression properties and impact energy release characteristics of TiZrNbV high-entropy alloy. Mater. Sci. Eng. A 2021, 827, 142074. [Google Scholar] [CrossRef]
- Ma, Y.S.; He, J.Y.; Zhou, L.; Zhang, K.C.; Gai, X.Q.; Zhang, X.G. Mechanical properties and impact energy release characteristics of Al0.5NbZrTi1.5Ta0.8Ce0.85 high-entropy alloy. Mater. Res. Express 2022, 9, 116510. [Google Scholar] [CrossRef]
- Tang, W.Q.; Zhang, K.; Chen, T.Y.; Wang, Q.; Wei, B.C. Microstructural evolution and energetic characteristics of TiZrHfTa0.7W0.3 high-entropy alloy under high strain rates and its application in high-velocity penetration. J. Mater. Sci. Technol. 2023, 132, 144–153. [Google Scholar] [CrossRef]
- Liu, S.B.; Zheng, Y.F.; Yu, Q.B.; Ge, C.; Wang, H.F. Interval rupturing damage to multi-spaced aluminum plates impacted by reactive materials filled projectile. Int. J. Impact Eng. 2019, 130, 153–162. [Google Scholar] [CrossRef]
- Zhang, H.; Wang, H.F.; Yu, Q.B.; Zheng, Y.F.; Lu, G.C.; Ge, C. Perforation of double-spaced aluminum plates by reactive projectiles with different densities. Materials 2021, 14, 1229. [Google Scholar] [CrossRef] [PubMed]
- Lu, D.W.; Wang, H.F.; Lei, M.A.; Yu, Q.B. Enhanced Initiation Behavior of Reactive Material Projectiles Impacting Covered Explosives. Propellants Explos. Pyrotech. 2017, 42, 1117–1123. [Google Scholar] [CrossRef]
- Zhang, X.P.; Wang, Z.J.; Yin, J.P.; Yi, J.Y.; Wang, H.F. Damage mechanism of PTFE/Al reactive charge liner structural parameters on a steel target. Materials 2021, 14, 3701. [Google Scholar] [CrossRef] [PubMed]
- Su, C.H.; Guo, H.G.; Zheng, Y.F.; Xie, J.W.; Wang, H.F. Formation behavior and reaction characteristic of a PTFE/Al reactive jet. Materials 2022, 15, 1268. [Google Scholar] [CrossRef] [PubMed]
- Meng, S.Y. Study on Hypervelocity Impact of Energy Material Rod. Master’s Thesis, National University of Defense Technology, Changsha, China, 2015. [Google Scholar]
- Tang, E.L.; Xie, C.R.; Han, Y.F.; Chen, C.; Xu, M.Y.; Chang, M.Z.; Guo, K.; He, L.P. Plasma and Light Flash Radiant Features Generated by Al/PTFE Projectile High-Velocity Impact Thin Aluminum Target. IEEE Trans. Plasma Sci. 2022, 50, 2166–2177. [Google Scholar] [CrossRef]
- Ren, S.Y.; Zhang, Q.M.; Wu, Q.; Long, R.R.; Liang, H.Z.; Gong, L.F. A debris cloud model for hypervelocity impact of the spherical projectile on reactive material bumper composed of polytetrafluoroethylene and aluminum. Int. J. Impact Eng. 2019, 130, 124–137. [Google Scholar] [CrossRef]
- Ren, S.Y.; Zhang, Q.M.; Wu, Q.; Long, R.R.; Gong, L.F.; Lu, Y.Y. A reactive material double-bumper shield for centimeter sized projectile. Int. J. Impact Eng. 2021, 158, 104028. [Google Scholar] [CrossRef]
- Ren, S.Y.; Zhang, Q.M.; Gao, F.; Wu, Q.; Liang, H.Z.; Liu, W.J.; Zhong, X.Z.; Song, G.M. Impact resistance mechanism of reactive material bumper for spacecraft Whipple shield: Experiments and numerical simulations. Aerosp. Sci. Technol. 2022, 126, 107646. [Google Scholar] [CrossRef]
- Ren, S.Y.; Zhang, Q.M.; Wu, Q.; Xue, Y.J.; Zheng, K.Q.; Lu, Y.Y.; Liang, H.Z. Influence of impact-induced reaction characteristics of reactive composites on hypervelocity impact resistance. Mater. Des. 2020, 192, 108722. [Google Scholar] [CrossRef]
- Sun, Y.H.; Shi, C.C.; Liu, Z.; Wen, D.S. Theoretical Research Progress in High-Velocity/Hypervelo-city Impact on Semi-Infinite Targets. Shock. Vib. 2015, 2015, 265321. [Google Scholar] [CrossRef]
- Jiang, Y.Z.; Wang, W.L.; Fu, L.; Huang, X.F.; Yu, J.L. Research on the Impact Initiation to Supersonic Missile Warhead by Tungsten Heavy Alloy Penetrator. J. Proj. Rocket. Missiles Guid. 2014, 34, 102–105. (In Chinese) [Google Scholar]
- Ding, L.L. Research on the Reactive Inner Core Formulation and Structural Design as Well as Damage Mechanism of PELE Projectile. Ph.D. Thesis, National University of Defense Technology, Changsha, China, 2019. [Google Scholar]
- Hiermaier, S.; Konke, D.; Stilp, A.J.; Thoma, K. Computational Simulation of the Hypervelocity Impact of Al-spheres on Thin Plates of Different Materials. Int. J. Impact Eng. 1997, 20, 363–374. [Google Scholar] [CrossRef]
- Xu, F.Y.; Zheng, Y.F.; Yu, Q.B.; Wang, Y.Z.; Wang, H.F. Experimental study on penetration behavior of reactive material projectile impacting aluminum plate. Int. J. Impact Eng. 2016, 95, 125–132. [Google Scholar] [CrossRef]
- Peng, J.; Li, B.B.; Yuan, B.H.; Sun, X.Y.; Yang, Q. Research on Behavior of Steel coated Reactive Materials Fragment on Penetrating Double-layer Aluminum Plates. Chin. J. Explos. Propellants 2020, 43, 90–95. (In Chinese) [Google Scholar] [CrossRef]
- Zhang, M.H.; Ruan, W.J.; Ning, H.J.; Dong, K.; Yu, Y.G. Shock Initiation Characteristics of Compound Energetic Fragment. J. Ballist. 2016, 28, 64–69. (In Chinese) [Google Scholar]
- Liu, Y.; Huang, F.L.; Wu, Y.Q.; Long, R.R. Explosion Physics; Beijing Institute of Technology Press: Beijing, China, 2019. [Google Scholar]
- Zhang, J.H.; Wang, H.F.; Zheng, Y.F.; Chen, P.W.; Ge, C.; Yu, Q.B. Lateral enhancement effect of reactive PELE: Two-step segmented simulation and analytical modeling. Thin-Walled Struct. 2023, 192, 111204. [Google Scholar] [CrossRef]

























| ρ/(g/cm3) | A/GPa | B/GPa | R1 | R2 | ω | D/(km/s) | E/(Gerg/mm3) |
| 2.2 | 15.9 | 0.0023 | 7 | 0.6 | 0.38 | 5.2 | 0.12 |
| P/GPa | I/μs−1 | G1 | c | d | y | c0/(km/s) | λ |
| 21 | 44 | 200 | 0.222 | 0.666 | 1.6 | 1.45 | 2.25 |
| A/MPa | B/MPa | n | C | m | Tm/K | Tr/K |
|---|---|---|---|---|---|---|
| 48 | 64.1 | 0.574 | 0.219 | 0.226 | 653 | 300 |
Disclaimer/Publisher’s Note: The statements, opinions and data contained in all publications are solely those of the individual author(s) and contributor(s) and not of MDPI and/or the editor(s). MDPI and/or the editor(s) disclaim responsibility for any injury to people or property resulting from any ideas, methods, instructions or products referred to in the content. |
© 2024 by the authors. Licensee MDPI, Basel, Switzerland. This article is an open access article distributed under the terms and conditions of the Creative Commons Attribution (CC BY) license (https://creativecommons.org/licenses/by/4.0/).
Share and Cite
Lu, Y.; Tan, B.; Li, Y.; Tan, S.; Yang, S.; Ji, W. Numerical Simulation Study on Impact Initiation on Shielded Charge Using Hypervelocity Composite-Structure Reactive Fragments. Polymers 2024, 16, 1054. https://doi.org/10.3390/polym16081054
Lu Y, Tan B, Li Y, Tan S, Yang S, Ji W. Numerical Simulation Study on Impact Initiation on Shielded Charge Using Hypervelocity Composite-Structure Reactive Fragments. Polymers. 2024; 16(8):1054. https://doi.org/10.3390/polym16081054
Chicago/Turabian StyleLu, Yongjin, Bo Tan, Yanxia Li, Sheng Tan, Shixi Yang, and Wensu Ji. 2024. "Numerical Simulation Study on Impact Initiation on Shielded Charge Using Hypervelocity Composite-Structure Reactive Fragments" Polymers 16, no. 8: 1054. https://doi.org/10.3390/polym16081054
APA StyleLu, Y., Tan, B., Li, Y., Tan, S., Yang, S., & Ji, W. (2024). Numerical Simulation Study on Impact Initiation on Shielded Charge Using Hypervelocity Composite-Structure Reactive Fragments. Polymers, 16(8), 1054. https://doi.org/10.3390/polym16081054

