Polymer Composites with Carbon Fillers Based on Coal Pitch and Petroleum Pitch Cokes: Structure, Electrical, Thermal, and Mechanical Properties
Abstract
1. Introduction
2. Experimental
2.1. Materials
2.2. Preparation of Composites
2.3. Methods for Filler Investigation
2.4. Methods for the Studies of Composite Morphology
2.5. Thermomechanical Analysis
2.6. DSC Studies
2.7. Measurement of Conductivity
3. Results
3.1. Characteristics of Carbon Fillers
3.2. Characteristics of Composites
3.2.1. Structure of Composites
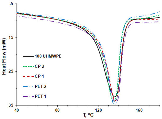
3.2.2. DSC Study of Composites
3.2.3. Thermomechanical Studies of Composites
3.2.4. Mechanical Analyses of Composites
3.2.5. Electrical Conductivity of Composites
4. Discussion and Conclusions
Author Contributions
Funding
Institutional Review Board Statement
Data Availability Statement
Acknowledgments
Conflicts of Interest
References
- Stabik, J.; Rojek, M.; Suchoń, Ł.; Mrowiec, K. Carbon materials as fillers for polymer matrix composites. Arch. Mater. Sci. Eng. 2012, 53, 29–37. [Google Scholar]
- Eterigho-Ikelegbe, O.; Kelvin, O.Y.; Bada, S. Coal as a Filler in Polymer Composites: A Review. Resour. Conserv. Recycl. 2021, 174, 105756. [Google Scholar] [CrossRef]
- Szeluga, U.; Pusz, S.; Kumanek, B.; Olszowska, K.; Kobyliukh, A.; Trzebicka, B. Effect of graphene filler structure on electrical, thermal, mechanical, and fire-retardant properties of epoxy-graphene nanocomposites—A review. Crit. Rev. Solid State Mater. Sci. 2021, 46, 152–187. [Google Scholar] [CrossRef]
- Sajid, S.; Shaha, A.; Nasir, H. Exfoliation of graphene and its application as filler in reinforced polymer nanocomposites. Nano Hybrids Compos. 2016, 11, 7–21. [Google Scholar] [CrossRef]
- Harito, C.; Bavykin, D.; Yuliarto, B.; Dipojono, H.; Walsh, F. Polymer nanocomposites having a high filler content: Synthesis, structures, properties, and applications. Nanoscale 2019, 11, 4653–4682. [Google Scholar] [CrossRef] [PubMed]
- Srivastava, V.K.; Jain, P.K.; Kumar, P.; Pegoretti, A.; Bowenet, C.R. Smart manufacturing process of carbon-based low-dimensional structures and fiber-reinforced polymer composites for engineering applications. J. Mater. Eng. Perform. 2020, 29, 4162–4186. [Google Scholar] [CrossRef]
- Voznyakovskii, A.P.; Neverovskaya, A.Y.; Otvalko, J.A.; Gorelova, E.V.; Zabelina, A.N.; Lebedev, S.V. Facile synthesis of 2D carbon structures as a filler for polymer composites. Nanosyst. Phys. Chem. Math. 2018, 9, 125–128. [Google Scholar] [CrossRef]
- Giunta, G.; Chiricotto, M.; Jackson, I.; Karimi-Varzaneh, H.; Carbone, P. Multiscale modelling of heterogeneous fillers in polymer composites: The case of polyisoprene and carbon black. J. Phys. Condens. Matter 2021, 33, 194003–194012. [Google Scholar] [CrossRef] [PubMed]
- Chen, R.; Yu, R.; Pei, X.; Wang, W.; Li, D.; Xu, Z.; Luo, S.; Tangd, Y.; Deng, H. Interface design of carbon filler/polymer composites for electromagnetic interference shielding. New J. Chem. 2021, 45, 8370–8385. [Google Scholar] [CrossRef]
- Kwon, Y.J.; Park, J.B.; Jeon, Y.P.; Hong, J.Y.; Park, H.S.; Lee, J.U. A review of polymer composites based on carbon fillers for thermal management applications: Design, preparation, and properties. Polymers 2021, 13, 1312. [Google Scholar] [CrossRef]
- Li, B.; Zhang, J.; Wei, J.; Zhang, Q. Preparation and sealing performance of a new coal dust polymer composite sealing material. Adv. Mater. Sci. Eng. 2018, 2018, 8480913. [Google Scholar] [CrossRef]
- Virpe, K.; Deshpande, A.; Kulkarni, A. A review on tribological behavior of polymer composite impregnated with carbon fillers. AIP Conf. Proc. 2020, 2311, 070030-1–070030-7. [Google Scholar] [CrossRef]
- Latif, Z.; Shahid, K.; Anwer, H.; Shahid, R.; Ali, M.; Lee, K.H.; Alshareef, M. Carbon quantum dots (CQDs)-modified polymers: A review of non-optical application. Nanoscale 2024, 16, 2265–2288. [Google Scholar] [CrossRef]
- Rahaman, M.; Aldalbahi, A.; Nayak, L.; Giri, R. Electrical conductivity of polymer–carbon composites: Effects of different factors. In Carbon-Containing Polymer Composites Springer Series on Polymer and Composite Materials; Springer: Singapore, 2019; pp. 159–210. [Google Scholar] [CrossRef]
- Al-Majali, Y.A.; Chirume, C.T.; Marcum, E.P.; Daramola, D.A.; Kappagantula, K.S.; Trembly, J.P. Coal-filler-based thermoplastic composites as construction materials: A new sustainable end-use application. ACS Sustain. Chem. Eng. 2019, 7, 16870–16878. [Google Scholar] [CrossRef]
- Phillips, L.N.; Kappagantula, K.S.; Trembly, J.P. Mechanical performance of thermoplastic composites using bituminous coal as filler: Study of a potentially sustainable end-use application for Appalachian coal. Polym. Compos. 2017, 40, 591–599. [Google Scholar] [CrossRef]
- Stabik, J.; Chomiak, M. Influence of casting velocity on surface resistivity of epoxy-hard coal graded composites. Archiv. Mater. Sci. Eng. 2011, 47, 48–56. [Google Scholar]
- Kurzeja, L.; Szeluga, U.; Galy, J.; Sautereau, H.; Issartel, N. Effect of coal on the rheological and mechanical properties of epoxy matrix. Macromol. Symp. 2001, 194, 169–174. [Google Scholar] [CrossRef]
- Polok-Rubiniec, M.; Wlodarczyk-Fligier, A.; Chmielnicki, B. The properties of a polypropylene matrix composite with anthracite filler. Arch. Metall. Mater. 2021, 66, 305–311. [Google Scholar] [CrossRef]
- Pusz, S.; Szeluga, U.; Nagel, B.; Czajkowska, S.; Galina, H.; Strzezik, J. The influence of structural order of anthracite fillers on the curing behavior, morphology, and dynamic mechanical thermal properties of epoxy composites. Polym. Compos. 2014, 36, 336–347. [Google Scholar] [CrossRef]
- Polok-Rubiniec, M.; Wlodarczyk-Fligier, A. Polypropylene matrix composite with charcoal filler. J. Achiev. Mater. Manufact. Eng. 2020, 103, 60–66. [Google Scholar] [CrossRef]
- Lu, C.-T.; Weerasinghe, A.; Maroudas, D.; Ramasubramaniam, A. A Comparison of the elastic properties of graphene- and fullerene-reinforced polymer composites: The role of filler morphology and size. Sci. Rep. 2016, 6, 31735–31744. [Google Scholar] [CrossRef]
- Shmalko, V.; Karchakova, V.; Zelenskyi, O.; Cheshko, F. Determining the Filler Activity in the Sintering of Pitch Composites. In Fillers-Synthesis, Characterization and Industrial Application; Intech Open: London, UK, 2019. [Google Scholar] [CrossRef]
- Latif, Z.; Ali, M.; Lee, E.-J.; Zubair, Z.; Lee, K.H. Thermal and Mechanical Properties of Nano-Carbon-Reinforced Polymeric Nanocomposites: A Review. J. Compos. Sci. 2023, 7, 441. [Google Scholar] [CrossRef]
- Yasmin, A.; Luo, J.-J.; Daniel, I.M. Processing of expanded graphite reinforced polymer nanocomposites. Compos. Sci. Technol. 2006, 66, 1179–1186. [Google Scholar] [CrossRef]
- Qu, M.; Nilsson, F.; Schubert, D.W. Effect of filler orientation on the electrical conductivity of carbon fiber/PMMA composites. Fibers 2018, 6, 3. [Google Scholar] [CrossRef]
- Alshammari, B.A.; Al-Mubaddel, F.S.; Karim, M.R.; Hossain, M.; Al-Mutairi, A.S.; Wilkinson, A.N. Addition of graphite filler to enhance electrical, morphological, thermal, and mechanical properties in poly (ethylene terephthalate): Experimental characterization and material modeling. Polymers 2019, 11, 1411. [Google Scholar] [CrossRef]
- Kasgoz, A.; Akın, D.; Ayten, A.İ.; Durmus, A. Effect of different types of carbon fillers on mechanical and rheological properties of cyclic olefin copolymer (COC) composites. Compos. Part B Eng. 2014, 66, 126–135. [Google Scholar] [CrossRef]
- Toghchi, M.J.; Campagne, C.; Cayla, A.; Bruniaux, P.; Loghin, C.; Cristian, I.; Burgnies, L.; Chen, Y. Electrical conductivity enhancement of hybrid PA6,6 composite containing multiwall carbon nanotube and carbon black for shielding effectiveness application in textiles. Synth. Met. 2019, 251, 75–84. [Google Scholar] [CrossRef]
- Kunz, K.; Krause, B.; Kretzschmar, B.; Juhasz, L.; Kobsch, O.; Jenschke, W.; Ullrich, M.; Pötschke, P. Direction dependent electrical conductivity of polymer/carbon filler composites. Polymers 2019, 11, 591. [Google Scholar] [CrossRef]
- Perets, Y.; Aleksandrovych, L.; Melnychenko, M.; Lazarenko, M.O.; Vovchenko, L.; Matzui, L. The electrical properties of hybrid composites based on multiwall carbon nanotubes with graphite nanoplatelets. Nanoscale Res. Lett. 2017, 12, 406–416. [Google Scholar] [CrossRef]
- Sun, Y.; Bao, H.-D.; Guo, Z.-X.; Yu, J. Modelling of the electrical percolation of mixed carbon fillers in polymer-based composites. Macromolecules 2009, 42, 459–463. [Google Scholar] [CrossRef]
- Merzouki, A.; Haddaoui, N. Electrical conductivity modeling of polypropylene composites filled with carbon black and acetylene black. Int. Sch. Res. Not. 2012, 2012, 493065. [Google Scholar] [CrossRef]
- Choi, H.J.; Kim, M.S.; Ahn, D.; Yeo, S.Y.; Lee, S. Electrical percolation threshold of carbon black in a polymer matrix and its application to antistatic fibre. Sci. Rep. 2019, 9, 6338–6350. [Google Scholar] [CrossRef] [PubMed]
- Winey, K.; Kashiwagi, T.; Mu, M. Improving electrical conductivity and thermal properties of polymers by the addition of carbon nanotubes as fillers. MRS Bull. 2007, 32, 348–353. [Google Scholar] [CrossRef]
- Lisunova, M.O.; Mamunya, Y.P.; Lebovka, N.I.; Melezhyk, A.V. Percolation behaviour of ultrahigh molecular weight polyethylene/multi-walled carbon nanotubes composites. Eur. Polym. J. 2007, 43, 949–958. [Google Scholar] [CrossRef]
- Khan, S.U.; Pothnis, J.R.; Kim, J.-K. Effects of carbon nanotube alignment on electrical and mechanical properties of epoxy nanocomposites. Compos. Part A Appl. Sci. Manuf. 2013, 49, 26–34. [Google Scholar] [CrossRef]
- Maruzhenko, O.; Mamunya, Y.; Boiteux, G.; Pusz, S.; Szeluga, U.; Pruvost, S. Improving the thermal and electrical properties of polymer composites by ordered distribution of carbon micro- and nanofillers. Int. J. Heat Mass Transf. 2019, 138, 75–84. [Google Scholar] [CrossRef]
- Ohayon-Lavi, A.; Buzaglo, M.; Ligati, S.; Peretz-Damari, S.; Shachar, G.; Pinsk, N.; Riskin, M.; Schatzberg, Y.; Genish, I.; Regev, O. Compression-enhanced thermal conductivity of carbon loaded polymer composites. Carbon 2020, 163, 333–340. [Google Scholar] [CrossRef]
- Mohammad, H.; Stepashkin, A.; Tcherdyntsev, V. Effect of graphite filler type on the thermal conductivity and mechanical behavior of polysulfone-based composites. Polymers 2022, 14, 399. [Google Scholar] [CrossRef]
- Abdul Khalil, H.P.S.; Noriman, N.Z.; Ahmad, M.N.; Ratnam, M.M.; Nik Fuaad, N.A. Polyester composites filled carbon black and activated carbon from bamboo (gigantochloa scortechinii): Physical and mechanical properties. J. Reinf. Plast. Compos. 2007, 26, 305–320. [Google Scholar] [CrossRef]
- Lee, J.H.; Jang, Y.K.; Hong, C.E.; Kim, N.H.; Li, P.; Lee, H.K. Effect of carbon fillers on properties of polymer composite bipolar plates of fuel cells. J. Power Sources 2009, 193, 523–529. [Google Scholar] [CrossRef]
- Silva, C.R.; Lago, R.M.; Velosob, H.S.; Patricio, P.S. Use of Amphiphilic composites based on clay/carbon nanofibers as fillers in UHMWPE. J. Braz. Chem. Soc. 2018, 29, 278–284. [Google Scholar] [CrossRef]
- Aguele, F.O.; Madufor, C.I.; Adekunle, K.F. Comparative study of physical properties of polymer composites reinforced with uncarbonised and carbonised coir. Open J. Polym. Chem. 2014, 4, 73–82. [Google Scholar] [CrossRef][Green Version]
- Mamunya, Y.; Matzui, L.; Vovchenko, L.; Maruzhenko, O.; Oliynyk, V.; Pusz, S.; Kumanek, B.; Szeluga, U. Influence of conductive nano- and microfiller distribution on electrical conductivity and EMI shielding properties of polymer/carbon composites. Compos. Sci. Technol. 2019, 170, 51–59. [Google Scholar] [CrossRef]
- Kumanek, B.; Szeluga, U.; Pusz, S.; Borowski, A.F.; Wrobel, P.S.; Bachmatiuk, A.; Kubacki, J.; Musioł, M.; Maruzhenko, O.; Trzebicka, B. Multi-layered graphenic structures as the effect of chemical modification of thermally treated anthracite. Fuller. Nanotub. Carbon Nanostructures 2018, 26, 405–416. [Google Scholar] [CrossRef]
- ISO 11357-3; Determination of Temperature and Enthalpy of Melting and Crystallization. International Organization for Standarization: Geneva, Switzerland, 2018.
- Hosseinnezhad, R.; Vozniak, I.; Romano, D.; Rastogi, S.; Regnier, G.; Piorkowska, E.; Galeski, A. Formation of UHMWPE Nanofibers during Solid-State Deformation. Nanomaterials 2022, 12, 3825. [Google Scholar] [CrossRef]
- Wang, J.; He, Y.; Yang, Y.; Xie, W.; Ling, X. Research on quantifying the hydrophilicity of leached coals by FTIR spectroscopy. Physicochem. Probl. Min. Process 2017, 53, 227–239. [Google Scholar] [CrossRef]
- Zambrano, N.P.; Duarte, L.J.; Poveda-Jaramillo, J.C.; Picón, H.J.; Martínez, O.F.; Nino-Gómez, M.E. Delayed Coker Coke Characterization: Correlation between Process Conditions, Coke Composition, and Morphology. Energy Fuels 2018, 32, 2722–2732. [Google Scholar] [CrossRef]
- Cui, T.; Fan, W.; Dai, Z.; Guo, Q.; Yu, G.; Wang, F. Variation of the coal chemical structure and determination of the char molecular size at the early stage of rapid pyrolysis. Appl. Energy 2016, 179, 650–659. [Google Scholar] [CrossRef]
- Xia, W.; Yang, J.; Zhao, Y.; Zhu, B.; Wang, Y. Improving floatability of Taixi anthracite coal of mild oxidation by grinding. Physicochem. Probl. Min. Process 2012, 48, 393–401. [Google Scholar] [CrossRef]
- Szeluga, U.; Pusz, S.; Kumanek, B.; Myalski, J.; Hekner, B.; Tsyntsarski, B. Carbon foam based on epoxy/novolac precursor as porous micro-filler of epoxy composites. Compos. Part A Appl. Sci. Manuf. 2018, 105, 28–39. [Google Scholar] [CrossRef]
- Khan, M.; Tiehu, L.; Zhao, T.K.; Ali, Z.; Malik, A.; Khan, A. Effect of multi walled carbon nanotubes and diamond nanoparticles on the structure and properties of carbon foams. Diam. Relat. Mater. 2017, 79, 119–126. [Google Scholar] [CrossRef]
- Yang, S.; Wang, F.; Tang, Q.; Wang, P.; Xu, Z.; Liang, J. Utilization of ultra-light carbon foams for the purification of emulsified oil wastewater and their adsorption kinetics. Chem. Phys. 2019, 516, 139–146. [Google Scholar] [CrossRef]
- Tuinstra, F.; Koenig, J.L. Raman spectrum of graphite. J. Chem. Phys. 1970, 53, 1126–1130. [Google Scholar] [CrossRef]
- Ferrari, A.C. Raman spectroscopy of graphene and graphite: Disorder, electronephonon coupling, doping and nonadiabatic effects. Solid State Commun. 2007, 143, 47–57. [Google Scholar] [CrossRef]
- Potgieter-Vermaak, S.; Maledi, N.; Wagner, N.; Van Heerden, J.H.P. Raman spectroscopy for the analysis of coal: A review. J. Raman Spectrosc. 2011, 42, 123–129. [Google Scholar] [CrossRef]
- Pang, H.; Xu, L.; Yan, D.-X.; Li, Z.-M. Conductive polymer composites with segregated structures. Prog. Polym. Sci. 2014, 39, 1908–1933. [Google Scholar] [CrossRef]
- Zhang, W.; Dehghani-Sanij, A.A.; Blackburn, R.S. Carbon based conductive polymer composites. J. Mater. Sci. 2007, 42, 3408–3418. [Google Scholar] [CrossRef]
- Tripathi, S.N.; Rao, S.G.S.; Mathurb, A.B.; Jasrab, R. Polyolefin/graphene nanocomposites: A review. RSC Adv. 2017, 7, 23615–23632. [Google Scholar] [CrossRef]
- Eun, J.; Kim, D.; Jang, I.; Sung, S.; Kim, M.; Choi, B.; Kang, S.; Kim, M.; Lee, J. A study on mechanical properties and thermal properties of UHMWPE/MWCNT composite fiber with MWCNT content and draw ratio. J. Eng. Fibers Fabr. 2022, 17, 15589250221108484. [Google Scholar] [CrossRef]
- Guo, Y.; Cao, C.; Cheng, H.; Chen, Q.; Huang, B.; Luo, F.; Qian, Q. Thermal performances of UHMWPE/BN composites obtained from different blending methods. Adv. Polym. Technol. 2019, 2019, 8687450. [Google Scholar] [CrossRef]
- Khalil, Y.; Hopkinson, N.; Kowalski, A.; Fairclough, J. Investigating the feasibility of processing activated carbon/uhmwpe polymer composite using laser powder bed fusion. Polymers 2022, 14, 3320. [Google Scholar] [CrossRef]
- Khasraghi, S.; Rezaei, M. Preparation and characterization of UHMWPE/HDPE/MWCNT melt-blended nanocomposites. J. Thermopl. Comp. Mater. 2015, 28, 305–326. [Google Scholar] [CrossRef]
- Rocha, L.; Cordeiro, S.; Ferreira, L.; Ramos, F.; Marques, M. Effect of carbon fillers in ultrahigh molecular weight polyethylene matrix prepared by twin-screw extrusion. Mater. Sci. Appl. 2016, 7, 863–881. [Google Scholar] [CrossRef]
- Vadivel, H.; Al-Maqdasi, Z.; Pupure, L.; Joffe, R.; Kalin, M.; Emami, N. Time-dependent properties of newly developed multiscale UHMWPE composites. Polym. Test. 2022, 105, 107400–107415. [Google Scholar] [CrossRef]
- Bhusari, S.; Sharma, V.; Bose, S.; Basu, B. HDPE/UHMWPE hybrid nanocomposites with surface functionalized graphene oxide towards improved strength and cytocompatibility. J. R. Soc. Interface 2019, 16, 20180273–20180289. [Google Scholar] [CrossRef]
- Mahfuz, H.; Khan, M.; Leventouri, T.; Liarokapis, E. Investigation of MWCNT reinforcement on the strain hardening behavior of ultrahigh molecular weight polyethylene. J. Nanotechnol. 2011, 2011, 637395. [Google Scholar] [CrossRef]
- Salimon, A.; Statnik, E.; Zadorozhnyy, M.; Senatov, F.; Zherebtsov, D.; Safonov, A.; Korsunsky, A. Porous open-cell UHMWPE: Experimental study of structure and mechanical properties. Materials 2019, 12, 2195. [Google Scholar] [CrossRef]
- Grinev, V.; Krasheninnikov, V.; Zabolotnov, A.; Ladygina, T.; Brevnov, P.; Novokshonova, L.; Berlin, A. The Effect of filler type on the mechanical properties of composite materials based on ultra-high-molecular-weight polyethylene. Polym. Sci. Ser. D 2018, 11, 202–208. [Google Scholar] [CrossRef]
- Amini, M.; Ramazani, A.; Kheradmand, A. In-situ polymerization of UHMWPE using bi-supported ziegler-natta catalyst of MoS2 Oxide/MgCl2 (Ethoxide type)/TiCl4/TiBa: Study of thermo-mechanical properties of system. Int. J. New. Chem. 2019, 6, 87–108. [Google Scholar] [CrossRef]
- Vovchenko, L.; Matzui, L.; Oliynyk, V.; Launets, V.; Mamunya, Y.; Maruzhenko, O. Nanocarbon/polyethylene composites with segregated conductive network for electromagnetic interference shielding. Mol. Cryst. Liq. 2018, 672, 186–198. [Google Scholar] [CrossRef]
- Potts, J.R.; Dreyer, D.R.; Bielawski, C.W.; Ruoff, R.S. Graphene-based polymer nanocomposites. Polymer 2011, 52, 5–25. [Google Scholar] [CrossRef]
- Unterweger, C.; Ranzinger, M.; Duchoslav, J.; Piana, F.; Pasti, I.; Zeppetzauer, F.; Breitenbach, S.; Stifter, D.; Fürst, C. Electrically Conductive Biocomposites Based on Poly(3-hydroxybutyrate-co-3-hydroxyvalerate) and Wood-Derived Carbon Fillers. J. Compos. Sci. 2022, 6, 228. [Google Scholar] [CrossRef]
- Zhao, Y.; Jiang, T.; Wang, Y.; Wu, X.; Jiang, P.; Shi, S.; Sun, K.; Tang, B.; Li, W.; Yu, J. Study on preparation and properties of ultrahigh molecular weight polyethylene composites filled with different carbon materials. ACS Omega 2022, 7, 5547–5557. [Google Scholar] [CrossRef] [PubMed]
- Stauffer, D.; Aharony, A. Introduction to Percolation Theory; Taylor and Francis: London, UK, 1992. [Google Scholar]
- Szeluga, U.; Kumanek, B.; Trzebicka, B. Synergy in hybrid polymer/nanocarbon composites. A review. Compos. Part A 2015, 73, 204–231. [Google Scholar] [CrossRef]
- Du, J.; Cheng, H.-M. The fabrication, properties, and uses of graphene/polymer composites. Macromol. Chem. Phys. 2012, 213, 1060–1077. [Google Scholar] [CrossRef]
- Kim, K.H.; Jang, J.-U.; Yoo, G.Y.; Kim, S.H.; Oh, M.J.; Kim, S.Y. Enhanced electrical and thermal conductivities of polymer composites with a segregated network of graphene nanoplatelets. Materials 2023, 16, 5329. [Google Scholar] [CrossRef]















| Polymer Matrix | Coke Filler | Composite Label |
|---|---|---|
| UHMWPE | PET < 100 µm | PET-2 |
| PET~2 µm | PET-1 | |
| PET oxidized | PET-Hum | |
| CP < 100 µm | CP-2 | |
| CP~2 µm | CP-1 | |
| CP oxidized | CP-Hum |
| Element (wt.%) | PET | CP |
|---|---|---|
| Carbon | 93.70 | 95.98 |
| Hydrogen | traces | traces |
| Oxygen nitrogen | 0.45 | 0.29 |
| Oxygen * | 5.85 | 3.73 |
| True density (g/cm3) | 1.9768 | 2.0340 |
| La | Lc | d(002) | |
|---|---|---|---|
| PET | 73 | 11 | 0.348 |
| CP | 54 | 10 | 0.346 |
| PET | CP | Interpretation of FTIR Bands |
|---|---|---|
| 878 cm−1 | 875 cm−1 | Ortho-substitution of aromatic bending C-H (700–900 cm−1) Benzene rings, more hydrophobic than oxygen functional groups (867 cm−1) |
| 1237 cm−1 | - | C-O stratching and O-H bending vibration (1100–1300 cm−1) -C-O (1224 cm−1) C-O-C (1300–1150 cm−1) Aliphatic CHx bending (1100–1300 cm−1) |
| 1385 cm−1 | 1385 cm−1 | COO (1382 cm−1) Alkane functional group with medium C-H aliphatic bending (1385 cm−1) |
| - | 1447 cm−1 | C=C aromatics Methylene bending vibration (1432 cm−1) Bending of aliphatic C-H band (1450–1370 cm−1) C=C stretching of aromatic ring (1431–1505 cm−1) |
| - | 1628 cm−1 | C=O carbonyl group (1700–1600 cm−1) |
| 3480 cm−1 | 3480 cm−1 | NH/OH/COOH (3480 cm−1) |
| Element (wt.%) | PET-2 | PET-1 | PET Hum | CP-2 | CP-1 | CP Hum |
|---|---|---|---|---|---|---|
| Carbon | 93.34 | 92.48 | 84.40 | 95.55 | 95.34 | 62.84 |
| Oxygen | 6.46 | 7.21 | 15.09 | 3.83 | 4.56 | 34.85 |
| Others | 0.20 | 0.31 | 0.51 | 0.62 | 0.10 | 2.31 |
| C/O ratio | 14.45 | 12.83 | 5.60 | 24.95 | 20.91 | 1.80 |
| Polymer | Filler | Particle Size | Filler Concentration | Electrical Conductivity σ (S/cm) | Reference |
|---|---|---|---|---|---|
| UHMWPE | NG | - | 5 phr | ~10–15 | [76] |
| CNT | - | 5 phr, 20 phr | 2.0 × 10−4, 1.03 × 10−2 | ||
| rGO | - | 5 phr | 2.4 × 10−5 | ||
| UHMWPE | Anthracite | 5 μm | 20 vol.% | 3.0 × 10−2 | [45] |
| Graphene | XY—<10 μm, Z—<3 layers | 2 vol.% | 1.0 × 10−2 | ||
| TEG | cells 5–10 μm, walls 40–80 nm | 5 vol.% | 2.6 × 10−2 | ||
| Epoxy | EG | Lateral size < 106 μm | 16 mass% | 1 × 10−1 | [3] |
| GNP | Lateral size < 14 μm | 2 mass% | 3.6 × 10−4 | ||
| thickness 10–20 nm | |||||
| GO | Avg. lateral area 191.3 μm2 | 2 mass% | 10–12 | ||
| rGO | Lateral size ~10 μm | 5 mass% | 7.8 × 10−7 | ||
| UHMWPE | Graphene | - | 1.5 mass% | ~10−3 | [61] |
| UHMWPE | Graphene | - | 1.0 mass% | ~10−2 | |
| PP | GO | - | 4.9 mass% | 3 × 10−3 | |
| UHMWPE | rGO | - | 4.0 mass% | 7.1 × 10−2 | |
| PE | Graphene | - | - | 2.7 × 10−3 | [73] |
| CB | - | - | 8.7 × 10−3 | ||
| CNTs | - | - | 7.7 × 10−3 | ||
| poly(3-hydroxybutyrate-co-3-hydroxyvalerate) | Carbonized cellulose | - | 20 vol.% | 6.9 × 10−1 | [75] |
| Carbonized wood | - | 10 vol.% | 3.7 × 10−12 | ||
| UHMWPE | CP coke | ~2 µm | 10 vol.% | 3.2 × 10−3 | [this work] |
| CP coke | <100 µm | 10 vol.% | 5.2 × 10−8 | ||
| PET coke | ~2 µm | 10 vol.% | 3.5 × 10−4 |
Disclaimer/Publisher’s Note: The statements, opinions and data contained in all publications are solely those of the individual author(s) and contributor(s) and not of MDPI and/or the editor(s). MDPI and/or the editor(s) disclaim responsibility for any injury to people or property resulting from any ideas, methods, instructions or products referred to in the content. |
© 2024 by the authors. Licensee MDPI, Basel, Switzerland. This article is an open access article distributed under the terms and conditions of the Creative Commons Attribution (CC BY) license (https://creativecommons.org/licenses/by/4.0/).
Share and Cite
Mamunya, Y.; Misiura, A.; Godzierz, M.; Pusz, S.; Szeluga, U.; Olszowska, K.; Wróbel, P.S.; Hercog, A.; Kobyliukh, A.; Pylypenko, A. Polymer Composites with Carbon Fillers Based on Coal Pitch and Petroleum Pitch Cokes: Structure, Electrical, Thermal, and Mechanical Properties. Polymers 2024, 16, 741. https://doi.org/10.3390/polym16060741
Mamunya Y, Misiura A, Godzierz M, Pusz S, Szeluga U, Olszowska K, Wróbel PS, Hercog A, Kobyliukh A, Pylypenko A. Polymer Composites with Carbon Fillers Based on Coal Pitch and Petroleum Pitch Cokes: Structure, Electrical, Thermal, and Mechanical Properties. Polymers. 2024; 16(6):741. https://doi.org/10.3390/polym16060741
Chicago/Turabian StyleMamunya, Yevgen, Andrii Misiura, Marcin Godzierz, Sławomira Pusz, Urszula Szeluga, Karolina Olszowska, Paweł S. Wróbel, Anna Hercog, Anastasiia Kobyliukh, and Andrii Pylypenko. 2024. "Polymer Composites with Carbon Fillers Based on Coal Pitch and Petroleum Pitch Cokes: Structure, Electrical, Thermal, and Mechanical Properties" Polymers 16, no. 6: 741. https://doi.org/10.3390/polym16060741
APA StyleMamunya, Y., Misiura, A., Godzierz, M., Pusz, S., Szeluga, U., Olszowska, K., Wróbel, P. S., Hercog, A., Kobyliukh, A., & Pylypenko, A. (2024). Polymer Composites with Carbon Fillers Based on Coal Pitch and Petroleum Pitch Cokes: Structure, Electrical, Thermal, and Mechanical Properties. Polymers, 16(6), 741. https://doi.org/10.3390/polym16060741

