Carbon Nanotubes—Potent Carriers for Targeted Drug Delivery in Rheumatoid Arthritis
Abstract
1. Introduction
2. Materials and Methods
2.1. Reagents
2.2. siRNA Synthesis
2.3. Solubilization of Nanotubes
2.4. UV-Vis to Estimate DSPE-PEG-NH2 Loading
2.5. MTX Coupling
2.6. PEI Coupling to Carboxyl-SWCNTs
2.7. Cy5.5 Conjugation to SWCNTs
2.8. siRNA Attachment
2.9. Nanotube Conjugates Incubation with Human Blood
2.10. In Vivo Study in Mice
2.11. Flow Cytometry Staining and Analysis in Human Blood
2.12. SEM Studies
2.13. In Vitro Studies
3. Results
3.1. PEGylating of Carbon Nanotubes
3.2. MTX Loading of Carbon Nanotubes
3.3. siRNA Attachment
3.4. Study in Mice
3.5. SWCNT Study in Human Whole Blood
3.6. Bone Marrow Study
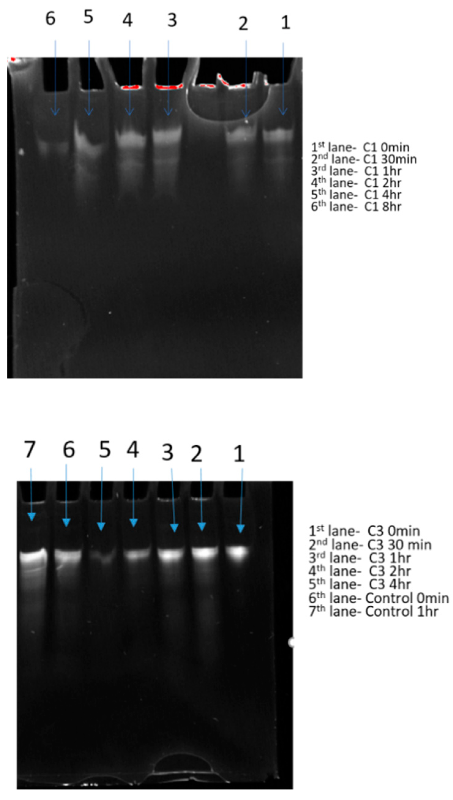
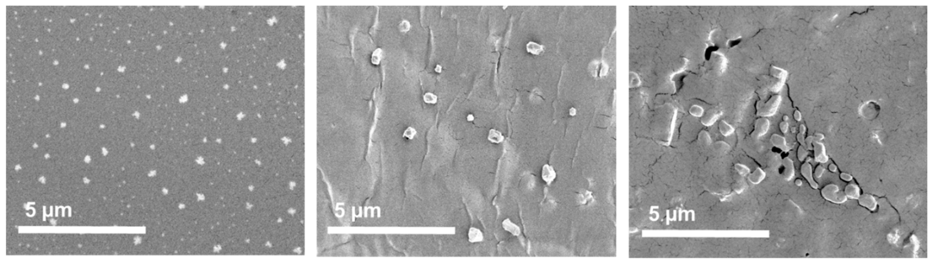
3.7. In Vitro siRNA Stability and SEM
4. Discussion
5. Conclusions
Supplementary Materials
Author Contributions
Funding
Institutional Review Board Statement
Informed Consent Statement
Data Availability Statement
Acknowledgments
Conflicts of Interest
References
- Smolen, J.S.; Aletaha, D.; McInnes, I.B. Rheumatoid arthritis. Lancet 2016, 388, 2023–2038. [Google Scholar] [CrossRef]
- Yarwood, A.; Huizinga, T.W.J.; Worthington, J. The genetics of rheumatoid arthritis: Risk and protection in different stages of the evolution of RA: Table 1. Rheumatology 2014, 55, 199–209. [Google Scholar] [CrossRef]
- Kalliolias, G.D.; Ivashkiv, L.B. TNF biology, pathogenic mechanisms and emerging therapeutic strategies. Nat. Rev. Rheumatol. 2016, 12, 49–62. [Google Scholar] [CrossRef]
- Smolen, J.S.; Landewé, R.; Bijlsma, J.W.J.; Burmester, G.R.; Chatzidionysiou, K.; Dougados, M.; Nam, J.L.; Ramiro, S.; Voshaar, M.; Van Vollenhoven, R.F.; et al. EULAR recommendations for the management of rheumatoid arthritis with synthetic and biological disease-modifying antirheumatic drugs: 2016 update. Ann. Rheum. Dis. 2017, 76, 960–977. [Google Scholar] [CrossRef] [PubMed]
- Gaujoux-Viala, C.; Nam, J.; Ramiro, S.; Landewé, R.; Buch, M.H.; Smolen, J.S.; Gossec, L. Efficacy of conventional synthetic disease-modifying antirheumatic drugs, glucocorticoids and tofacitinib: A systematic literature review informing the 2013 update of the EULAR recommendations for management of rheumatoid arthritis. Ann. Rheum. Dis. 2014, 73, 510–515. [Google Scholar] [CrossRef]
- Nam, J.; Winthrop, K.; Van Vollenhoven, R.; Pavelka, K.; Valesini, G.; Hensor, E.; Worthy, G.; Landewe, R.; Smolen, J.; Emery, P.; et al. Current evidence for the management of rheumatoid arthritis with biological disease-modifying antirheumatic drugs: A systematic literature review informing the EULAR recommendations for the management of RA. Ann. Rheum. Dis. 2010, 69, 976–986. [Google Scholar] [CrossRef]
- Cronstein, B.N.; Aune, T.M. Methotrexate and its mechanisms of action in inflammatory arthritis. Nat. Rev. Rheumatol. 2020, 16, 145–154. [Google Scholar] [CrossRef]
- Romão, V.C.; Lima, A.; Bernardes, M.; Canhão, H.; Fonseca, J.E. Three decades of low-dose methotrexate in rheumatoid arthritis: Can we predict toxicity? Immunol. Res. 2014, 60, 289–310. [Google Scholar] [CrossRef] [PubMed]
- Burmester, G.R.; Kaeley, G.S.; Kavanaugh, A.F.; Gabay, C.; MacCarter, D.K.; Nash, P.; Takeuchi, T.; Goss, S.L.; Rodila, R.; Chen, K.; et al. Treatment efficacy and methotrexate-related toxicity in patients with rheumatoid arthritis receiving methotrexate in combination with adalimumab. RMD Open 2017, 3, e000465. [Google Scholar] [CrossRef] [PubMed]
- Howard, S.C.; McCormick, J.; Pui, C.; Buddington, R.K.; Harvey, R.D. Preventing and Managing Toxicities of High-Dose Methotrexate. Oncologist 2016, 21, 1471–1482. [Google Scholar] [CrossRef]
- Dolati, S.; Sadreddini, S.; Rostamzadeh, D.; Ahmadi, M.; Jadidi-Niaragh, F.; Yousefi, M. Utilization of nanoparticle technology in rheumatoid arthritis treatment. Biomed. Pharmacother. 2016, 80, 30–41. [Google Scholar] [CrossRef]
- Qi, R.; Majoros, I.; Misra, A.C.; Koch, A.E.; Campbell, P.; Marotte, H.; Bergin, I.L.; Cao, Z.; Goonewardena, S.; Morry, J.; et al. Folate Receptor-Targeted Dendrimer-Methotrexate Conjugate for Inflammatory Arthritis. J. Biomed. Nanotechnol. 2015, 11, 1431–1441. [Google Scholar] [CrossRef]
- Garg, N.K.; Tyagi, R.K.; Singh, B.; Sharma, G.; Nirbhavane, P.; Kushwah, V.; Jain, S.; Katare, O.P. Nanostructured lipid carrier mediates effective delivery of methotrexate to induce apoptosis of rheumatoid arthritis via NF-κB and FOXO1. Int. J. Pharm. 2016, 499, 301–320. [Google Scholar] [CrossRef]
- Samorì, C.; Ali-Boucetta, H.; Sainz, R.; Guo, C.; Toma, F.M.; Fabbro, C.; Da Ros, T.; Prato, M.; Kostarelos, K.; Bianco, A. Enhanced anticancer activity of multi-walled carbon nanotube–methotrexate conjugates using cleavable linkers. Chem. Commun. 2010, 46, 1494–1496. [Google Scholar] [CrossRef] [PubMed]
- Kumar, S.; Rani, R.; Dilbaghi, N.; Tankeshwar, K.; Kim, K.-H. Carbon nanotubes: A novel material for multifaceted applications in human healthcare. Chem. Soc. Rev. 2017, 46, 158–196. [Google Scholar] [CrossRef] [PubMed]
- Son, K.H.; Hong, J.H.; Lee, J.W. Carbon nanotubes as cancer therapeutic carriers and mediators. Int. J. Nanomed. 2016, 11, 5163–5185. [Google Scholar] [CrossRef] [PubMed]
- Sacchetti, C.; Liu-Bryan, R.; Magrini, A.; Rosato, N.; Bottini, N.; Bottini, M. Polyethylene-Glycol-Modified Single-Walled Carbon Nanotubes for Intra-Articular Delivery to Chondrocytes. ACS Nano 2014, 8, 12280–12291. [Google Scholar] [CrossRef]
- Aldayel, A.M.; Naguib, Y.W.; O’Mary, H.L.; Li, X.; Niu, M.; Ruwona, T.B.; Cui, Z. Acid-Sensitive Sheddable PEGylated PLGA Nanoparticles Increase the Delivery of TNF-α siRNA in Chronic Inflammation Sites. Mol. Ther. Nucleic Acids 2016, 5, e340. [Google Scholar] [CrossRef]
- Wang, Q.; Jiang, H.; Li, Y.; Chen, W.; Li, H.; Peng, K.; Zhang, Z.; Sun, X. Targeting NF-kB signaling with polymeric hybrid micelles that co-deliver siRNA and dexamethasone for arthritis therapy. Biomaterials 2017, 122, 10–22. [Google Scholar] [CrossRef]
- Nakazawa, M.; Ishii, H.; Aono, H.; Takai, M.; Honda, T.; Aratani, S.; Fukamizu, A.; Nakamura, H.; Yoshino, S.-I.; Kobata, T.; et al. Role of notch-1 intracellular domain in activation of rheumatoid synoviocytes. Arthritis Rheum. 2001, 44, 1545–1554. [Google Scholar] [CrossRef]
- Yabe, Y.; Matsumoto, T.; Tsurumoto, T.; Shindo, H. Immunohistological localization of Notch receptors and their ligands Delta and Jagged in synovial tissues of rheumatoid arthritis. J. Orthop. Sci. 2005, 10, 589–594. [Google Scholar] [CrossRef] [PubMed]
- Ando, K.; Kanazawa, S.; Tetsuka, T.; Ohta, S.; Jiang, X.; Tada, T.; Kobayashi, M.; Matsui, N.; Okamoto, T. Induction of Notch signaling by tumor necrosis factor in rheumatoid synovial fibroblasts. Oncogene 2003, 22, 7796–7803. [Google Scholar] [CrossRef]
- Sun, W.; Zhang, H.; Wang, H.; Chiu, Y.G.; Wang, M.; Ritchlin, C.T.; Kiernan, A.; Boyce, B.F.; Xing, L. Targeting Notch-Activated M1 Macrophages Attenuates Joint Tissue Damage in a Mouse Model of Inflammatory Arthritis. J. Bone Miner. Res. 2017, 32, 1469–1480. [Google Scholar] [CrossRef]
- Park, J.-S.; Kim, S.-H.; Kim, K.; Jin, C.-H.; Choi, K.Y.; Jang, J.; Choi, Y.; Gwon, A.-R.; Baik, S.-H.; Yun, U.J.; et al. Inhibition of Notch signalling ameliorates experimental inflammatory arthritis. Ann. Rheum. Dis. 2015, 74, 267–274. [Google Scholar] [CrossRef] [PubMed]
- Choi, B.Y.; Choi, Y.; Park, J.-S.; Kang, L.-J.; Baek, S.H.; Park, J.S.; Bahn, G.; Cho, Y.; Kim, H.K.; Han, J.; et al. Inhibition of Notch1 induces population and suppressive activity of regulatory T cell in inflammatory arthritis. Theranostics 2018, 8, 4795–4804. [Google Scholar] [CrossRef]
- Nie, H.; Guo, W.; Yuan, Y.; Dou, Z.; Shi, Z.; Liu, Z.; Wang, H.; Liu, Y. PEGylation of double-walled carbon nanotubes for increasing their solubility in water. Nano Res. 2010, 3, 103–109. [Google Scholar] [CrossRef]
- Hadidi, N.; Kobarfard, F.; Nafissi-Varcheh, N.; Aboofazeli, R. PEGylated Single-Walled Carbon Nanotubes as Nanocarriers for Cyclosporin A Delivery. AAPS PharmSciTech 2013, 14, 593–600. [Google Scholar] [CrossRef]
- Liu, Z.; Tabakman, S.; Welsher, K.; Dai, H. Carbon nanotubes in biology and medicine: In vitro and in vivo detection, imaging and drug delivery. Nano Res. 2009, 2, 85–120. [Google Scholar] [CrossRef]
- Ditzel, H.J. The K/BxN mouse: A model of human inflammatory arthritis. Trends Mol. Med. 2004, 10, 40–45. [Google Scholar] [CrossRef] [PubMed]
- Khatri, S.; Hansen, J.; Mendes, A.C.; Chronakis, I.S.; Hung, S.-C.; Mellins, E.D.; Astakhova, K. Citrullinated Peptide Epitope Targets Therapeutic Nanoparticles to Human Neutrophils. Bioconjugate Chem. 2019, 30, 2584–2593. [Google Scholar] [CrossRef]
- Hong, G.; Dai, H. In Vivo Fluorescence Imaging in the Second Near-Infrared Window Using Carbon Nanotubes. In Methods in Molecular Biology; Humana Press Inc.: Clifton, NJ, USA, 2016; Volume 1444, pp. 167–181. [Google Scholar] [CrossRef]
- Zhang, M.; Yue, J.; Cui, R.; Ma, Z.; Wan, H.; Wang, F.; Zhu, S.; Zhou, Y.; Kuang, Y.; Zhong, Y.; et al. Bright quantum dots emitting at ~1600 nm in the NIR-IIb window for deep tissue fluorescence imaging. Proc. Natl. Acad. Sci. USA 2018, 115, 6590–6595. [Google Scholar] [CrossRef] [PubMed]
- Sandoval, S.; Kierkowicz, M.; Pach, E.; Ballesteros, B.; Tobias, G. Determination of the length of single-walled carbon nanotubes by scanning electron microscopy. MethodsX 2018, 5, 1465–1472. [Google Scholar] [CrossRef] [PubMed]
- Salam, M.A.; Burk, R. Synthesis and characterization of multi-walled carbon nanotubes modified with octadecylamine and polyethylene glycol. Arab. J. Chem. 2017, 10, S921–S927. [Google Scholar] [CrossRef]
- Rance, G.A.; Marsh, D.H.; Nicholas, R.J.; Khlobystov, A.N. UV–vis absorption spectroscopy of carbon nanotubes: Relationship between the π-electron plasmon and nanotube diameter. Chem. Phys. Lett. 2010, 493, 19–23. [Google Scholar] [CrossRef]
- Welsher, K.; Liu, Z.; Sherlock, S.P.; Robinson, J.T.; Chen, Z.; Daranciang, D.; Dai, H. A route to brightly fluorescent carbon nanotubes for near-infrared imaging in mice. Nat. Nanotechnol. 2009, 4, 773–780. [Google Scholar] [CrossRef]
- Weissleder, R.; Nahrendorf, M.; Pittet, M.J. Imaging macrophages with nanoparticles. Nat. Mater. 2014, 13, 125–138. [Google Scholar] [CrossRef]
- Zhao, Y.; Guo, Y.; Li, R.; Wang, T.; Han, M.; Zhu, C.; Wang, X. Methotrexate Nanoparticles Prepared with Codendrimer from Polyamidoamine (PAMAM) and Oligoethylene Glycols (OEG) Dendrons: Antitumor Efficacy in Vitro and in Vivo. Sci. Rep. 2016, 6, 28983. [Google Scholar] [CrossRef]
- Kayat, J.; Mehra, N.K.; Gajbhiye, V.; Jain, N.K. Drug targeting to arthritic region via folic acid appended surface-engineered multi-walled carbon nanotubes. J. Drug Target. 2015, 24, 318–327. [Google Scholar] [CrossRef]
- Tchaplyguine, M.; Mikkelä, M.-H.; Mårsell, E.; Polley, C.; Mikkelsen, A.; Zhang, W.; Yartsev, A.; Hetherington, C.J.D.; Wallenberg, L.R.; Björneholm, O. Metal-passivated PbS nanoparticles: Fabrication and characterization. Phys. Chem. Chem. Phys. 2017, 19, 7252–7261. [Google Scholar] [CrossRef]
- Moss, K.H.; Popova, P.; Hadrup, S.R.; Astakhova, K.; Taskova, M. Lipid Nanoparticles for Delivery of Therapeutic RNA Oligonucleotides. Mol. Pharm. 2019, 16, 2265–2277. [Google Scholar] [CrossRef]
- Nosrati, H.; Salehiabar, M.; Davaran, S.; Danafar, H.; Manjili, H.K. Methotrexate-conjugated L-lysine coated iron oxide magnetic nanoparticles for inhibition of MCF-7 breast cancer cells. Drug Dev. Ind. Pharm. 2017, 44, 886–894. [Google Scholar] [CrossRef]
- Lee, D.-J.; Kessel, E.; Edinger, D.; He, D.; Klein, P.M.; Von Voithenberg, L.V.; Lamb, D.C.; Lächelt, U.; Lehto, T.; Wagner, E. Dual antitumoral potency of EG5 siRNA nanoplexes armed with cytotoxic bifunctional glutamyl-methotrexate targeting ligand. Biomaterials 2016, 77, 98–110. [Google Scholar] [CrossRef] [PubMed]
- Astakhova, I.V.; Ustinov, A.V.; Korshun, V.A.; Wengel, J. LNA for Optimization of Fluorescent Oligonucleotide Probes: Improved Spectral Properties and Target Binding. Bioconjugate Chem. 2011, 22, 533–539. [Google Scholar] [CrossRef] [PubMed]
- Astakhova, I.K.; Pasternak, K.; Campbell, M.A.; Gupta, P.; Wengel, J. A Locked Nucleic Acid-Based Nanocrawler: Designed and Reversible Movement Detected by Multicolor Fluorescence. J. Am. Chem. Soc. 2013, 135, 2423–2426. [Google Scholar] [CrossRef] [PubMed]
- Taskova, M.; Mantsiou, A.; Astakhova, K. Synthetic Nucleic Acid Analogues in Gene Therapy: An Update for Peptide-Oligonucleotide Conjugates. ChemBioChem 2017, 18, 1671–1682. [Google Scholar] [CrossRef]
- Kumar, T.S.; Myznikova, A.; Samokhina, E.; Astakhova, I.K. Rapid genotyping using pyrene−perylene locked nucleic acid complexes. Artif. DNA PNA XNA 2013, 4, 58–68. [Google Scholar] [CrossRef]
- Kavosi, A.; Noei, S.H.G.; Madani, S.; Khalighfard, S.; Khodayari, S.; Khodayari, H.; Mirzaei, M.; Kalhori, M.R.; Yavarian, M.; Alizadeh, A.M.; et al. The toxicity and therapeutic effects of single-and multi-wall carbon nanotubes on mice breast cancer. Sci. Rep. 2018, 8, 1–12. [Google Scholar] [CrossRef]
- Cirillo, G.; Vittorio, O.; Kunhardt, D.; Valli, E.; Voli, F.; Farfalla, A.; Curcio, M.; Spizzirri, U.G.; Hampel, S. Combining Carbon Nanotubes and Chitosan for the Vectorization of Methotrexate to Lung Cancer Cells. Materials 2019, 12, 2889. [Google Scholar] [CrossRef]






| Name | Nanotube | PEG/EE% | PEI | RNA Attachment/Efficiency (%) | Drug/CE% |
|---|---|---|---|---|---|
| C1 | HiPco-SWCNT | mPEG-DSPE, DSPE-PEG-NH2/52% | - | siRNA/97% | MTX/79% |
| C2 | HiPco-SWCNT | mPEG-DSPE, DSPE-PEG-NH2 | - | siRNA/91% | - |
| C3 | HiPco-SWCNT | mPEG-DSPE, DSPE-PEG-NH2 | - | sc siRNA/93% | MTX/78% |
| C4 | HiPco-SWCNT | mPEG-DSPE, DSPE-PEG-NH2 | - | sc siRNA/90% | - |
| C5 | HiPco-SWCNT | mPEG-DSPE, DSPE-PEG-NH2 | - | - | MTX/77% |
| C6 | HiPco-SWCNT | mPEG-DSPE, DSPE-PEG-NH2 | - | - | - |
| C7 | Carboxyl-SWCNT | mPEG-DSPE, DSPE-PEG-NH2 | PEI | siRNA/91% | MTX/78% |
| C8 | Carboxyl-SWCNT | mPEG-DSPE, DSPE-PEG-NH2 | - | siRNA/98% | - |
| C9 | Carboxyl-SWCNT | mPEG-DSPE, DSPE-PEG-NH2 | PEI | sc siRNA/90% | MTX/71% |
| C10 | Carboxyl-SWCNT | mPEG-DSPE, DSPE-PEG-NH2 | - | sc siRNA/87% | - |
| C11 | Carboxyl-SWCNT | mPEG-DSPE, DSPE-PEG-NH2 | - | - | MTX/83% |
| C12 | Carboxyl-SWCNT | mPEG-DSPE, DSPE-PEG-NH2 | - | - | - |
| Name | Sequence | Purity (%) | Yield (%) |
|---|---|---|---|
| NOCH1_s | 5′-r(ACUAUGCUCGUUCAACUUCCCmUmU)-3ʹ | 90 | 10 |
| NOCH1_as | 5′-r(GGGAAGUUGAACGAGCAUAGUmUmU)-3′ | 94 | 4 |
| sc_s | 5′-r(AUGAUCCACGUUCUUUCACCCmUmU)-3′ | 94 | 5 |
| sc_as | 5′-r(GGGUGAAAGAACGUGGAUCAUmUmU)-3′ | 99 | 5 |
| Applied Conjugate | C1 (Amount of siRNA Released (µg)/Release%) | C3 (Amount of siRNA Released (µg)/Release%) | Control Naked siRNA (µg/Release%) |
|---|---|---|---|
| Time Points | |||
| 0 min | 1.36 (91%) | 1.28 (85%) | 0.96 (64%) |
| 30 min | 1.2 (80%) | 0.8 (53%) | 0.8 (53%) |
| 1 h | 0.72 (48%) | 0.64 (43%) | nd |
| 2 h | 0.64 (43%) | 0.4 (27%) | nd |
| 4 h | 0.24 (16%) | 0.16 (11%) | nd |
| 8 h | 0.16 (11%) | nd | nd |
| Product | Average Diameter Size/nm | PDI |
|---|---|---|
| Solubilized HiPco-SWCNT | 343.5 ± 42.58 | 0.015 |
| C1 | 518.8 ± 114.64 | 0.049 |
| C3 | 407.67 ± 120.21 | 0.087 |
Publisher’s Note: MDPI stays neutral with regard to jurisdictional claims in published maps and institutional affiliations. |
© 2021 by the authors. Licensee MDPI, Basel, Switzerland. This article is an open access article distributed under the terms and conditions of the Creative Commons Attribution (CC BY) license (http://creativecommons.org/licenses/by/4.0/).
Share and Cite
Kofoed Andersen, C.; Khatri, S.; Hansen, J.; Slott, S.; Pavan Parvathaneni, R.; Mendes, A.C.; Chronakis, I.S.; Hung, S.-C.; Rajasekaran, N.; Ma, Z.; et al. Carbon Nanotubes—Potent Carriers for Targeted Drug Delivery in Rheumatoid Arthritis. Pharmaceutics 2021, 13, 453. https://doi.org/10.3390/pharmaceutics13040453
Kofoed Andersen C, Khatri S, Hansen J, Slott S, Pavan Parvathaneni R, Mendes AC, Chronakis IS, Hung S-C, Rajasekaran N, Ma Z, et al. Carbon Nanotubes—Potent Carriers for Targeted Drug Delivery in Rheumatoid Arthritis. Pharmaceutics. 2021; 13(4):453. https://doi.org/10.3390/pharmaceutics13040453
Chicago/Turabian StyleKofoed Andersen, Camilla, Sangita Khatri, Jonas Hansen, Sofie Slott, Rohith Pavan Parvathaneni, Ana C. Mendes, Ioannis S. Chronakis, Shu-Chen Hung, Narendiran Rajasekaran, Zhuoran Ma, and et al. 2021. "Carbon Nanotubes—Potent Carriers for Targeted Drug Delivery in Rheumatoid Arthritis" Pharmaceutics 13, no. 4: 453. https://doi.org/10.3390/pharmaceutics13040453
APA StyleKofoed Andersen, C., Khatri, S., Hansen, J., Slott, S., Pavan Parvathaneni, R., Mendes, A. C., Chronakis, I. S., Hung, S.-C., Rajasekaran, N., Ma, Z., Zhu, S., Dai, H., Mellins, E. D., & Astakhova, K. (2021). Carbon Nanotubes—Potent Carriers for Targeted Drug Delivery in Rheumatoid Arthritis. Pharmaceutics, 13(4), 453. https://doi.org/10.3390/pharmaceutics13040453

