Investigation of a Gas Hydrate Dissociation-Energy-Based Quick-Freezing Treatment for Sludge Cell Lysis and Dewatering
Abstract
1. Introduction
2. Materials and Methods
2.1. Preparation of the Sewage Sludge
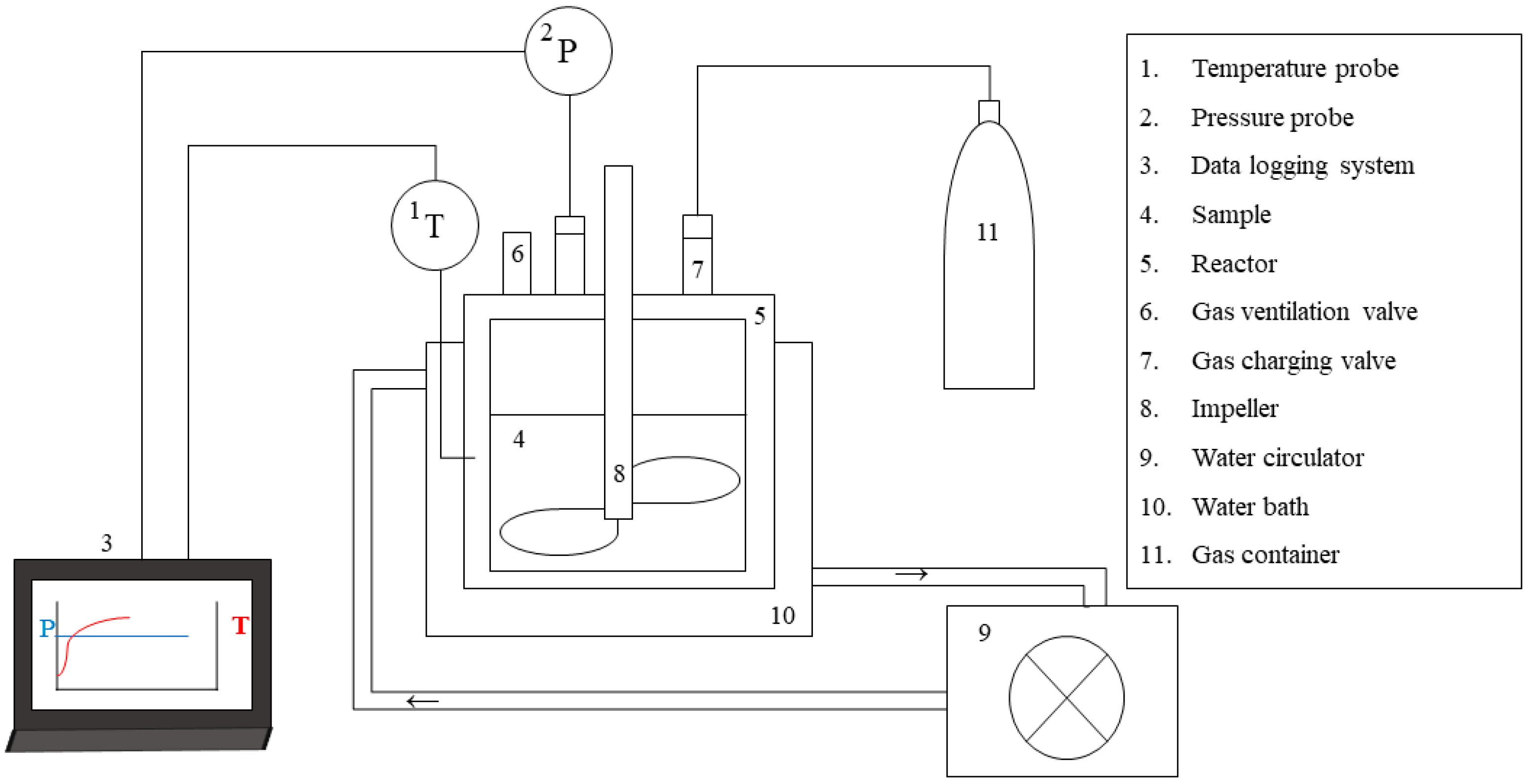
2.2. Gas Hydrate Dissociation-Energy-Based Quick-Freezing Process (HbQF)
2.3. Analysis of Leachate and Sludge
2.3.1. Effect of HbQF on Leachate Characteristics and Cell Viability
2.3.2. Effect of HbQF on the Rheology and Particle Size Distribution of the Sewage Sludge
2.3.3. Effect of HbQF on Sewage Sludge Water Content
2.3.4. Resistance Analysis
2.4. Release of Organic Materials by HbQF
- (a)
- Step 1: After 30 g of a sludge sample was centrifuged (2000× g, 15 min, 20 °C), 0.2 g of aluminum sulfate (Al2(SO4)3, 98%, Sigma-Aldrich, St. Louis, MO, USA) was added, and the mixture was centrifuged (2000× g, 30 min, 20 °C). The supernatant was separated and filtered using a 0.45-μm polytetrafluorethylene-H (PTFE-H) syringe filter (SH25P045N, Hyundai micro CO. LTD, Seoul, Korea). The filtrate was termed Alum.
- (b)
- Step 2: Adding phosphate buffered saline (PBS; pH 7.4) into the remaining pellet (from Step 1) to 30 g, the mixture was mixed using a vortex. Then, it was centrifuged (5000× g, 30 min, 20 °C). The supernatant was separated and filtered using a 0.45-μm syringe filter. The filtrate was termed Centrifuge 5000× g.
- (c)
- Step 3: Adding PBS into the remaining pellet (from Step 2) to 30 g, the mixture was mixed using the vortex mixer. Then, it was treated via Ultrasonication (288,000 W, 10 min) within ice to prevent the sludge heating. The treated sample was centrifuged (20,000× g, 20 min, 20 °C) and filtered using a 0.45-μm syringe filter. The filtrate was termed 1st Ultrasonication.
- (d)
- Step 4: Using the remaining pellet from Step 3, Step 3 was repeated. The supernatant was termed 2nd Ultrasonication.
3. Results and Discussion
3.1. Effect of HbQF on Sewage Sludge and Leachate Characteristics
3.1.1. Inactivation of Microbial Cells and Cell Lysis in a Sludge Sample
3.1.2. Changes in Rheology and Pore Size Distribution
3.1.3. Capillary Suction Time, Time to Filter, and Filtration Resistance
3.2. Effect on Dewaterability and the Release of Sludge Organic Materials.
4. Conclusions
- (a)
- Dissociation of CO2 gas hydrates rapidly freezes sewage sludge.
- (b)
- HbQF releases organic materials from sludge floc and microbial cells.
- (c)
- HbQF reduces cell viability by cell lysis.
- (d)
- HbQF followed by gravitational settling could be the solution to dewater sludge.
Author Contributions
Funding
Conflicts of Interest
References
- Chaeyoung, L.; Woojin, C.; Jitae, K. A Study on the Development Trends of Wastewater Sludge Treatment Technology. J. Korean Geo Environ. Soc. 2016, 17, 5–15. [Google Scholar]
- Our Oceans Are Not Giant Trash Cans. Available online: http://english.chosun.com/site/data/html_dir/2008/02/12/2008021261014.html (accessed on 29 August 2019).
- Kakii, K.; Nakatani, K.; Shirakashi, T.; Kuriyama, M. Extracellular polymers in relation to settling properties of activated sludge. J. Ferment. Bioeng. 1989, 68, 365–370. [Google Scholar] [CrossRef]
- Matsumoto, K.; Suganuma, A.; Kunui, D. The effect of cationic polymer on the settling characteristics of activated sludge. Powder Technol. 1980, 25, 1–10. [Google Scholar] [CrossRef]
- Mininni, G.; Passino, R.; Santori, M.; Spinosa, L. Sludge dewatering in a conventional plant with phosphorus removal-II: Study on centrifuge and filter-press performance. Water Res. 1985, 19, 151–156. [Google Scholar] [CrossRef]
- Kopp, J.; Dichtl, N. The Influence of Free Water Content on Sewage Sludge Dewatering. In Chemical Water and Wastewater Treatment VI: Proceedings of the 9th Gothenburg Symposium 2000, Istanbul, Turkey, 2–4 October 2000; Hahn, H.H., Hoffmann, E., Ødegaard, H., Eds.; Springer: Berlin/Heidelberg, Germany, 2000; pp. 347–356. [Google Scholar]
- Yuan, H.P.; Yan, X.F.; Yang, C.F.; Zhu, N.W. Enhancement of waste activated sludge dewaterability by electro-chemical pretreatment. J. Hazard. Mater. 2011, 187, 82–88. [Google Scholar] [CrossRef] [PubMed]
- Moghaddam, S.S.; Moghaddam, M.R.A.; Arami, M. Coagulation/flocculation process for dye removal using sludge from water treatment plant: Optimization through response surface methodology. J. Hazard. Mater. 2010, 175, 651–657. [Google Scholar] [CrossRef] [PubMed]
- Jiang, Z.Z.; Zhu, J.R. Cationic Polyacrylamide: Synthesis and Application in Sludge Dewatering Treatment. Asian J. Chem. 2014, 26, 629–633. [Google Scholar] [CrossRef]
- Liang, J.L.; Zhang, S.W.; Huang, J.J.; Huang, S.S.; Zheng, L.; Sun, S.Y.; Zhong, Z.Y.; Zhang, X.H.; Yu, X.Y. Comprehensive insights into the inorganic coagulants on sludge dewatering: Comparing aluminium and iron salts. J. Chem. Technol. Biotechnol. 2019, 94, 1534–1550. [Google Scholar] [CrossRef]
- Ding, N.; Peng, C.; Ren, Y.X.; Liu, Y.; Wang, P.; Dong, L.M.; Liu, H.; Wang, D. Improving the dewaterability of citric acid wastewater sludge by Fenton treatment. J. Clean. Prod. 2018, 196, 739–746. [Google Scholar] [CrossRef]
- Xu, X.Z.; Cao, D.; Wang, Z.H.; Liu, J.; Gao, J.; Sanchuan, M.L.; Wang, Z.J. Study on ultrasonic treatment for municipal sludge. Ultrason. Sonochem. 2019, 57, 29–37. [Google Scholar] [CrossRef]
- Zhang, J.; Zhang, J.; Tian, Y.; Li, N.; Kong, L.C.; Sun, L.; Yu, M.; Zuo, W. Changes of physicochemical properties of sewage sludge during ozonation treatment: Correlation to sludge dewaterability. Chem. Eng. J. 2016, 301, 238–248. [Google Scholar] [CrossRef]
- Liu, W.; Zhong, X.; Cheng, L.; Wang, J.; Sun, Y.Q.; Deng, Y.; Zhang, Z.T. Cellular and compositional insight into the sludge dewatering process using enzyme treatment. Environ. Sci. Pollut. Res. 2018, 25, 28942–28953. [Google Scholar] [CrossRef]
- Guo, S.; Qu, F.; Ding, A.; He, J.; Huarong, Y.; Bai, L.; Li, G.; Liang, H. Effects of agricultural waste based conditioner on ultrasonic-aided activated sludge dewatering. RSC Adv. 2015, 5. [Google Scholar] [CrossRef]
- Chen, Z.; Zhang, W.; Wang, D.; Ma, T.; Bai, R. Enhancement of activated sludge dewatering performance by combined composite enzymatic lysis and chemical re-flocculation with inorganic coagulants: Kinetics of enzymatic reaction and re-flocculation morphology. Water Res. 2015, 83, 367–376. [Google Scholar] [CrossRef]
- Liu, J.; Wei, Y.; Li, K.; Tong, J.; Wang, Y.; Jia, R. Microwave-acid pretreatment: A potential process for enhancing sludge dewaterability. Water Res. 2016, 90, 225–234. [Google Scholar] [CrossRef]
- Deng, W.; Li, X.; Yan, J.; Wang, F.; Chi, Y.; Cen, K. Moisture distribution in sludges based on different testing methods. J. Environ. Sci. 2011, 23, 875–880. [Google Scholar] [CrossRef]
- Wang, Q.; Fujisaki, K.; Ohsumi, Y.; Ogawa, H.I. Enhancement of dewaterability of thickened waste activated sludge by freezing and thawing treatment. J. Environ. Sci. Health A Toxic Hazard. Subst. Environ. Eng. 2001, 36, 1361–1371. [Google Scholar] [CrossRef]
- Han, S.W.; Kim, W.; Lee, Y.; Jun, B.M.; Kwon, Y.N. Investigation of Hydrate-induced Ice Desalination (HIID) and its application to a pretreatment of reverse osmosis (RO) process. Desalination 2016, 395 (Suppl. C), 8–16. [Google Scholar] [CrossRef]
- Yuan, D.; Wang, Y.; Qian, X. Variations of internal structure and moisture distribution in activated sludge with stratified extracellular polymeric substances extraction. Int. Biodeterior. Biodegrad. 2017, 116, 1–9. [Google Scholar] [CrossRef]
- Kim, E.H.; Dwidar, M.; Mitchell, R.J.; Kwon, Y.N. Assessing the effects of bacterial predation on membrane biofouling. Water Res. 2013, 47, 6024–6032. [Google Scholar] [CrossRef]
- Nielsen, S.S. Total Carbohydrate by Phenol-Sulfuric Acid Method. In Food Analysis Laboratory Manual; Springer International Publishing: Cham, Switzerland, 2017; pp. 137–141. [Google Scholar]
- Lowry, O.H.; Rosebrough, N.J.; Farr, A.L.; Randall, R.J. Protein measurement with the Folin phenol reagent. J. Biol. Chem. 1951, 193, 265–275. [Google Scholar]
- Kaye, G.W.C.; Laby, T.H. Tables of Physical and Chemical Constants, 15th ed.; John Wiley and Sons Inc: Hoboken, NJ, USA, 1986. [Google Scholar]
- Liu, Y.; Fang, H.H.P. Influences of Extracellular Polymeric Substances (EPS) on Flocculation, Settling, and Dewatering of Activated Sludge. Crit. Rev. Environ. Sci. Technol. 2003, 33, 237–273. [Google Scholar] [CrossRef]
- Raynaud, M.; Vaxelaire, J.; Olivier, J.; Dieudé-Fauvel, E.; Baudez, J.C. Compression dewatering of municipal activated sludge: Effects of salt and pH. Water Res. 2012, 46, 4448–4456. [Google Scholar] [CrossRef]
- Janmey, P.A.; Schliwa, M. Rheology. Curr. Biol. 2008, 18, R639–R641. [Google Scholar] [CrossRef]
- Ruiz-Hernando, M.; Labanda, J.; Llorens, J. Effect of ultrasonic waves on the rheological features of secondary sludge. Biochem. Eng. J. 2010, 52, 131–136. [Google Scholar] [CrossRef]
- Kim, E.H.; Dwidar, M.; Kwon, Y.N.; Mitchell, R.J. Pretreatment with alum or powdered activated carbon reduces bacterial predation-associated irreversible fouling of membranes. Biofouling 2014, 30, 1225–1233. [Google Scholar] [CrossRef]














| Sample Name | Control | N2 35 | CO2 10 | CO2 20 | CO2 35 |
|---|---|---|---|---|---|
| Pressure, bar | - | 35 | 10 | 20 | 35 |
| Guest molecule | - | N2 | CO2 | CO2 | CO2 |
| Temperature, °C | - | 0.2 | 0.2 | 0.2 | 0.2 |
| Stirring rate, rpm | - | 150 | 150 | 150 | 150 |
| Sample | Raw | Control | N2 35 | CO2 10 | CO2 20 | CO2 35 |
|---|---|---|---|---|---|---|
| Average, mV | −13.10 | −11.12 | −15.40 | −15.30 | −16.63 | −21.00 |
| Standard deviation, mV | 1.127 | 0.743 | 0.400 | 1.916 | 0.833 | 2.258 |
© 2019 by the authors. Licensee MDPI, Basel, Switzerland. This article is an open access article distributed under the terms and conditions of the Creative Commons Attribution (CC BY) license (http://creativecommons.org/licenses/by/4.0/).
Share and Cite
Kim, W.; Lee, H.K.; Kwon, Y.-N. Investigation of a Gas Hydrate Dissociation-Energy-Based Quick-Freezing Treatment for Sludge Cell Lysis and Dewatering. Int. J. Environ. Res. Public Health 2019, 16, 3611. https://doi.org/10.3390/ijerph16193611
Kim W, Lee HK, Kwon Y-N. Investigation of a Gas Hydrate Dissociation-Energy-Based Quick-Freezing Treatment for Sludge Cell Lysis and Dewatering. International Journal of Environmental Research and Public Health. 2019; 16(19):3611. https://doi.org/10.3390/ijerph16193611
Chicago/Turabian StyleKim, Woojeong, Hyung Kae Lee, and Young-Nam Kwon. 2019. "Investigation of a Gas Hydrate Dissociation-Energy-Based Quick-Freezing Treatment for Sludge Cell Lysis and Dewatering" International Journal of Environmental Research and Public Health 16, no. 19: 3611. https://doi.org/10.3390/ijerph16193611
APA StyleKim, W., Lee, H. K., & Kwon, Y.-N. (2019). Investigation of a Gas Hydrate Dissociation-Energy-Based Quick-Freezing Treatment for Sludge Cell Lysis and Dewatering. International Journal of Environmental Research and Public Health, 16(19), 3611. https://doi.org/10.3390/ijerph16193611
