Human Exposure to Electromagnetic Fields from Parallel Wireless Power Transfer Systems
Abstract
:1. Introduction
2. Computational Models and Methods
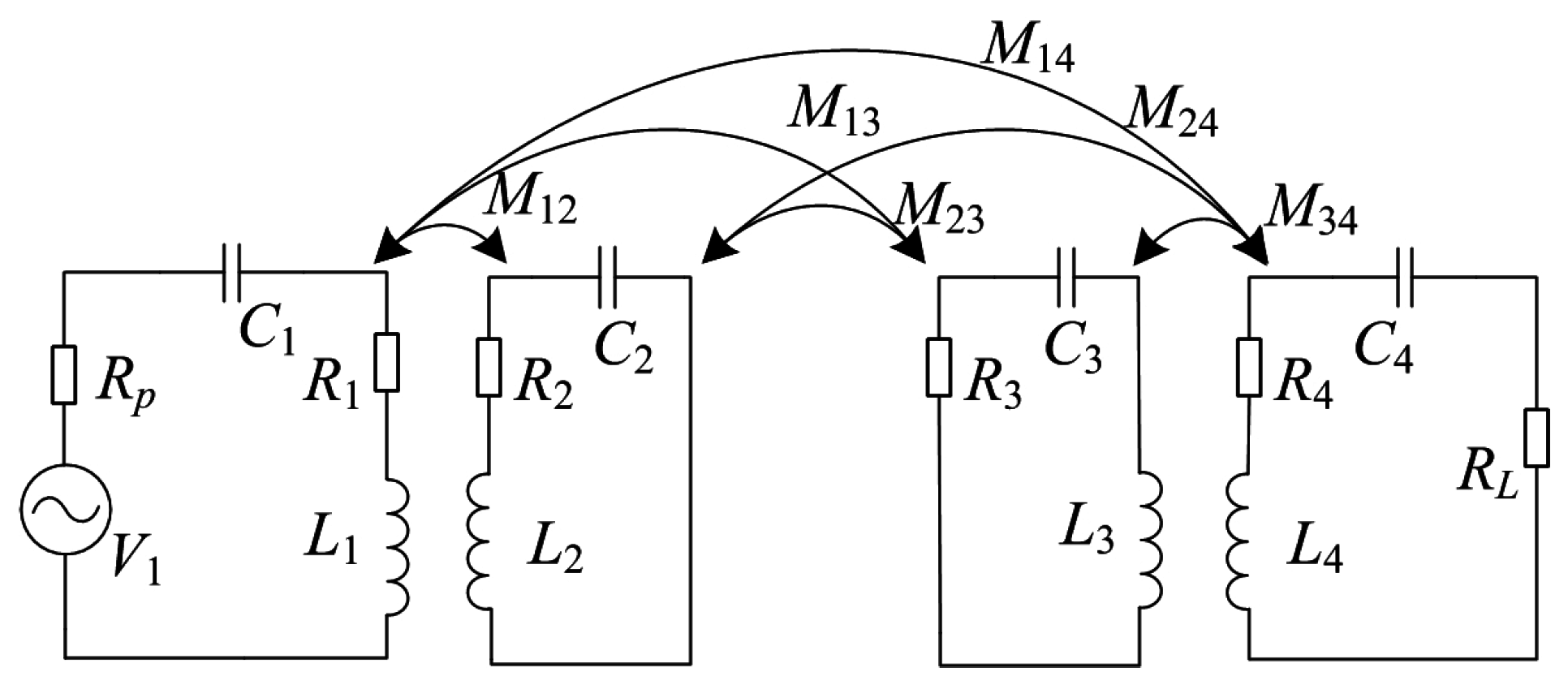
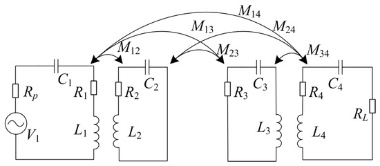
2.1. FEA Model and Cricuit Model
2.2. Computational Methods
3. Exposure Scenarios
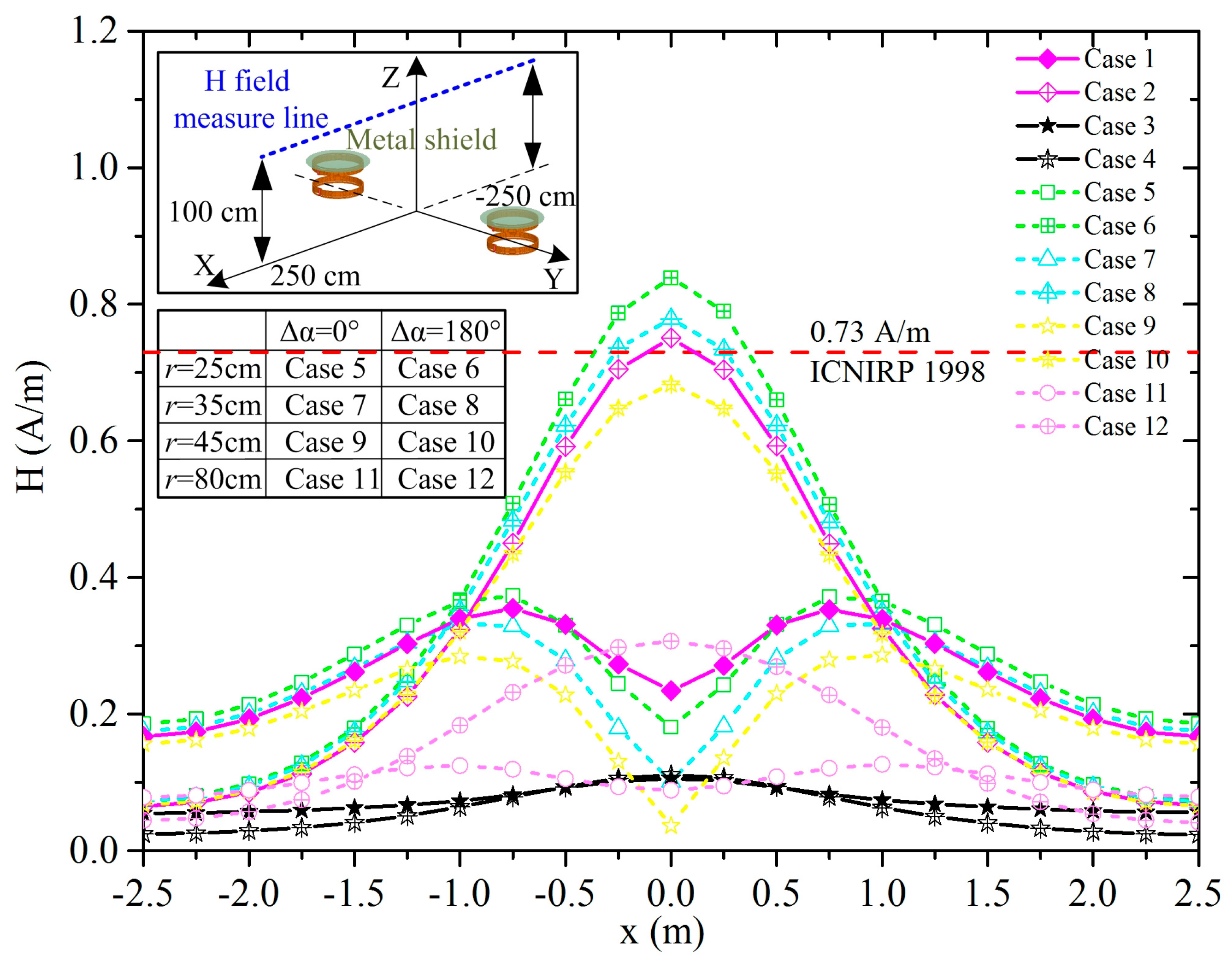
3.1. Magnetic Field Leakage
3.2. Induced Electric Field in the Human Body
3.3. SAR in Typical Tissues
4. Conclusions
Acknowledgments
Author Contributions
Conflicts of Interest
References
- Campi, T.; Cruciani, S.; Palandrani, F.; De Santis, V.; Hirata, A.; Feliziani, M. Wireless power transfer charging system for AIMDs and pacemakers. IEEE Trans. Microw. Theory 2016, 64, 633–642. [Google Scholar] [CrossRef]
- Ho, J.; Yeh, A.; Neofytou, E.; Kim, S. Wireless power transfer to deep-tissue microimplants. Proc. Natl. Acad. Sci. USA 2014, 111, 7974–7979. [Google Scholar] [CrossRef] [PubMed]
- Miller, J.M.; Jones, P.T.; Li, J.M.; Onar, O.C. ORNL experience and challenges facing dynamic wireless power charging of EV’s. IEEE Circuits Syst. Mag. 2015, 15, 40–53. [Google Scholar] [CrossRef]
- Kim, H.; Cho, J.; Ahn, S.; Kim, J. Suppression of leakage magnetic field from a wireless power transfer system using ferrimagnetic material and metallic shielding. In Proceedings of the 2012 IEEE International Symposium on Electromagnetic Compatibility (EMC), Pittsburgh, PA, USA, 6–10 August 2012.
- Yui, T.; Uno, H.; Izumi, T.; Watanabe, H.; Ikeda, K.; Saito, Y. Analysis of electromagnetic field distribution leaked from wireless power transfer system at MHz/GHz bands in case-study house. In Proceedings of the 2015 Asia-Pacific Microwave Conference (APMC), Nanjing, China, 6–9 December 2015.
- Takagi, K.; Yui, T.; Anada, M.; Izumi, T.; Uno, H.; Watanabe, H.; Saito, Y. Analysis of electromagnetic field leaked from wireless power transfer system in case-study house. In Proceedings of the 2015 IEEE Wireless Power Transfer Conference (WPTC), Boulder, CO, USA, 13–15 May 2015.
- Wu, H.H.; Gilchrist, A.; Sealy, K.; Bronson, D. A 90 percent efficient 5 kW inductive charger for EVs. In Proceedings of the 2012 IEEE Energy Conversion Congress and Exposition (ECCE), Raleigh, NC, USA, 15–19 September 2012; pp. 275–282.
- Wu, H.H.; Gilchrist, A.; Sealy, K.D.; Bronson, D. A high efficiency 5 kW inductive charger for EVs using dual side control. IEEE Trans. Ind. Inform. 2012, 8, 585–595. [Google Scholar] [CrossRef]
- Gao, Y.B.; Farley, K.B.; Ginart, A.; Tse, Z.T.H. Safety and efficiency of the wireless charging of electric vehicles. Proc. Inst. Mech. Eng. 2016, 230, 1196–1207. [Google Scholar] [CrossRef]
- Shimamoto, T.; Laakso, I.; Hirata, A. In-situ electric field in human body model in different postures for wireless power transfer system in an electrical vehicle. Phys. Med. Biol. 2015, 60, 163–173. [Google Scholar] [CrossRef] [PubMed]
- Laakso, I.; Hirata, A. Evaluation of the induced electric field and compliance procedure for a wireless power transfer system in an electrical vehicle. Phys. Med. Biol. 2013, 58, 7583–7593. [Google Scholar] [CrossRef] [PubMed]
- Laakso, I.; Shimamoto, T.; Hirata, A.; Feliziani, M. Quasistatic approximation for exposure assessment of wireless power transfer. IEICE Trans. Commun. 2015, E98b, 1156–1163. [Google Scholar] [CrossRef]
- Mutashar, S.; Hannan, M.A.; Samad, S.A.; Hussain, A. Analysis and optimization of spiral circular inductive coupling link for bio-implanted applications on air and within human tissue. Sensors 2014, 14, 11522–11541. [Google Scholar] [CrossRef] [PubMed]
- Christ, A.; Douglas, M.; Nadakuduti, J.; Kuster, N. Assessing human exposure to electromagnetic fields from wireless power transmission systems. Proc. IEEE 2013, 101, 1482–1493. [Google Scholar] [CrossRef]
- Campi, T.; Cruciani, S.; De Santis, V.; Feliziani, M. EMF safety and thermal aspects in a pacemaker equipped with a wireless power transfer system working at low frequency. IEEE Trans. Microw. Theory 2016, 64, 375–382. [Google Scholar] [CrossRef]
- Sunohara, T.; Hirata, A.; Laakso, I.; Onishi, T. Analysis of in situ electric field and specific absorption rate in human models for wireless power transfer system with induction coupling. Phys. Med. Biol. 2014, 59, 3721–3735. [Google Scholar] [CrossRef] [PubMed]
- Seckler, T.; Jagielski, K.; Stunder, D. Assessment of electromagnetic interference with active Cardiovascular Implantable Electronic Devices (CIEDs) caused by the Qi A13 design wireless charging board. Int. J. Environ. Res. Public Health 2015, 12, 5886–5904. [Google Scholar] [CrossRef] [PubMed]
- Agarwal, K.; Guo, Y.X. Interaction of electromagnetic waves with humans in wearable and biomedical implant antennas. In Proceedings of the 2015 IEEE Asia-Pacific International Symposium on Electromagnetic Compatibility (APEMC), Taipei, Taiwan, 25–29 May 2015; pp. 154–157.
- Shi, Y.; Yan, G.Z.; Chen, W.W.; Zhu, B.Q. Micro-intestinal robot with wireless power transmission: Design, analysis and experiment. Comput. Biol. Med. 2015, 66, 343–351. [Google Scholar] [CrossRef] [PubMed]
- Liu, C.R.; Guo, Y.X.; Sun, H.C.; Xiao, S.Q. Design and safety considerations of an implantable rectenna for far-field wireless power transfer. IEEE Trans. Antennas Propag. 2014, 62, 5798–5806. [Google Scholar] [CrossRef]
- Park, S. Numerical dosimetry of pregnant woman for resonance-based wireless power transfer system. In Proceedings of the 2015 IEEE Asia-Pacific International Symposium on Electromagnetic Compatibility (APEMC), Taipei, Taiwan, 25–29 May 2015; pp. 440–443.
- Shimamoto, T.; Laakso, I.; Hirata, A. Internal electric field in pregnant-woman model for wireless power transfer systems in electric vehicles. Electron. Lett. 2015, 51, 2136–2137. [Google Scholar] [CrossRef]
- Chakarothai, J.; Wake, K.; Watanabe, S. SAR assessment of a human body exposed to electromagnetic fields from a wireless power transfer system in 10 MHz band. In Proceedings of the 2014 XXXIth URSI General Assembly and Scientific Symposium (URSI GASS), Beijing, China, 16–23 August 2014.
- Song, H.J.; Shin, H.; Lee, H.B.; Yoon, J.H.; Byun, J.K. Induced current calculation in detailed 3-D adult and child model for the wireless power transfer frequency range. IEEE Trans. Magn. 2014, 50. [Google Scholar] [CrossRef]
- Sunohara, T.; Laakso, I.; Chan, K.H.; Hirata, A. Compliance of induced quantities in human model for wireless power transfer system at 10 MHz. In Proceedings of the URSI International Symposium on Electromagnetic Theory (EMTS 2013), Hiroshima, Japan, 20–24 May 2013; pp. 831–833.
- Park, S.W.; Wake, K.; Watanabe, S. Incident electric field effect and numerical dosimetry for a wireless power transfer system using magnetically coupled resonances (vol 61, pg 3461, 2013). IEEE Trans. Microw. Theory 2016, 64, 1677. [Google Scholar] [CrossRef]
- Ding, P.P.; Bernard, L.; Pichon, L.; Razek, A. Evaluation of electromagnetic fields in human body exposed to wireless inductive charging system. IEEE Trans. Magn. 2014, 50. [Google Scholar] [CrossRef]
- Christ, A.; Douglas, M.G.; Roman, J.M.; Cooper, E.B.; Sample, A.P.; Waters, B.H.; Smith, J.R.; Kuster, N. Evaluation of wireless resonant power transfer systems with human electromagnetic exposure Limits. IEEE Trans. Electromagn. C 2013, 55, 265–274. [Google Scholar] [CrossRef]
- Chakarothai, J.; Kanako, W.; Watanabe, S. Evaluation of EM absorption characteristics in realistic adult and child models in vicinity of wireless power transfer systems. In Proceedings of the 2015 Asia-Pacific Symposium on Electromagnetic Compatibility, Taipei, Taiwan, 26–29 May 2015; pp. 448–451.
- Hasgall, P.A.; Neufeld, E.; Gosselin, M.C.; Klingenbock, A.; Kuster, N. 2012 IT’IS Database for Thermal and Electromagnetic Parameters of Biological Tissues. Available online: www.itis.ethz.ch/database (accessed on 11 October 2016).
- Gabriel, C.; Peyman, A.; Grant, E.H. Electrical conductivity of tissue at frequencies below 1 MHz. Phys. Med. Biol. 2009, 54, 4863–4878. [Google Scholar] [CrossRef] [PubMed]
- Gabriel, S.; Lau, R.W.; Gabriel, C. The dielectric properties of biological tissues. 2. Measurements in the frequency range 10 Hz to 20 GHz. Phys. Med. Biol. 1996, 41, 2251–2269. [Google Scholar] [CrossRef] [PubMed]
- Gabriel, S.; Lau, R.W.; Gabriel, C. The dielectric properties of biological tissues. 3. Parametric models for the dielectric spectrum of tissues. Phys. Med. Biol. 1996, 41, 2271–2293. [Google Scholar] [CrossRef] [PubMed]
- Wen, F.; Huang, X.L. Optimal magnetic field shielding method by metallic sheets in wireless power transfer system. Energies 2016, 9, 733. [Google Scholar] [CrossRef]
- Schneider, J. SAE J2954 Overview and Path Forward; SAE International: Warrendale, PA, USA, 2013. [Google Scholar]
- International Commission on Non-Ionizing Radiation Protection. Guidelines for limiting exposure to time-varying electric, magnetic, and electromagnetic fields (up to 300 GHz). Health Phys. 1998, 4, 494–522. [Google Scholar]
- IEEE. Standard for Safety Levels with Respect to Human Exposure to Radio Frequency Electromagnetic Fields, 3 kHz to 300 GHz; IEEE: New York, NY, USA, 2005. [Google Scholar]
- International Commission on Non-Ionizing Radiation Protection. Guidelines for limiting exposure to time-varying electric, magnetic, and electromagnetic fields (up to 300 GHz) (1 Hz To 100 KHz). Health Phys. 2010, 99, 818–836. [Google Scholar]
- IEEE. IEC/IEEE Draft International Standard for Determining the Peak Spatial Average Specific Absorption Rate (SAR) in the Human Body from Wireless Communications Devices, 30 MHz–6 GHz. Part 1: General Requirements for Using the Finite Difference Time Domain (FDTD) Method for SAR Calculations; IEEE: New York, NY, USA, 2016; pp. 1–79. [Google Scholar]
- IEEE. IEC/IEEE Draft International Standard for Determining the Peak Spatial Average Specific Absorption Rate (SAR) in the Human Body from Wireless Communications Devices, 30 MHz–6 GHz. Part 1: General Requirements for Using the Finite Element Method for SAR Calculations; IEEE: New York, NY, USA, 2016. [Google Scholar]
- IEEE. Standard for Safety Levels with Respect to Human Exposure to Radio Frequency Electromagnetic Fields, 3 kHz to 300 GHz; IEEE: New York, NY, USA, 1999. [Google Scholar]










| f = 1 MHz | Self-Inductance (μH) | Resistance (mΩ) | Matched Capacitance (nF) | Coupling Coefficient |
|---|---|---|---|---|
| Tx loop | 1.196 | 12.316 | 21.170 | k12 = 0.608 k23 = 0.173 k34 = 0.607 |
| Tx coil | 21.938 | 106.660 | 1.155 | |
| Rx coil | 21.938 | 104.233 | 1.155 | |
| Rx loop | 1.197 | 12.126 | 21.154 |
| Tissues of Human Model | Relative Permittivity | Relative Permeability | Conductivity (S/m) | Density (kg/m3) |
|---|---|---|---|---|
| Fat | 50.8 | 1 | 0.044 | 911 |
| Muscle | 1840 | 1 | 0.503 | 1090 |
| Brain | 860 | 1 | 0.163 | 1045 |
| Heart | 1970 | 1 | 0.328 | 1081 |
| Liver | 1540 | 1 | 0.187 | 1079 |
| spleen | 2290 | 1 | 0.182 | 1089 |
| Lung | 733 | 1 | 0.136 | 394 |
| Kidney | 2250 | 1 | 0.278 | 1066 |
| Bone | 145 | 1 | 0.024 | 1908 |
| V1 = 925.5 V Po = 3.3 kW | RMS Value (A) | Phase (Degree) |
|---|---|---|
| I1 | 13.5 | −4.4 |
| I2 | 13.9 | −69.8 |
| I3 | 9.7 | −169.4 |
| I4 | 18.2 | 118.1 |
| Position A Case 1 Case 2 | 0° | 60° | 120° | 180° | 240° | 300° | Average |
|---|---|---|---|---|---|---|---|
| Brain | 4.5 × 10−7 1.6 × 10−5 | 6.8 × 10−7 2.8 × 10−5 | 6.2 × 10−7 2.1 × 10−5 | 4.0 × 10−7 1.5 × 10−5 | 3.0 × 10−7 1.6 × 10−5 | 2.9 × 10−7 2.1 × 10−5 | 4.6 × 10−7 2.0 × 10−5 |
| Heart | 3.2 × 10−7 4.9 × 10−5 | 3.6 × 10−7 5.6 × 10−5 | 4.5 × 10−7 4.5 × 10−5 | 1.9 × 10−7 4.4 × 10−5 | 1.6 × 10−7 4.7 × 10−5 | 4.9 × 10−7 4.9 × 10−5 | 3.3 × 10−7 4.8 × 10−5 |
| Liver | 2.1 × 10−10 1.7 × 10−8 | 4.0 × 10−10 2.1 × 10−8 | 1.8 × 10−10 2.5 × 10−8 | 2.1 × 10−10 1.7 × 10−8 | 4.0 × 10−10 2.3 × 10−8 | 1.9 × 10−10 2.6 × 10−8 | 2.7 × 10−10 2.2 × 10−8 |
| spleen | 7.3 × 10−7 1.1 × 10−5 | 7.0 × 10−7 6.9 × 10−5 | 5.8 × 10−7 1.2 × 10−4 | 8.8 × 10−7 9.9 × 10−6 | 6.7 × 10−7 7.2 × 10−5 | 7.1 × 10−7 1.1 × 10−4 | 7.1 × 10−7 6.5 × 10−5 |
| Lung | 2.5 × 10−6 1.6 × 10−4 | 3.5 × 10−6 3.9 × 10−4 | 2.2 × 10−6 3.2 × 10−4 | 2.9 × 10−6 1.6 × 10−4 | 3.5 × 10−6 4.5 × 10−4 | 3.0 × 10−6 3.2 × 10−4 | 2.9 × 10−6 3.0 × 10−4 |
| Kidney | 1.0 × 10−6 3.2 × 10−5 | 8.0 × 10−7 8.6 × 10−5 | 7.7 × 10−7 1.2 × 10−4 | 1.0 × 10−6 3.3 × 10−5 | 1.1 × 10−6 8.8 × 10−5 | 9.3 × 10−7 1.1 × 10−4 | 9.3 × 10−7 7.8 × 10−5 |
| Head, trunk and limbs | 0.014 0.194 | 0.020 0.016 | 0.009 0.282 | 0.005 0.092 | 0.020 0.028 | 0.019 0.104 | 0.015 0.119 |
| Position B Case 1 Case 2 | 0° | 60° | 120° | 180° | 240° | 300° | Average |
|---|---|---|---|---|---|---|---|
| Brain | 4.3 × 10−6 2.5 × 10−6 | 5.0 × 10−6 3.0 × 10−6 | 4.2 × 10−6 2.6 × 10−6 | 3.7 × 10−6 4.2 × 10−6 | 4.0 × 10−6 2.1 × 10−6 | 6.2 × 10−6 2.7 × 10−6 | 4.6 × 10−6 2.9 × 10−6 |
| Heart | 3.9 × 10−6 8.2 × 10−6 | 7.9 × 10−6 5.0 × 10−6 | 7.3 × 10−6 1.1 × 10−5 | 4.3 × 10−6 6.8 × 10−6 | 7.6 × 10−6 6.7 × 10−6 | 1.9 × 10−5 6.9 × 10−6 | 8.3 × 10−6 7.4 × 10−6 |
| Liver | 3.0 × 10−9 3.6 × 10−9 | 3.7 × 10−9 3.5 × 10−9 | 3.9 × 10−9 1.8 × 10−9 | 2.5 × 10−9 3.8 × 10−9 | 3.4 × 10−9 4.8 × 10−9 | 3.8 × 10−9 1.5 × 10−9 | 3.4 × 10−9 3.2 × 10−9 |
| spleen | 1.4 × 10−6 1.2 × 10−5 | 1.1 × 10−5 5.4 × 10−6 | 1.4 × 10−5 4.6 × 10−6 | 1.5 × 10−6 8.9 × 10−6 | 1.4 × 10−5 5.7 × 10−6 | 1.4 × 10−5 5.1 × 10−6 | 9.3 × 10−6 7.0 × 10−6 |
| Lung | 2.5 × 10−5 6.5 × 10−5 | 4.8 × 10−5 2.3 × 10−5 | 5.1 × 10−5 3.6 × 10−5 | 1.9 × 10−5 3.5 × 10−5 | 6.2 × 10−5 2.3 × 10−5 | 5.2 × 10−5 2.4 × 10−5 | 4.3 × 10−5 3.4 × 10−5 |
| Kidney | 4.2 × 10−6 1.4 × 10−5 | 1.0 × 10−5 8.6 × 10−6 | 2.2 × 10−5 6.2 × 10−6 | 4.7 × 10−6 7.4 × 10−6 | 1.5 × 10−5 8.4 × 10−6 | 1.8 × 10−5 7.8 × 10−6 | 1.2 × 10−5 8.7 × 10−6 |
| Head, trunk and limbs | 0.085 0.002 | 0.006 0.012 | 0.020 0.056 | 0.018 0.001 | 0.010 0.008 | 0.007 0.015 | 0.024 0.016 |
| Position C Case 1 Case 2 | 0° | 60° | 120° | 180° | 240° | 300° | Average |
|---|---|---|---|---|---|---|---|
| Brain | 5.2 × 10−7 3.4 × 10−7 | 5.8 × 10−7 4.7 × 10−7 | 5.5 × 10−7 4.1 × 10−7 | 9.0 × 10−7 2.7 × 10−7 | 5.7 × 10−7 3.9 × 10−7 | 5.6 × 10−7 5.4 × 10−7 | 6.1 × 10−7 4.0 × 10−7 |
| Heart | 4.2 × 10−7 5.0 × 10−7 | 1.2 × 10−6 4.0 × 10−7 | 1.2 × 10−6 4.4 × 10−7 | 8.6 × 10−7 3.9 × 10−7 | 1.4 × 10−6 7.7 × 10−7 | 8.7 × 10−7 3.5 × 10−7 | 9.9 × 10−7 4.8 × 10−7 |
| Liver | 3.8 × 10−10 1.3 × 10−10 | 3.7 × 10−10 1.9 × 10−10 | 4.1 × 10−10 2.1 × 10−10 | 6.5 × 10−10 1.1 × 10−10 | 3.9 × 10−10 2.2 × 10−10 | 9.0 × 10−10 1.9 × 10−10 | 5.2 × 10−10 1.8 × 10−10 |
| spleen | 1.5 × 10−6 5.9 × 10−8 | 7.8 × 10−7 5.5 × 10−7 | 7.2 × 10−7 4.9 × 10−7 | 1.6 × 10−6 6.7 × 10−8 | 7.5 × 10−7 5.4 × 10−7 | 9.5 × 10−7 5.6 × 10−7 | 1.1 × 10−6 3.2 × 10−7 |
| Lung | 1.2 × 10−5 9.0 × 10−7 | 4.9 × 10−6 2.4 × 10−6 | 3.4 × 10−6 4.0 × 10−6 | 5.4 × 10−6 1.6 × 10−6 | 3.9 × 10−6 3.2 × 10−6 | 4.8 × 10−6 3.0 × 10−6 | 5.7 × 10−6 2.5 × 10−6 |
| Kidney | 1.5 × 10−6 1.8 × 10−7 | 1.5 × 10−6 4.9 × 10−7 | 7.6 × 10−7 1.0 × 10−6 | 1.1 × 10−6 2.1 × 10−7 | 8.0 × 10−7 6.2 × 10−7 | 1.2 × 10−6 5.2 × 10−7 | 1.1 × 10−6 5.0 × 10−7 |
| Head, trunk and limbs | 1.5 × 10−4 1.0 × 10−2 | 2.3 × 10−3 5.0 × 10−4 | 4.6 × 10−3 9.4 × 10−4 | 2.2 × 10−4 2.3 × 10−3 | 5.1 × 10−3 1.2 × 10−3 | 1.6e-2 6.4 × 10−3 | 4.7 × 10−3 2.6 × 10−3 |
| Position D Case 1 Case 2 | 0° | 60° | 120° | 180° | 240° | 300° | Average |
|---|---|---|---|---|---|---|---|
| Brain | 6.1 × 10−7 5.2 × 10−7 | 8.4 × 10−7 4.6 × 10−7 | 6.6 × 10−7 4.6 × 10−7 | 6.4 × 10−7 4.6 × 10−7 | 6.4 × 10−7 2.8 × 10−7 | 6.7 × 10−7 4.1 × 10−7 | 6.8 × 10−7 4.3 × 10−7 |
| Heart | 4.4 × 10−7 5.2 × 10−7 | 1.2 × 10−6 6.8 × 10−7 | 1.2 × 10−6 3.9 × 10−7 | 1.3 × 10−6 6.5 × 10−7 | 1.2 × 10−6 5.6 × 10−7 | 1.1 × 10−6 7.2 × 10−7 | 1.1 × 10−6 5.9 × 10−7 |
| Liver | 3.7 × 10−10 2.7 × 10−10 | 4.0 × 10−10 2.1 × 10−10 | 2.8 × 10−10 2.4 × 10−10 | 5.7 × 10−10 3.1 × 10−10 | 3.6 × 10−10 1.8 × 10−10 | 2.8 × 10−10 2.2 × 10−10 | 3.8 × 10−10 2.4 × 10−10 |
| spleen | 1.6 × 10−6 8.0 × 10−7 | 6.6 × 10−7 1.3 × 10−7 | 6.5 × 10−7 1.0 × 10−6 | 1.6 × 10−6 9.8 × 10−7 | 7.8 × 10−7 2.0 × 10−7 | 9.5 × 10−7 9.1 × 10−7 | 1.0 × 10−6 6.7 × 10−7 |
| Lung | 1.1 × 10−5 4.4 × 10−6 | 4.2 × 10−6 1.8 × 10−6 | 3.9 × 10−6 3.2 × 10−6 | 5.7 × 10−6 3.2 × 10−6 | 3.2 × 10−6 1.6 × 10−6 | 6.0 × 10−6 5.7 × 10−6 | 5.7 × 10−6 3.3 × 10−6 |
| Kidney | 2.1 × 10−6 1.4 × 10−6 | 1.7 × 10−6 5.2 × 10−7 | 8.7 × 10−7 6.2 × 10−7 | 1.1 × 10−6 8.1 × 10−7 | 9.5 × 10−7 4.0 × 10−7 | 1.4 × 10−6 9.7 × 10−7 | 1.4 × 10−6 7.9 × 10−7 |
| Head, trunk and limbs | 6.0 × 10−4 1.1 × 10−3 | 2.3 × 10−3 1.7 × 10−3 | 5.9 × 10−3 1.4 × 10−3 | 3.6 × 10−4 4.6 × 10−4 | 1.2 × 10−3 1.3 × 10−3 | 2.2 × 10−3 6.9 × 10−4 | 2.1 × 10−3 1.1 × 10−3 |
| Position E Case 1 Case 2 | 0° | 60° | 120° | 180° | 240° | 300° | Average |
|---|---|---|---|---|---|---|---|
| Brain | 2.3 × 10−7 1.4 × 10−7 | 2.7 × 10−7 1.6 × 10−7 | 1.8 × 10−7 1.3 × 10−7 | 3.8 × 10−7 2.3 × 10−7 | 3.2 × 10−7 1.9 × 10−7 | 2.3 × 10−7 1.5 × 10−7 | 2.7 × 10−7 1.7 × 10−7 |
| Heart | 2.0 × 10−7 1.1 × 10−7 | 5.1 × 10−7 3.9 × 10−7 | 4.7 × 10−7 2.6 × 10−7 | 4.1 × 10−7 2.5 × 10−7 | 4.7 × 10−7 2.6 × 10−7 | 2.9 × 10−7 2.3 × 10−7 | 3.9 × 10−7 2.5 × 10−7 |
| Liver | 1.3 × 10−10 9.2 × 10−11 | 3.3 × 10−10 9.7 × 10−11 | 2.3 × 10−10 8.2 × 10−11 | 1.8 × 10−10 1.3 × 10−10 | 1.5 × 10−10 9.1 × 10−11 | 3.3 × 10−10 2.4 × 10−10 | 2.1 × 10−10 1.2 × 10−10 |
| spleen | 4.7 × 10−7 3.0 × 10−7 | 3.5 × 10−7 1.9 × 10−7 | 2.0 × 10−7 1.5 × 10−7 | 4.6 × 10−7 3.1 × 10−7 | 3.2 × 10−7 1.8 × 10−7 | 2.6 × 10−7 1.9 × 10−7 | 3.4 × 10−7 2.2 × 10−7 |
| Lung | 3.5 × 10−6 2.3 × 10−6 | 2.2 × 10−6 1.1 × 10−6 | 1.1 × 10−6 7.9 × 10−7 | 1.7 × 10−6 1.2 × 10−6 | 1.5 × 10−6 1.0 × 10−6 | 1.3 × 10−6 9.9 × 10−7 | 1.9 × 10−6 1.2 × 10−6 |
| Kidney | 5.4 × 10−7 3.2 × 10−7 | 6.8 × 10−7 4.2 × 10−7 | 3.1 × 10−7 1.7 × 10−7 | 4.3 × 10−7 2.6 × 10−7 | 6.4 × 10−7 3.0 × 10−7 | 4.1 × 10−7 2.8 × 10−7 | 5.0 × 10−7 2.9 × 10−7 |
| Head, trunk and limbs | 1.2 × 10−4 8.3 × 10−5 | 3.2 × 10−4 3.0 × 10−4 | 1.8 × 10−3 1.2 × 10−3 | 3.4 × 10−2 6.2 × 10−3 | 2.8 × 10−3 2.8 × 10−3 | 5.1 × 10−3 3.0 × 10−3 | 7.4 × 10−3 2.3 × 10−3 |
© 2017 by the authors. Licensee MDPI, Basel, Switzerland. This article is an open access article distributed under the terms and conditions of the Creative Commons Attribution (CC BY) license ( http://creativecommons.org/licenses/by/4.0/).
Share and Cite
Wen, F.; Huang, X. Human Exposure to Electromagnetic Fields from Parallel Wireless Power Transfer Systems. Int. J. Environ. Res. Public Health 2017, 14, 157. https://doi.org/10.3390/ijerph14020157
Wen F, Huang X. Human Exposure to Electromagnetic Fields from Parallel Wireless Power Transfer Systems. International Journal of Environmental Research and Public Health. 2017; 14(2):157. https://doi.org/10.3390/ijerph14020157
Chicago/Turabian StyleWen, Feng, and Xueliang Huang. 2017. "Human Exposure to Electromagnetic Fields from Parallel Wireless Power Transfer Systems" International Journal of Environmental Research and Public Health 14, no. 2: 157. https://doi.org/10.3390/ijerph14020157
APA StyleWen, F., & Huang, X. (2017). Human Exposure to Electromagnetic Fields from Parallel Wireless Power Transfer Systems. International Journal of Environmental Research and Public Health, 14(2), 157. https://doi.org/10.3390/ijerph14020157

