Integrating Non-Positional Numbering Systems into E-Commerce Platforms: A Novel Approach to Enhance System Fault Tolerance
Abstract
:1. Introduction
1.1. Specificity of E-Commerce Platforms
1.2. Fault Tolerance in E-Commerce: Defining the Need and Scope
1.3. Article Structure
2. State of the Art
2.1. Literature Review in the Field of Reliability and Fault Tolerance
- Pradhan, in his book, provides an exhaustive discussion on designing computer systems that are resistant to different types of faults, emphasizing hardware and software redundancy mechanisms [42]. Despite providing comprehensive coverage, the book does not consider alternative numbering systems such as NPNS.
- In the book Fault-Tolerant Systems, Koren and Krishna discuss the fundamentals of fault tolerance, including definitions, fault types, and fault-tolerance measures, from a systems perspective [23]. Despite providing an excellent foundation, the authors do not explore the use of NPNS.
- Shooman explores various strategies for achieving reliability in computer systems and networks, with a focus on modeling techniques [43]. However, the work does not cover the use of NPNS as a strategy for achieving fault tolerance.
- Avizienis et al. provide a thorough overview of basic concepts and terminologies of fault tolerance in their landmark paper [44]. However, they do not delve into the advantages of NPNS in enhancing fault tolerance.
- Siewiorek and Swarz, in their book Reliable Computer Systems, provide a comprehensive examination of fault tolerance and system reliability, with detailed discussions on redundancy and error-correction methods [45]. However, they do not consider NPNS in their discussions.
- Trivedi provides a detailed explanation of various quantitative reliability and performance models for computer systems [46]. Although valuable, this work does not explore the impact of different numbering systems on fault tolerance.
- In Introduction to Reliable and Secure Distributed Programming, Cachin, Guerraoui, and Rodrigues address reliable distributed programming, including the incorporation of fault tolerance [47]. However, they do not consider NPNS as a potential approach for enhancing fault tolerance.
2.2. Literature Review in Applying Residue Number Systems for Reliability and Fault Tolerance
- Phalakarn, K.; Surarerks, A. [48] propose a novel approach to constructing a redundant RNS (RRNS) using redundant residue representations. This RRNS construction is designed to enhance error detection and correction, improving fault tolerance. However, this approach results in higher costs for performing addition and multiplication operations. While the authors acknowledge the need for further investigation to improve the efficiency of their proposed RRNS, the study does not explore the inherent properties of NPNS such as RNS for enhancing fault tolerance in a broader context.
- Res. [49] offer an innovative approach by incorporating AN codes into RRNS to improve reliability in neural networks. Despite its significant contribution to improving the redundancy and reliability of neural networks, the focus of this study is highly application-specific. The broader utilization of RNS for enhancing fault tolerance in various computing systems is not explored.
- Huang, T.-C. [50] propose a systematic approach to design a low-power, compact, reliable neural network based on RRNS. This research contributes significantly to self-checking in neural networks, reducing power, time, and area costs. However, it does not comprehensively address how the general properties of NPNS can be used to enhance fault tolerance in computing systems.
- Mohan’s monograph Residue Number Systems provides a comprehensive overview of RNS, including a detailed explanation of core and quotient functions, CRT, and large integer operations [30]. It also outlines applications to practical communication systems and cryptography, such as FIR filters and elliptic curve cryptography. However, the text mainly serves as a foundation and does not delve into the specific use of RNS for enhancing fault tolerance.
- The paper [51] offers a theoretical foundation for the cryptographic protection of color image pixels using RNS, highlighting the speed increase of algorithm operations. While the paper presents valuable insights on using RNS for cryptographic protection, the application of RNS for fault tolerance is not explored.
- Hiasat, A. [52] broaden the classical moduli sets for designing residue-based arithmetic components, presenting multiplicative inverses and introducing general frameworks for component design. This work expands the available options for designing an RNS processor, contributing significantly to the versatility of RNS. However, the paper does not explicitly address the use of these frameworks in enhancing system fault tolerance.
- Krasnobayev, V.A.; Koshman, S.A. [53] proposed a time-efficient method for diagnosing data errors in RNS-based data, thereby increasing the efficiency of diagnosis. This method, thereby, contributed to enhancing the overall efficiency of computing systems with non-positional code structures in RNS.
- Krasnobayev, V.A. et al. [54] presented detailed a method for executing the arithmetic operation of the modulo addition of two numbers in RNS, thereby improving the efficiency of RNS operations.
3. Research Design
3.1. Rationale for E-Commerce Focus
3.2. Adaptation of Methodology to E-Commerce Specifics
3.3. Basic Properties of the RNS
3.4. CRT Explanation: Theoretical Insights into the Chinese Remainder Theorem
4. Experimental Section
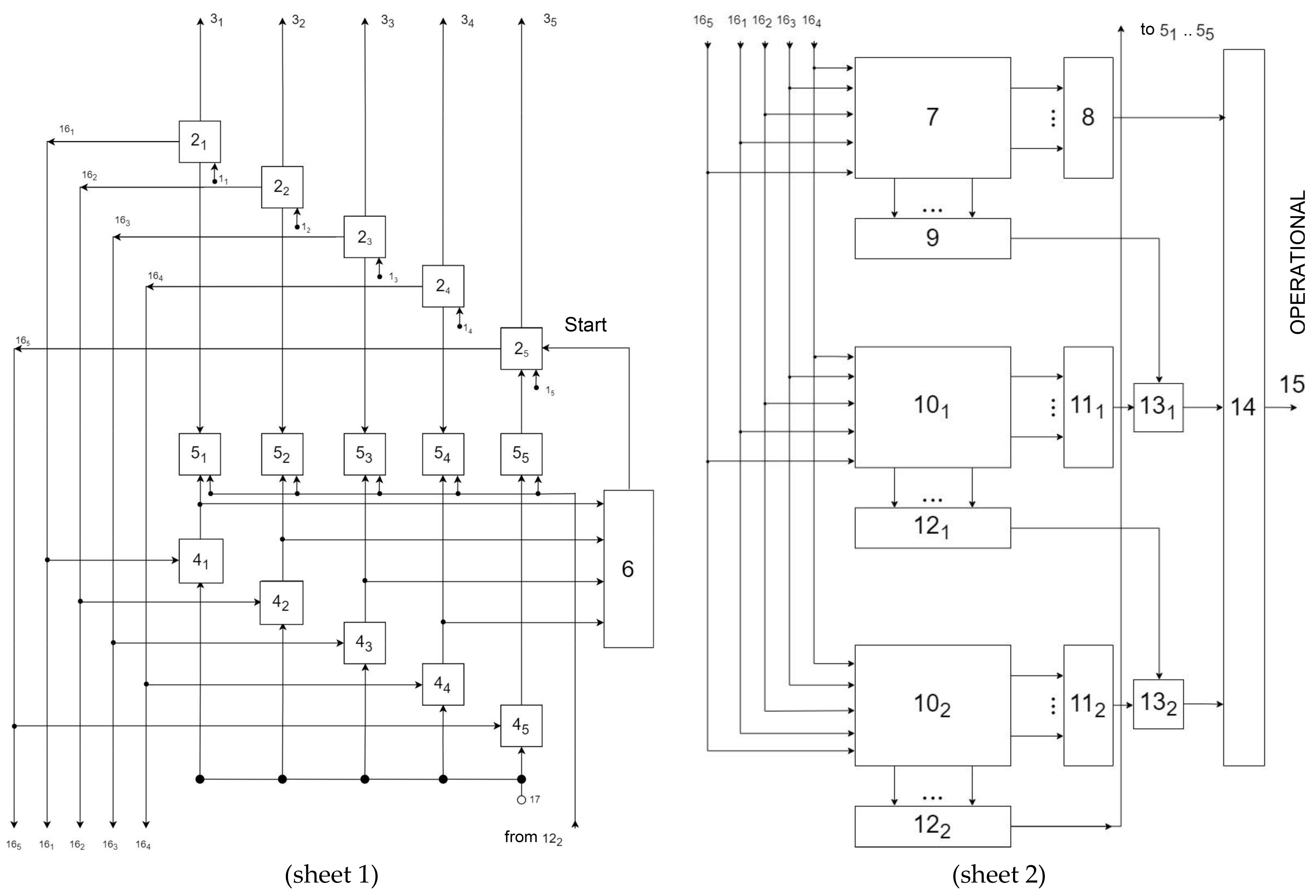
- : the first (informational) CS inputs;
- : informational bases;
- : control base;
- : informational CS outputs;
- : the first group of elements AND;
- : the first group of OR elements;
- : the first OR element;
- : decoder (device for binary to unary code conversion);
- : the second OR element;
- : the third OR element;
- : group of decoders;
- : second group of OR elements;
- : third group of OR elements;
- : second group of elements AND;
- : the fourth OR element;
- : CS operational output in RNS;
- : CS control block outputs in RNS;
- : device’s clock input.
- All informational and control computational tracks (CTs) are operational;
- All informational CTs are operational, and the control CT has failed;
- The control CT is operational, and a part of informational CTs out of a total CTs have failed, where condition (1) is met:
4.1. The First Mode: “Non-Degraded Mode of Operation”
4.2. The Second Mode: “Mode with Degradation of Work”
5. Results
- There has been an influx of scientific-theoretical publications both domestically and internationally, dedicated to the theory and practice of creating high-performance, reliable, resilient, and fault-tolerant computer systems and components operating in RNS. In particular, elements of the theory for ensuring fault tolerance and the classification of CS based on the use of RNS are being developed.
- There is a widespread distribution of mobile device processors that demand high data processing performance coupled with minimal energy consumption. The use of RNS for arithmetic operations of addition and multiplication ensures high speed due to the absence of inter-bit transfers during arithmetic operations. During the operation of mobile devices, the use of RNS can significantly reduce energy consumption.
- There is considerable interest from banking structures that require the reliable and accurate real-time processing of large data sets. They necessitate high-performance computational tools for highly reliable computations with potential self-error correction—a feature inherent to correction codes in RNS.
- The increasing density of component placement on a single chip does not always allow for the thorough and comprehensive testing of computer components. In such scenarios, ensuring the fault-tolerant operation of the CS becomes crucial. Preliminary research results have shown that fault-tolerant CS operations can be organized using RNS.
- The need for specialized CS to perform a vast number of operations on multidimensional numerical structures in real time necessitates the high-speed execution of integer operations of addition and multiplication. This is applicable to tasks such as matrix multiplication, vector dot product computation, Fourier transformations, etc.
- The widespread implementation of microelectronics in all areas of human life has significantly increased the relevance and importance of previously infrequent, but now ubiquitous, scientific-practical tasks such as digital signal and image processing, pattern recognition, cryptographic transformations, the processing and storage of multi-digit information, etc. This situation requires massive computational resources, exceeding the capabilities of CS operating in binary positional numeral systems (PNS).
- The literature suggests that, from the perspective of ensuring necessary performance, reliability, and fault tolerance in the real-time processing of large data sets, existing and prospective CS and components operating in PNS cannot provide this.
- Specialists in computational technology acknowledge that the current level of microelectronics development is approaching its limits. The prospective avenues for further development in microelectronics, succeeding nanoelectronics—such as molecular and biological electronics, micromechanics, optical, optoelectronic, and photonic CS, and other exotic directions for improving existing CS—are still far from widespread industrial production and practical use.
- Fault tolerance is incorporated by developers in the design of the CS to increase its reliability; the necessary level of fault tolerance is mainly achieved through the use of redundant (additional) technical means (introduction of artificial structural and/or other redundancy) compared to the minimum necessary to fully perform all required CS functions.
- The use of the property of fault tolerance allows for maintaining the full or partial operationality of the CS.
- It is assumed that the failure of CS elements is not associated with effects not provided for in the operating conditions.
5.1. Independence of Residues
5.2. Equality of Residues
5.3. Low Bit-Length Residue
- Accumulative principle (based on the usage of low bit-length binary adders module-wise).
- Table principle (based on the utilization of small-sized Read-Only Memory (ROM) units).
- Ring shift principle, based on the usage of ring shift registers.
- The ability to parallelize calculations at the operand decomposition level significantly increases speed.
- The potential for the spatial separation of data elements with the capacity for subsequent asynchronous independent processing.
- The possibility of the table (matrix) execution of arithmetic operations from the basic set and polynomial functions with the single-cycle ROM-result extraction of modular operations.
- The capability to implement a control and correction system with the effective detection and rectification of failures and faults.
- The opportunity to monitor and correct errors dynamically during the computation process.
- The ability to efficiently use passive and active fault tolerance based on prompt structural reconfiguration.
- Reduced computational and temporal complexity for certain classes (types) of integer tasks.
- The manifestation of a unique property of the structure in RNS that prevents the error propagation effect when implementing arithmetic integer operations like addition, subtraction, and multiplication.
- The structure’s suitability in RNS for conducting the prompt diagnoses of computation blocks and nodes.
- The possibility to increase reliability in RNS through the efficient simultaneous utilization of passive and active fault tolerance.
- The principles of constructing non-positional code structures have inherently predisposed the CS structure in RNS to ensure fault-tolerant operation.
- In RNS, the application of one type of redundancy implies the simultaneous presence of other types of redundancies, i.e., it stipulates other forms of redundancy. For instance, the application of information redundancy (the introduction of redundant information by incorporating check bases) for increasing computational accuracy implies the presence of structural redundancy, which can be further exploited to enhance the CS’s fault tolerance.
- There exists a direct analogy between the CS structure in RNS and the redundancy structure in PNS. This aspect, using known approaches and mathematical relationships in reliability theory for corresponding methods and ways of redundancy in PNS, enables the synthesis of mathematical models for conducting computations, evaluations, and comparative analyses of fault tolerance and reliability of the CS in RNS.
6. Discussion
6.1. Advantages of NPNS in E-Commerce Resilience
6.2. Overcoming Inertia in Established Systems
6.3. Practical and Theoretical Implications for E-Commerce
6.4. Operational Trade-Offs and System Optimization
- The efficacy of RNS in computational systems materializes predominantly in integer processing, aligning with the transactional nature of e-commerce.
- Positional operations within RNS introduce an additional layer of temporal and technical intricacy, given their necessity in functions pivotal to e-commerce such as data control and transactional integrity.
- While RNS adoption in non-redundant computational systems necessitates augmented hardware investments compared to positional number systems (PNS), this is mitigated by the imperative for enhanced fault tolerance in the high-stakes e-commerce environment.
- The performance surplus intrinsic to computational systems within RNS provides a strategic avenue for bolstering fault tolerance, albeit with potential impacts on operational velocity, necessitating a balanced approach especially critical in the time-sensitive e-commerce sector.
7. Conclusions
- A pathway for effectively increasing the fault tolerance of CS; specifically, the use of RNS as the number system in CS was demonstrated.
- The presented classification of various fault-tolerance methods provides an opportunity for the synthesis and quantitative assessment of CS fault tolerance in RNS.
- The initial structure of CS in the CRT, without the introduction of additional redundancy, exhibits an inherent predisposition for the possibility of fault-tolerant CS operation. This is due to the influence of the primary properties of RNS on the CS structure. The CS structure in RNS is similar to the structure of multiprocessor CS in the PNS.
- There is a direct analogy between the structure of CS in RNS and the structure of a redundant system in PNS. This parallelism allows us, using established approaches and mathematical relationships from reliability theory for corresponding methods and means of redundancy in PNS, to synthesize mathematical models for performing calculations, evaluation, and comparative analysis of the fault tolerance and reliability of CS in RNS.
- In RNS, the application of one type of redundancy implicitly introduces other types of redundancy. For instance, the use of information redundancy (introducing information excess through control bases) to enhance computation reliability introduces structural redundancy, which can be further used to enhance CS fault tolerance.
- The results of the analysis of an example one-byte CS in RNS functioning with given information bases (, , , and ) and only one control base () (detailed in Section 4) demonstrate the following. The use of RNS ensures a higher level of CS fault tolerance due to the consideration of additional operational states of CS with a reduced quality of operation. The level of fault tolerance increases by reducing computation accuracy by taking into account an additional number of operational CS states.
- Based on the methods of passive (Definition 3) and active (Definition 4) fault tolerance, synthesize mathematical models of reliability for different modes of CS operation in RNS.
- Calculate the reliability of CS in RNS using a selected metric.
- Conduct a comparative analysis of the reliability of the synthesized CS in RNS with the existing CS.
- Develop technical recommendations for choosing the location for the effective application of CS in RNS.
Author Contributions
Funding
Institutional Review Board Statement
Informed Consent Statement
Data Availability Statement
Conflicts of Interest
References
- Alford, R.S. Computer Systems Engineering Management; CRC Press: Boca Raton, FL, USA, 2018; ISBN 978-1-351-07082-9. [Google Scholar]
- Hodson, R.F. Real-Time Expert Systems Computer Architecture; CRC Press: Boca Raton, FL, USA, 2018; ISBN 978-1-351-07620-3. [Google Scholar]
- Yadin, A. Computer Systems Architecture, 1st ed.; Chapman and Hall/CRC, Taylor & Francis Group, CRC Press: Boca Raton, FL, USA, 2016; ISBN 978-1-315-37328-7. [Google Scholar]
- Castaldi, P.; Mimmo, N.; Simani, S. Fault Diagnosis and Fault-Tolerant Control Techniques for Aircraft Systems. In Fault Diagnosis and Fault-tolerant Control of Robotic and Autonomous Systems; Monteriu, A., Freddi, A., Longhi, S., Eds.; Institution of Engineering and Technology: Hong Kong, 2020; pp. 197–212. ISBN 978-1-78561-830-7. [Google Scholar]
- Hajiyev, C.; Soken, H.E. Active Fault Tolerant Attitude Estimation. In Fault Tolerant Attitude Estimation for Small Satellites; CRC Press: Boca Raton, FL, USA, 2020; pp. 175–198. ISBN 978-1-351-24883-9. [Google Scholar]
- Ushakov, I.A. Optimal Redundancy in Multistate Systems. In Optimal Resource Allocation; John Wiley & Sons, Ltd.: Hoboken, NJ, USA, 2013; pp. 150–171. ISBN 978-1-118-40071-5. [Google Scholar]
- Wright, S.A. Performance Modeling, Benchmarking and Simulation of High Performance Computing Systems. Future Gener. Comput. Syst. 2019, 92, 900–902. [Google Scholar] [CrossRef]
- Krasnobayev, V.; Kuznetsov, A.; Yanko, A.; Akhmetov, B.; Kuznetsova, T. Processing of the Residuals of Numbers in Real and Complex Numerical Domains. In Data-Centric Business and Applications; Radivilova, T., Ageyev, D., Kryvinska, N., Eds.; Lecture Notes on Data Engineering and Communications Technologies; Springer International Publishing: Cham, Switzerland, 2021; Volume 48, pp. 529–555. ISBN 978-3-030-43069-6. [Google Scholar]
- Wu, X.; Liang, J. Study on Trust Evaluation and Service Selection for Service-Oriented E-Commerce Systems in IoT Environments. Egypt. Inform. J. 2023, 24, 257–263. [Google Scholar] [CrossRef]
- Tan, Z.; Li, H.; He, X. Optimizing Parcel Sorting Process of Vertical Sorting System in E-Commerce Warehouse. Adv. Eng. Inform. 2021, 48, 101279. [Google Scholar] [CrossRef]
- Long, T.; Ma, Y.; Wu, L.; Xia, Y.; Jiang, N.; Li, J.; Fu, X.; You, X.; Zhang, B. A Novel Fault-Tolerant Scheduling Approach for Collaborative Workflows in an Edge-IoT Environment. Digit. Commun. Netw. 2022, 8, 911–922. [Google Scholar] [CrossRef]
- Zhou, Z.; Wang, M.; Yang, C.-N.; Fu, Z.; Sun, X.; Wu, Q.M.J. Blockchain-Based Decentralized Reputation System in E-Commerce Environment. Future Gener. Comput. Syst. 2021, 124, 155–167. [Google Scholar] [CrossRef]
- Krasnobaev, V.; Kuznetsov, A.; Popenko, V.; Kuznetsova, T. Mathematical Model of the Reliability of a Computer System Which Is Functioning in the Residual Class System, Taking into Account the Reliability of Switching Devices. In Proceedings of the 2021 IEEE 4th International Conference on Advanced Information and Communication Technologies (AICT), Lviv, Ukraine, 21–25 September 2021; pp. 225–229. [Google Scholar]
- Krasnobaev, V.; Kuznetsov, A.; Kiian, A.; Kuznetsova, K. Fault Tolerance Computer System Structures Functioning in Residue Classes. In Proceedings of the 2021 11th IEEE International Conference on Intelligent Data Acquisition and Advanced Computing Systems: Technology and Applications (IDAACS), Cracow, Poland, 22–25 September 2021; Volume 1, pp. 471–474. [Google Scholar]
- Paytring Orchestration Platform. Payment Orchestration: Essential for High Transaction Volume. Medium. 2023. Available online: https://medium.com/@paytringorchestration/payment-orchestration-essential-for-high-transaction-volume-00620ecdad2f (accessed on 21 October 2023).
- E-Commerce Worldwide—Statistics & Facts. Available online: https://www.statista.com/topics/871/online-shopping/ (accessed on 21 October 2023).
- Shnidman, R. eCommerce Revenue Loss: Examining Common Causes. Available online: https://justt.ai/blog/ecommerce-revenue-loss/ (accessed on 21 October 2023).
- India, C. Difference between D2C, B2B, B2C, C2C and Social Commerce. Business Models. Medium. 2023. Available online: https://medium.com/@thecejum/difference-between-d2c-b2b-b2c-c2c-and-social-commerce-business-models-a6a0ea4e664b (accessed on 21 October 2023).
- Foughali, M.; Hladik, P.-E.; Zuepke, A. Compositional Verification of Embedded Real-Time Systems. J. Syst. Archit. 2023, 142, 102928. [Google Scholar] [CrossRef]
- Nabavi, S.S.; Farbeh, H. A Fault-Tolerant Resource Locking Protocol for Multiprocessor Real-Time Systems. Microelectron. J. 2023, 137, 105809. [Google Scholar] [CrossRef]
- Turban, E.; King, D.; Lee, J.K.; Liang, T.-P.; Turban, D.C. Overview of Electronic Commerce. In Electronic Commerce: A Managerial and Social Networks Perspective; Turban, E., King, D., Lee, J.K., Liang, T.-P., Turban, D.C., Eds.; Springer Texts in Business and Economics; Springer International Publishing: Cham, Switzerland, 2015; pp. 3–49. ISBN 978-3-319-10091-3. [Google Scholar]
- Lai, R. Chapter 12—Understanding Interbank Real-Time Retail Payment Systems. In Handbook of Blockchain, Digital Finance, and Inclusion; Chuen, D.L.K., Deng, R., Eds.; Academic Press: Cambridge, MA, USA, 2018; Volume 1, pp. 283–310. ISBN 978-0-12-810441-5. [Google Scholar]
- Koren, I.; Krishna, C.M. Fault-Tolerant Networks. In Fault-Tolerant Systems; Elsevier: Amsterdam, The Netherlands, 2021; pp. 115–159. ISBN 978-0-12-818105-8. [Google Scholar]
- Khurram, S. 24/7 Shopping: How E-Commerce Rewrote the Rules of Convenience. Medium. 2023. Available online: https://medium.com/@shaheenkhurram828/24-7-shopping-how-e-commerce-rewrote-the-rules-of-convenience-951832986cd3 (accessed on 21 October 2023).
- Koren, I.; Krishna, C.M. Chapter 2—Hardware Fault Tolerance. In Fault-Tolerant Systems, 2nd ed.; Koren, I., Krishna, C.M., Eds.; Morgan Kaufmann: San Francisco, CA, USA, 2021; pp. 11–57. ISBN 978-0-12-818105-8. [Google Scholar]
- Song, L.; Chen, Y.; Zhang, B.; Zhu, M. Inventory and Financing Decisions in Cross-Border e-Commerce: The Financing and Information Roles of a Bonded Warehouse. Expert Syst. Appl. 2023, 238, 121639. [Google Scholar] [CrossRef]
- Qadan, M.; Aharon, D.Y.; Cohen, G. Everybody Likes Shopping, Including the US Capital Market. Phys. A Stat. Mech. Its Appl. 2020, 551, 124173. [Google Scholar] [CrossRef]
- Zhang, Y. An FPGA Implementation of Redundant Residue Number System for Low-Cost Fast Speed Fault-Tolerant Computations. Master’s Thesis, Nanyang Technological University, Singapore, 2018. [Google Scholar]
- Nikolaychuk, Y.M. Specialized Computer Technologies in Information; Terno-Graph; TzOV: Ternopil, Ukraine, 2017. [Google Scholar]
- Ananda Mohan, P.V. Specialized Residue Number Systems. In Residue Number Systems: Theory and Applications; Mohan, P.V.A., Ed.; Springer International Publishing: Cham, Switzerland, 2016; pp. 177–193. ISBN 978-3-319-41385-3. [Google Scholar]
- Ding, S.X. Performance-Based Fault-Tolerant Control and Performance Recovery. In Advanced Methods for Fault Diagnosis and Fault-Tolerant Control; Springer: Berlin/Heidelberg, Germany, 2021; pp. 601–628. ISBN 978-3-662-62003-8. [Google Scholar]
- Ananda Mohan, P.V. Error Detection, Correction and Fault Tolerance in RNS-Based Designs. In Residue Number Systems: Theory and Applications; Mohan, P.V.A., Ed.; Springer International Publishing: Cham, Switzerland, 2016; pp. 163–175. ISBN 978-3-319-41385-3. [Google Scholar]
- Pirlo, G. Non-Modular Operations of the Residue Number System: Functions for Computing. In Embedded Systems Design with Special Arithmetic and Number Systems; Molahosseini, A.S., de Sousa, L.S., Chang, C.-H., Eds.; Springer International Publishing: Cham, Switzerland, 2017; pp. 49–64. ISBN 978-3-319-49742-6. [Google Scholar]
- Kasianchuk, M.; Yakymenko, I.; Pazdriy, I.; Melnyk, A.; Ivasiev, S. Rabin’s Modified Method of Encryption Using Various Forms of System of Residual Classes. In Proceedings of the 2017 14th International Conference The Experience of Designing and Application of CAD Systems in Microelectronics (CADSM), Lviv, Ukraine, 21–25 February 2017; pp. 222–224. [Google Scholar]
- Karpinski, M.; Ivasiev, S.; Yakymenko, I.; Kasianchuk, M.; Gancarczyk, T. Advanced Method of Factorization of Multi-Bit Numbers Based on Fermat’s Theorem in the System of Residual Classes. In Proceedings of the 2016 16th International Conference on Control, Automation and Systems (ICCAS), Gyeongju, Republic of Korea, 16–19 October 2016; pp. 1484–1486. [Google Scholar]
- Timmers, P. Business Models for Electronic Markets. Electron. Mark. 1998, 8, 3–8. [Google Scholar] [CrossRef]
- Chaffey, D.; Ellis-Chadwick, F. Digital Marketing: Strategy, Implementation and Practice, 7th ed.; Pearson: Upper Saddle River, NJ, USA, 2019; ISBN 978-1-292-24157-9. [Google Scholar]
- Lyu, M.R. (Ed.) Handbook of Software Reliability Engineering; McGraw-Hill, Inc.: New York, NY, USA, 1996; ISBN 978-0-07-039400-1. [Google Scholar]
- Mell, P.; Grance, T. The NIST Definition of Cloud Computing; National Institute of Standards and Technology: Gaithersburg, MD, USA, 2011. [Google Scholar]
- Knuth, D.; Fuller, D.J. The Art of Computer Programming, Volumes 1-4A Boxed Set, 1st ed.; Addison-Wesley Professional: Amsterdam, The Netherlands, 2011; ISBN 978-0-321-75104-1. [Google Scholar]
- Tanenbaum, A.S.; van Steen, M. Distributed Systems: Principles and Paradigms, 2nd ed.; CreateSpace Independent Publishing Platform: Scotts Valley, CA, USA, 2016; ISBN 978-1-5302-8175-6. [Google Scholar]
- Pradhan, D.K. Fault-Tolerant Computer System Design, 1st ed.; Prentice Hall: Upper Saddle River, NJ, USA, 1996; ISBN 978-0-13-057887-7. [Google Scholar]
- Shooman, M.L. Reliability of Computer Systems and Networks: Fault Tolerance, Analysis, and Design, 1st ed.; Wiley-Interscience: New York, NY, USA, 2001; ISBN 978-0-471-29342-2. [Google Scholar]
- Avizienis, A.; Laprie, J.-C.; Randell, B.; Landwehr, C. Basic Concepts and Taxonomy of Dependable and Secure Computing. IEEE Trans. Dependable Secur. Comput. 2004, 1, 11–33. [Google Scholar] [CrossRef]
- Swarz, D.P.S.; Robert, S. Reliable Computer Systems: Design and Evaluation, 3rd ed.; A K Peters: Natick, MA, USA; CRC Press: New York, NY, USA, 1998; ISBN 978-0-429-06510-1. [Google Scholar]
- Trivedi, K.S. Properties of Distributions. In Probability and Statistics with Reliability, Queuing and Computer Science Applications; John Wiley & Sons, Ltd.: Hoboken, NJ, USA, 2016; pp. 804–806. ISBN 978-1-119-28544-1. [Google Scholar]
- Cachin, C.; Guerraoui, R.; Rodrigues, L. Introduction to Reliable and Secure Distributed Programming; Springer: Berlin/Heidelberg, Germany, 2011; ISBN 978-3-642-15259-7. [Google Scholar]
- Phalakarn, K.; Surarerks, A. Alternative Redundant Residue Number System Construction with Redundant Residue Representations. In Proceedings of the 2018 3rd International Conference on Computer and Communication Systems (ICCCS), Nagoya, Japan, 27–30 April 2018; pp. 457–461. [Google Scholar]
- Fu, H.-W.; Chen, T.-Y.; Tsai, C.-D.; Shen, M.-W.; Huang, T.-C. AN-Coded Redundant Residue Number System for Reliable Neural Networks. In Proceedings of the 2021 IEEE International Conference on Consumer Electronics-Taiwan (ICCE-TW), Penghu, Taiwan, 15–17 September 2021; pp. 1–2. [Google Scholar]
- Huang, T.-C. Self-Checking Residue Number System for Low-Power Reliable Neural Network. In Proceedings of the 2019 IEEE 28th Asian Test Symposium (ATS), Kolkata, India, 10–13 December 2019; pp. 37–375. [Google Scholar]
- Vozna, N.Y.; Nykolaychuk, Y.M.; Volynskyi, O.I. Algorithms for Solving Problems of Cryptographic Protection of Color Image Pixels in the Rademacher’s Basis and Residue Number Systems. Cybern. Syst. Anal. 2019, 55, 474–487. [Google Scholar] [CrossRef]
- Hiasat, A. General Frameworks for Designing Arithmetic Components for Residue Number Systems. In Intelligent Methods in Computing, Communications and Control; Dzitac, I., Dzitac, S., Filip, F.G., Kacprzyk, J., Manolescu, M.-J., Oros, H., Eds.; Springer International Publishing: Cham, Switzerland, 2021; pp. 82–92. [Google Scholar]
- Krasnobayev, V.A.; Koshman, S.A. A Method for Operational Diagnosis of Data Represented in a Residue Number System. Cybern. Syst. Anal. 2018, 54, 336–344. [Google Scholar] [CrossRef]
- Krasnobayev, V.A.; Kuznetsov, A.A.; Koshman, S.A.; Kuznetsova, K.O. A Method for Implementing the Operation of Modulo Addition of the Residues of Two Numbers in the Residue Number System. Cybern. Syst. Anal. 2020, 56, 1029–1038. [Google Scholar] [CrossRef]
- Turban, E.; Whiteside, J.; King, D.; Outland, J. E-Commerce: Mechanisms, Platforms, and Tools. In Introduction to Electronic Commerce and Social Commerce; Turban, E., Whiteside, J., King, D., Outland, J., Eds.; Springer Texts in Business and Economics; Springer International Publishing: Cham, Switzerland, 2017; pp. 35–64. ISBN 978-3-319-50091-1. [Google Scholar]
- Mohan, P.V.A. Residue Number Systems; Springer International Publishing: Cham, Switzerland, 2016; ISBN 978-3-319-41383-9. [Google Scholar]
- Koren, I. The Residue Number System. In Computer Arithmetic Algorithms; A K Peters: Natick, MA, USA; CRC Press: Boca Raton, FL, USA, 2002; ISBN 978-1-315-27556-7. [Google Scholar]
- Krasnobayev, V.; Kuznetsov, A.; Bagmut, M.; Gorbacheva, L.; Kuznetsova, T. Method of Tabular Implementation for Diagnostics of Non-Positional Code Structures in the System of Residual Classes. In Cybersecurity Providing in Information and Telecommunication Systems II: Volume II; Bessalov, A., Ageyev, D., Lahno, V., Sokolov, V., Eds.; CEUR: Kyiv, Ukraine, 2021; Volume 3188, pp. 177–186. [Google Scholar]
- Krasnobayev, V.; Kuznetsov, A.; Yanko, A.; Kuznetsova, K. Correction Codes in the System of Residual Classes. In Proceedings of the 2019 IEEE International Scientific-Practical Conference Problems of Infocommunications, Science and Technology (PIC S T), Kyiv, Ukraine, 8–11 October 2019; pp. 488–492. [Google Scholar]
- Kocherov, Y.N.; Samoylenko, D.V.; Koldaev, A.I. Development of an Antinoise Method of Data Sharing Based on the Application of a Two-Step-Up System of Residual Classes. In Proceedings of the 2018 International Multi-Conference on Industrial Engineering and Modern Technologies (FarEastCon), Vladivostok, Russia, 3–4 October 2018; pp. 1–5. [Google Scholar]
- Simjanović, D.J.; Zdravković, N.; Vesić, N.O. On the Factors of Successful E-Commerce Platform Design during and after COVID-19 Pandemic Using Extended Fuzzy AHP Method. Axioms 2022, 11, 105. [Google Scholar] [CrossRef]
- Wang, C.-N.; Nguyen, N.-A.-T.; Dang, T.-T.; Hsu, H.-P. Evaluating Sustainable Last-Mile Delivery (LMD) in B2C E-Commerce Using Two-Stage Fuzzy MCDM Approach: A Case Study from Vietnam. IEEE Access 2021, 9, 146050–146067. [Google Scholar] [CrossRef]
- Eastlick, M.A.; Lotz, S.L.; Warrington, P. Understanding Online B-to-C Relationships: An Integrated Model of Privacy Concerns, Trust, and Commitment. J. Bus. Res. 2006, 59, 877–886. [Google Scholar] [CrossRef]

| Control Block Output Buses 161 to 165 Indicators | Failed FTS CM Numbers | First Mode | Second Mode | ||||||||
|---|---|---|---|---|---|---|---|---|---|---|---|
| m5 | m1 | m2 | m3 | m4 | RNS Base Relationship for Information m1 + m4 and Control m5 | Set Ω0 of Operational FTS States (D0 = 420) | First Level of Degradation (D1 = 139) | Second Level of Degradation (D2 = 61) | |||
| 23 | 3 | 4 | 5 | 7 | RNS Base Relationship | Set Ω1 of Operational FTS States | RNS Base Relationship | Set Ω2 of Operational FTS States | |||
| 1 | 2 | 3 | 4 | 5 | 6 | 7 | 8 | ||||
| 0 | 0 | 0 | 0 | 0 | - | - | + | - | + | - | + |
| 0 | 0 | 0 | 0 | 1 | 4 | 7 < 23 | + | 23·3·4·5 > 139 | + | 23·3·4·5 > 61 | + |
| 0 | 0 | 0 | 1 | 0 | 3 | 5 < 23 | + | 23·3·4·7 > 139 | + | 23·3·4·7 > 61 | + |
| 0 | 0 | 0 | 1 | 1 | 3, 4 | 5·7 > 23 | - | 23·3·4·> 139 | + | 23·3·4 > 61 | + |
| 0 | 0 | 1 | 0 | 0 | 2 | 4 < 23 | + | 23·3·5·7 > 139 | + | 23·3·5·7 > 61 | + |
| 0 | 0 | 1 | 0 | 1 | 2, 4 | 4·7 > 23 | - | 23·3·5 > 139 | + | 23·3·5 > 61 | + |
| 0 | 0 | 1 | 1 | 0 | 2, 3 | 4·5 < 23 | + | 23·3·7 > 139 | + | 23·3·7 > 61 | + |
| 0 | 0 | 1 | 1 | 1 | 2, 3, 4 | 4·5·7 > 23 | - | 23·3 < 139 | - | 23·3 > 61 | + |
| 0 | 1 | 0 | 0 | 0 | 1 | 3 < 23 | + | 23·4·5·7 > 139 | + | 23·4·5·7 > 61 | + |
| 0 | 1 | 0 | 0 | 1 | 1, 4 | 3·7 < 23 | + | 23·4·5 > 139 | + | 23·4·5 > 61 | + |
| 0 | 1 | 0 | 1 | 0 | 1, 3 | 3·5 < 23 | + | 23·4·7 > 139 | + | 23·4·7 > 61 | + |
| 0 | 1 | 0 | 1 | 1 | 1, 3, 4 | 3·5·7 > 23 | - | 23·4 < 139 | - | 23·4 > 61 | + |
| 0 | 1 | 1 | 0 | 0 | 1, 2 | 3·4 < 23 | + | 23·5·7 > 139 | + | 23·5·7 > 61 | + |
| 0 | 1 | 1 | 0 | 1 | 1, 2, 4 | 3·4·7 > 23 | - | 23·5 < 139 | - | 23·5 > 61 | + |
| 0 | 1 | 1 | 1 | 0 | 1, 2, 3 | 3·4·5 > 23 | - | 23·7 > 139 | + | 23·7 > 61 | + |
| 0 | 1 | 1 | 1 | 1 | 1, 2, 3, 4 | 3·4·5·7 > 23 | - | 23 < 139 | - | 23 < 61 | - |
| 1 | 0 | 0 | 0 | 0 | 5 | 3·4·5·7 = 420 | + | 3·4·5·7 > 139 | + | 3·4·5·7 > 61 | + |
| 1 | 0 | 0 | 0 | 1 | 5, 4 | - | - | 3·4·5 < 139 | - | 3·4·5 < 61 | - |
| 1 | 0 | 0 | 1 | 0 | 5, 3 | - | - | 3·4·7 < 139 | - | 3·4·7 > 61 | + |
| 1 | 0 | 0 | 1 | 1 | 5, 3, 4 | - | - | 3·4 < 139 | - | 3·4 < 61 | - |
| 1 | 0 | 1 | 0 | 0 | 5, 1 | - | - | 3·5·7 < 139 | - | 3·5·7 > 61 | + |
| 1 | 0 | 1 | 0 | 1 | 5, 1, 4 | - | - | 3·5 < 139 | - | 4·5·7 > 61 | - |
| 1 | 0 | 1 | 1 | 0 | 5, 1, 3 | - | - | 3·7 < 139 | - | 3·7 < 61 | - |
| 1 | 0 | 1 | 1 | 1 | 5, 1, 3, 4 | - | - | 3 < 139 | - | 3 < 61 | - |
| 1 | 1 | 0 | 0 | 0 | 5, 1 | - | - | 4·5·7 > 139 | + | 4·5·7 > 61 | + |
| 1 | 1 | 0 | 0 | 1 | 5, 1, 4 | - | - | 4·5 < 139 | - | 4·5 < 61 | - |
| 1 | 1 | 0 | 1 | 0 | 5, 1, 3 | - | - | 4·7 < 139 | - | 4·7 < 61 | - |
| 1 | 1 | 0 | 1 | 1 | 5, 1, 3, 4 | - | - | 4 < 139 | - | 4 < 61 | - |
| 1 | 1 | 1 | 0 | 0 | 5, 1, 2 | - | - | 5·7 < 139 | - | 5·7 < 61 | - |
| 1 | 1 | 1 | 0 | 1 | 5, 1, 2, 4 | - | - | 5 < 139 | - | 5 < 61 | - |
| 1 | 1 | 1 | 1 | 0 | 5, 1, 2, 3 | - | - | 7 < 139 | - | 7 < 61 | - |
| 1 | 1 | 1 | 1 | 1 | 1, 2, 3, 4, 5 | - | - | - | - | - | - |
| Ω = 10 | Ω = 14 | Ω = 19 | |||||||||
Disclaimer/Publisher’s Note: The statements, opinions and data contained in all publications are solely those of the individual author(s) and contributor(s) and not of MDPI and/or the editor(s). MDPI and/or the editor(s) disclaim responsibility for any injury to people or property resulting from any ideas, methods, instructions or products referred to in the content. |
© 2023 by the authors. Licensee MDPI, Basel, Switzerland. This article is an open access article distributed under the terms and conditions of the Creative Commons Attribution (CC BY) license (https://creativecommons.org/licenses/by/4.0/).
Share and Cite
Krasnobayev, V.; Kuznetsov, O. Integrating Non-Positional Numbering Systems into E-Commerce Platforms: A Novel Approach to Enhance System Fault Tolerance. J. Theor. Appl. Electron. Commer. Res. 2023, 18, 2033-2056. https://doi.org/10.3390/jtaer18040102
Krasnobayev V, Kuznetsov O. Integrating Non-Positional Numbering Systems into E-Commerce Platforms: A Novel Approach to Enhance System Fault Tolerance. Journal of Theoretical and Applied Electronic Commerce Research. 2023; 18(4):2033-2056. https://doi.org/10.3390/jtaer18040102
Chicago/Turabian StyleKrasnobayev, Victor, and Oleksandr Kuznetsov. 2023. "Integrating Non-Positional Numbering Systems into E-Commerce Platforms: A Novel Approach to Enhance System Fault Tolerance" Journal of Theoretical and Applied Electronic Commerce Research 18, no. 4: 2033-2056. https://doi.org/10.3390/jtaer18040102
APA StyleKrasnobayev, V., & Kuznetsov, O. (2023). Integrating Non-Positional Numbering Systems into E-Commerce Platforms: A Novel Approach to Enhance System Fault Tolerance. Journal of Theoretical and Applied Electronic Commerce Research, 18(4), 2033-2056. https://doi.org/10.3390/jtaer18040102

