Sign in to use this feature.

Years

Between: -

Subjects

remove_circle_outline
remove_circle_outline
remove_circle_outline
remove_circle_outline
remove_circle_outline

Journals

remove_circle_outline

Article Types

Countries / Regions

Search Results (1)

Search Parameters:
Keywords = sterling seal

Order results
Result details
Results per page
Select all
Export citation of selected articles as:
16 pages, 90113 KB  
Article
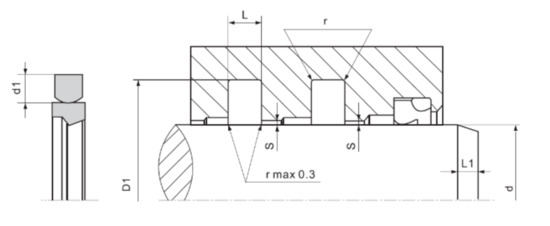
Piston Rod Coating Material Study of Reciprocating Sealing Experiment Based on Sterling Seal
by Miaotian Zhang, Decai Li, Shuangfu Suo and Jianwen Shi
Appl. Sci. 2021, 11(4), 1370; https://doi.org/10.3390/app11041370 - 3 Feb 2021
Cited by 9 | Viewed by 3774
Abstract
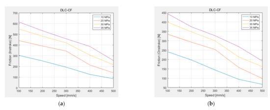
Sterling seal is a commonly used reciprocating seal, in which the PTFE ring of the seal and the surface material of the piston rod play an important role in the reciprocating sealing process. In this paper, a reciprocating sealing test bench was built, [...] Read more.
Sterling seal is a commonly used reciprocating seal, in which the PTFE ring of the seal and the surface material of the piston rod play an important role in the reciprocating sealing process. In this paper, a reciprocating sealing test bench was built, four sets of carbon fiber PTFE sealing rings were used to perform reciprocating sealing bench experiments with Cr-coated piston rods and DLC-coated piston rods. After the experiment, the used four sets of seals were taken as experimental samples, and a new, unused carbon fiber PTFE seal was taken as a reference sample. The surface topography, surface wear, and wear surface elements of the test specimens were measured by three-dimensional white light interference surface topography instrument, field emission environment scanning electron microscope, and field emission scanning electron microscope. Through experimental determination, it is found that the coating material is detached to form abrasive grains, which causes the surface of the sealing ring to wear. This paper also proposes optimization suggestions for the processing method of the sealing ring and the selection of the material of the piston rod coating. Full article
Show Figures

Figure 1

Back to TopTop